Информационная система
«Ёшкин Кот»

Скачать базу одним архивом
Скачать обновления
История создания базы
Карта сайта

Скачать Типовой проект 901-6-97.89 Альбом 4. Изделия строительные

Дата актуализации: 10.08.2017

Типовой проект 901-6-97.89

Альбом 4. Изделия строительные

Обозначение: Типовой проект 901-6-97.89
Обозначение англ: 901-6-97.89
Статус:не определен законодательством
Название рус.:Альбом 4. Изделия строительные
Дата добавления в базу:01.09.2013
Дата актуализации:05.05.2017
Дата введения:17.10.1989
Оглавление:ТП 901-6-97.89-КЖ.И.0.00.0 ДО Содержание
ТП 901-6-97.89-КЖ.И.0.00.0 ТУ Технические условия
ТП 901-6-97.89-КЖ.И.0.01.0 Каркас пространственный КП1 (КП1-1,КП1-2)
ТП 901-6-97.89-КЖ.И.0.01.0 СБ Каркас пространственный КП1 (КП1-1,КП1-2). Сборочный чертеж
ТП 901-6-97.89-КЖ.И.0.02.0 Каркас пространственный КП2
ТП 901-6-97.89-КЖ.И.0.03.0 СБ Каркас пространственный КП3 (КП3-1,КП3-2). Сборочный чертеж
ТП 901-6-97.89-КЖ.И.0.03.0 Каркас пространственный КП3 (КП3-1,КП3-2)
ТП 901-6-97.89-КЖ.И.0.04.0 Каркас пространственный КП4 (КП4-1...КП4-3)
ТП 901-6-97.89-КЖ.И.0.04.0 СБ Каркас пространственный КП4 (КП4-1...КП4-3). Сборочный чертеж
ТП 901-6-97.89-КЖ.И.0.05.0 Каркас пространственный КП5 (КП5-1,КП5-2)
ТП 901-6-97.89-КЖ.И.0.06.0 СБ Каркас пространственный КП6 (КП6-1,КП6-2). Сборочный чертеж
ТП 901-6-97.89-КЖ.И.0.06.0 Каркас пространственный КП6 (КП6-1,КП6-2)
ТП 901-6-97.89-КЖ.И.0.07.0 Изделие закладное МН1
ТП 901-6-97.89-КЖ.И.0.08.0 Каркас пространственный КП7 (КП7-1,КП7-2)
ТП 901-6-97.89-КЖ.И.0.09.0 Каркас плоский КР1 (КР1-1,КР1-2)
ТП 901-6-97.89-КЖ.И.0.09.0 СБ Каркас плоский КР1 (КР1-1,КР1-2). Сборочный чертеж
ТП 901-6-97.89-КЖ.И.0.10.0 Каркас плоский КР2
ТП 901-6-97.89-КЖ.И.0.11.0 Каркас плоский КР5
ТП 901-6-97.89-КЖ.И.0.12.0 Каркас плоский КР3(КР3-1,КР3-2)
ТП 901-6-97.89-КЖ.И.0.13.0 Каркас плоский КР4(КР4-1...КР4-3)
ТП 901-6-97.89-КЖ.И.0.14.0 Каркас плоский КР6(КР6-1,КР6-2)
ТП 901-6-97.89-КЖ.И.0.15.0 Каркас плоский КР7(КР7-1,КР7-2)
ТП 901-6-97.89-КЖ.И.0.16.0 Каркас плоский КР8(КР8-1,КР8-2)
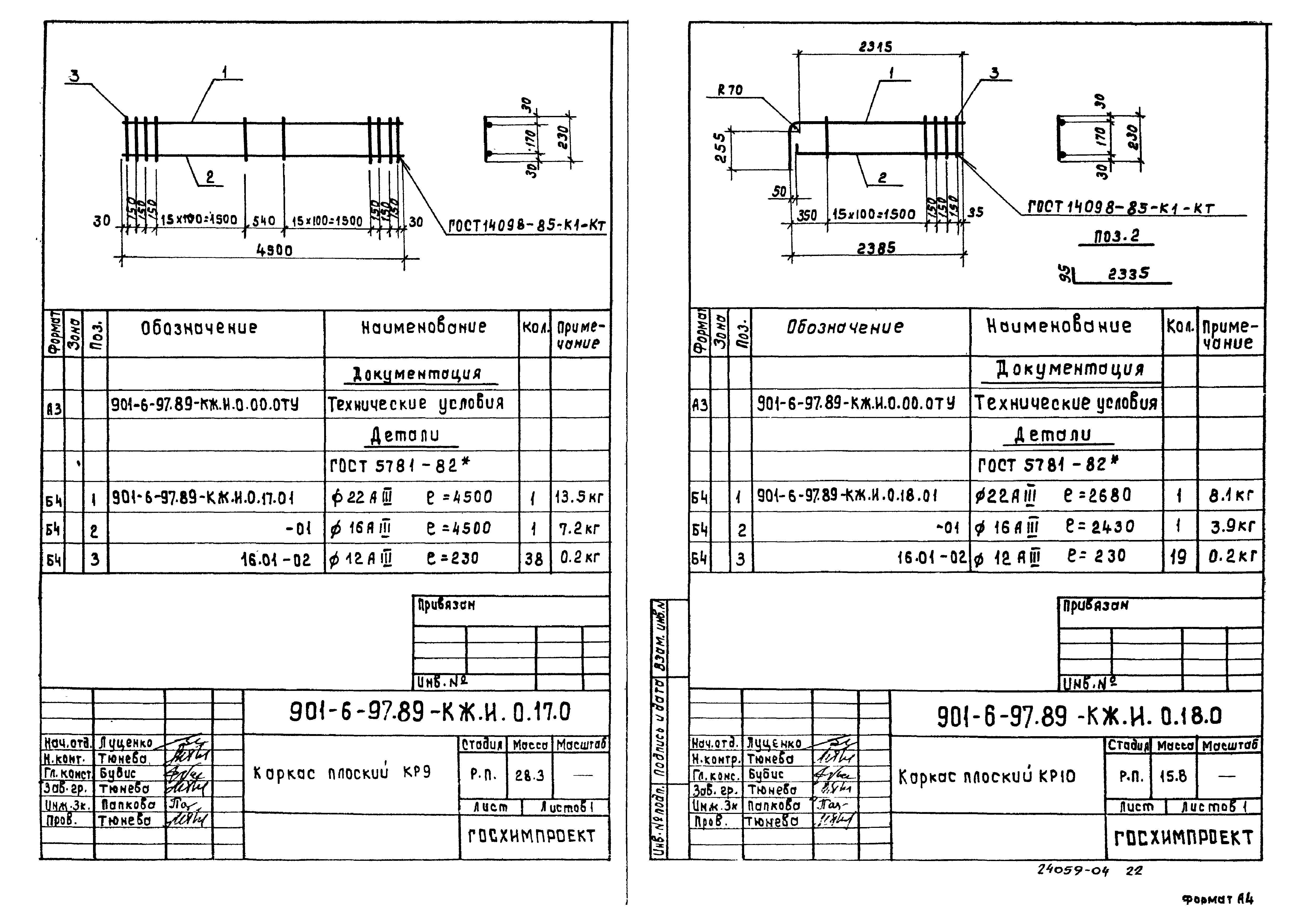
ТП 901-6-97.89-КЖ.И.0.17.0 Каркас плоский КР9
ТП 901-6-97.89-КЖ.И.0.18.0 Каркас плоский КР10
ТП 901-6-97.89-КЖ.И.0.19.0 Каркас плоский КР11(КР11-1...КР11-6)
ТП 901-6-97.89-КЖ.И.0.19.0 СБ Каркас плоский КР11(КР11-1...КР11-6). Сборочный чертеж
ТП 901-6-97.89-КЖ.И.0.20.0 Каркас плоский КР13(КР13-1...КР13-3)
ТП 901-6-97.89-КЖ.И.0.20.0 СБ Каркас плоский КР13(КР13-1...КР13-3). Сборочный чертеж
ТП 901-6-97.89-КЖ.И.0.21.0 СБ Каркас плоский КР12(КР12-1...КР12-6). Сборочный чертеж
ТП 901-6-97.89-КЖ.И.0.21.0 Каркас плоский КР12(КР12-1...КР12-6)
ТП 901-6-97.89-КЖ.И.0.22.0 Каркас плоский КР14
ТП 901-6-97.89-КЖ.И.0.23.0 Каркас плоский КР15
ТП 901-6-97.89-КЖ.И.0.24.0 Каркас плоский КР16
ТП 901-6-97.89-КЖ.И.0.25.0 Каркас плоский КР17
ТП 901-6-97.89-КЖ.И.0.26.0 Каркас плоский КР18
ТП 901-6-97.89-КЖ.И.0.27.0 Сетка С4
ТП 901-6-97.89-КЖ.И.0.28.0 Сетка С1(С1-1...С1-11)
ТП 901-6-97.89-КЖ.И.0.28.0 СБ Сетка С1(С1-1...С1-11). Сборочный чертеж
ТП 901-6-97.89-КЖ.И.0.29.0 Сетка С2
ТП 901-6-97.89-КЖ.И.0.30.0 Сетка С3
ТП 901-6-97.89-КЖ.И.0.31.0 Сетка С5(С5-1,С5-2)
ТП 901-6-97.89-КЖ.И.0.32.0 Сетка С6(С6-1...С6-3)
ТП 901-6-97.89-КЖ.И.0.33.0 Сетка С7(С7-1,С7-2)
ТП 901-6-97.89-КЖ.И.0.34.0 Сетка С8(С8-1...С8-12)
ТП 901-6-97.89-КЖ.И.0.34.0 СБ Сетка С8(С8-1...С8-12). Сборочный чертеж
ТП 901-6-97.89-КЖ.И.0.35.0 Сетка С9
ТП 901-6-97.89-КЖ.И.0.36.0 Сетка С10
ТП 901-6-97.89-КЖ.И.0.37.0 Сетка С11
ТП 901-6-97.89-КЖ.И.0.38.0 Сетка С12(С12-1,С12-2)
ТП 901-6-97.89-КЖ.И.0.39.0 Сетка С13
ТП 901-6-97.89-КЖ.И.0.40.0 Сетка С14
ТП 901-6-97.89-КЖ.И.0.41.0 Сетка С15
ТП 901-6-97.89-КЖ.И.0.42.0 Решетка РШ4
ТП 901-6-97.89-КЖ.И.0.43.0 Сетка С17(С17-1...С17-3)
ТП 901-6-97.89-КЖ.И.0.44.0 Сетка С18(С18-1,С18-2)
ТП 901-6-97.89-КЖ.И.0.45.0 Решетка (РШ1,РШ2)
ТП 901-6-97.89-КЖ.И.0.45.0 СБ Решетка (РШ1,РШ2). Сборочный чертеж
ТП 901-6-97.89-КЖ.И.0.46.0 Решетка РШ3
Разработан: Госхимпроект
Союзводоканалниипроект
Утверждён:17.10.1989 СоюзводоканалНИИпроект (SoyuzvodokanalNIIproject 30)
Расположен в:Техническая документация Строительство Справочные документы Типовые строительные конструкции, изделия и узлы Общероссийский строительный каталог Промышленные предприятия, здания и сооружения Здания и сооружения санитарно-технические Водоснабжение Градирни
Заменяет собой:
Типовой проект 901-6-97.89Типовой проект 901-6-97.89Типовой проект 901-6-97.89Типовой проект 901-6-97.89Типовой проект 901-6-97.89Типовой проект 901-6-97.89Типовой проект 901-6-97.89Типовой проект 901-6-97.89Типовой проект 901-6-97.89Типовой проект 901-6-97.89Типовой проект 901-6-97.89Типовой проект 901-6-97.89Типовой проект 901-6-97.89Типовой проект 901-6-97.89Типовой проект 901-6-97.89Типовой проект 901-6-97.89Типовой проект 901-6-97.89Типовой проект 901-6-97.89Типовой проект 901-6-97.89Типовой проект 901-6-97.89Типовой проект 901-6-97.89Типовой проект 901-6-97.89Типовой проект 901-6-97.89Типовой проект 901-6-97.89Типовой проект 901-6-97.89Типовой проект 901-6-97.89Типовой проект 901-6-97.89Типовой проект 901-6-97.89Типовой проект 901-6-97.89Типовой проект 901-6-97.89Типовой проект 901-6-97.89Типовой проект 901-6-97.89Типовой проект 901-6-97.89Типовой проект 901-6-97.89Типовой проект 901-6-97.89Типовой проект 901-6-97.89Типовой проект 901-6-97.89Типовой проект 901-6-97.89Типовой проект 901-6-97.89Типовой проект 901-6-97.89Типовой проект 901-6-97.89Типовой проект 901-6-97.89Типовой проект 901-6-97.89Типовой проект 901-6-97.89Типовой проект 901-6-97.89Типовой проект 901-6-97.89Типовой проект 901-6-97.89Типовой проект 901-6-97.89

© 2013 Ёшкин Кот :-) Карта сайта