Информационная система
«Ёшкин Кот»

Скачать базу одним архивом
Скачать обновления
История создания базы
Карта сайта

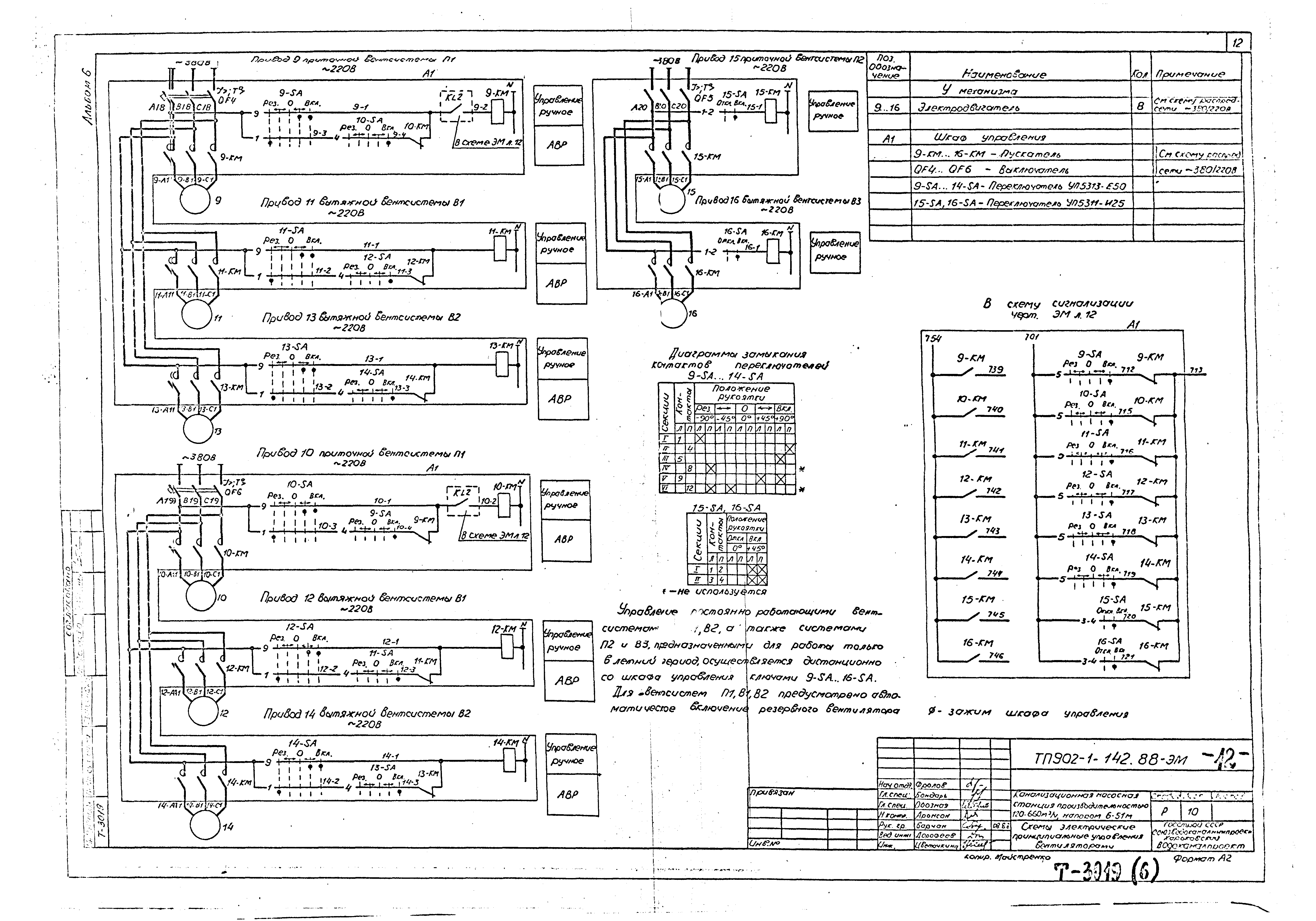
Скачать Типовой проект 902-1-145.88 Альбом 6. Силовое электрооборудование. Технологический контроль (из ТП 902-1-142.88)

Дата актуализации: 10.08.2017

Типовой проект 902-1-145.88

Альбом 6. Силовое электрооборудование. Технологический контроль (из ТП 902-1-142.88)

Обозначение: Типовой проект 902-1-145.88
Обозначение англ: 902-1-145.88
Статус:не определен законодательством
Название рус.:Альбом 6. Силовое электрооборудование. Технологический контроль (из ТП 902-1-142.88)
Дата добавления в базу:01.09.2013
Дата актуализации:05.05.2017
Дата введения:09.08.1988
Разработан: Харьковский Водоканалпроект
Утверждён:09.08.1988 Госстрой СССР (Государственный комитет Совета Министров СССР по делам строительства) (USSR Gosstroy 53)
Расположен в:Техническая документация Строительство Справочные документы Типовые строительные конструкции, изделия и узлы Общероссийский строительный каталог Промышленные предприятия, здания и сооружения Здания и сооружения санитарно-технические Канализация Станции насосные Станции насосные для перекачки бытовых сточных вод
Типовой проект 902-1-145.88Типовой проект 902-1-145.88Типовой проект 902-1-145.88Типовой проект 902-1-145.88Типовой проект 902-1-145.88Типовой проект 902-1-145.88Типовой проект 902-1-145.88Типовой проект 902-1-145.88Типовой проект 902-1-145.88Типовой проект 902-1-145.88Типовой проект 902-1-145.88Типовой проект 902-1-145.88Типовой проект 902-1-145.88Типовой проект 902-1-145.88Типовой проект 902-1-145.88Типовой проект 902-1-145.88Типовой проект 902-1-145.88Типовой проект 902-1-145.88Типовой проект 902-1-145.88Типовой проект 902-1-145.88Типовой проект 902-1-145.88Типовой проект 902-1-145.88Типовой проект 902-1-145.88Типовой проект 902-1-145.88Типовой проект 902-1-145.88Типовой проект 902-1-145.88Типовой проект 902-1-145.88Типовой проект 902-1-145.88Типовой проект 902-1-145.88Типовой проект 902-1-145.88Типовой проект 902-1-145.88Типовой проект 902-1-145.88Типовой проект 902-1-145.88Типовой проект 902-1-145.88Типовой проект 902-1-145.88Типовой проект 902-1-145.88Типовой проект 902-1-145.88Типовой проект 902-1-145.88Типовой проект 902-1-145.88Типовой проект 902-1-145.88Типовой проект 902-1-145.88Типовой проект 902-1-145.88Типовой проект 902-1-145.88Типовой проект 902-1-145.88Типовой проект 902-1-145.88Типовой проект 902-1-145.88Типовой проект 902-1-145.88Типовой проект 902-1-145.88Типовой проект 902-1-145.88

© 2013 Ёшкин Кот :-) Карта сайта