Информационная система
«Ёшкин Кот»

Скачать базу одним архивом
Скачать обновления
История создания базы
Карта сайта

Скачать Серия 3.903 КЛ-13 Выпуск 1 - 6. Теплоснабжение. Сборные железобетонные камеры на тепловых сетях. Изделия

Дата актуализации: 10.08.2017

Серия 3.903 КЛ-13

Выпуск 1 - 6. Теплоснабжение. Сборные железобетонные камеры на тепловых сетях. Изделия

Обозначение: Серия 3.903 КЛ-13
Обозначение англ: Series 3.903 КЛ-13
Статус:не действует
Название рус.:Выпуск 1 - 6. Теплоснабжение. Сборные железобетонные камеры на тепловых сетях. Изделия
Дата добавления в базу:01.09.2013
Дата актуализации:05.05.2017
Оглавление:3.903 КЛ-13 Содержание
3.903 КЛ-13 Пояснительная записка
3.903 КЛ-13 Плита П23-16. Опалубка
3.903 КЛ-13 Плита П23-21. Опалубка
3.903 КЛ-13 Плита П23-16,П23-21. Армирование
3.903 КЛ-13 Плита П23-16-К. Опалубка
3.903 КЛ-13 Плита П23-21-К. Опалубка
3.903 КЛ-13 Плита П23-16-К,П23-21-К. Армирование
3.903 КЛ-13 Плита П23-16-Д. Опалубка
3.903 КЛ-13 Плита П23-21-Д. Опалубка
3.903 КЛ-13 Плита П23-16-Д,П23-21-Д. Армирование
3.903 КЛ-13 Плита П33-16. Опалубка
3.903 КЛ-13 Плита П33-21. Опалубка
3.903 КЛ-13 Плита П33-16,П33-21. Армирование
3.903 КЛ-13 Плита П33-16-К. Опалубка
3.903 КЛ-13 Плита П33-21-К. Опалубка
3.903 КЛ-13 Плита П33-16-К,П33-21-К. Армирование
3.903 КЛ-13 Плита П33-16-Д. Опалубка
3.903 КЛ-13 Плита П33-21-Д. Опалубка
3.903 КЛ-13 Плита П33-16-Д,П33-21-Д. Армирование
3.903 КЛ-13 Плита П38-16. Опалубка
3.903 КЛ-13 Плита П38-21. Опалубка
3.903 КЛ-13 Плита П38-16,П38-21. Армирование
3.903 КЛ-13 Плита П38-16-К. Опалубка
3.903 КЛ-13 Плита П38-21-К. Опалубка
3.903 КЛ-13 Плита П38-16-К,П38-21-К. Армирование
3.903 КЛ-13 Плита П38-16-Д. Опалубка
3.903 КЛ-13 Плита П38-21-Д. Опалубка
3.903 КЛ-13 Плита П38-16-Д,П38-21-Д. Армирование
3.903 КЛ-13 Плита П-43-16,П-43-16-А. Опалубка
3.903 КЛ-13 Плита П-43-21,П-43-21А
3.903 КЛ-13 Плита П-43-16,П-43-16А, П-43-21,П-43-21А. Армирование
3.903 КЛ-13 Плита П-13-16-К. Опалубка
3.903 КЛ-13 Плита П-13-21-К. Опалубка
3.903 КЛ-13 Плита П-13-16-К, П-13-21-К. Армирование
3.903 КЛ-13 Плита П-13-16-Д. Опалубка
3.903 КЛ-13 Плита П-13-21-Д. Опалубка
3.903 КЛ-13 Плита П-13-16-Д, П-13-21-Д. Армирование
3.903 КЛ-13 Панель ПС-1У. Опалубка
3.903 КЛ-13 Панель ПС-1У. Армирование
3.903 КЛ-13 Панель ПС-1АУ. Опалубка
3.903 КЛ-13 Панель ПС-1АУ. Армирование
3.903 КЛ-13 Панель ПС-1. Опалубка
3.903 КЛ-13 Панель ПС-1. Армирование
3.903 КЛ-13 Панель ПС-2. Опалубка
3.903 КЛ-13 Панель ПС-2. Армирование
3.903 КЛ-13 Панель ПС-3. Опалубка
3.903 КЛ-13 Панель ПС-3. Армирование
3.903 КЛ-13 Панель ПС-4. Опалубка
3.903 КЛ-13 Панель ПС-4. Армирование
3.903 КЛ-13 Панель ПС-5. Опалубка
3.903 КЛ-13 Панель ПС-5. Армирование
3.903 КЛ-13 Панель ПС-6У. Опалубка
3.903 КЛ-13 Панель ПС-6У. Армирование
3.903 КЛ-13 Панель ПС-6АУ. Опалубка
3.903 КЛ-13 Панель ПС-6АУ. Армирование
3.903 КЛ-13 Панель ПС-6. Опалубка
3.903 КЛ-13 Панель ПС-6. Армирование
3.903 КЛ-13 Панель ПС-7. Опалубка
3.903 КЛ-13 Панель ПС-7. Армирование
3.903 КЛ-13 Панель ПС-8. Опалубка
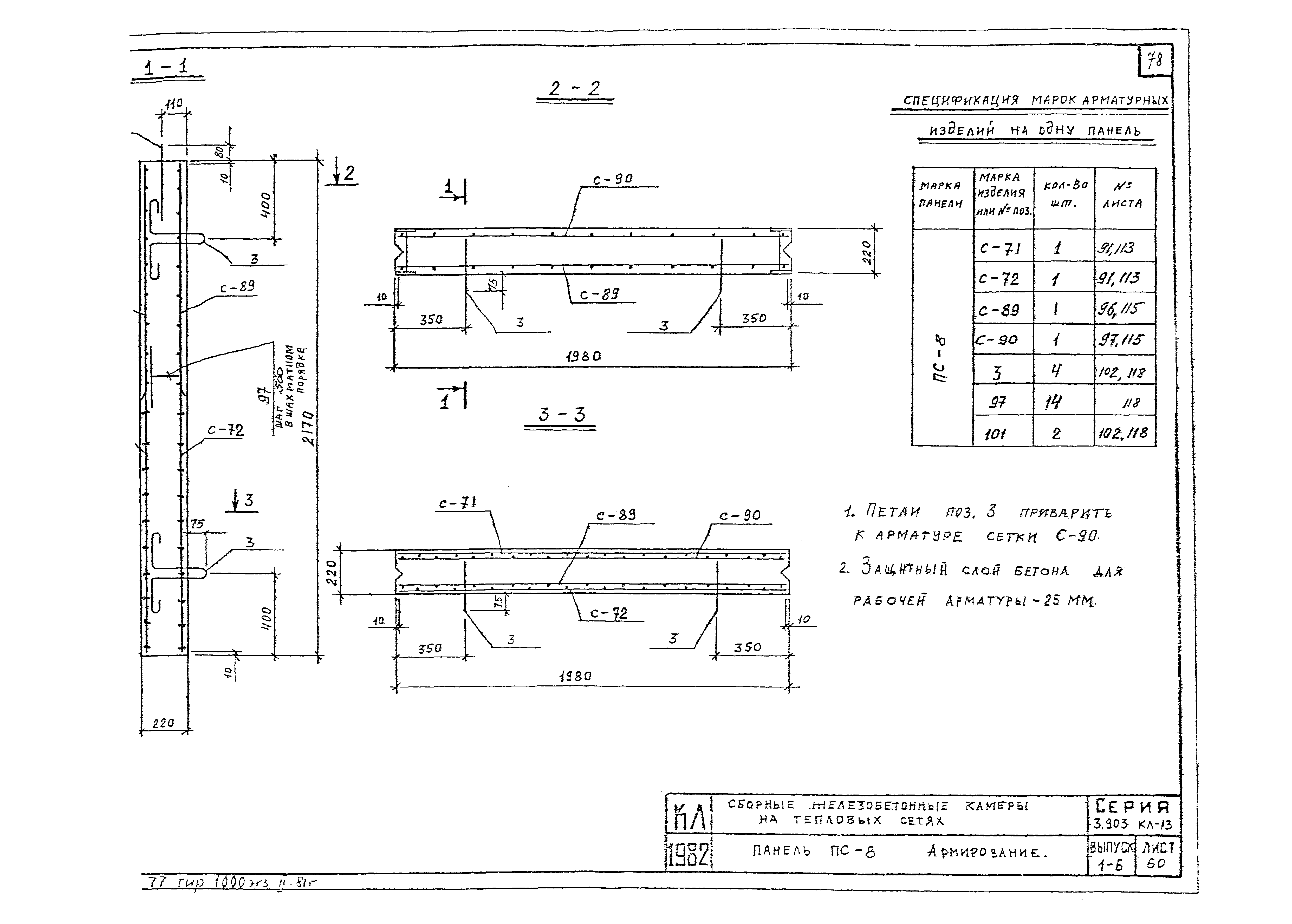
3.903 КЛ-13 Панель ПС-8. Армирование
3.903 КЛ-13 Панель ПС-9. Опалубка
3.903 КЛ-13 Панель ПС-9. Армирование
3.903 КЛ-13 Панель ПС-10. Опалубка
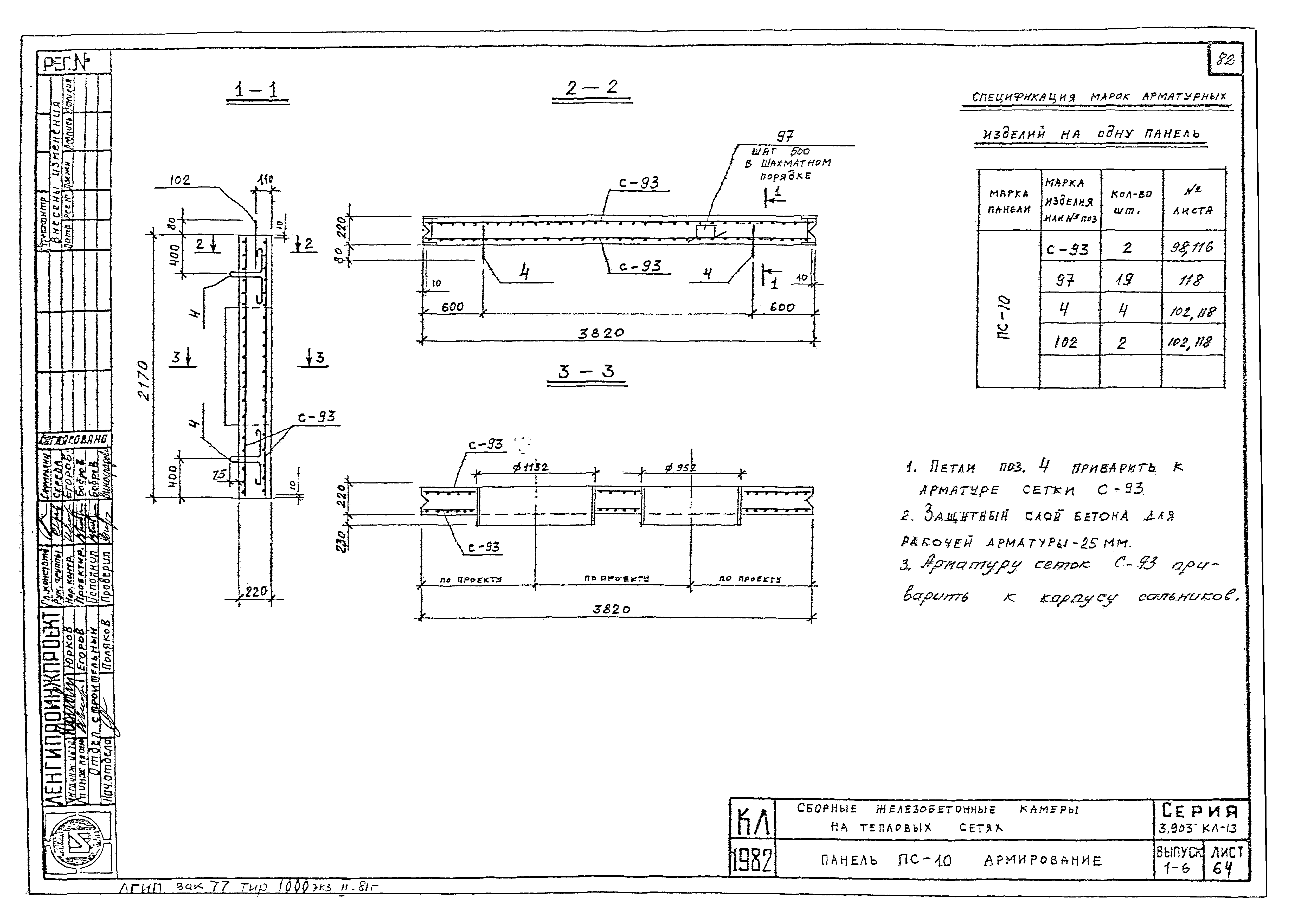
3.903 КЛ-13 Панель ПС-10. Армирование
3.903 КЛ-13 Фундамент Ф-1. Опалубка
3.903 КЛ-13 Фундамент Ф-2. Опалубка
3.903 КЛ-13 Фундамент Ф-1;Ф-2. Армирование
3.903 КЛ-13 Фундамент Ф-3. Опалубка
3.903 КЛ-13 Фундамент Ф-1У. Опалубка
3.903 КЛ-13 Фундамент Ф-3;Ф-1У. Армирование
3.903 КЛ-13 Балки Б-1;Б-1-1. Опалубка
3.903 КЛ-13 Балки Б-1;Б-1-1. Армирование
3.903 КЛ-13 Сварные сетки С-1÷С-4
3.903 КЛ-13 Сварные сетки С-5÷С-8
3.903 КЛ-13 Сварные сетки С-9÷С-12
3.903 КЛ-13 Сварные сетки С-13÷С-16
3.903 КЛ-13 Сварные сетки С-17÷С-20
3.903 КЛ-13 Сварные сетки С-21÷С-24
3.903 КЛ-13 Сварные сетки С-25÷С-28
3.903 КЛ-13 Сварные сетки С-29÷С-32
3.903 КЛ-13 Сварные сетки С-33÷С-36
3.903 КЛ-13 Сварные сетки С-37÷С-40
3.903 КЛ-13 Сварные сетки С-41÷С-44
3.903 КЛ-13 Сварные сетки С-45÷С-48
3.903 КЛ-13 Сварные сетки С-49÷С-51
3.903 КЛ-13 Сварные сетки С-52÷С-55
3.903 КЛ-13 Сварные сетки С-56÷С-58
3.903 КЛ-13 Сварные сетки С-59÷С-62
3.903 КЛ-13 Сварные сетки С-63÷С-66
3.903 КЛ-13 Сварные сетки С-67÷С-70
3.903 КЛ-13 Сварные сетки С-71÷С-74
3.903 КЛ-13 Сварная сетка С-75
3.903 КЛ-13 Сварные сетки С-76÷С-78
3.903 КЛ-13 Сварные сетки С-79÷С-81
3.903 КЛ-13 Сварные сетки С-82÷С-85
3.903 КЛ-13 Сварные сетки С-86÷С-89
3.903 КЛ-13 Сварные сетки С-90÷С-92
3.903 КЛ-13 Сварная сетка С-93
3.903 КЛ-13 Сварные сетки С-94÷С-96
3.903 КЛ-13 Сварная сетка С-97,С-98. Каркасы КР-1,КР-2
3.903 КЛ-13 Каркасы КР-3-КР-8
3.903 КЛ-13 Отдельные позиции 1,3,4,5,98,99,100,101,102
3.903 КЛ-13 Спецификация и выборка стали на одно арматурное изделие С-1÷С-8
3.903 КЛ-13 Сварные сетки С-9÷С-14
3.903 КЛ-13 Сварные сетки С-15÷С-20
3.903 КЛ-13 Сварные сетки С-21÷С-27
3.903 КЛ-13 Сварные сетки С-28÷С-34
3.903 КЛ-13 Сварные сетки С-35÷С-42
3.903 КЛ-13 Сварные сетки С-43÷С-47
3.903 КЛ-13 Сварная сетка С-48
3.903 КЛ-13 Сварные сетки С-49÷С-56
3.903 КЛ-13 Сварные сетки С-57÷С-66
3.903 КЛ-13 Сварные сетки С-67÷С-75
3.903 КЛ-13 Сварные сетки С-76÷С-83
3.903 КЛ-13 Сварные сетки С-84÷С-92
3.903 КЛ-13 Сварные сетки С-93÷С-98
3.903 КЛ-13 Каркасы КР-1÷КР-8
3.903 КЛ-13 Спецификация и выборка стали на одно арматурное изделие. Отдельные позиции
3.903 КЛ-13 Закладные детали М-1÷М-7
3.903 КЛ-13 Закладные детали М-8÷М-11
3.903 КЛ-13 Спецификация закладных деталей М-1÷М-11
Разработан: Ленгипроинжпроект Ленгорисполкома
Утверждён:03.12.1982 Ленгипроинжпроект (Lengiproinzhproject 9р)
Расположен в:Техническая документация Строительство Справочные документы Типовые строительные конструкции, изделия и узлы Разработанные другими министерствами, ведомствами и организациями
Серия 3.903 КЛ-13Серия 3.903 КЛ-13Серия 3.903 КЛ-13Серия 3.903 КЛ-13Серия 3.903 КЛ-13Серия 3.903 КЛ-13Серия 3.903 КЛ-13Серия 3.903 КЛ-13Серия 3.903 КЛ-13Серия 3.903 КЛ-13Серия 3.903 КЛ-13Серия 3.903 КЛ-13Серия 3.903 КЛ-13Серия 3.903 КЛ-13Серия 3.903 КЛ-13Серия 3.903 КЛ-13Серия 3.903 КЛ-13Серия 3.903 КЛ-13Серия 3.903 КЛ-13Серия 3.903 КЛ-13Серия 3.903 КЛ-13Серия 3.903 КЛ-13Серия 3.903 КЛ-13Серия 3.903 КЛ-13Серия 3.903 КЛ-13Серия 3.903 КЛ-13Серия 3.903 КЛ-13Серия 3.903 КЛ-13Серия 3.903 КЛ-13Серия 3.903 КЛ-13Серия 3.903 КЛ-13Серия 3.903 КЛ-13Серия 3.903 КЛ-13Серия 3.903 КЛ-13Серия 3.903 КЛ-13Серия 3.903 КЛ-13Серия 3.903 КЛ-13Серия 3.903 КЛ-13Серия 3.903 КЛ-13Серия 3.903 КЛ-13Серия 3.903 КЛ-13Серия 3.903 КЛ-13Серия 3.903 КЛ-13Серия 3.903 КЛ-13Серия 3.903 КЛ-13Серия 3.903 КЛ-13Серия 3.903 КЛ-13Серия 3.903 КЛ-13Серия 3.903 КЛ-13Серия 3.903 КЛ-13Серия 3.903 КЛ-13Серия 3.903 КЛ-13Серия 3.903 КЛ-13Серия 3.903 КЛ-13Серия 3.903 КЛ-13Серия 3.903 КЛ-13Серия 3.903 КЛ-13Серия 3.903 КЛ-13Серия 3.903 КЛ-13Серия 3.903 КЛ-13Серия 3.903 КЛ-13Серия 3.903 КЛ-13Серия 3.903 КЛ-13Серия 3.903 КЛ-13Серия 3.903 КЛ-13Серия 3.903 КЛ-13Серия 3.903 КЛ-13Серия 3.903 КЛ-13Серия 3.903 КЛ-13Серия 3.903 КЛ-13Серия 3.903 КЛ-13Серия 3.903 КЛ-13Серия 3.903 КЛ-13Серия 3.903 КЛ-13Серия 3.903 КЛ-13Серия 3.903 КЛ-13Серия 3.903 КЛ-13Серия 3.903 КЛ-13Серия 3.903 КЛ-13Серия 3.903 КЛ-13Серия 3.903 КЛ-13Серия 3.903 КЛ-13Серия 3.903 КЛ-13Серия 3.903 КЛ-13Серия 3.903 КЛ-13Серия 3.903 КЛ-13Серия 3.903 КЛ-13Серия 3.903 КЛ-13Серия 3.903 КЛ-13Серия 3.903 КЛ-13Серия 3.903 КЛ-13Серия 3.903 КЛ-13Серия 3.903 КЛ-13Серия 3.903 КЛ-13Серия 3.903 КЛ-13Серия 3.903 КЛ-13Серия 3.903 КЛ-13Серия 3.903 КЛ-13Серия 3.903 КЛ-13Серия 3.903 КЛ-13Серия 3.903 КЛ-13Серия 3.903 КЛ-13Серия 3.903 КЛ-13Серия 3.903 КЛ-13Серия 3.903 КЛ-13Серия 3.903 КЛ-13Серия 3.903 КЛ-13Серия 3.903 КЛ-13Серия 3.903 КЛ-13Серия 3.903 КЛ-13Серия 3.903 КЛ-13Серия 3.903 КЛ-13Серия 3.903 КЛ-13Серия 3.903 КЛ-13Серия 3.903 КЛ-13Серия 3.903 КЛ-13Серия 3.903 КЛ-13Серия 3.903 КЛ-13Серия 3.903 КЛ-13Серия 3.903 КЛ-13Серия 3.903 КЛ-13Серия 3.903 КЛ-13Серия 3.903 КЛ-13Серия 3.903 КЛ-13Серия 3.903 КЛ-13Серия 3.903 КЛ-13Серия 3.903 КЛ-13Серия 3.903 КЛ-13Серия 3.903 КЛ-13Серия 3.903 КЛ-13Серия 3.903 КЛ-13Серия 3.903 КЛ-13Серия 3.903 КЛ-13Серия 3.903 КЛ-13Серия 3.903 КЛ-13Серия 3.903 КЛ-13Серия 3.903 КЛ-13Серия 3.903 КЛ-13Серия 3.903 КЛ-13

© 2013 Ёшкин Кот :-) Карта сайта