Информационная система
«Ёшкин Кот»

Скачать базу одним архивом
Скачать обновления
История создания базы
Карта сайта

Скачать Типовой проект 902-5-12.85 Альбом IV. Строительные изделия

Дата актуализации: 10.08.2017

Типовой проект 902-5-12.85

Альбом IV. Строительные изделия

Обозначение: Типовой проект 902-5-12.85
Обозначение англ: 902-5-12.85
Статус:не определен законодательством
Название рус.:Альбом IV. Строительные изделия
Дата добавления в базу:01.09.2013
Дата актуализации:05.05.2017
Дата введения:26.07.1985
Оглавление:ТП 902-5-12.85 Содержание альбома
ТП 902-5-12.85-КЖИ.01.00 Колонны К72-4а,К72-4б,К72-4в,К72-4г,К72-4д.К72-4е,К72-4ж,К72-4х,К72-4и
ТП 902-5-12.85-КЖИ.01.00 СБ Колонны К72-4а,К72-4б,К72-4в,К72-4г,К72-4д.К72-4е,К72-4ж,К72-4х,К72-4и. Сборочный чертеж
ТП 902-5-12.85-КЖИ.02.00 Колонны КФ16-1а,КФ16-1б
ТП 902-5-12.85-КЖИ.03.00 Колонны К48-7а,К48-7б
ТП 902-5-12.85-КЖИ.04.00 Колонны К48-7в,К48-7г,К48-7д
ТП 902-5-12.85-КЖИ.05.00 Колонна КФ7-1а
ТП 902-5-12.85-КЖИ.06.00 Колонны 2КЗ.36-1-1,2КЗ.36-1-2
ТП 902-5-12.85-КЖИ.07.00 СБ Колонны 2К03.36-2.1
ТП 902-5-12.85-КЖИ.07.00 Колонны 2К03.36-2.1
ТП 902-5-12.85-КЖИ.08.00 Колонны 2КД3.36-2.4-1,2КД3.36-2.4-2
ТП 902-5-12.85-КЖИ.09.00 Колонны 1К03.36-2.1-1,1К03.36-2.1-2
ТП 902-5-12.85-КЖИ.10.00 Балки покрытия 1БСП12-БАIVа,2БСП12-7АIVа
ТП 902-5-12.85-КЖИ.20.00 Стеновая панель ПС60.15.3.0-2л-9
ТП 902-5-12.85-КЖИ.21.00 Стеновая панель ПС60.18.3.0-2л-9
ТП 902-5-12.85-КЖИ.22.00 Стеновая панель ПС60.12.3.0-3л-6
ТП 902-5-12.85-КЖИ.30.00 Плиты ПГ-2АIVТа,ПГ-2АIVТб,ПГ-2АIVТв, ПВ7-2АIVТа,ПВ7-2АIVТб,ПГ-6АIVТа,ПГ-6АIVТб,ПВ7-6АIVТа
ТП 902-5-12.85-КЖИ.30.00 СБ Плиты ПГ-2АIVТа,ПГ-2АIVТб,ПГ-2АIVТв, ПВ7-2АIVТа,ПВ7-2АIVТб,ПГ-6АIVТа,ПГ-6АIVТб,ПВ7-6АIVТа. Сборочный чертеж
ТП 902-5-12.85-КЖИ.31.00 Плиты ПРС56,15-6АIVТа,ПРС56,15-6АIVТб
ТП 902-5-12.85-КЖИ.31.00 СБ Плиты ПРС56,15-6АIVТа,ПРС56,15-6АIVТб. Сборочный чертеж
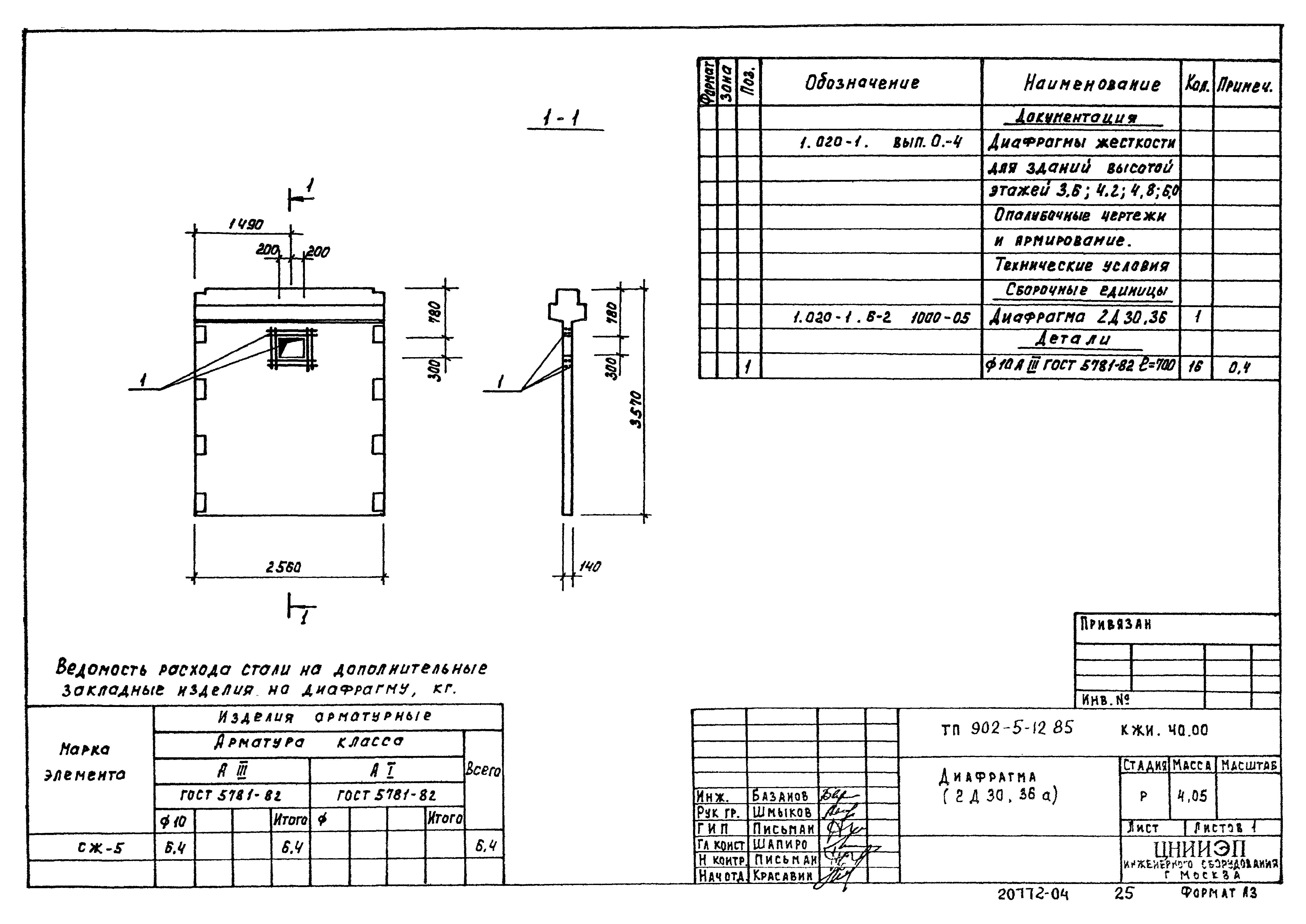
ТП 902-5-12.85-КЖИ.40.00 Диафрагма жесткости 2Д30,36а
ТП 902-5-12.85-КЖИ.50.00 Ригель Р3
ТП 902-5-12.85-КЖИ.100.00 Изделие закладное РМ1,РМ3
ТП 902-5-12.85-КЖИ.101.00 Изделие закладное РМ2
ТП 902-5-12.85-КЖИ.102.00 Изделие закладное РМ4
ТП 902-5-12.85-КЖИ.103.00 Изделие закладное МН8
ТП 902-5-12.85-КЖИ.104.00 Изделие закладное МН1,МН2
ТП 902-5-12.85-КЖИ.200.00 Решетка металлическая РМ1,РМ2
ТП 902-5-12.85-КЖИ.201.00 Решетка РМ4
ТП 902-5-12.85-КЖИ.300.00 Деталь соединительная МС3
ТП 902-5-12.85-КЖИ.400.00 Каркас КР1
ТП 902-5-12.85-КЖИ.401.00 Каркас КР2
ТП 902-5-12.85-КЖИ.500.00 Сетка арматурная С1
ТП 902-5-12.85-КЖИ.501.00 Сетка арматурная С2
ТП 902-5-12.85-КЖИ.502.00 Сетка арматурная С3
ТП 902-5-12.85-КЖИ.503.00 Сетка арматурная С4
ТП 902-5-12.85-КЖИ.504.00 Сетка арматурная С5
ТП 902-5-12.85-КЖИ.505.00 Сетка арматурная С6
ТП 902-5-12.85-КЖИ.600.00 Щит металлический Щ1,Щ2
ТП 902-5-12.85-КЖИ.700.00 Анкер А1
ТП 902-5-12.85-КЖИ.701.00 Анкер А2
Разработан: ЦНИИЭП иженерного оборудования
Утверждён:18.02.1985 Госгражданстрой (Gosgrazhdanstroy 49)
Расположен в:Техническая документация Строительство Справочные документы Типовые строительные конструкции, изделия и узлы Общероссийский строительный каталог Промышленные предприятия, здания и сооружения Здания и сооружения санитарно-технические Канализация Сооружения для очистки производственных сточных вод Сооружения для обработки осадка
Типовой проект 902-5-12.85Типовой проект 902-5-12.85Типовой проект 902-5-12.85Типовой проект 902-5-12.85Типовой проект 902-5-12.85Типовой проект 902-5-12.85Типовой проект 902-5-12.85Типовой проект 902-5-12.85Типовой проект 902-5-12.85Типовой проект 902-5-12.85Типовой проект 902-5-12.85Типовой проект 902-5-12.85Типовой проект 902-5-12.85Типовой проект 902-5-12.85Типовой проект 902-5-12.85Типовой проект 902-5-12.85Типовой проект 902-5-12.85Типовой проект 902-5-12.85Типовой проект 902-5-12.85Типовой проект 902-5-12.85Типовой проект 902-5-12.85Типовой проект 902-5-12.85Типовой проект 902-5-12.85Типовой проект 902-5-12.85Типовой проект 902-5-12.85Типовой проект 902-5-12.85Типовой проект 902-5-12.85Типовой проект 902-5-12.85Типовой проект 902-5-12.85Типовой проект 902-5-12.85Типовой проект 902-5-12.85Типовой проект 902-5-12.85Типовой проект 902-5-12.85Типовой проект 902-5-12.85Типовой проект 902-5-12.85Типовой проект 902-5-12.85Типовой проект 902-5-12.85

© 2013 Ёшкин Кот :-) Карта сайта