Информационная система
«Ёшкин Кот»

Скачать базу одним архивом
Скачать обновления
История создания базы
Карта сайта

Скачать Типовой проект 904-1-20/76 Альбом II. Автоматизация и КИП. Чертежи

Дата актуализации: 10.08.2017

Типовой проект 904-1-20/76

Альбом II. Автоматизация и КИП. Чертежи

Обозначение: Типовой проект 904-1-20/76
Обозначение англ: 904-1-20/76
Статус:не действует
Название рус.:Альбом II. Автоматизация и КИП. Чертежи
Дата добавления в базу:01.09.2013
Дата актуализации:05.05.2017
Дата введения:17.02.1976
Дата окончания срока действия:01.04.1985
Оглавление:Титульный лист
Чертежи основного комплекта марки А
   Содержание альбома
   Пояснительная записка
   Компрессорная станция. Функциональная схема автоматизации
   Насосная станция. Функциональная схема автоматизации
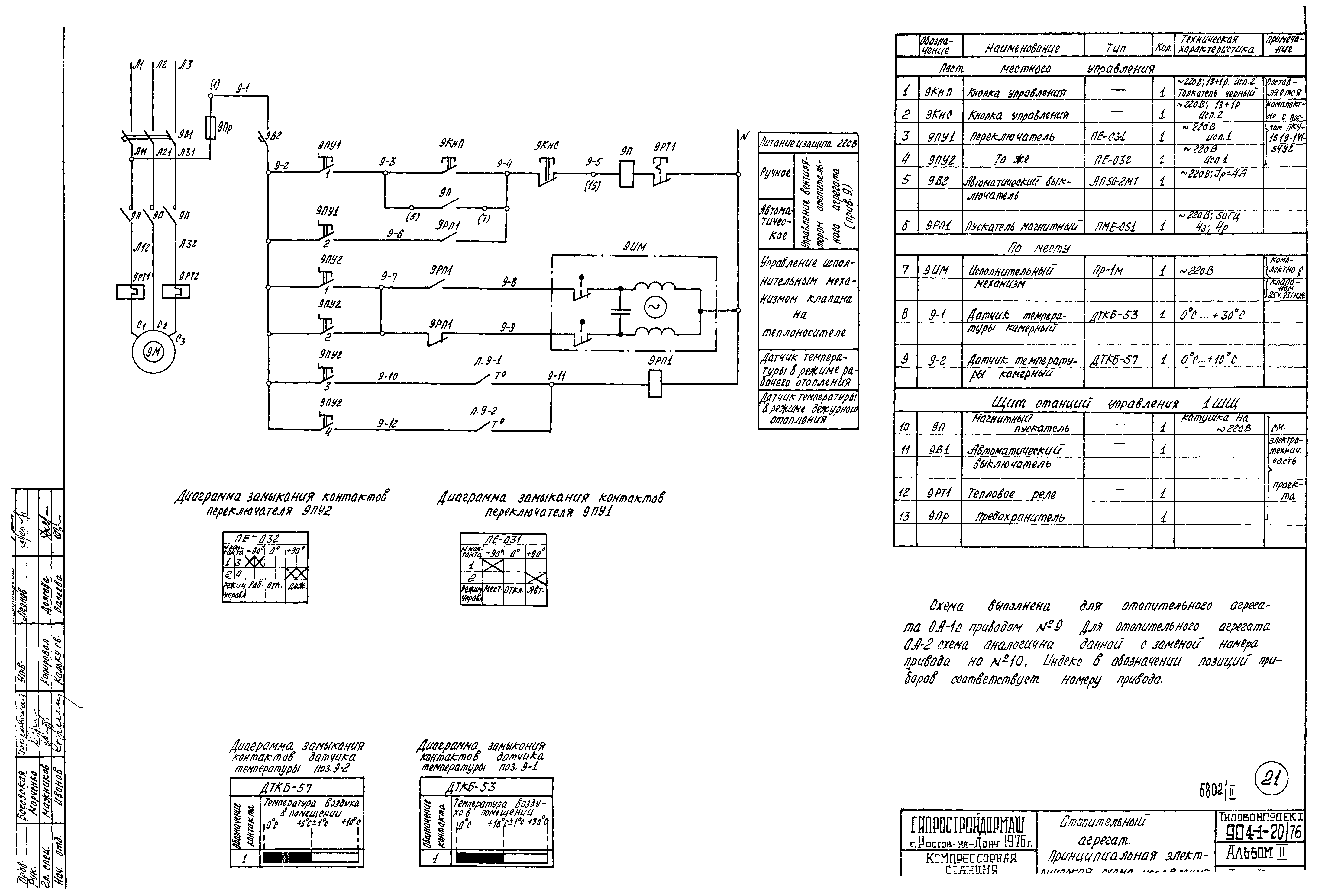
   Отопительный агрегат. Функциональная схема автоматизации
   Принципиальная электрическая схема питания
   Принципиальная электрическая схема управления компрессорным агрегатом
   Принципиальная электрическая схема общестанционной сигнализации
   Схема измерения давления и расхода воздуха в сборном коллекторе
   Принципиальная электрическая схема управления насосами охлажденной воды
   Принципиальная электрическая схема управления насосами нагретой воды
   Принципиальная электрическая схема управления дренажным насосом
   Принципиальная электрическая схема сигнализации по насосной станции
   Отопительный агрегат. Принципиальная электрическая схема управления
   Центральный щит компрессорной. Сборочный чертеж (общий вид)
   Центральный щит компрессорной. Панель ПУ1. Схема монтажная
   Центральный щит компрессорной. Панель ПУ2. Схема монтажная
   Центральный щит компрессорной. Панель РП1. Общий вид. Схема монтажная
   Центральный щит компрессорной. Панель РП2. Общий вид. Схема монтажная
   Схема внешних электрических и трубных проводок по компрессорной станции
   Схема внешних электрических и трубных проводок по компрессорному агрегату
   Насосная станция. Схема внешних электрических и трубных проводок
   Отопительный агрегат. Схема внешних электрических проводок
   План расположения средств автоматизации и проводок
   Журнал кабельных проводок
   Журнал импульсных проводок
   Отопительный агрегат. Пост местного управления. Эскиз лицевой панели
   Перечень стандартов и нормалей, примененных в проекте
Нестандартизированное оборудование
   Содержание альбома
   00.000ВС Компрессорная станция. Нестандартизированное оборудование. Ведомость спецификаций
   01.000 Установка дифманометра ДМ3583, манометров и коробки соединительной СК-8 на стене
   02.000 Установка щита компрессора
   02.100 Рама нижняя
   02.200 Рама верхняя
   02.300 Амортизатор
   03.000 Установка щитов в помещении оператора
   04.000 Установка блока релейного БР-3 на стене
   05.000 Установка тягонапорометра ТНЖ-Н на стене
   06.000 Установка сирены сигнальной СС-1 и звонка ЗВП-220 на щите
   07.000 Установка звонка ЭВП-220 на стене
   08.000 Установка датчиков ЭРСУ-3 в дренажном приямке
   09.000 Пост местного управления
   10.000 Установка датчиков ЭРСУ-3 в камерах нагретой и охлажденной воды
   11.000 Установка реле давления РД-8Т на стойках
   12.000 Установка коробки соединительной на стойке
   13.000 Установка кнопочных постов ПКЕ722-2 на стене
   01.000СБ Установка дифманометра ДМ3583, манометров и коробки соединительной СК-8 на стене. Сборочный чертеж
   02.000СБ Установка щита компрессора. Сборочный чертеж
   02.100СБ Рама нижняя. Сборочный чертеж
   02.200СБ Рама верхняя. Сборочный чертеж
   02.300СБ Амортизатор. Сборочный чертеж
   02.301 Нажимной винт
   02.302 Стакан
   02.303 Пружина
   02.304 Втулка
   02.305 Прокладка
   02.306 Стойка
   03.000СБ Установка щитов в помещении оператора. Сборочный чертеж
   03.001 Обрамление
   03.002 Опора нижняя
   04.000СБ Установка блока релейного БР-3 на стене. Сборочный чертеж
   05.000СБ Установка тягонапорометра ТНЖ-Н на стене. Сборочный чертеж
   06.000СБ Установка сирены сигнальной СС-1 и звонка ЗВП-220 на щите. Сборочный чертеж
   07.000СБ Установка звонка ЭВП-220 на стене. Сборочный чертеж
   08.000СБ Установка датчиков ЭРСУ-3 в дренажном приямке. Сборочный чертеж
   09.000СБ Пост местного управления. Сборочный чертеж
   10.000СБ Установка датчиков ЭРСУ-3 в камерах нагретой и охлажденной воды. Сборочный чертеж
   11.000СБ Установка реле давления РД-8Т на стойках. Сборочный чертеж
   12.000СБ Установка коробки соединительной на стойке. Сборочный чертеж
   13.000СБ Установка кнопочных постов ПКЕ722-2 на стене. Сборочный чертеж
   14.000МЧ Установка реле электромагнитного типа РПУ-1 на щите
   15.000МЧ Установка реле промежуточного РП-12 на щите
Разработан: Гипростройдормаш
Утверждён:01.02.1976 Минстройдормаш (Minstroydormash 1/76)
Расположен в:Техническая документация Строительство Справочные документы Типовые строительные конструкции, изделия и узлы Общероссийский строительный каталог Промышленные предприятия, здания и сооружения Здания и сооружения санитарно-технические Воздухоснабжение, вентиляция и кондиционирование воздуха Воздухоснабжение
Чем заменён:
Типовой проект 904-1-20/76Типовой проект 904-1-20/76Типовой проект 904-1-20/76Типовой проект 904-1-20/76Типовой проект 904-1-20/76Типовой проект 904-1-20/76Типовой проект 904-1-20/76Типовой проект 904-1-20/76Типовой проект 904-1-20/76Типовой проект 904-1-20/76Типовой проект 904-1-20/76Типовой проект 904-1-20/76Типовой проект 904-1-20/76Типовой проект 904-1-20/76Типовой проект 904-1-20/76Типовой проект 904-1-20/76Типовой проект 904-1-20/76Типовой проект 904-1-20/76Типовой проект 904-1-20/76Типовой проект 904-1-20/76Типовой проект 904-1-20/76Типовой проект 904-1-20/76Типовой проект 904-1-20/76Типовой проект 904-1-20/76Типовой проект 904-1-20/76Типовой проект 904-1-20/76Типовой проект 904-1-20/76Типовой проект 904-1-20/76Типовой проект 904-1-20/76Типовой проект 904-1-20/76Типовой проект 904-1-20/76Типовой проект 904-1-20/76Типовой проект 904-1-20/76Типовой проект 904-1-20/76Типовой проект 904-1-20/76Типовой проект 904-1-20/76Типовой проект 904-1-20/76Типовой проект 904-1-20/76Типовой проект 904-1-20/76Типовой проект 904-1-20/76Типовой проект 904-1-20/76Типовой проект 904-1-20/76Типовой проект 904-1-20/76Типовой проект 904-1-20/76Типовой проект 904-1-20/76Типовой проект 904-1-20/76Типовой проект 904-1-20/76Типовой проект 904-1-20/76Типовой проект 904-1-20/76Типовой проект 904-1-20/76Типовой проект 904-1-20/76Типовой проект 904-1-20/76Типовой проект 904-1-20/76Типовой проект 904-1-20/76Типовой проект 904-1-20/76Типовой проект 904-1-20/76Типовой проект 904-1-20/76Типовой проект 904-1-20/76Типовой проект 904-1-20/76Типовой проект 904-1-20/76Типовой проект 904-1-20/76Типовой проект 904-1-20/76Типовой проект 904-1-20/76Типовой проект 904-1-20/76Типовой проект 904-1-20/76Типовой проект 904-1-20/76Типовой проект 904-1-20/76Типовой проект 904-1-20/76Типовой проект 904-1-20/76Типовой проект 904-1-20/76Типовой проект 904-1-20/76Типовой проект 904-1-20/76Типовой проект 904-1-20/76Типовой проект 904-1-20/76Типовой проект 904-1-20/76

© 2013 Ёшкин Кот :-) Карта сайта