Информационная система
«Ёшкин Кот»

Скачать базу одним архивом
Скачать обновления
История создания базы
Карта сайта

Скачать Типовой проект 407-3-656.01 Альбом 5. Электротехническая часть с оборудованием на переменном оперативном токе и РЗиА на релейно-контактных схемах. Опросные листы

Дата актуализации: 10.08.2017

Типовой проект 407-3-656.01

Альбом 5. Электротехническая часть с оборудованием на переменном оперативном токе и РЗиА на релейно-контактных схемах. Опросные листы

Обозначение: Типовой проект 407-3-656.01
Обозначение англ: 407-3-656.01
Статус:не определен законодательством
Название рус.:Альбом 5. Электротехническая часть с оборудованием на переменном оперативном токе и РЗиА на релейно-контактных схемах. Опросные листы
Дата добавления в базу:01.09.2013
Дата актуализации:05.05.2017
Дата введения:23.01.2003
Оглавление:ТП 407-3-656.01-ЭП3 Электротехническая часть
ТП 407-3-656.01-ЭП3-1 Общие данные (начало)
ТП 407-3-656.01-ЭП3-2 Общие данные (продолжение)
ТП 407-3-656.01-ЭП3-3 Общие данные (окончание)
ТП 407-3-656.01-ЭП3-4 Схема электрических соединений 10(6) кВ №2
ТП 407-3-656.01-ЭП3-5 Схема электрических соединений 10(6) кВ №2а
ТП 407-3-656.01-ЭП3-6 Схема электрических соединений 0,4 кВ (начало)
ТП 407-3-656.01-ЭП3-7 Схема электрических соединений 0,4 кВ (окончание)
ТП 407-3-656.01-ЭП3-8 План и разрезы РП (начало)
ТП 407-3-656.01-ЭП3-9 План и разрезы РП (продолжение)
ТП 407-3-656.01-ЭП3-10 План и разрезы РП (окончание)
ТП 407-3-656.01-ЭП3-11 Кабельный журнал (начало)
ТП 407-3-656.01-ЭП3-12 Кабельный журнал (продолжение)
ТП 407-3-656.01-ЭП3-13 Кабельный журнал (окончание)
ТП 407-3-656.01-ЭП3-14 План прокладки кабелей
ТП 407-3-656.01-ЭП3-15 Ввод рабочий 10(6) кВ. Схема электрическая принципиальная (начало)
ТП 407-3-656.01-ЭП3-16 Ввод рабочий 10(6) кВ. Схема электрическая принципиальная (продолжение)
ТП 407-3-656.01-ЭП3-17 Ввод рабочий 10(6) кВ. Схема электрическая принципиальная (продолжение)
ТП 407-3-656.01-ЭП3-18 Ввод рабочий 10(6) кВ. Схема электрическая принципиальная (окончание)
ТП 407-3-656.01-ЭП3-19 Секционный выключатель 10(6) кВ. Схема электрическая принципиальная (начало)
ТП 407-3-656.01-ЭП3-20 Секционный выключатель 10(6) кВ. Схема электрическая принципиальная (продолжение)
ТП 407-3-656.01-ЭП3-21 Секционный выключатель 10(6) кВ. Схема электрическая принципиальная (продолжение)
ТП 407-3-656.01-ЭП3-22 Секционный выключатель 10(6) кВ. Схема электрическая принципиальная (окончание)
ТП 407-3-656.01-ЭП3-23 Линия 10(6) кВ с АПВ. Схема электрическая принципиальная (начало)
ТП 407-3-656.01-ЭП3-24 Линия 10(6) кВ с АПВ. Схема электрическая принципиальная (продолжение)
ТП 407-3-656.01-ЭП3-25 Линия 10(6) кВ с АПВ. Схема электрическая принципиальная (окончание)
ТП 407-3-656.01-ЭП3-26 Линия 10(6) кВ без АПВ. Схема электрическая принципиальная (начало)
ТП 407-3-656.01-ЭП3-27 Линия 10(6) кВ без АПВ. Схема электрическая принципиальная (продолжение)
ТП 407-3-656.01-ЭП3-28 Линия 10(6) кВ без АПВ. Схема электрическая принципиальная (продолжение)
ТП 407-3-656.01-ЭП3-29 Линия 10(6) кВ без АПВ. Схема электрическая принципиальная (окончание)
ТП 407-3-656.01-ЭП3-30 Линия 10(6) кВ к трансформатору (схема №2а). Схема электрическая принципиальная (начало)
ТП 407-3-656.01-ЭП3-31 Линия 10(6) кВ к трансформатору (схема №2а). Схема электрическая принципиальная (продолжение)
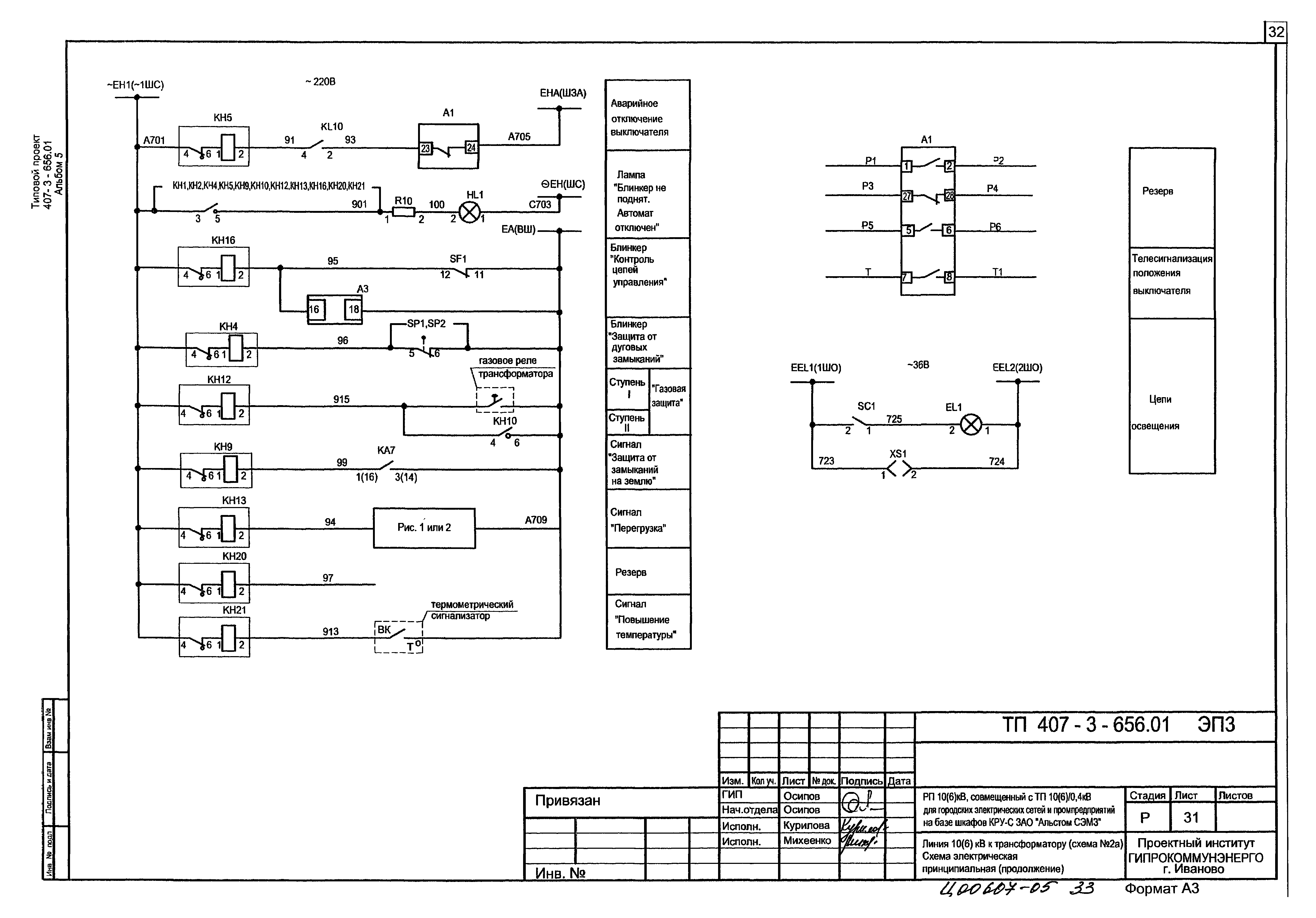
ТП 407-3-656.01-ЭП3-32 Линия 10(6) кВ к трансформатору (схема №2а). Схема электрическая принципиальная (продолжение)
ТП 407-3-656.01-ЭП3-33 Линия 10(6) кВ к трансформатору (схема №2а). Схема электрическая принципиальная (окончание)
ТП 407-3-656.01-ЭП3-34 Линия 10(6) кВ к трансформатору (схема №2). Схема электрическая принципиальная (начало)
ТП 407-3-656.01-ЭП3-35 Линия 10(6) кВ к трансформатору (схема №2). Схема электрическая принципиальная (окончание)
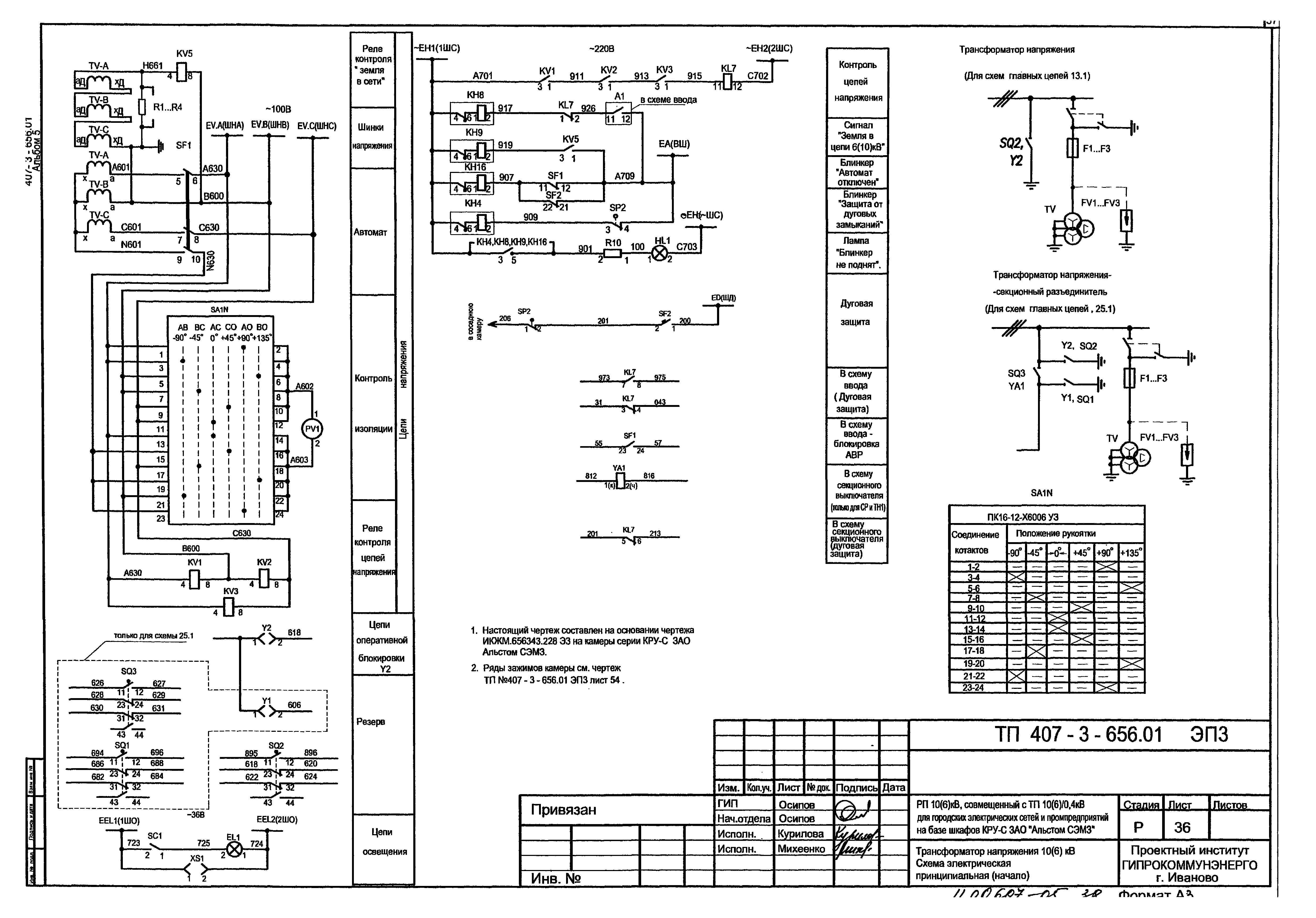
ТП 407-3-656.01-ЭП3-36 Трансформатор напряжения 10(6) кВ. Схема электрическая принципиальная (начало)
ТП 407-3-656.01-ЭП3-37 Трансформатор напряжения 10(6) кВ. Схема электрическая принципиальная (продолжение)
ТП 407-3-656.01-ЭП3-38 Трансформатор напряжения 10(6) кВ. Схема электрическая принципиальная (окончание)
ТП 407-3-656.01-ЭП3-39 Кабельная сборка. Схема электрическая принципиальная (начало)
ТП 407-3-656.01-ЭП3-40 Кабельная сборка. Схема электрическая принципиальная (окончание)
ТП 407-3-656.01-ЭП3-41 Трансформатор собственных нужд. Схема электрическая принципиальная
ТП 407-3-656.01-ЭП3-42 Схема дуговой защиты
ТП 407-3-656.01-ЭП3-43 Схема оперативной блокировки разъединителей. Для схемы электрических соединений 2
ТП 407-3-656.01-ЭП3-44 РУ-10(6) кВ. План шинок (начало)
ТП 407-3-656.01-ЭП3-45 РУ-10(6) кВ. План шинок (окончание)
ТП 407-3-656.01-ЭП3-46 Ввод 0,4 кВ трансформатора. Схема электрическая принципиальная
ТП 407-3-656.01-ЭП3-47 Секционный автомат 0,4 кВ. Схема электрическая принципиальная
ТП 407-3-656.01-ЭП3-48 Ввод 0,4 кВ трансформатора. Перечень аппаратуры
ТП 407-3-656.01-ЭП3-49 Секционный автомат 0,4 кВ. Перечень аппаратуры
ТП 407-3-656.01-ЭП3-50 Схема электрическая подключения преобразователей тока и напряжения (пример)
ТП 407-3-656.01-ЭП3-51 Схема междушкафных шинных перемычек (пример)
ТП 407-3-656.01-ЭП3-52 РУ-10(6) кВ. Ряд зажимов шкафа ввода №1(2)
ТП 407-3-656.01-ЭП3-53 РУ-10(6) кВ. Ряд зажимов шкафа секционного выключателя
ТП 407-3-656.01-ЭП3-54 РУ-10(6) кВ. Ряд зажимов шкафа трансформатора напряжения 1 (2) секции
ТП 407-3-656.01-ЭП3-55 РУ-10(6) кВ. Ряд зажимов шкафа ТСН № 1(2)
ТП 407-3-656.01-ЭП3-56 РУ-10(6) кВ. Ряд зажимов шкафа кабельной сборки
ТП 407-3-656.01-ЭП3-57 РУ-10(6) кВ. Ряд зажимов шкафа линии с АПВ
ТП 407-3-656.01-ЭП3-58 РУ-10(6) кВ. Ряд зажимов шкафа линии без АПВ
ТП 407-3-656.01-ЭП3-59 РУ-10(6) кВ. Ряды зажимов шкафа низковольтной аппаратуры (начало)
ТП 407-3-656.01-ЭП3-60 РУ-10(6) кВ. Ряды зажимов шкафа низковольтной аппаратуры (окончание)
ТП 407-3-656.01-ЭП3-61 РУ-10(6) кВ. Ряд зажимов шкафа линии к трансформатору 1000 кВА (схема №2а)
ТП 407-3-656.01-ЭП3-62 РУ-10(6) кВ. Ряд зажимов шкафа линии к трансформатору (схема №2)
ТП 407-3-656.01-ЭП3-63 Трансформатор Т1(Т2). Ряды зажимов панелей ЩО70-ЗМ вводов
ТП 407-3-656.01-ЭП3-64 Секционный автомат 0,4 кВ. Ряды зажимов панелей ЩО70-ЗМ
ТП 407-3-656.01-ЭП3 Прилагаемые документы
ТП 407-3-656.01-ЭП3.ЛО1 Опросный лист на шкафы серии КРУ-С. Схема №2
ТП 407-3-656.01-ЭП3.ЛО2 Опросный лист на панели ЩО70-3М с АВР
ТП 407-3-656.01-ЭП3.ОВ Цепи обогрева шкафов серии КРУ-С. Схема электрическая принципиальная
Разработан: Гипрокоммунэнерго
Утверждён:23.01.2003 ЗАО Альстом СЭМЗ (22)
Расположен в:Техническая документация Строительство Справочные документы Типовые строительные конструкции, изделия и узлы Общероссийский строительный каталог Промышленные предприятия, здания и сооружения Предприятия, здания и сооружения промышленности и электроэнергетики Электроэнергетика Устройства и подстанции распределительные
Типовой проект 407-3-656.01Типовой проект 407-3-656.01Типовой проект 407-3-656.01Типовой проект 407-3-656.01Типовой проект 407-3-656.01Типовой проект 407-3-656.01Типовой проект 407-3-656.01Типовой проект 407-3-656.01Типовой проект 407-3-656.01Типовой проект 407-3-656.01Типовой проект 407-3-656.01Типовой проект 407-3-656.01Типовой проект 407-3-656.01Типовой проект 407-3-656.01Типовой проект 407-3-656.01Типовой проект 407-3-656.01Типовой проект 407-3-656.01Типовой проект 407-3-656.01Типовой проект 407-3-656.01Типовой проект 407-3-656.01Типовой проект 407-3-656.01Типовой проект 407-3-656.01Типовой проект 407-3-656.01Типовой проект 407-3-656.01Типовой проект 407-3-656.01Типовой проект 407-3-656.01Типовой проект 407-3-656.01Типовой проект 407-3-656.01Типовой проект 407-3-656.01Типовой проект 407-3-656.01Типовой проект 407-3-656.01Типовой проект 407-3-656.01Типовой проект 407-3-656.01Типовой проект 407-3-656.01Типовой проект 407-3-656.01Типовой проект 407-3-656.01Типовой проект 407-3-656.01Типовой проект 407-3-656.01Типовой проект 407-3-656.01Типовой проект 407-3-656.01Типовой проект 407-3-656.01Типовой проект 407-3-656.01Типовой проект 407-3-656.01Типовой проект 407-3-656.01Типовой проект 407-3-656.01Типовой проект 407-3-656.01Типовой проект 407-3-656.01Типовой проект 407-3-656.01Типовой проект 407-3-656.01Типовой проект 407-3-656.01Типовой проект 407-3-656.01Типовой проект 407-3-656.01Типовой проект 407-3-656.01Типовой проект 407-3-656.01Типовой проект 407-3-656.01Типовой проект 407-3-656.01Типовой проект 407-3-656.01Типовой проект 407-3-656.01Типовой проект 407-3-656.01Типовой проект 407-3-656.01Типовой проект 407-3-656.01Типовой проект 407-3-656.01Типовой проект 407-3-656.01Типовой проект 407-3-656.01Типовой проект 407-3-656.01Типовой проект 407-3-656.01Типовой проект 407-3-656.01Типовой проект 407-3-656.01Типовой проект 407-3-656.01Типовой проект 407-3-656.01Типовой проект 407-3-656.01Типовой проект 407-3-656.01Типовой проект 407-3-656.01Типовой проект 407-3-656.01Типовой проект 407-3-656.01

© 2013 Ёшкин Кот :-) Карта сайта