Информационная система
«Ёшкин Кот»

Скачать базу одним архивом
Скачать обновления
История создания базы
Карта сайта

Скачать Типовой проект 407-3-656.01 Альбом 4. Электротехническая часть с оборудованием на выпрямленном оперативном токе и РЗиА на релейно-контактных схемах. Опросные листы

Дата актуализации: 10.08.2017

Типовой проект 407-3-656.01

Альбом 4. Электротехническая часть с оборудованием на выпрямленном оперативном токе и РЗиА на релейно-контактных схемах. Опросные листы

Обозначение: Типовой проект 407-3-656.01
Обозначение англ: 407-3-656.01
Статус:не определен законодательством
Название рус.:Альбом 4. Электротехническая часть с оборудованием на выпрямленном оперативном токе и РЗиА на релейно-контактных схемах. Опросные листы
Дата добавления в базу:01.09.2013
Дата актуализации:05.05.2017
Дата введения:23.01.2003
Оглавление:ТП 407-3-656.01-ЭП2 Электротехническая часть
ТП 407-3-656.01-ЭП2-1 Общие данные (начало)
ТП 407-3-656.01-ЭП2-2 Общие данные (продолжение)
ТП 407-3-656.01-ЭП2-3 Общие данные (окончание)
ТП 407-3-656.01-ЭП2-4 Схема электрических соединений 10(6) кВ №2
ТП 407-3-656.01-ЭП2-5 Схема электрических соединений 10(6) кВ №2а
ТП 407-3-656.01-ЭП2-6 Схема электрических соединений 0,4 кВ (начало)
ТП 407-3-656.01-ЭП2-7 Схема электрических соединений 0,4 кВ (окончание)
ТП 407-3-656.01-ЭП2-8 План и разрезы РП (начало)
ТП 407-3-656.01-ЭП2-9 План и разрезы РП (продолжение)
ТП 407-3-656.01-ЭП2-10 План и разрезы РП (окончание)
ТП 407-3-656.01-ЭП2-11 Журнал контрольных кабелей (начало)
ТП 407-3-656.01-ЭП2-12 Журнал контрольных кабелей (окончание)
ТП 407-3-656.01-ЭП2-13 Журнал силовых кабелей
ТП 407-3-656.01-ЭП2-14 План прокладки кабелей
ТП 407-3-656.01-ЭП2-15 Ввод рабочий 10(6) кВ. Схема электрическая принципиальная (начало)
ТП 407-3-656.01-ЭП2-16 Ввод рабочий 10(6) кВ. Схема электрическая принципиальная (продолжение)
ТП 407-3-656.01-ЭП2-17 Ввод рабочий 10(6) кВ. Схема электрическая принципиальная (продолжение)
ТП 407-3-656.01-ЭП2-18 Ввод рабочий 10(6) кВ. Схема электрическая принципиальная (окончание)
ТП 407-3-656.01-ЭП2-19 Секционный выключатель 10(6) кВ. Схема электрическая принципиальная (начало)
ТП 407-3-656.01-ЭП2-20 Секционный выключатель 10(6) кВ. Схема электрическая принципиальная (продолжение)
ТП 407-3-656.01-ЭП2-21 Секционный выключатель 10(6) кВ. Схема электрическая принципиальная (продолжение)
ТП 407-3-656.01-ЭП2-22 Секционный выключатель 10(6) кВ. Схема электрическая принципиальная (окончание)
ТП 407-3-656.01-ЭП2-23 Линия 10(6) кВ с АПВ. Схема электрическая принципиальная (начало)
ТП 407-3-656.01-ЭП2-24 Линия 10(6) кВ с АПВ. Схема электрическая принципиальная (продолжение)
ТП 407-3-656.01-ЭП2-25 Линия 10(6) кВ с АПВ. Схема электрическая принципиальная (окончание)
ТП 407-3-656.01-ЭП2-26 Линия 10(6) кВ. Схема электрическая принципиальная (начало)
ТП 407-3-656.01-ЭП2-27 Линия 10(6) кВ. Схема электрическая принципиальная (продолжение)
ТП 407-3-656.01-ЭП2-28 Линия 10(6) кВ. Схема электрическая принципиальная (окончание)
ТП 407-3-656.01-ЭП2-29 Линия 10(6) кВ к трансформатору. Схема электрическая принципиальная. Для схемы электрических соединений 2а (начало)
ТП 407-3-656.01-ЭП2-30 Линия 10(6) кВ к трансформатору. Схема электрическая принципиальная. Для схемы электрических соединений 2а (продолжение)
ТП 407-3-656.01-ЭП2-31 Линия 10(6) кВ к трансформатору. Схема электрическая принципиальная. Для схемы электрических соединений 2а (окончание)
ТП 407-3-656.01-ЭП2-32 Линия 10(6) кВ к трансформатору. Схема электрическая принципиальная. Для схемы электрических соединений 2
ТП 407-3-656.01-ЭП2-33 Трансформатор напряжения 10(6) кВ и цепи секционирования шинок. Схема электрическая принципиальная (начало)
ТП 407-3-656.01-ЭП2-34 Трансформатор напряжения 10(6) кВ и цепи секционирования шинок. Схема электрическая принципиальная (окончание)
ТП 407-3-656.01-ЭП2-35 Трансформатор напряжения 10(6) кВ с цепями сигнализации. Схема электрическая принципиальная (начало)
ТП 407-3-656.01-ЭП2-36 Трансформатор напряжения 10(6) кВ с цепями сигнализации. Схема электрическая принципиальная (продолжение)
ТП 407-3-656.01-ЭП2-37 Трансформатор напряжения 10(6) кВ с цепями сигнализации. Схема электрическая принципиальная (окончание)
ТП 407-3-656.01-ЭП2-38 Кабельная сборка. Схема электрическая принципиальная
ТП 407-3-656.01-ЭП2-39 Трансформатор собственных нужд. Схема электрическая принципиальная
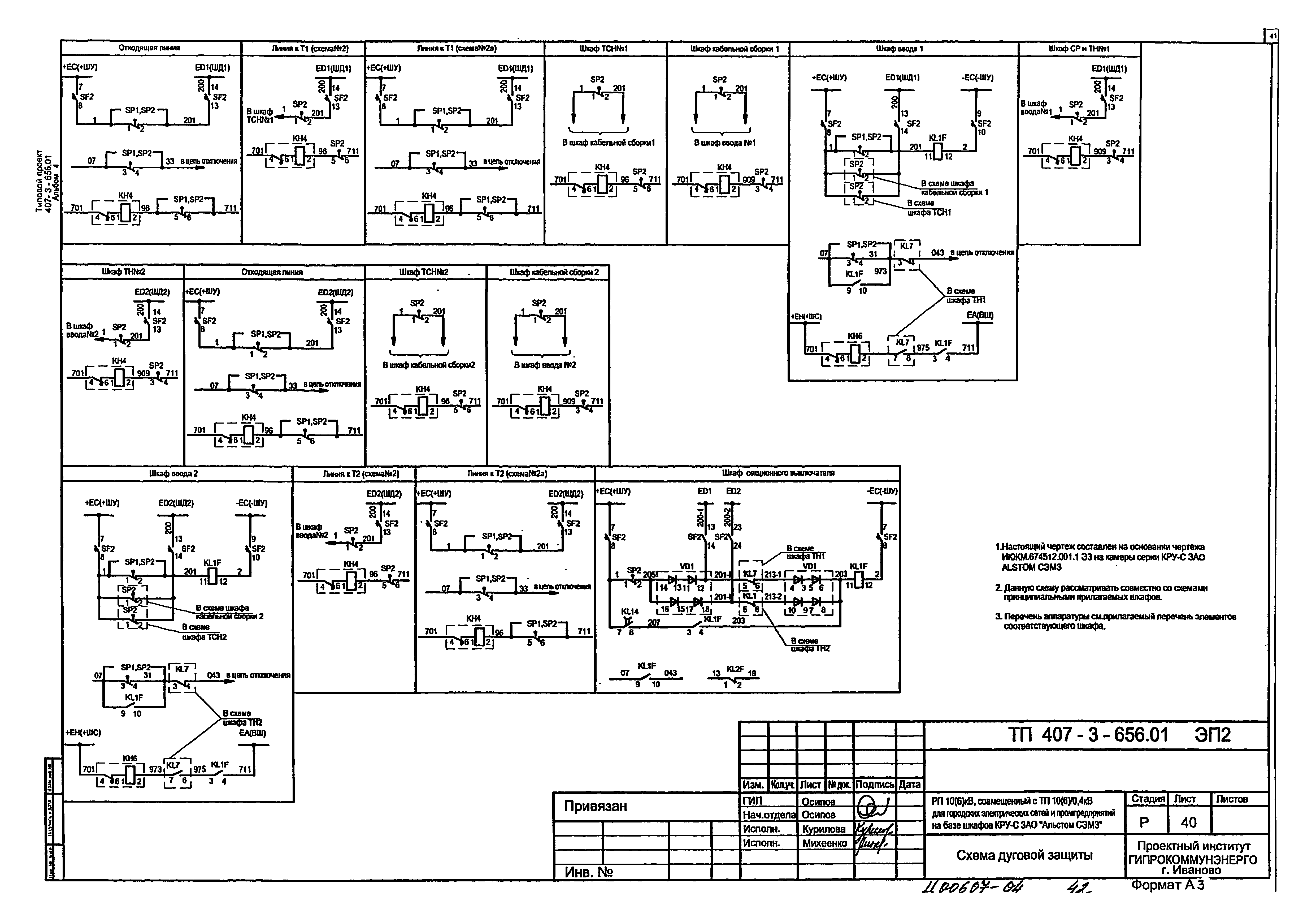
ТП 407-3-656.01-ЭП2-40 Схема дуговой защиты
ТП 407-3-656.01-ЭП2-41 Схема оперативной блокировки разъединителей. Для схемы электрических соединений 2
ТП 407-3-656.01-ЭП2-42 РУ-10(6) кВ. План шинок (начало)
ТП 407-3-656.01-ЭП2-43 РУ-10(6) кВ. План шинок (окончание)
ТП 407-3-656.01-ЭП2-44 Ввод 0,4 кВ трансформатора. Схема электрическая принципиальная
ТП 407-3-656.01-ЭП2-45 Секционный автомат 0,4 кВ. Схема электрическая принципиальная
ТП 407-3-656.01-ЭП2-46 Ввод 0,4 кВ трансформатора. Перечень аппаратуры
ТП 407-3-656.01-ЭП2-47 Секционный автомат 0,4 кВ. Перечень аппаратуры
ТП 407-3-656.01-ЭП2-48 Схема электрическая подключения преобразователей тока и напряжения (пример)
ТП 407-3-656.01-ЭП2-49 Схема междушкафных шинных перемычек (пример)
ТП 407-3-656.01-ЭП2-50 РУ-10(6) кВ. Ряд зажимов шкафа ввода №1(2)
ТП 407-3-656.01-ЭП2-51 РУ-10(6) кВ. Ряд зажимов шкафа секционного выключателя
ТП 407-3-656.01-ЭП2-52 РУ-10(6) кВ. Ряд зажимов шкафа трансформатора напряжения 1 секции
ТП 407-3-656.01-ЭП2-53 РУ-10(6) кВ. Ряд зажимов шкафа трансформатора напряжения 2 секции
ТП 407-3-656.01-ЭП2-54 РУ-10(6) кВ. Ряд зажимов шкафа трансформатора собственных нужд
ТП 407-3-656.01-ЭП2-55 РУ-10(6) кВ. Ряд зажимов шкафа кабельной сборки
ТП 407-3-656.01-ЭП2-56 РУ-10(6) кВ. Ряды зажимов шкафа низковольтной аппаратуры (начало)
ТП 407-3-656.01-ЭП2-57 РУ-10(6) кВ. Ряды зажимов шкафа низковольтной аппаратуры (окончание)
ТП 407-3-656.01-ЭП2-58 РУ-10(6) кВ. Ряд зажимов шкафа линии к трансформатору 1000 кВА (схема №2а)
ТП 407-3-656.01-ЭП2-59 РУ-10(6) кВ. Ряды зажимов шкафа линии с АПВ
ТП 407-3-656.01-ЭП2-60 РУ-10(6) кВ. Ряды зажимов шкафа линии без АПВ
ТП 407-3-656.01-ЭП2-61 Трансформатор Т1(Т2). Ряды зажимов панелей ЩО70-3М вводов
ТП 407-3-656.01-ЭП2-62 Секционный автомат 0,4 кВ. Ряды зажимов панелей ЩО70-3М
ТП 407-3-656.01-ЭП2-63 РУ-10(6) кВ. Ряд зажимов шкафа линии к трансформатору (схема №2)
ТП 407-3-656.01-ЭП2 Прилагаемые документы
ТП 407-3-656.01-ЭП2.ЛО1 Опросный лист на шкафы серии КРУ-С. Схема №2
ТП 407-3-656.01-ЭП2.ЛО2 Опросный лист на панели ЩО70-3М с АВР
Разработан: Гипрокоммунэнерго
Утверждён:23.01.2003 ЗАО Альстом СЭМЗ (22)
Расположен в:Техническая документация Строительство Справочные документы Типовые строительные конструкции, изделия и узлы Общероссийский строительный каталог Промышленные предприятия, здания и сооружения Предприятия, здания и сооружения промышленности и электроэнергетики Электроэнергетика Устройства и подстанции распределительные
Типовой проект 407-3-656.01Типовой проект 407-3-656.01Типовой проект 407-3-656.01Типовой проект 407-3-656.01Типовой проект 407-3-656.01Типовой проект 407-3-656.01Типовой проект 407-3-656.01Типовой проект 407-3-656.01Типовой проект 407-3-656.01Типовой проект 407-3-656.01Типовой проект 407-3-656.01Типовой проект 407-3-656.01Типовой проект 407-3-656.01Типовой проект 407-3-656.01Типовой проект 407-3-656.01Типовой проект 407-3-656.01Типовой проект 407-3-656.01Типовой проект 407-3-656.01Типовой проект 407-3-656.01Типовой проект 407-3-656.01Типовой проект 407-3-656.01Типовой проект 407-3-656.01Типовой проект 407-3-656.01Типовой проект 407-3-656.01Типовой проект 407-3-656.01Типовой проект 407-3-656.01Типовой проект 407-3-656.01Типовой проект 407-3-656.01Типовой проект 407-3-656.01Типовой проект 407-3-656.01Типовой проект 407-3-656.01Типовой проект 407-3-656.01Типовой проект 407-3-656.01Типовой проект 407-3-656.01Типовой проект 407-3-656.01Типовой проект 407-3-656.01Типовой проект 407-3-656.01Типовой проект 407-3-656.01Типовой проект 407-3-656.01Типовой проект 407-3-656.01Типовой проект 407-3-656.01Типовой проект 407-3-656.01Типовой проект 407-3-656.01Типовой проект 407-3-656.01Типовой проект 407-3-656.01Типовой проект 407-3-656.01Типовой проект 407-3-656.01Типовой проект 407-3-656.01Типовой проект 407-3-656.01Типовой проект 407-3-656.01Типовой проект 407-3-656.01Типовой проект 407-3-656.01Типовой проект 407-3-656.01Типовой проект 407-3-656.01Типовой проект 407-3-656.01Типовой проект 407-3-656.01Типовой проект 407-3-656.01Типовой проект 407-3-656.01Типовой проект 407-3-656.01Типовой проект 407-3-656.01Типовой проект 407-3-656.01Типовой проект 407-3-656.01Типовой проект 407-3-656.01Типовой проект 407-3-656.01Типовой проект 407-3-656.01Типовой проект 407-3-656.01Типовой проект 407-3-656.01Типовой проект 407-3-656.01Типовой проект 407-3-656.01Типовой проект 407-3-656.01Типовой проект 407-3-656.01Типовой проект 407-3-656.01

© 2013 Ёшкин Кот :-) Карта сайта