Информационная система
«Ёшкин Кот»

Скачать базу одним архивом
Скачать обновления
История создания базы
Карта сайта

Скачать Типовой проект 903-1-220.86 Альбом 5. Архитектурные решения. Конструкции железобетонные. Отопление и вентиляция. Внутренний водопровод и канализация

Дата актуализации: 10.08.2017

Типовой проект 903-1-220.86

Альбом 5. Архитектурные решения. Конструкции железобетонные. Отопление и вентиляция. Внутренний водопровод и канализация

Обозначение: Типовой проект 903-1-220.86
Обозначение англ: 903-1-220.86
Статус:действует
Название рус.:Альбом 5. Архитектурные решения. Конструкции железобетонные. Отопление и вентиляция. Внутренний водопровод и канализация
Дата добавления в базу:01.09.2013
Дата актуализации:05.05.2017
Оглавление:ТП 903-1-220.86 Содержание альбома
ТП 903-1-220.86-АР Архитектурные решения марки АР
ТП 903-1-220.86-АР-1 Общие данные (начало)
ТП 903-1-220.86-АР-2 Общие данные (окончание). План кровли
ТП 903-1-220.86-АР-3 План на отм. 0.000. Фрагмент 1. Вариант со стеновыми панелями по серии 1.832.1-9
ТП 903-1-220.86-АР-4 План на отм. 3.300. Вариант со стеновыми панелями по серии 1.832.1-9
ТП 903-1-220.86-АР-5 Разрезы 1-1;2-2;3-3.Планы полов. Вариант со стеновыми панелями по серии 1.832.1-9
ТП 903-1-220.86-АР-6 Фасады. Вариант со стеновыми панелями по серии 1.832.1-9
ТП 903-1-220.86-АР-7 Фрамуги индивидуальные Ф1,Ф2. Узлы 1-7
ТП 903-1-220.86-АР-8 Узлы 8-14
ТП 903-1-220.86-АР-9 План на отм. 0.000. Фрагмент 1. Вариант со стеновыми панелями по серии 1.832.1-9 и 1.832.1-10
ТП 903-1-220.86-АР-10 План на отм. 3.300. Разрез 1-1. Вариант со стеновыми панелями по серии 1.832.1-9 и 1.832.1-10
ТП 903-1-220.86-АР-11 Разрезы 2-2;3-3. Фасады. Вариант со стеновыми панелями по серии 1.832.1-9 и 1.832.1-10
ТП 903-1-220.86-КЖ Конструкции железобетонные марки КЖ
ТП 903-1-220.86-КЖ-1 Общие данные (начало)
ТП 903-1-220.86-КЖ-2 Общие данные (окончание)
ТП 903-1-220.86-КЖ-3 Фундаменты здания. Схема расположения элементов фундаментов
ТП 903-1-220.86-КЖ-4 Фундаменты здания. Таблица усилий
ТП 903-1-220.86-КЖ-5 Фундаменты здания ФМ1-ФМ3
ТП 903-1-220.86-КЖ-6 Фундаменты здания. Узлы 1-3
ТП 903-1-220.86-КЖ-7 Фундаменты здания. Узлы 4-7
ТП 903-1-220.86-КЖ-8 Фундаменты здания. Узлы 8-11
ТП 903-1-220.86-КЖ-9 Схема расположения фундаментов под оборудование и каналов в осях 1-6
ТП 903-1-220.86-КЖ-10 Схема расположения фундаментов под оборудование и каналов в осях 1-6. Фрагмент
ТП 903-1-220.86-КЖ-11 Схема расположения фундаментов под оборудование и каналов в осях 1-6. Фрагмент. Сечения 2-2÷9-9
ТП 903-1-220.86-КЖ-12 Схема расположения фундаментов под оборудование и каналов в осях 1-6. Фрагмент. Сечения 10-10÷17-17
ТП 903-1-220.86-КЖ-13 Схема расположения фундаментов под оборудование и каналов в осях 6-11
ТП 903-1-220.86-КЖ-14 Схема расположения фундаментов под оборудование и каналов. Спецификация элементов
ТП 903-1-220.86-КЖ-15 Наружное хозяйство. Схема расположения фундаментов под оборудование и каналов
ТП 903-1-220.86-КЖ-16 Наружное хозяйство. Схема расположения фундаментов под оборудование и каналов. Сечения
ТП 903-1-220.86-КЖ-17 Фундаменты под оборудование ФОМ1-ФОМ7;ФОМ6а
ТП 903-1-220.86-КЖ-18 Фундаменты под оборудование ФОМ1-ФОМ7;ФОМ6а. Спецификация
ТП 903-1-220.86-КЖ-19 Фундаменты под оборудование ФОМ9,ФОМ10,ФОМ17,ФОМ18
ТП 903-1-220.86-КЖ-20 Фундаменты под оборудование ФОМ11-ФОМ16
ТП 903-1-220.86-КЖ-21 Схемы расположения газоходов и фундаментов газоходов
ТП 903-1-220.86-КЖ-22 Схемы расположения плит днища и покрытия газоходов
ТП 903-1-220.86-КЖ-23 Схема расположения элементов каркаса
ТП 903-1-220.86-КЖ-24 Схема расположения элементов каркаса. Узлы. Спецификация
ТП 903-1-220.86-КЖ-25 Схема расположения плит покрытия и перекрытия
ТП 903-1-220.86-КЖ-26 Схема расположения закладных изделий на отм 3.300
ТП 903-1-220.86-КЖ-27 Схема расположения стеновых панелей. Вариант по серии 1.832.1-9
ТП 903-1-220.86-КЖ-28 Схема расположения стеновых панелей. Фрагменты. Вариант по серии 1.832.1-9
ТП 903-1-220.86-КЖ-29 Спецификация к схемам расположения стеновых панелей (начало). Вариант по серии 1.832.1-9
ТП 903-1-220.86-КЖ-30 Спецификация к схемам расположения стеновых панелей (окончание). Вариант по серии 1.832.1-9
ТП 903-1-220.86-КЖ-31 Схема расположения панелей перегородок
ТП 903-1-220.86-КЖ-32 Схема расположения панелей перегородок. Сечения 1-1÷10-10
ТП 903-1-220.86-КЖ-33 Схема расположения панелей перегородок. Сечения 11-11÷22-22
ТП 903-1-220.86-КЖ-34 Схема расположения панелей перегородок. Сечения 23-23÷26-26. Узлы 1-4
ТП 903-1-220.86-КЖ-35 Схема расположения панелей перегородок. Узлы 5-13
ТП 903-1-220.86-КЖ-36 Бункер мокрого хранения соли. План. Разрез. Фасады
ТП 903-1-220.86-КЖ-37 Бункер мокрого хранения соли. План покрытия. Противокоррозионная защита. Узлы
ТП 903-1-220.86-КЖ-38 Бункер мокрого хранения соли. Схемы расположения стеновых блоков и элементов покрытия
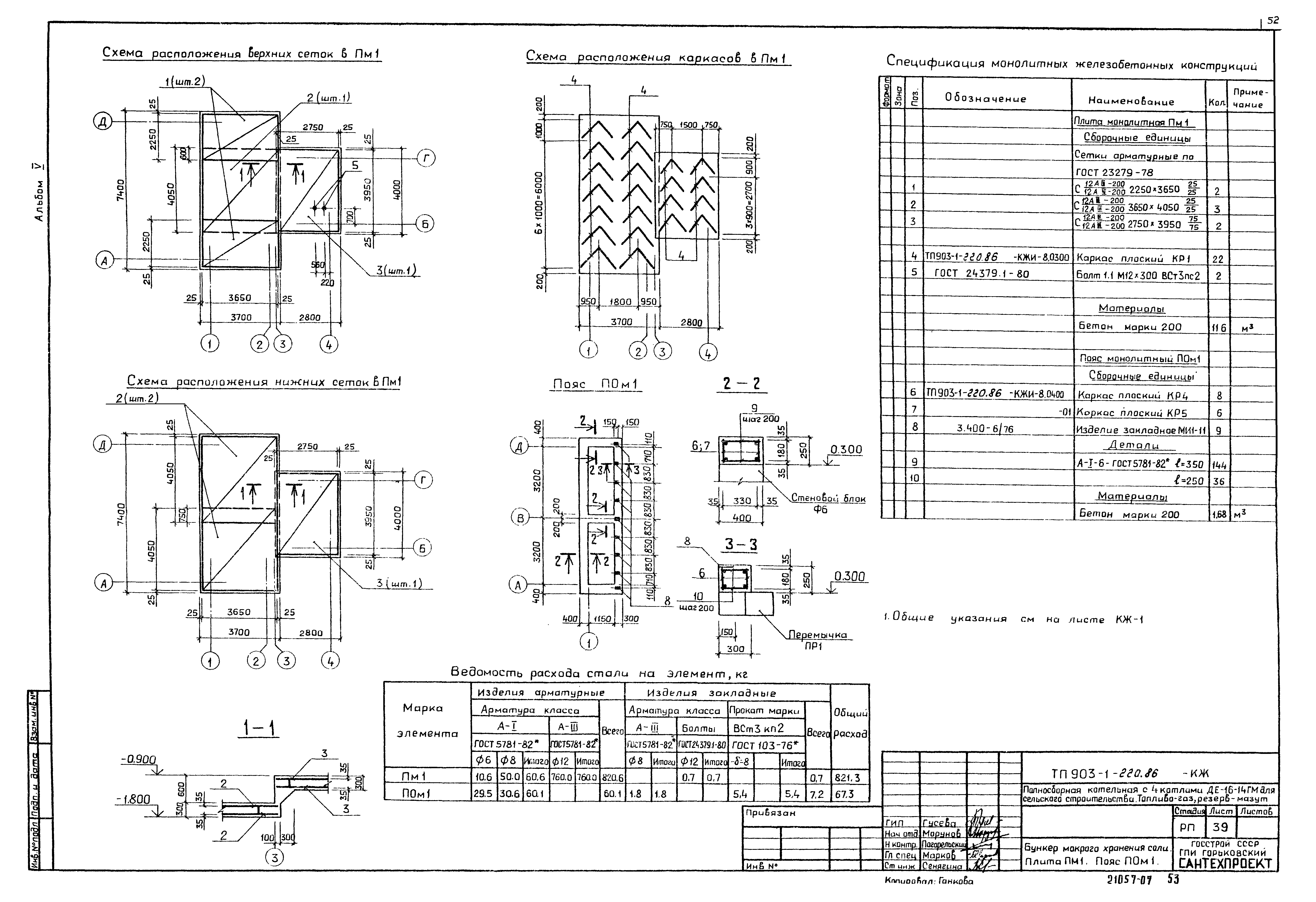
ТП 903-1-220.86-КЖ-39 Бункер мокрого хранения соли. Плита ПМ1. Пояс ПОМ1
ТП 903-1-220.86-КЖ-40 Продувочный колодец
ТП 903-1-220.86-КЖ-41 Схемы расположения стеновых панелей. Вариант по сериям 1.832.1-9 и 1.832.1-10
ТП 903-1-220.86-КЖ-42 Схемы расположения стеновых панелей. Фрагменты 1-15. Вариант по сериям 1.832.1-9 и 1.832.1-10
ТП 903-1-220.86-КЖ-43 Спецификация к схемам расположения стеновых панелей (начало). Вариант по сериям 1.832.1-9 и 1.832.1-10
ТП 903-1-220.86-КЖ-44 Спецификация к схемам расположения стеновых панелей (окончание). Вариант по сериям 1.832.1-9 и 1.832.1-10
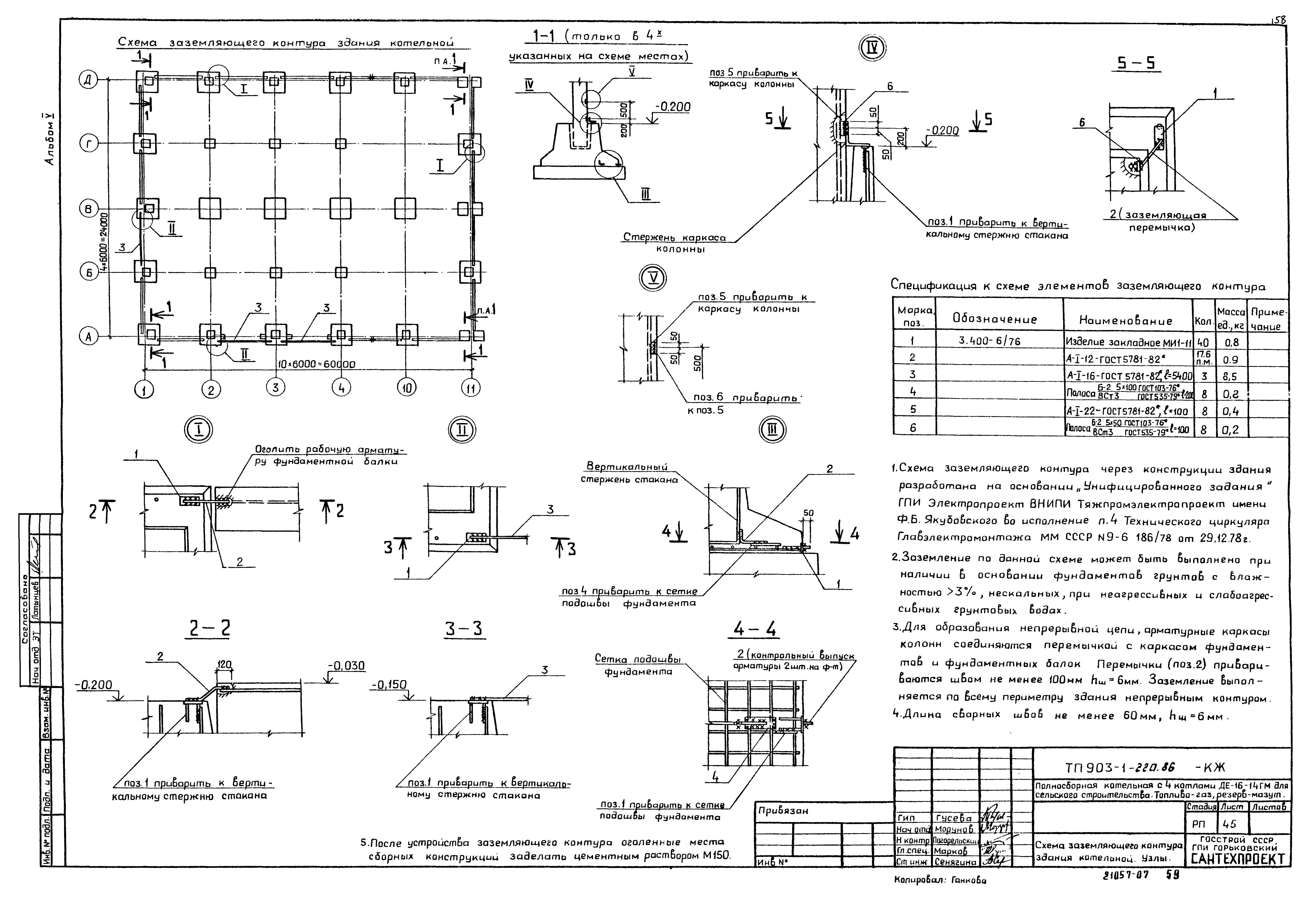
ТП 903-1-220.86-КЖ-45 Схема заземляющего контура здания котельной. Узлы
ТП 903-1-220.86-КМ Конструкции металлические марки КМ
ТП 903-1-220.86-КМ-1 Общие данные (начало)
ТП 903-1-220.86-КМ-2 Общие данные (окончание). Ведомость металлоконструкций по видам профилей
ТП 903-1-220.86-КМ-3 Техническая спецификация стали (начало)
ТП 903-1-220.86-КМ-4 Техническая спецификация стали (окончание)
ТП 903-1-220.86-КМ-5 Техническая спецификация стали на ворота
ТП 903-1-220.86-КМ-6 Схема расположения балок перекрытия
ТП 903-1-220.86-КМ-7 Схема расположения монорельсов площадки на отм. 1.500
ТП 903-1-220.86-КМ-8 Схема расположения площадок на отм. 4.200;6.300;6.900
ТП 903-1-220.86-КМ-9 Опора под деаэратор
ТП 903-1-220.86-КМ-10 Схемы расположения балок и опор для крепления трубопроводов
ТП 903-1-220.86-КМ-11 Схемы расположения ограждения на отм. 3.300 и электрических кабелей площадки на отм. 0.000, кронштейна для крепления газопроводов
ТП 903-1-220.86-КМ-12 Ворота
ТП 903-1-220.86-КМ-13 Узлы 1-6
ТП 903-1-220.86-КМ-14 Узлы 7-13
ТП 903-1-220.86-КМ-15 Узлы 14-22
ТП 903-1-220.86-КМ-16 Узлы 23-33
ТП 903-1-220.86-КМ-17 Узлы 34-38
ТП 903-1-220.86-КМ-18 Схема расположения рамы ворот. Узлы 38-41
ТП 903-1-220.86-ОВ Чертежи марки ОВ
ТП 903-1-220.86-ОВ-1 Общие данные (начало)
ТП 903-1-220.86-ОВ-2 Общие данные (окончание)
ТП 903-1-220.86-ОВ-3 План на отм. 0.000. Разрез 1-1. Фрагменты планов на отм. 0.000 и 3.300
ТП 903-1-220.86-ОВ-4 Схемы систем отопления, узла управления. Схемы систем В1-В3,ВЕ1-ВЕ11. Установки систем В1-В13
ТП 903-1-220.86-ВК Чертежи марки ВК
ТП 903-1-220.86-ВК-1 Общие данные (начало)
ТП 903-1-220.86-ВК-2 Общие данные (окончание)
ТП 903-1-220.86-ВК-3 План на отм. 0.000. План на отм. 3.300 между осями 1-3 и Г-Д. Фрагмент 1
ТП 903-1-220.86-ВК-4 Схемы систем ВО;К1;К3;Т3;В4 и В5
ТП 903-1-220.86-ВК-5 Блок оборотного водоснабжения (В4;В5;ВО)
ТП 903-1-220.86-ГТ Чертежи марки ГТ
ТП 903-1-220.86-ГТ-1 Схема генплана. Вариант с наземными резервуарами
ТП 903-1-220.86-ГТ-2 Схема генплана. Вариант с подземными резервуарами
Разработан: Горьковский Сантехпроект
Утверждён:07.09.1985 Минсельхоз России (Russian Federation Minselkhoz 60-ЭГ)
Расположен в:Техническая документация Строительство Справочные документы Типовые строительные конструкции, изделия и узлы Общероссийский строительный каталог Промышленные предприятия, здания и сооружения Здания и сооружения санитарно-технические Теплоснабжение Котельные установки Закрытые системы теплоснабжения Топливо - газ, резерв - мазут
Типовой проект 903-1-220.86Типовой проект 903-1-220.86Типовой проект 903-1-220.86Типовой проект 903-1-220.86Типовой проект 903-1-220.86Типовой проект 903-1-220.86Типовой проект 903-1-220.86Типовой проект 903-1-220.86Типовой проект 903-1-220.86Типовой проект 903-1-220.86Типовой проект 903-1-220.86Типовой проект 903-1-220.86Типовой проект 903-1-220.86Типовой проект 903-1-220.86Типовой проект 903-1-220.86Типовой проект 903-1-220.86Типовой проект 903-1-220.86Типовой проект 903-1-220.86Типовой проект 903-1-220.86Типовой проект 903-1-220.86Типовой проект 903-1-220.86Типовой проект 903-1-220.86Типовой проект 903-1-220.86Типовой проект 903-1-220.86Типовой проект 903-1-220.86Типовой проект 903-1-220.86Типовой проект 903-1-220.86Типовой проект 903-1-220.86Типовой проект 903-1-220.86Типовой проект 903-1-220.86Типовой проект 903-1-220.86Типовой проект 903-1-220.86Типовой проект 903-1-220.86Типовой проект 903-1-220.86Типовой проект 903-1-220.86Типовой проект 903-1-220.86Типовой проект 903-1-220.86Типовой проект 903-1-220.86Типовой проект 903-1-220.86Типовой проект 903-1-220.86Типовой проект 903-1-220.86Типовой проект 903-1-220.86Типовой проект 903-1-220.86Типовой проект 903-1-220.86Типовой проект 903-1-220.86Типовой проект 903-1-220.86Типовой проект 903-1-220.86Типовой проект 903-1-220.86Типовой проект 903-1-220.86Типовой проект 903-1-220.86Типовой проект 903-1-220.86Типовой проект 903-1-220.86Типовой проект 903-1-220.86Типовой проект 903-1-220.86Типовой проект 903-1-220.86Типовой проект 903-1-220.86Типовой проект 903-1-220.86Типовой проект 903-1-220.86Типовой проект 903-1-220.86Типовой проект 903-1-220.86Типовой проект 903-1-220.86Типовой проект 903-1-220.86Типовой проект 903-1-220.86Типовой проект 903-1-220.86Типовой проект 903-1-220.86Типовой проект 903-1-220.86Типовой проект 903-1-220.86Типовой проект 903-1-220.86Типовой проект 903-1-220.86Типовой проект 903-1-220.86Типовой проект 903-1-220.86Типовой проект 903-1-220.86Типовой проект 903-1-220.86Типовой проект 903-1-220.86Типовой проект 903-1-220.86Типовой проект 903-1-220.86Типовой проект 903-1-220.86Типовой проект 903-1-220.86Типовой проект 903-1-220.86Типовой проект 903-1-220.86Типовой проект 903-1-220.86Типовой проект 903-1-220.86Типовой проект 903-1-220.86Типовой проект 903-1-220.86Типовой проект 903-1-220.86Типовой проект 903-1-220.86Типовой проект 903-1-220.86Типовой проект 903-1-220.86Типовой проект 903-1-220.86

© 2013 Ёшкин Кот :-) Карта сайта