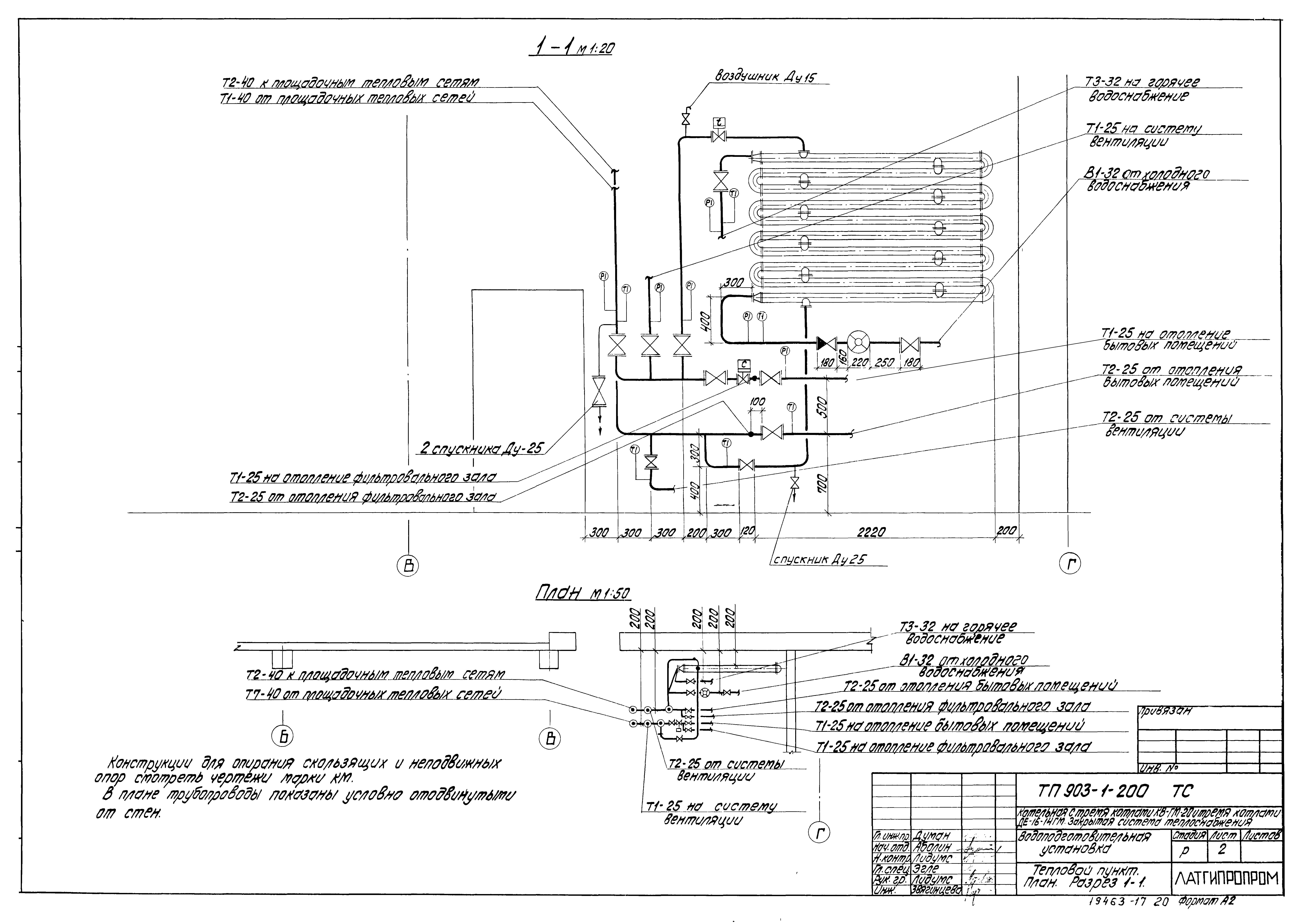
Скачать Типовой проект 903-1-204 Альбом 10.10. Водоподготовительная установка. Сантехнические устройства (из ТП 903-1-200)Дата актуализации: 10.08.2017 Типовой проект 903-1-204
Альбом 10.10. Водоподготовительная установка. Сантехнические устройства (из ТП 903-1-200)Обозначение: | Типовой проект 903-1-204 | Обозначение англ: | 903-1-204 | Статус: | действует | Название рус.: | Альбом 10.10. Водоподготовительная установка. Сантехнические устройства (из ТП 903-1-200) | Дата добавления в базу: | 01.09.2013 | Дата актуализации: | 05.05.2017 | Дата введения: | 01.07.1984 | Разработан: | Латгипропром
| Утверждён: | 10.11.1983 Главпромстройпроект Госстроя СССР (41)
| Расположен в: |
|
                    
|