Скачать Типовой проект 903-1-204 Альбом 8.14. Котельная. Электротехническая часть. Механизмы, управляемые с НКУ и щитов КИП и А. Сметы принципиальныеДата актуализации: 10.08.2017 Типовой проект 903-1-204
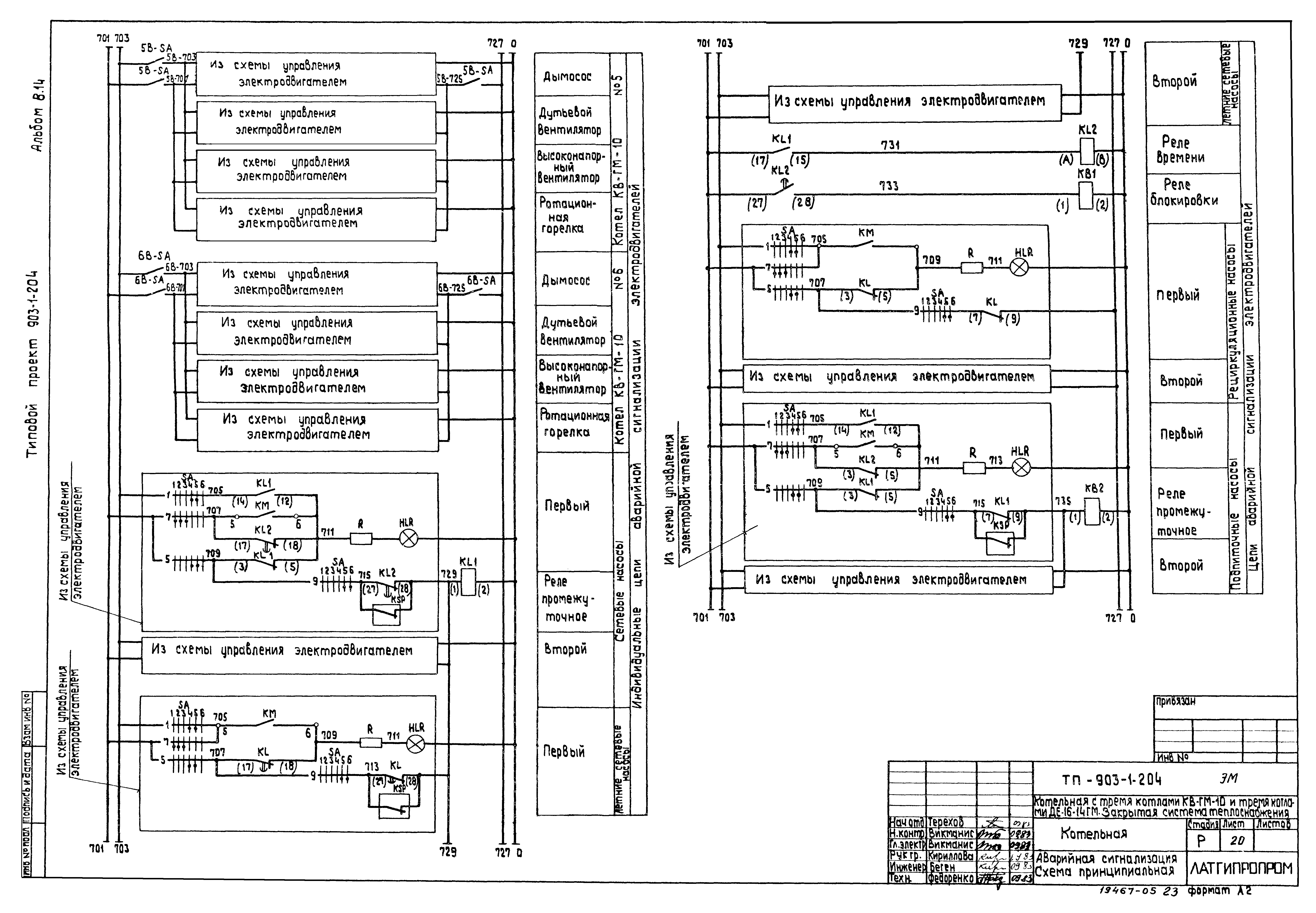
Альбом 8.14. Котельная. Электротехническая часть. Механизмы, управляемые с НКУ и щитов КИП и А. Сметы принципиальныеОбозначение: | Типовой проект 903-1-204 | Обозначение англ: | 903-1-204 | Статус: | действует | Название рус.: | Альбом 8.14. Котельная. Электротехническая часть. Механизмы, управляемые с НКУ и щитов КИП и А. Сметы принципиальные | Дата добавления в базу: | 01.09.2013 | Дата актуализации: | 05.05.2017 | Дата введения: | 01.07.1984 | Оглавление: | ТП 903-1-204 Содержание альбома ТП 903-1-204-ЭМ-1 Общие данные ТП 903-1-204-ЭМ-2 Котел ДЕ-16-14ГМ. Дымосос. Схема принципиальная. Функциональная схема блокировки ТП 903-1-204-ЭМ-3 Котел ДЕ-16-14ГМ. Дутьевой вентилятор. Схема принципиальная ТП 903-1-204-ЭМ-4 Котел КВ-ГМ-10. Функциональная схема блокировки механизмов котлоагрегата ТП 903-1-204-ЭМ-5 Котел КВ-ГМ-10. Дымосос. Схема принципиальная ТП 903-1-204-ЭМ-6 Котел КВ-ГМ-10. Дутьевой вентилятор. Схема принципиальная ТП 903-1-204-ЭМ-7 Котел КВ-ГМ-10. Вентилятор первичного воздуха. Схема принципиальная ТП 903-1-204-ЭМ-8 Котел КВ-ГМ-10. Ротационная горелка. Схема принципиальная ТП 903-1-204-ЭМ-9 Функциональная схема блокировок сетевых летних сетевых, питательных, подпиточных и насосов подачи охлажденной воды ТП 903-1-204-ЭМ-10 Сетевой насос. Схема принципиальная ТП 903-1-204-ЭМ-11 Летний сетевой насос. Схема принципиальная ТП 903-1-204-ЭМ-12 Рециркуляционный насос. Схема принципиальная ТП 903-1-204-ЭМ-13 Подпиточный насос. Схема принципиальная ТП 903-1-204-ЭМ-14 Питательный насос. Схема принципиальная ТП 903-1-204-ЭМ-15 Насос подачи охлажденной воды. Схема принципиальная ТП 903-1-204-ЭМ-16 Вентилятор градирки. Механизм, управляемый по месту. Схемы принципиальные ТП 903-1-204-ЭМ-17 Задвижка на напорном трубопроводе сетевого насоса. Схема принципиальная ТП 903-1-204-ЭМ-18 Задвижка. Схема принципиальная ТП 903-1-204-ЭМ-19-21 Аварийная сигнализация. Схема принципиальная | Разработан: | Латгипропром
| Утверждён: | 10.11.1983 Главпромстройпроект Госстроя СССР (41)
| Расположен в: |
|
                       
|