Скачать Типовой проект 903-1-204 Альбом 2.3. Строительно-технологическая блок-секция котлоагрегата КВ-ГМ-10. Тепломеханическая часть, конструкции железобетонные, автоматизация (из ТП 903-1-203)Дата актуализации: 10.08.2017 Типовой проект 903-1-204
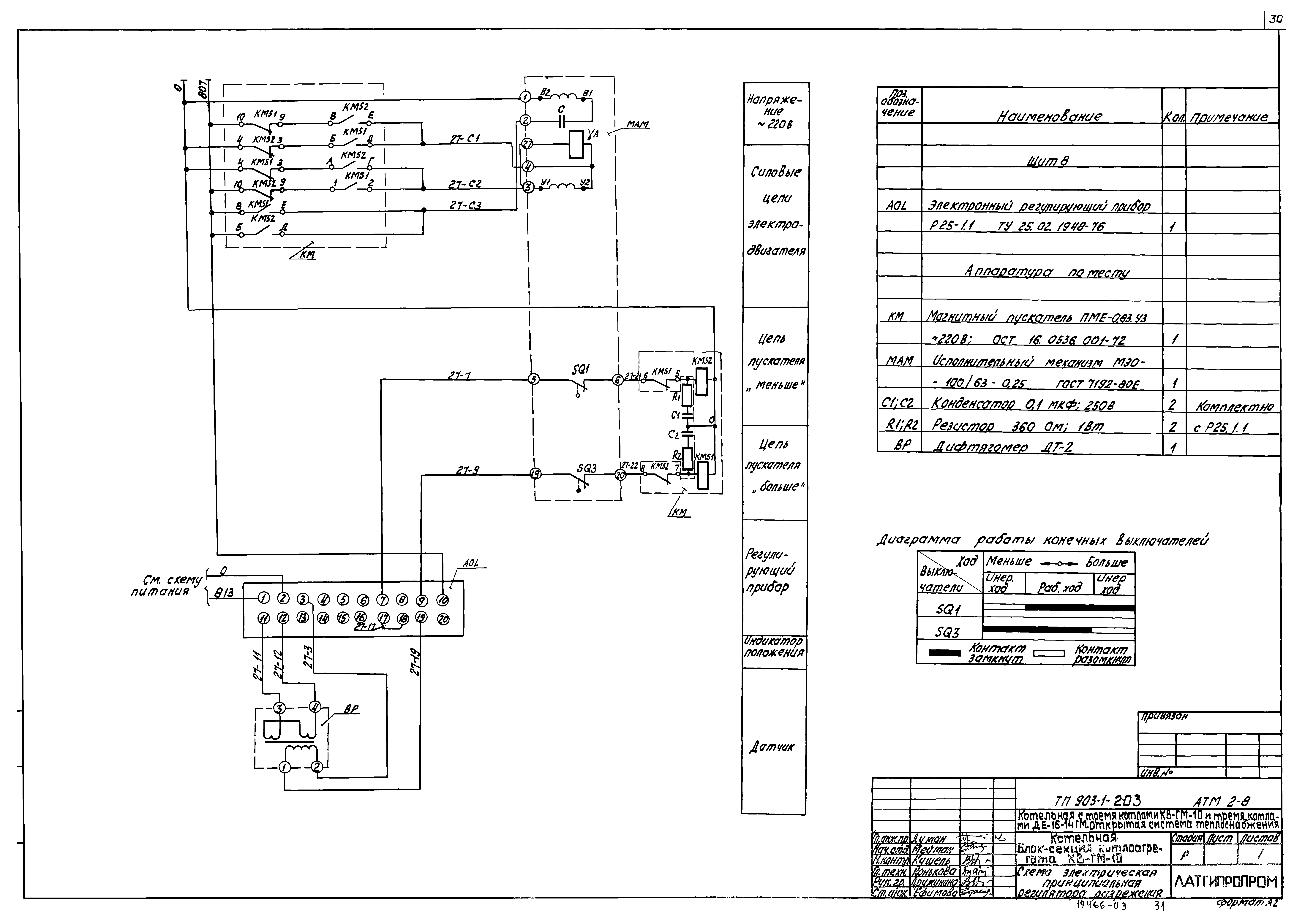
Альбом 2.3. Строительно-технологическая блок-секция котлоагрегата КВ-ГМ-10. Тепломеханическая часть, конструкции железобетонные, автоматизация (из ТП 903-1-203)Обозначение: | Типовой проект 903-1-204 | Обозначение англ: | 903-1-204 | Статус: | действует | Название рус.: | Альбом 2.3. Строительно-технологическая блок-секция котлоагрегата КВ-ГМ-10. Тепломеханическая часть, конструкции железобетонные, автоматизация (из ТП 903-1-203) | Дата добавления в базу: | 01.09.2013 | Дата актуализации: | 05.05.2017 | Дата введения: | 01.07.1984 | Разработан: | Латгипропром
| Утверждён: | 10.11.1983 Главпромстройпроект Госстроя СССР (41)
| Расположен в: |
|
                                           
|