Информационная система
«Ёшкин Кот»

Скачать базу одним архивом
Скачать обновления
История создания базы
Карта сайта

Скачать Типовой проект 904-1-56.84 Альбом 3. Автоматизация и КИП. Чертежи

Дата актуализации: 10.08.2017

Типовой проект 904-1-56.84

Альбом 3. Автоматизация и КИП. Чертежи

Обозначение: Типовой проект 904-1-56.84
Обозначение англ: 904-1-56.84
Статус:действует
Название рус.:Альбом 3. Автоматизация и КИП. Чертежи
Дата добавления в базу:01.09.2013
Дата актуализации:05.05.2017
Дата введения:30.12.1983
Оглавление:ТП 904-1-56.84-А Содержание альбома
ТП 904-1-56.84-А-1-8 Общие данные
ТП 904-1-56.84-А-9 Воздушный тракт. Функциональная схема автоматизации
ТП 904-1-56.84-А-10 Система водопроводов. Функциональная схема автоматизации
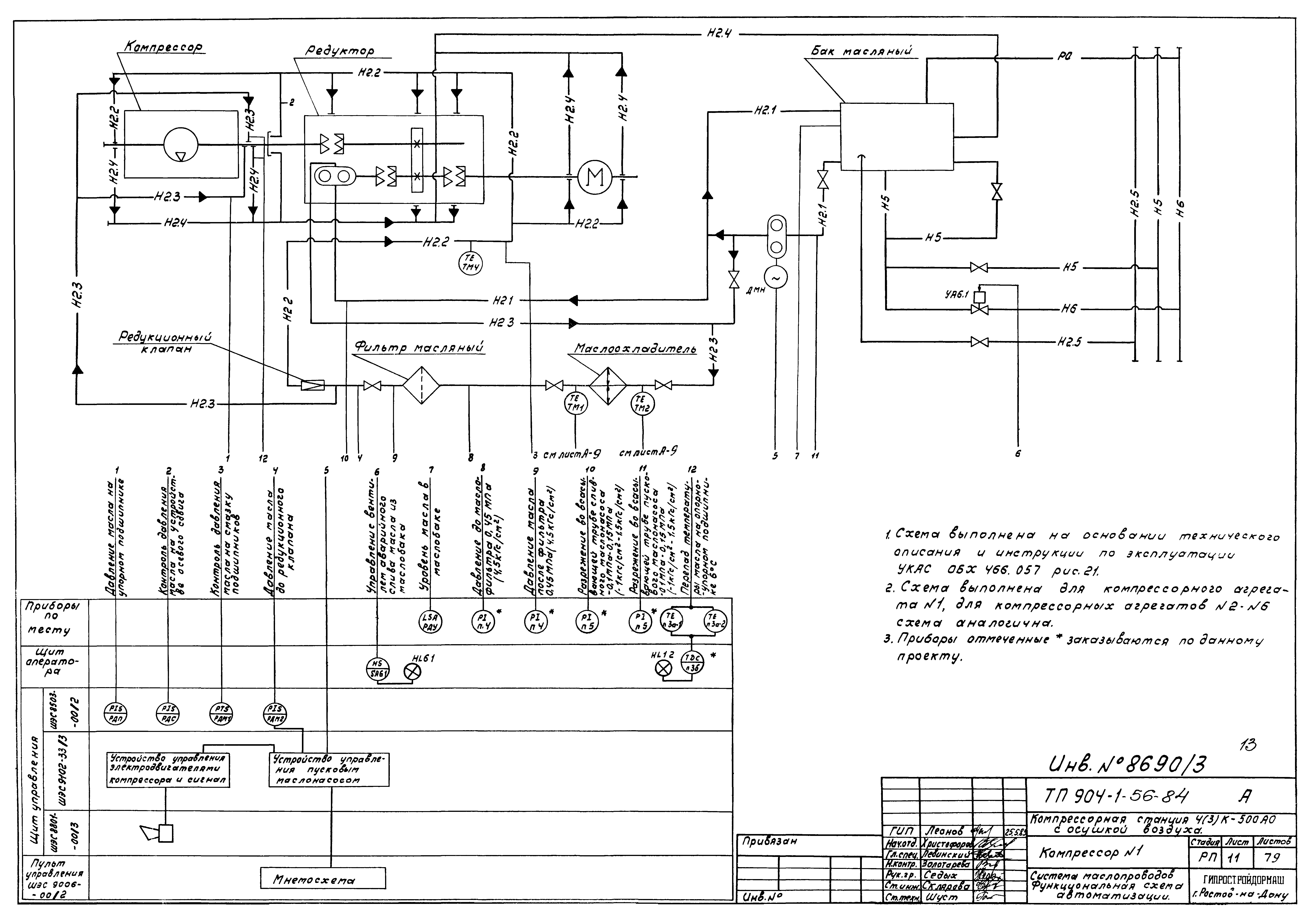
ТП 904-1-56.84-А-11 Система маслопроводов. Функциональная схема автоматизации
ТП 904-1-56.84-А-12 Общестанционные проводки. Функциональная схема автоматизации
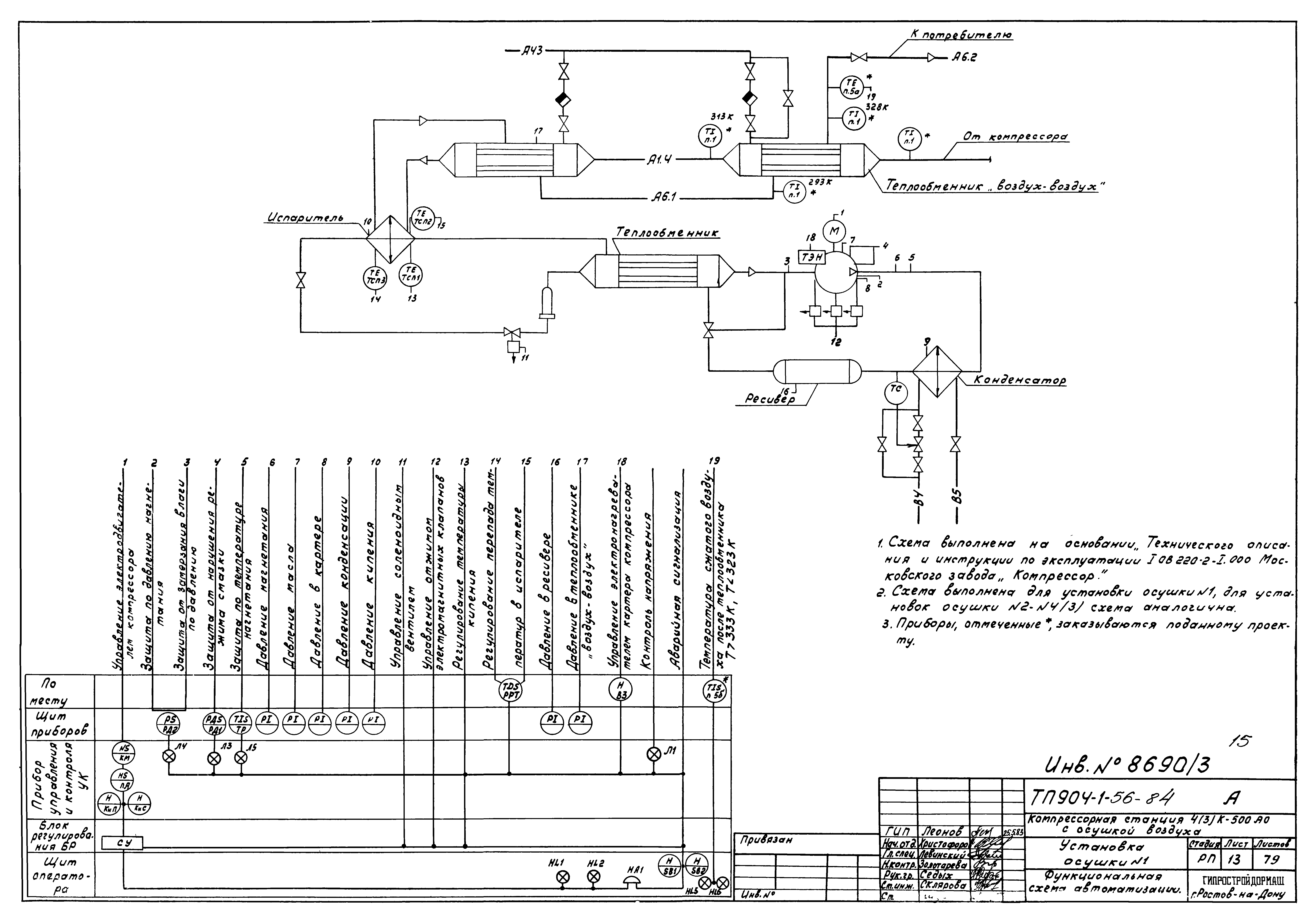
ТП 904-1-56.84-А-13 Установка осушки №1. Функциональная схема автоматизации
ТП 904-1-56.84-А-14 Принципиальная электрическая схема управления двигателем компрессора
ТП 904-1-56.84-А-15 Схема автоматизации одиночного агрегата
ТП 904-1-56.84-А-16 Принципиальная электрическая схема управления вентилем слива холодной воды
ТП 904-1-56.84-А-17 Принципиальная электрическая схема управления вентилем подогрева масла
ТП 904-1-56.84-А-18 Принципиальная электрическая схема управления отопительными агрегатами
ТП 904-1-56.84-А-19 Компрессорная станция. Принципиальная электрическая схема питания
ТП 904-1-56.84-А-20 Компрессорная станция. Принципиальная электрическая схема питания
ТП 904-1-56.84-А-21 Компрессорная станция. Принципиальная электрическая схема управления вентилями аварийного слива масла из маслобаков
ТП 904-1-56.84-А-22 Компрессорная станция. Принципиальная электрическая схема управления вентилями аварийного слива масла из маслобаков
ТП 904-1-56.84-А-23 Установка осушки №1. Принципиальная электрическая схема сигнализации
ТП 904-1-56.84-А-24 Компрессорная станция. Принципиальная электрическая схема сигнализации
ТП 904-1-56.84-А-25 Вентсистема В2. Электрические схемы
ТП 904-1-56.84-А-26-31 Компрессор №1. Схема внешних электрических и трубных проводок
ТП 904-1-56.84-А-32-33 Компрессорная станция. Схема внешних электрических и трубных проводок
ТП 904-1-56.84-А-34-35 Установка осушки №1. Схема внешних электрических и трубных проводок
ТП 904-1-56.84-А-36 Щит 9102-3303 (шкаф 1,2). Схема подключения. Компрессор №1
ТП 904-1-56.84-А-37 Щит 9102-3303 (шкаф 3). Схема подключения. Компрессор №1
ТП 904-1-56.84-А-38 Щит 8503-0002, пульт 9006-0002. Схема подключения. Компрессор №1
ТП 904-1-56.84-А-39 Щит 8801-0003. Схема подключения. Компрессорная станция
ТП 904-1-56.84-А-40 Установка осушки №1. Прибор управления и контроля УК. Схема подключения
ТП 904-1-56.84-А-41 Установка осушки №1. Блок регулирования ШИЕ. Схема подключения
ТП 904-1-56.84-А-42-43 Компрессорная станция. Щит оператора. Схема подключения
ТП 904-1-56.84-А-44-45 Компрессорная станция. Щит оператора. Схема подключения
ТП 904-1-56.84-А-46-55 Журнал кабельных проводок
ТП 904-1-56.84-А-59-66 Журнал кабельных проводок
ТП 904-1-56.84-А-67 Журнал импульсных проводок
ТП 904-1-56.84-А-68 Журнал импульсных проводок
ТП 904-1-56.84-А-69-71 Компрессорная станция. Расположение средств автоматизации и проводок
ТП 904-1-56.84-А-72-74 Компрессорная станция. Расположение средств автоматизации и проводок
ТП 904-1-56.84-А-75-78 Компрессор №1. Расположение средств автоматизации и проводок
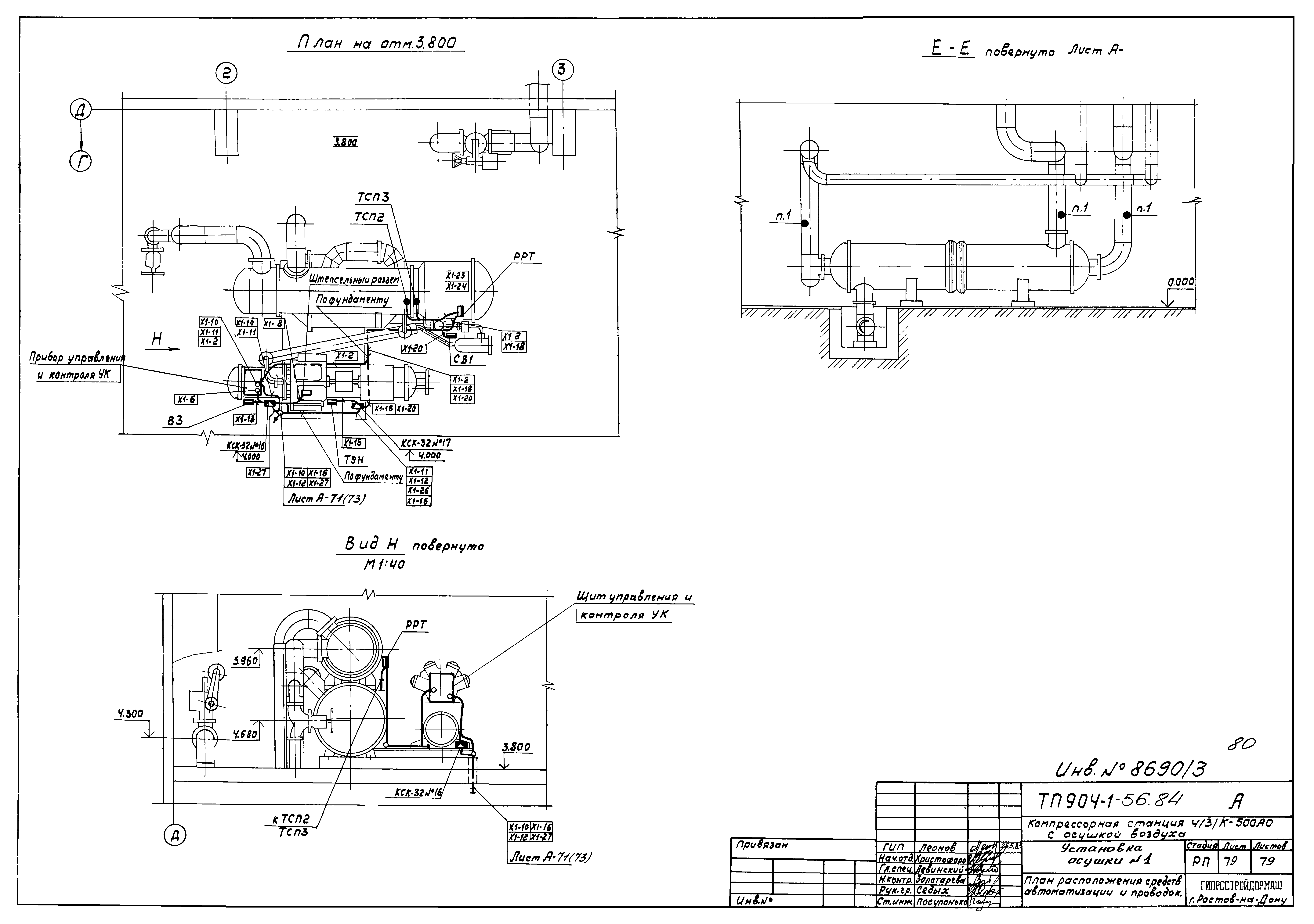
ТП 904-1-56.84-А-79 Установка осушки №1. Расположение средств автоматизации и проводок
ТП 904-1-56.84 Кнопочный пост управления ПУК
ТП 904-1-56.84 Кнопочные посты управления ПКЕ722-2;ПКЕ212-1
ТП 904-1-56.84 Установка постов управления ПКУ;ПКЕ722-2;ПКЕ212-1
Разработан: Гипростройдормаш
Утверждён:01.11.1983 Минстройдормаш (Minstroydormash 20/83)
Расположен в:Техническая документация Строительство Справочные документы Типовые строительные конструкции, изделия и узлы Общероссийский строительный каталог Промышленные предприятия, здания и сооружения Здания и сооружения санитарно-технические Воздухоснабжение, вентиляция и кондиционирование воздуха Воздухоснабжение
Типовой проект 904-1-56.84Типовой проект 904-1-56.84Типовой проект 904-1-56.84Типовой проект 904-1-56.84Типовой проект 904-1-56.84Типовой проект 904-1-56.84Типовой проект 904-1-56.84Типовой проект 904-1-56.84Типовой проект 904-1-56.84Типовой проект 904-1-56.84Типовой проект 904-1-56.84Типовой проект 904-1-56.84Типовой проект 904-1-56.84Типовой проект 904-1-56.84Типовой проект 904-1-56.84Типовой проект 904-1-56.84Типовой проект 904-1-56.84Типовой проект 904-1-56.84Типовой проект 904-1-56.84Типовой проект 904-1-56.84Типовой проект 904-1-56.84Типовой проект 904-1-56.84Типовой проект 904-1-56.84Типовой проект 904-1-56.84Типовой проект 904-1-56.84Типовой проект 904-1-56.84Типовой проект 904-1-56.84Типовой проект 904-1-56.84Типовой проект 904-1-56.84Типовой проект 904-1-56.84Типовой проект 904-1-56.84Типовой проект 904-1-56.84Типовой проект 904-1-56.84Типовой проект 904-1-56.84Типовой проект 904-1-56.84Типовой проект 904-1-56.84Типовой проект 904-1-56.84Типовой проект 904-1-56.84Типовой проект 904-1-56.84Типовой проект 904-1-56.84Типовой проект 904-1-56.84Типовой проект 904-1-56.84Типовой проект 904-1-56.84Типовой проект 904-1-56.84Типовой проект 904-1-56.84Типовой проект 904-1-56.84Типовой проект 904-1-56.84Типовой проект 904-1-56.84Типовой проект 904-1-56.84Типовой проект 904-1-56.84Типовой проект 904-1-56.84Типовой проект 904-1-56.84Типовой проект 904-1-56.84Типовой проект 904-1-56.84Типовой проект 904-1-56.84Типовой проект 904-1-56.84Типовой проект 904-1-56.84Типовой проект 904-1-56.84Типовой проект 904-1-56.84Типовой проект 904-1-56.84Типовой проект 904-1-56.84Типовой проект 904-1-56.84Типовой проект 904-1-56.84Типовой проект 904-1-56.84Типовой проект 904-1-56.84Типовой проект 904-1-56.84Типовой проект 904-1-56.84Типовой проект 904-1-56.84Типовой проект 904-1-56.84Типовой проект 904-1-56.84Типовой проект 904-1-56.84Типовой проект 904-1-56.84Типовой проект 904-1-56.84Типовой проект 904-1-56.84Типовой проект 904-1-56.84Типовой проект 904-1-56.84Типовой проект 904-1-56.84Типовой проект 904-1-56.84Типовой проект 904-1-56.84Типовой проект 904-1-56.84Типовой проект 904-1-56.84Типовой проект 904-1-56.84Типовой проект 904-1-56.84Типовой проект 904-1-56.84Типовой проект 904-1-56.84

© 2013 Ёшкин Кот :-) Карта сайта