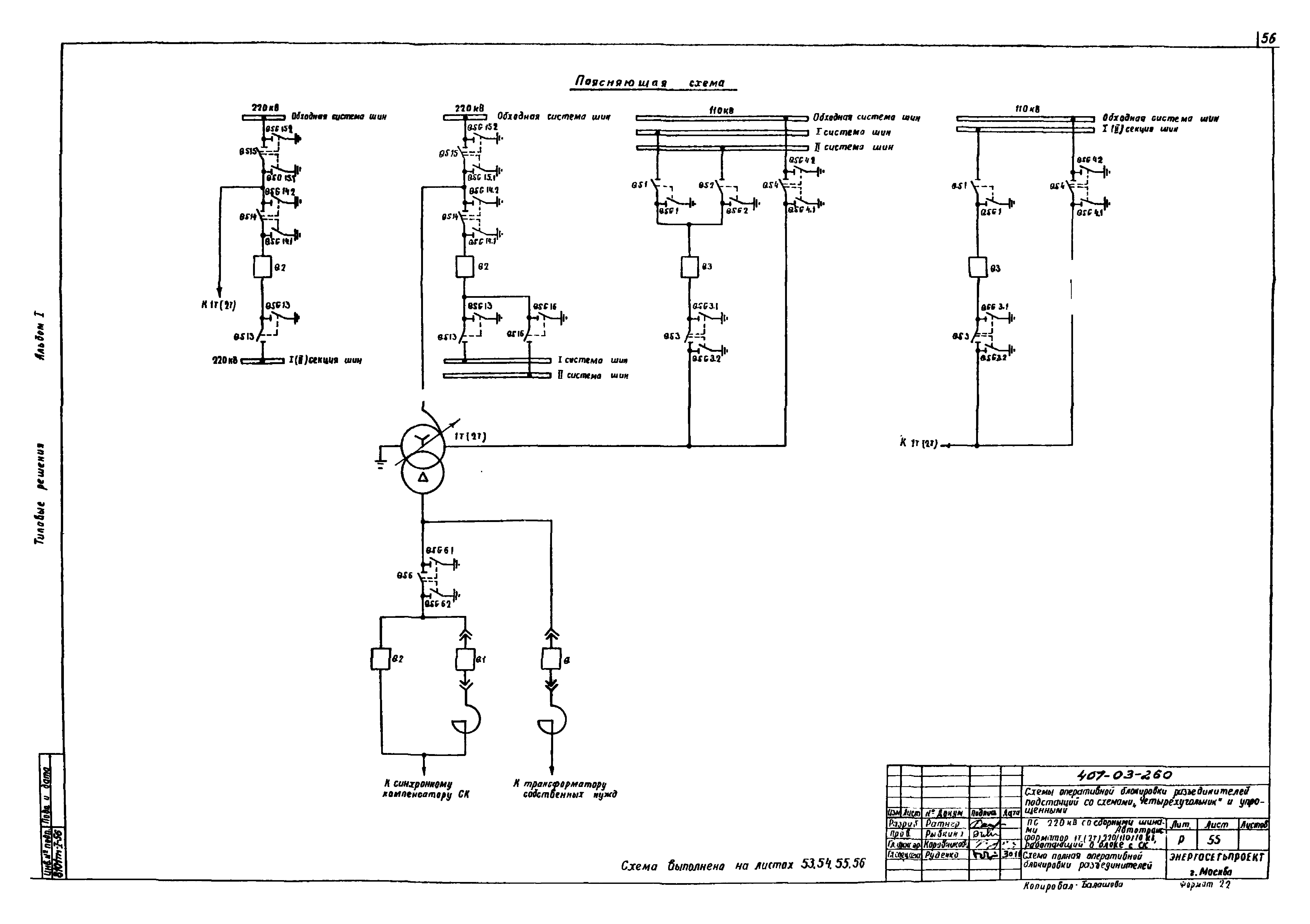
Скачать Типовые проектные решения 407-03-260 Альбом I. Подстанции со сборными шинами и четырехугольником на стороне ВНДата актуализации: 10.08.2017 Типовые проектные решения 407-03-260
Альбом I. Подстанции со сборными шинами и четырехугольником на стороне ВНОбозначение: | Типовые проектные решения 407-03-260 | Обозначение англ: | 407-03-260 | Статус: | cправочные материалы, мп, тпр | Название рус.: | Альбом I. Подстанции со сборными шинами и четырехугольником на стороне ВН | Дата добавления в базу: | 01.09.2013 | Дата актуализации: | 05.05.2017 | Разработан: | Энергосетьпроект
| Утверждён: | 13.12.1979 Минэнерго СССР (USSR Minenergo 86)
| Расположен в: |
|
                                                                            
|