Информационная система
«Ёшкин Кот»

Скачать базу одним архивом
Скачать обновления
История создания базы
Карта сайта

Скачать Серия 03.005-19 Выпуск 0-5. Деформационные швы. Материалы для проектирования

Дата актуализации: 10.08.2017

Серия 03.005-19

Выпуск 0-5. Деформационные швы. Материалы для проектирования

Обозначение: Серия 03.005-19
Обозначение англ: Series 03.005-19
Статус:не определен законодательством
Название рус.:Выпуск 0-5. Деформационные швы. Материалы для проектирования
Дата добавления в базу:01.09.2013
Дата актуализации:05.05.2017
Дата введения:01.11.1990
Оглавление:03.005-19.0-0-5-ПЗ Пояснительная записка
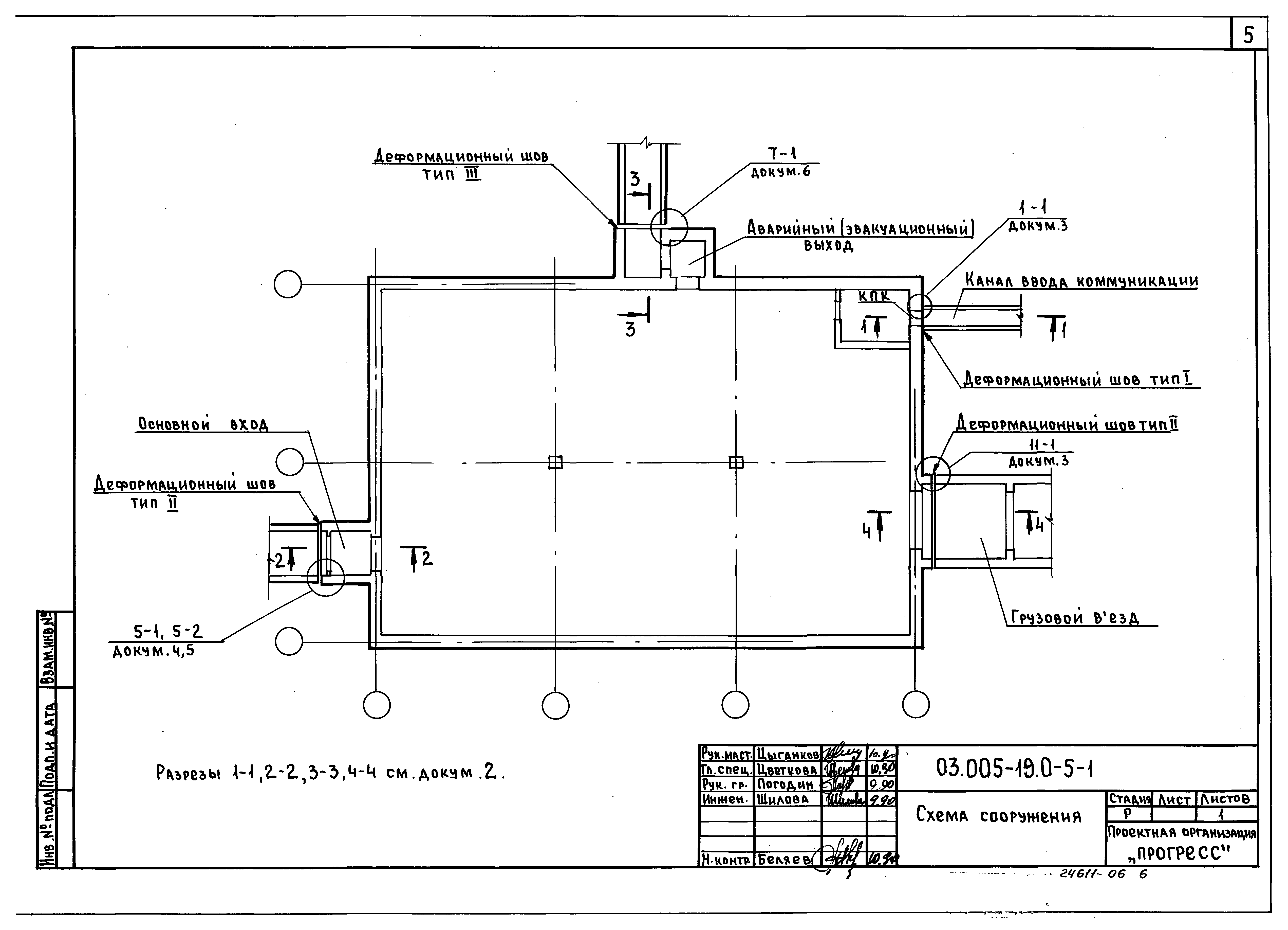
03.005-19.0-0-5-1 Схема сооружения
03.005-19.0-0-5-2 Разрез 1-1,2-2,3-3,4-4
03.005-19.0-0-5-3 Деформационный шов тип 1. Узел 1-1,2-1,3-1
03.005-19.0-0-5-4 Деформационный шов тип 2. Пример окрасочной гидроизоляции. Узел 4-1,5-1,6-1
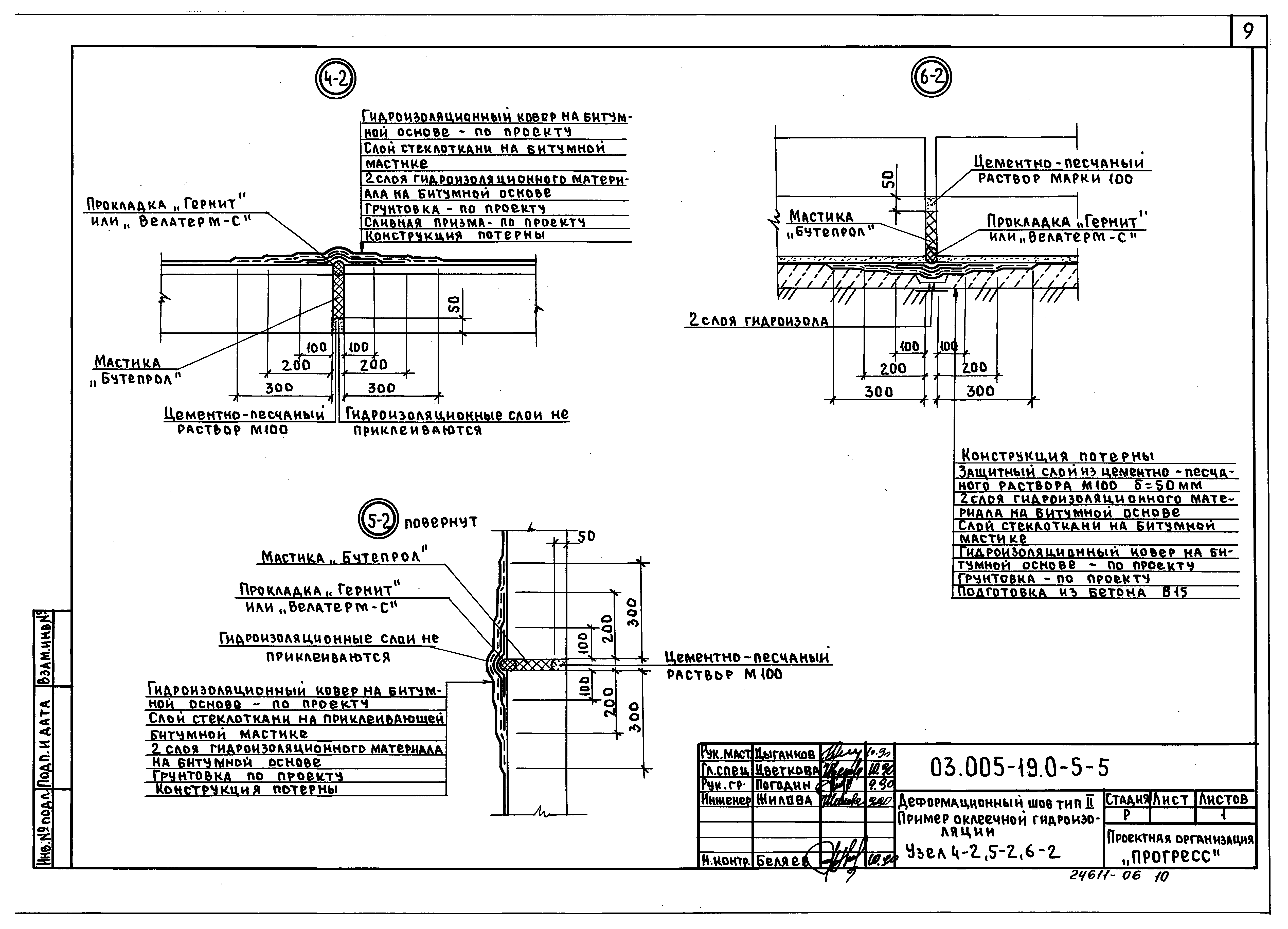
03.005-19.0-0-5-5 Деформационный шов тип 2. Пример оклеечной гидроизоляции. Узел 4-2,5-2,6-2
03.005-19.0-0-5-6 Деформационный шов тип 3. Пример оклеечной гидроизоляции. Узел 7-1,8-1,9-1
03.005-19.0-0-5-7 Деформационный шов тип 3. Рама Р1
03.005-19.0-0-5-8 Деформационный шов тип 2. Пример оклеечной гидроизоляции. Узел 10-1,11-1,12-1
Разработан: Проектная организация Прогресс Агропромстроя РСФСР
Утверждён:09.07.1990 Штаб гражданской обороны СССР (USSR Civil Defense Headquarters 235/28/2437)
Расположен в:Техническая документация Строительство Справочные документы Типовые строительные конструкции, изделия и узлы Общероссийский строительный каталог Защитные сооружения гражданской обороны Конструкции и инженерное оборудование Конструкции и изделия
Серия 03.005-19Серия 03.005-19Серия 03.005-19Серия 03.005-19Серия 03.005-19Серия 03.005-19Серия 03.005-19Серия 03.005-19Серия 03.005-19Серия 03.005-19Серия 03.005-19Серия 03.005-19Серия 03.005-19

© 2013 Ёшкин Кот :-) Карта сайта