Скачать Типовые материалы для проектирования 407-03-538.89 Альбом 1. Полные схемы и задание заводу на изготовление панелей управления, автоматики и релейной защиты подстанций, устанавливаемых внутри шкафов ШНУДата актуализации: 10.08.2017 Типовые материалы для проектирования 407-03-538.89
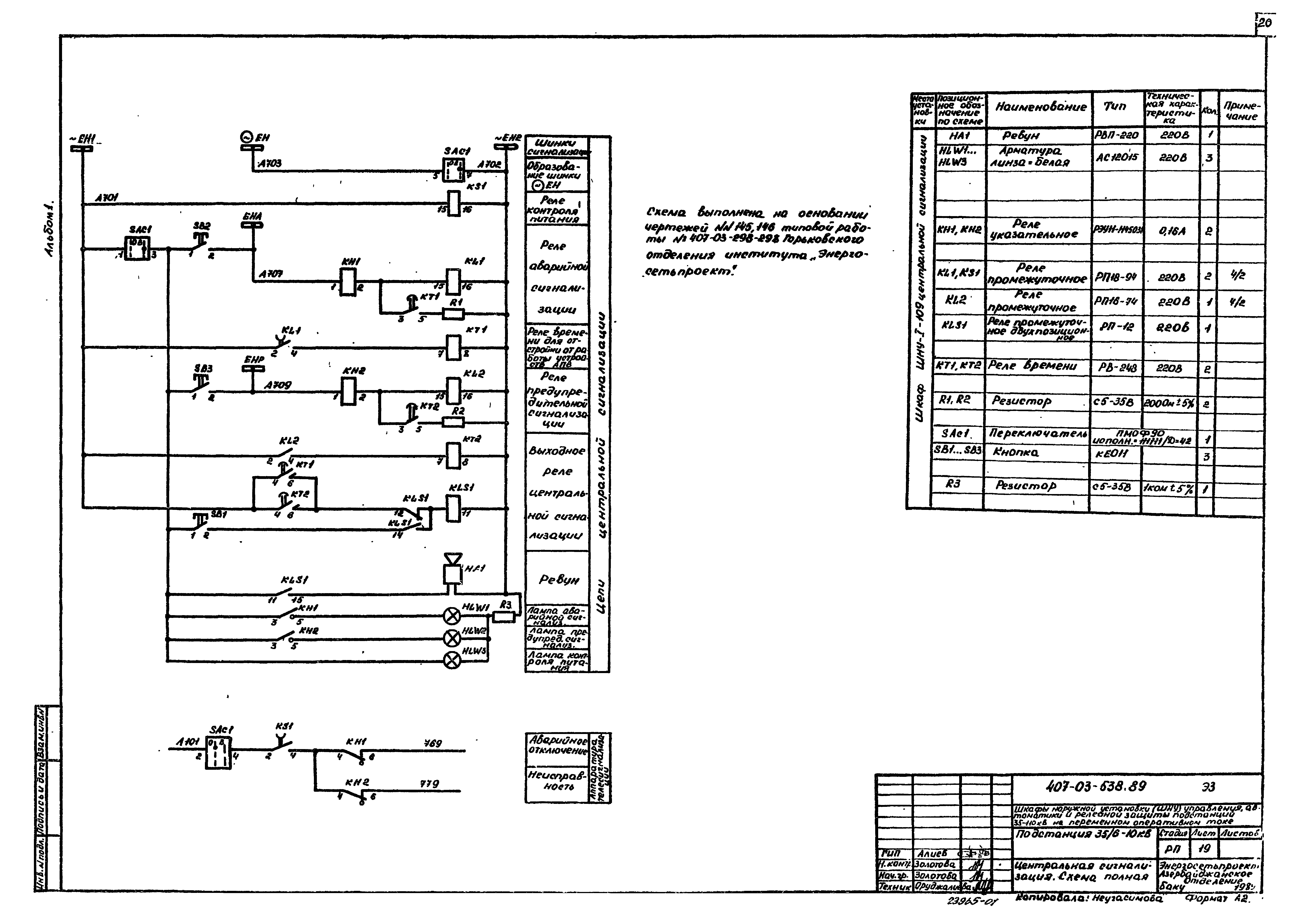
Альбом 1. Полные схемы и задание заводу на изготовление панелей управления, автоматики и релейной защиты подстанций, устанавливаемых внутри шкафов ШНУОбозначение: | Типовые материалы для проектирования 407-03-538.89 | Обозначение англ: | 407-03-538.89 | Статус: | cправочные материалы, мп, тпр | Название рус.: | Альбом 1. Полные схемы и задание заводу на изготовление панелей управления, автоматики и релейной защиты подстанций, устанавливаемых внутри шкафов ШНУ | Дата добавления в базу: | 01.09.2013 | Дата актуализации: | 05.05.2017 | Дата введения: | 29.08.1989 | Оглавление: | ТП 407-03-538.89-ЭЗ-1-2 Общие данные ТП 407-03-538.89-ЭЗ-3 Однотрансформаторная подстанция. Трансформатор 35/6-10 кВ "Т1". Цепи управления, автоматики и сигнализации ТП 407-03-538.89-ЭЗ-4 Двухтрансформаторная подстанция. Трансформатор 35/6-10 кВ. Цепи управления, автоматики и сигнализации ТП 407-03-538.89-ЭЗ-5-6 Подстанция 35/6-10 кВ. Трансформатор "Т1"("Т2"). Дифференциальная токовая защита. Схема полная ТП 407-03-538.89-ЭЗ-7 Подстанция 35/6-10 кВ. Трансформатор "Т1"("Т2"). Автоматическое и дистанционное регулирование напряжения. Схема полная ТП 407-03-538.89-ЭЗ-8 Подстанция 110/35/6-10 кВ. Линия 35 кВ. Цепи управления, автоматики, сигнализации и измерений ТП 407-03-538.89-ЭЗ-9 Подстанция 35/6-10 кВ. Линия 35 кВ. Цепи управления, автоматики, сигнализации и измерений ТП 407-03-538.89-ЭЗ-10 Подстанция 35/6-10 кВ. Линия 35 кВ с нормально отключенным выключателем. Цепи управления, автоматики (ЛПЗ и АВР) сигнализации и измерений ТП 407-03-538.89-ЭЗ-11-12 Линия 35 кВ. Цепи защиты ТП 407-03-538.89-ЭЗ-13 Проходная подстанция 35/6-10 кВ. Линия 35 кВ. Автоматика(АВР)линии 35 кВ. Схема полная ТП 407-03-538.89-ЭЗ-14-17 Подстанция 35/6-10 кВ. Секционный выключатель 35 кВ "ЦК". Цепи управления, автоматики, сигнализации, измерения и защиты ТП 407-03-538.89-ЭЗ-18 Подстанция 110/35/6-10 кВ или 35/6-10 кВ. Трансформатор напряжения 35 кВ. Схема полная ТП 407-03-538.89-ЭЗ-19 Подстанция 35/6-10 кВ. Центральная сигнализация. Схема полная ТП 407-03-538.89-ЭЗ-20-21 Подстанция 35/6-10 кВ. Схема питания оперативных цепей и цепей оперативной блокировки разъединителей ТП 407-03-538.89-ЭЗ-22-23 Автоматическая частотная разгрузка (АЧР) 6-10 кВ. Схема полная ТП 407-03-538.89-ЭЗ-24 Противоаварийная автоматика, отключение нагрузки с АФПП. Схема полная ТП 407-03-538.89-ЭЗ-25-26 Противоаварийная автоматика, отключение нагрузки при снижении напряжения. Схема полная ТП 407-03-538.89-ЭЗ-27 Противоаварийная автоматика, отключение нагрузки при снижении напряжения. Выходные цепи автоматики линий 35-10-6 кВ ТП 407-03-538.89-ЭЗ-28 Шкаф ШНУ-1-101. Дифференциальная токовая защита и автоматика. Чертеж общего вида панели и перечень аппаратуры ТП 407-03-538.89-ЭЗ-29 Шкаф ШНУ-1-101. Дифференциальная токовая защита и автоматика. Схема электрическая принципиальная полная ТП 407-03-538.89-ЭЗ-30 Шкаф ШНУ-1-101. Дифференциальная токовая защита и автоматика. Схема электрическая соединений рядов зажимов ТП 407-03-538.89-ЭЗ-31 Шкаф ШНУ-1-102. Автоматическое и дистанционное регулирование напряжения. Чертеж общего вида панели и перечень аппаратуры ТП 407-03-538.89-ЭЗ-32 Шкаф ШНУ-1-102. Автоматическое и дистанционное регулирование напряжения. Схема электрическая принципиальная полная ТП 407-03-538.89-ЭЗ-33 Шкаф ШНУ-1-102. Автоматическое и дистанционное регулирование напряжения. Схема электрическая соединений рядов зажимов ТП 407-03-538.89-ЭЗ-34 Шкаф ШНУ-1-103. Максимальная токовая защита и автоматика линии 35 кВ. Чертеж общего вила панели и перечень аппаратуры ТП 407-03-538.89-ЭЗ-35 Шкаф ШНУ-1-103. Максимальная токовая защита и автоматика линии 35 кВ. Схема электрическая принципиальная полная ТП 407-03-538.89-ЭЗ-36 Шкаф ШНУ-1-103. Максимальная токовая защита и автоматика линии 35 кВ. Схема электрическая соединений рядов зажимов ТП 407-03-538.89-ЭЗ-37 Шкаф ШНУ-1-104. Двухступенчатая максимально-токовая направленная защита и автоматика линии 35 кВ. Чертеж общего вида панели и перечень аппаратуры ТП 407-03-538.89-ЭЗ-38 Шкаф ШНУ-1-104. Двухступенчатая максимально-токовая направленная защита и автоматика линии 35 кВ. Схема электрическая принципиальная полная ТП 407-03-538.89-ЭЗ-39 Шкаф ШНУ-1-104. Двухступенчатая максимально-токовая направленная защита и автоматика линии 35 кВ. Схема электрическая соединений рядов зажимов ТП 407-03-538.89-ЭЗ-40 Шкаф ШНУ-1-105. Автоматика (АВР) линии 35 кВ. Чертеж общего вида панели и перечень аппаратуры ТП 407-03-538.89-ЭЗ-41 Шкаф ШНУ-1-105. Автоматика (АВР) линии 35 кВ. Схема электрическая принципиальная полная ТП 407-03-538.89-ЭЗ-42 Шкаф ШНУ-1-105. Автоматика (АВР) линии 35 кВ. Схема электрическая соединений рядов зажимов ТП 407-03-538.89-ЭЗ-43 Шкаф ШНУ-1-106. Секционный выключатель 35 кВ. Чертеж общего вида панели и перечень аппаратуры ТП 407-03-538.89-ЭЗ-44 Шкаф ШНУ-1-106. Секционный выключатель 35 кВ. Схема электрическая принципиальная полная ТП 407-03-538.89-ЭЗ-45 Шкаф ШНУ-1-106. Секционный выключатель 35 кВ. Схема электрическая соединений рядов зажимов ТП 407-03-538.89-ЭЗ-46 Шкаф ШНУ-1-107. Автоматическое включение резерва 35 кВ. Чертеж общего вида панели и перечень аппаратуры ТП 407-03-538.89-ЭЗ-47 Шкаф ШНУ-1-107. Автоматическое включение резерва 35 кВ. Схема электрическая принципиальная полная ТП 407-03-538.89-ЭЗ-48 Шкаф ШНУ-1-107. Автоматическое включение резерва 35 кВ. Схема электрическая соединений рядов зажимов ТП 407-03-538.89-ЭЗ-49 Шкаф ШНУ-1-108. Трансформатор напряжения 35 кВ. Чертеж общего вида панели и перечень аппаратуры ТП 407-03-538.89-ЭЗ-50 Шкаф ШНУ-1-108. Трансформатор напряжения 35 кВ. Схема электрическая принципиальная полная ТП 407-03-538.89-ЭЗ-51 Шкаф ШНУ-1-108. Трансформатор напряжения 35 кВ. Схема электрическая соединений рядов зажимов ТП 407-03-538.89-ЭЗ-52 Шкаф ШНУ-1-109. Центральная сигнализация. Чертеж общего вида панели и перечень аппаратуры ТП 407-03-538.89-ЭЗ-53 Шкаф ШНУ-1-109. Центральная сигнализация. Схемы электрические принципиальная полная и соединений рядов зажимов ТП 407-03-538.89-ЭЗ-54 Шкаф ШНУ-1-110. Питание оперативных цепей и цепей ОБР. Чертеж общего вида панели и перечень аппаратуры ТП 407-03-538.89-ЭЗ-55 Шкаф ШНУ-1-110. Питание оперативных цепей и цепей ОБР. Схема электрическая принципиальная полная ТП 407-03-538.89-ЭЗ-56 Шкаф ШНУ-1-110. Питание оперативных цепей и цепей ОБР. Схема электрическая соединений рядов зажимов ТП 407-03-538.89-ЭЗ-57 Шкаф ШНУ-1-111. Автоматическая частотная разгрузка 6-10 кВ. Чертеж общего вида панели и перечень аппаратуры ТП 407-03-538.89-ЭЗ-58 Шкаф ШНУ-1-111. Автоматическая частотная разгрузка 6-10 кВ. Схема электрическая принципиальная полная ТП 407-03-538.89-ЭЗ-59 Шкаф ШНУ-1-111. Автоматическая частотная разгрузка 6-10 кВ. Схема электрическая соединений рядов зажимов ТП 407-03-538.89-ЭЗ-60 Шкаф ШНУ-1-112. Отключение нагрузки с АФПП. Чертеж общего вида панели и перечень аппаратуры ТП 407-03-538.89-ЭЗ-61 Шкаф ШНУ-1-112. Отключение нагрузки с АФПП. Схема электрическая принципиальная полная ТП 407-03-538.89-ЭЗ-62 Шкаф ШНУ-1-112. Отключение нагрузки с АФПП. Схема электрическая соединений рядов зажимов ТП 407-03-538.89-ЭЗ-63 Полная схема электроотопления и электроосвещения и схема электрическая соединений рядов зажимов ТП 407-03-538.89-ЭЗ-64 Шкаф ШНУ-1-113. Автоматика отопления. Чертеж общего вида панели и перечень аппаратуры ТП 407-03-538.89-ЭЗ-65 Шкаф ШНУ-1-113. Автоматика отопления. Схема электрическая принципиальная полная ТП 407-03-538.89-ЭЗ-66 Шкаф ШНУ-1-114. Счетчики линий 35 кВ (трансформаторов). Чертеж общего вида панели и перечень аппаратуры ТП 407-03-538.89-ЭЗ-67 Шкаф ШНУ-1-114. Счетчики линий 35 кВ (трансформаторов). Схемы электрические принципиальная полная и соединений рядов зажимов ТП 407-03-538.89-ЭЗ-68 Шкаф ШНУ-1-115. Питание оперативных цепей (стабилизированных). Чертеж общего вида панели и перечень аппаратуры ТП 407-03-538.89-ЭЗ-69 Шкаф ШНУ-1-115. Питание оперативных цепей (стабилизированных). Схемы электрические принципиальная полная и соединений рядов зажимов ТП 407-03-538.89-ЭЗ-70 Шкаф ШНУ-1-116. Отключение нагрузки при снижении напряжения. Чертеж общего вида панели и перечень аппаратуры ТП 407-03-538.89-ЭЗ-71 Шкаф ШНУ-1-116. Отключение нагрузки при снижении напряжения. Схема электрическая принципиальная полная ТП 407-03-538.89-ЭЗ-72 Шкаф ШНУ-1-116. Отключение нагрузки при снижении напряжения. Схема электрическая соединений рядов зажимов ТП 407-03-538.89-ЭЗ-73 Общий вид шкафа ШНУ | Разработан: | Энергосетьпроект Минэнерго СССР
| Утверждён: | 29.08.1989 Минэнерго СССР (USSR Minenergo 30)
| Расположен в: |
|
                                                                         
|