Скачать Типовой проект 904-1-67.88 Альбом 10. Сметы для 4 компрессоровДата актуализации: 10.08.2017 Типовой проект 904-1-67.88
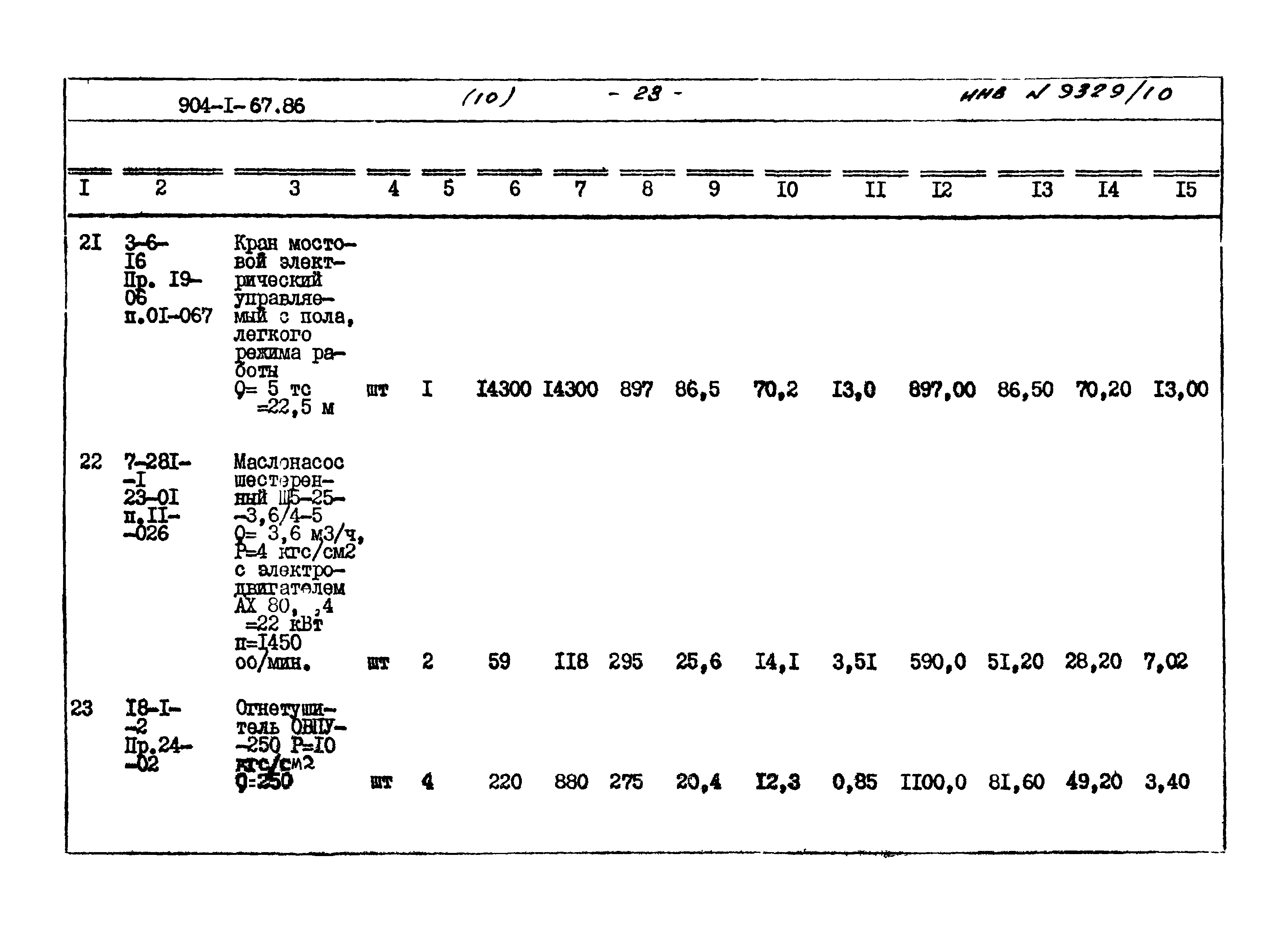
Альбом 10. Сметы для 4 компрессоровОбозначение: | Типовой проект 904-1-67.88 | Обозначение англ: | 904-1-67.88 | Статус: | действует | Название рус.: | Альбом 10. Сметы для 4 компрессоров | Дата добавления в базу: | 01.09.2013 | Дата актуализации: | 05.05.2017 | Дата введения: | 30.08.1986 | Оглавление: | ТП 904-1-67.86 Пояснительная записка ТП 904-1-67.86 Объектная смета ТП 904-1-67.86 Смета № 1-ТХ. Приобретение и монтаж технологического оборудования ТП 904-1-67.86 Смета № 2-ТХ. Нестандартизированное оборудование ТП 904-1-67.86 Смета № 3-ТХ. Технологические трубопровода ТП 904-1-67.86 Смета № 4-ТХ. Теплоизоляция ТП 904-1-67.86 Сметный расчет № 5-ТХ. Приобретение приспособлений и производственного инвентаря ТП 904-1-67.86 Ведомость потребности в материалах ТП 904-1-67.86 Смета № 1-ЭС. Электрооборудование и монтаж 1КТП-1х630 квА, левого исполнения ТП 904-1-67.86 Смета № 2-ЭС. Электрооборудование и монтаж 2КТП-1х630 квА, правого исполнения ТП 904-1-67.86 Смета № 3-ЭС. Электрооборудование распредустройства, вариант 6 кВ ТП 904-1-67.86 Смета № 3-ЭС. Электрооборудование распредустройства, вариант 10 кВ ТП 904-1-67.86 Смета № 1-ЭМ. Приобретение и монтаж силового электрооборудования, вариант 6 кВ ТП 904-1-67.86 Смета № 1-ЭМ. Приобретение и монтаж силового электрооборудования, вариант 10 кВ ТП 904-1-67.86 Ведомость потребности в материалах ТП 904-1-67.86 Смета № 1-ЭО. Монтаж электроосвещения ТП 904-1-67.86 Ведомость потребности в материалах ТП 904-1-67.86 Смета № 1-СС. Приобретение и монтаж сетей связи и сигнализации ТП 904-1-67.86 Ведомость потребности в материалах ТП 904-1-67.86 Смета № 2-СС. Приобретение и монтаж вызывной сигнализации ТП 904-1-67.86 Ведомость потребности в материалах ТП 904-1-67.86 Смета № 1-А. Приобретение оборудования и монтаж контрольно-измерительных приборов ТП 904-1-67.86 Ведомость потребности в материалах ТП 904-1-67.86 Ведомость потребности в производственных ресурсах | Разработан: | Гипростройдормаш
| Утверждён: | 28.03.1986 Минстройдормаш (Minstroydormash 13/86)
| Издан: | ЦИТП Госстроя СССР (CITP, Gosstroy (USSR) 1987 г. )
| Расположен в: |
|
                                                                                                                                                                                                                                                                                  
|