Информационная система
«Ёшкин Кот»

Скачать базу одним архивом
Скачать обновления
История создания базы
Карта сайта

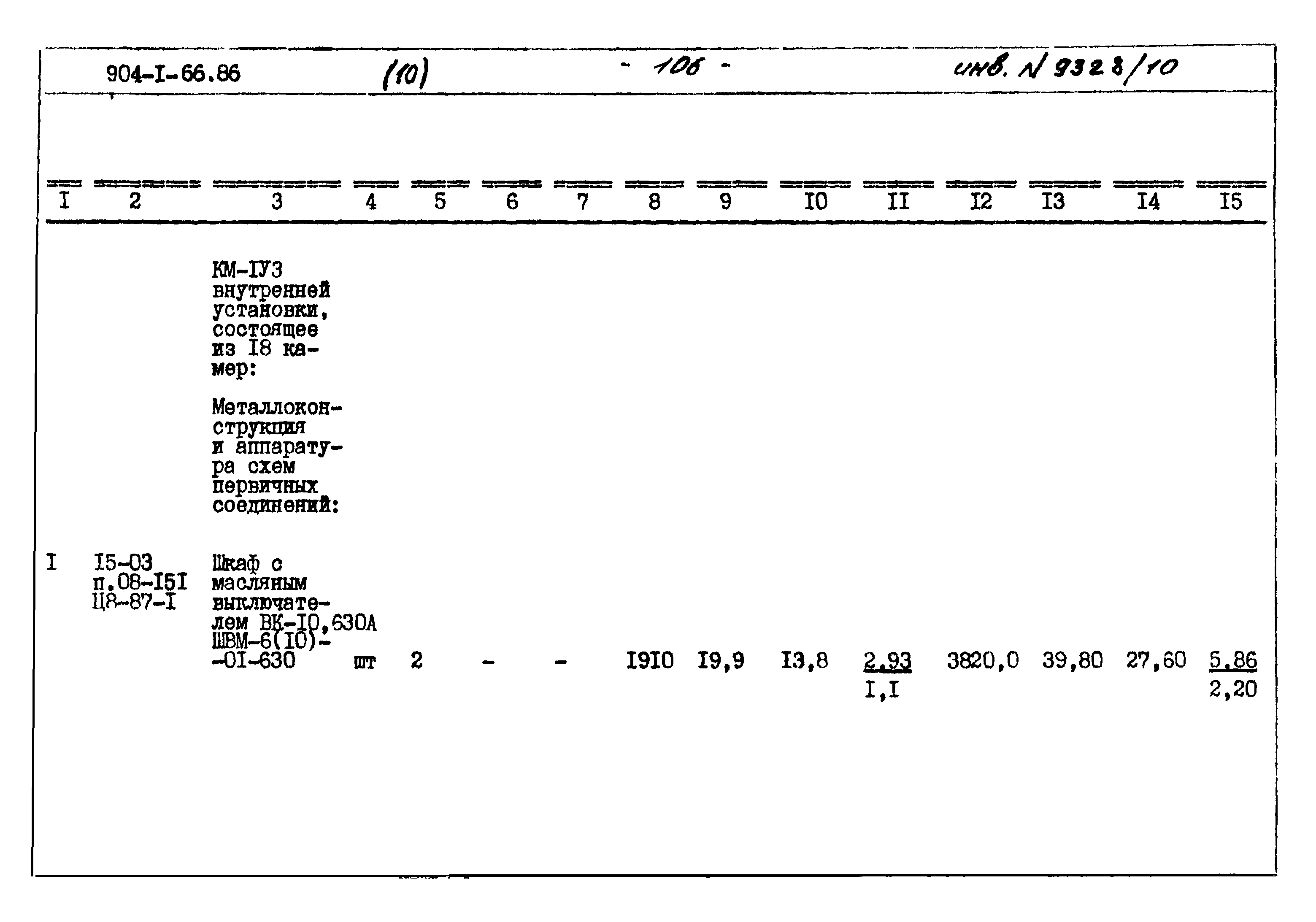
Скачать Типовой проект 904-1-66.86 Альбом 10. Сметы для 6 компрессоров

Дата актуализации: 10.08.2017

Типовой проект 904-1-66.86

Альбом 10. Сметы для 6 компрессоров

Обозначение: Типовой проект 904-1-66.86
Обозначение англ: 904-1-66.86
Статус:действует
Название рус.:Альбом 10. Сметы для 6 компрессоров
Дата добавления в базу:01.09.2013
Дата актуализации:05.05.2017
Дата введения:30.08.1986
Оглавление:ТП 904-1-66.86 Пояснительная записка
ТП 904-1-66.86 Объектная смета
ТП 904-1-66.86 Локальная смета № 1-ТХ. Приобретение и монтаж технологического оборудования
ТП 904-1-66.86 Локальная смета № 2-ТХ. Нестандартизированное оборудование
ТП 904-1-66.86 Локальная смета № 3-ТХ. Технологические трубопроводы
ТП 904-1-66.86 Локальная смета № 4-ТХ. Теплоизоляция
ТП 904-1-66.86 Сметный расчет № 5-ТХ. Приобретение приспособлений и производственного инвентаря
ТП 904-1-66.86-ТХ.ВМ1 Ведомость потребности в материалах
ТП 904-1-66.86 Локальная смета № 1-ЭС. Электрооборудование и монтаж 1КТП-1х630кВА, левого исполнения
ТП 904-1-66.86 Локальная смета № 2-ЭС. Электрооборудование и монтаж 2КТП-1х630кВА, правого исполнения
ТП 904-1-66.86 Локальная смета № 3-ЭС. Электрооборудование распредустройства вариант 6 кВ
ТП 904-1-66.86 Локальная смета № 3-ЭС. Электрооборудование вариант 10 кВ
ТП 904-1-66.86 Локальная смета № 1-ЭМ. Приобретение и монтаж силового электрооборудования, вариант 6 кВ
ТП 904-1-66.86 Локальная смета № 1-ЭМ. Приобретение и монтаж силового электрооборудования, вариант 10 кВ
ТП 904-1-66.86-ЭО.ВМ Ведомость потребности в материалах
ТП 904-1-66.86 Локальная смета № 1-ЭО. Монтаж электроосвещения
ТП 904-1-66.86-ЭМ.ВМ Ведомость потребности в материалах
ТП 904-1-66.86 Локальная смета № 1-СС. Приобретение и монтаж сетей связи и сигнализации
ТП 904-1-66.86-СС1.ВМ Ведомость потребности в материалах
ТП 904-1-66.86 Локальная смета № 2-СС. Приобретение и монтаж вызывное сигнализации
ТП 904-1-66.86-СС2.ВМ Ведомость потребности в материалах
ТП 904-1-66.86 Локальная смета № А-1. Приобретение оборудования и монтаж контрольно-измерительных приборов
ТП 904-1-66.86-АТХ.00.ВМ Ведомость потребности в материалах
ТП 904-1-66.86 Ведомость потребности в производственных ресурсах
Разработан: Гипростройдормаш
Утверждён:30.03.1986 Минстройдормаш (Minstroydormash 16/86)
Издан: ЦИТП Госстроя СССР (CITP, Gosstroy (USSR) 1987 г. )
Расположен в:Техническая документация Строительство Справочные документы Типовые строительные конструкции, изделия и узлы Общероссийский строительный каталог Промышленные предприятия, здания и сооружения Здания и сооружения санитарно-технические Воздухоснабжение, вентиляция и кондиционирование воздуха Воздухоснабжение
Типовой проект 904-1-66.86Типовой проект 904-1-66.86Типовой проект 904-1-66.86Типовой проект 904-1-66.86Типовой проект 904-1-66.86Типовой проект 904-1-66.86Типовой проект 904-1-66.86Типовой проект 904-1-66.86Типовой проект 904-1-66.86Типовой проект 904-1-66.86Типовой проект 904-1-66.86Типовой проект 904-1-66.86Типовой проект 904-1-66.86Типовой проект 904-1-66.86Типовой проект 904-1-66.86Типовой проект 904-1-66.86Типовой проект 904-1-66.86Типовой проект 904-1-66.86Типовой проект 904-1-66.86Типовой проект 904-1-66.86Типовой проект 904-1-66.86Типовой проект 904-1-66.86Типовой проект 904-1-66.86Типовой проект 904-1-66.86Типовой проект 904-1-66.86Типовой проект 904-1-66.86Типовой проект 904-1-66.86Типовой проект 904-1-66.86Типовой проект 904-1-66.86Типовой проект 904-1-66.86Типовой проект 904-1-66.86Типовой проект 904-1-66.86Типовой проект 904-1-66.86Типовой проект 904-1-66.86Типовой проект 904-1-66.86Типовой проект 904-1-66.86Типовой проект 904-1-66.86Типовой проект 904-1-66.86Типовой проект 904-1-66.86Типовой проект 904-1-66.86Типовой проект 904-1-66.86Типовой проект 904-1-66.86Типовой проект 904-1-66.86Типовой проект 904-1-66.86Типовой проект 904-1-66.86Типовой проект 904-1-66.86Типовой проект 904-1-66.86Типовой проект 904-1-66.86Типовой проект 904-1-66.86Типовой проект 904-1-66.86Типовой проект 904-1-66.86Типовой проект 904-1-66.86Типовой проект 904-1-66.86Типовой проект 904-1-66.86Типовой проект 904-1-66.86Типовой проект 904-1-66.86Типовой проект 904-1-66.86Типовой проект 904-1-66.86Типовой проект 904-1-66.86Типовой проект 904-1-66.86Типовой проект 904-1-66.86Типовой проект 904-1-66.86Типовой проект 904-1-66.86Типовой проект 904-1-66.86Типовой проект 904-1-66.86Типовой проект 904-1-66.86Типовой проект 904-1-66.86Типовой проект 904-1-66.86Типовой проект 904-1-66.86Типовой проект 904-1-66.86Типовой проект 904-1-66.86Типовой проект 904-1-66.86Типовой проект 904-1-66.86Типовой проект 904-1-66.86Типовой проект 904-1-66.86Типовой проект 904-1-66.86Типовой проект 904-1-66.86Типовой проект 904-1-66.86Типовой проект 904-1-66.86Типовой проект 904-1-66.86Типовой проект 904-1-66.86Типовой проект 904-1-66.86Типовой проект 904-1-66.86Типовой проект 904-1-66.86Типовой проект 904-1-66.86Типовой проект 904-1-66.86Типовой проект 904-1-66.86Типовой проект 904-1-66.86Типовой проект 904-1-66.86Типовой проект 904-1-66.86Типовой проект 904-1-66.86Типовой проект 904-1-66.86Типовой проект 904-1-66.86Типовой проект 904-1-66.86Типовой проект 904-1-66.86Типовой проект 904-1-66.86Типовой проект 904-1-66.86Типовой проект 904-1-66.86Типовой проект 904-1-66.86Типовой проект 904-1-66.86Типовой проект 904-1-66.86Типовой проект 904-1-66.86Типовой проект 904-1-66.86Типовой проект 904-1-66.86Типовой проект 904-1-66.86Типовой проект 904-1-66.86Типовой проект 904-1-66.86Типовой проект 904-1-66.86Типовой проект 904-1-66.86Типовой проект 904-1-66.86Типовой проект 904-1-66.86Типовой проект 904-1-66.86Типовой проект 904-1-66.86Типовой проект 904-1-66.86Типовой проект 904-1-66.86Типовой проект 904-1-66.86Типовой проект 904-1-66.86Типовой проект 904-1-66.86Типовой проект 904-1-66.86Типовой проект 904-1-66.86Типовой проект 904-1-66.86Типовой проект 904-1-66.86Типовой проект 904-1-66.86Типовой проект 904-1-66.86Типовой проект 904-1-66.86Типовой проект 904-1-66.86Типовой проект 904-1-66.86Типовой проект 904-1-66.86Типовой проект 904-1-66.86Типовой проект 904-1-66.86Типовой проект 904-1-66.86Типовой проект 904-1-66.86Типовой проект 904-1-66.86Типовой проект 904-1-66.86Типовой проект 904-1-66.86Типовой проект 904-1-66.86Типовой проект 904-1-66.86Типовой проект 904-1-66.86Типовой проект 904-1-66.86Типовой проект 904-1-66.86Типовой проект 904-1-66.86Типовой проект 904-1-66.86Типовой проект 904-1-66.86Типовой проект 904-1-66.86Типовой проект 904-1-66.86Типовой проект 904-1-66.86Типовой проект 904-1-66.86Типовой проект 904-1-66.86Типовой проект 904-1-66.86Типовой проект 904-1-66.86Типовой проект 904-1-66.86Типовой проект 904-1-66.86Типовой проект 904-1-66.86Типовой проект 904-1-66.86Типовой проект 904-1-66.86Типовой проект 904-1-66.86Типовой проект 904-1-66.86Типовой проект 904-1-66.86Типовой проект 904-1-66.86Типовой проект 904-1-66.86Типовой проект 904-1-66.86Типовой проект 904-1-66.86Типовой проект 904-1-66.86Типовой проект 904-1-66.86Типовой проект 904-1-66.86Типовой проект 904-1-66.86Типовой проект 904-1-66.86Типовой проект 904-1-66.86Типовой проект 904-1-66.86Типовой проект 904-1-66.86Типовой проект 904-1-66.86Типовой проект 904-1-66.86Типовой проект 904-1-66.86Типовой проект 904-1-66.86Типовой проект 904-1-66.86Типовой проект 904-1-66.86Типовой проект 904-1-66.86Типовой проект 904-1-66.86Типовой проект 904-1-66.86Типовой проект 904-1-66.86Типовой проект 904-1-66.86Типовой проект 904-1-66.86Типовой проект 904-1-66.86Типовой проект 904-1-66.86Типовой проект 904-1-66.86Типовой проект 904-1-66.86Типовой проект 904-1-66.86Типовой проект 904-1-66.86Типовой проект 904-1-66.86Типовой проект 904-1-66.86Типовой проект 904-1-66.86Типовой проект 904-1-66.86Типовой проект 904-1-66.86Типовой проект 904-1-66.86Типовой проект 904-1-66.86Типовой проект 904-1-66.86Типовой проект 904-1-66.86Типовой проект 904-1-66.86Типовой проект 904-1-66.86Типовой проект 904-1-66.86Типовой проект 904-1-66.86Типовой проект 904-1-66.86Типовой проект 904-1-66.86Типовой проект 904-1-66.86Типовой проект 904-1-66.86Типовой проект 904-1-66.86Типовой проект 904-1-66.86Типовой проект 904-1-66.86Типовой проект 904-1-66.86Типовой проект 904-1-66.86Типовой проект 904-1-66.86Типовой проект 904-1-66.86Типовой проект 904-1-66.86Типовой проект 904-1-66.86Типовой проект 904-1-66.86Типовой проект 904-1-66.86Типовой проект 904-1-66.86Типовой проект 904-1-66.86Типовой проект 904-1-66.86Типовой проект 904-1-66.86Типовой проект 904-1-66.86Типовой проект 904-1-66.86Типовой проект 904-1-66.86Типовой проект 904-1-66.86Типовой проект 904-1-66.86Типовой проект 904-1-66.86Типовой проект 904-1-66.86Типовой проект 904-1-66.86Типовой проект 904-1-66.86Типовой проект 904-1-66.86Типовой проект 904-1-66.86Типовой проект 904-1-66.86Типовой проект 904-1-66.86Типовой проект 904-1-66.86Типовой проект 904-1-66.86Типовой проект 904-1-66.86Типовой проект 904-1-66.86Типовой проект 904-1-66.86Типовой проект 904-1-66.86Типовой проект 904-1-66.86Типовой проект 904-1-66.86Типовой проект 904-1-66.86Типовой проект 904-1-66.86Типовой проект 904-1-66.86Типовой проект 904-1-66.86Типовой проект 904-1-66.86Типовой проект 904-1-66.86Типовой проект 904-1-66.86Типовой проект 904-1-66.86Типовой проект 904-1-66.86Типовой проект 904-1-66.86Типовой проект 904-1-66.86Типовой проект 904-1-66.86Типовой проект 904-1-66.86Типовой проект 904-1-66.86Типовой проект 904-1-66.86Типовой проект 904-1-66.86Типовой проект 904-1-66.86Типовой проект 904-1-66.86Типовой проект 904-1-66.86Типовой проект 904-1-66.86Типовой проект 904-1-66.86Типовой проект 904-1-66.86Типовой проект 904-1-66.86Типовой проект 904-1-66.86Типовой проект 904-1-66.86Типовой проект 904-1-66.86Типовой проект 904-1-66.86Типовой проект 904-1-66.86

© 2013 Ёшкин Кот :-) Карта сайта