Скачать Типовой проект 904-1-66.86 Альбом 2. Силовое электрооборудование, электрическое освещение, связь и сигнализацияДата актуализации: 10.08.2017 Типовой проект 904-1-66.86
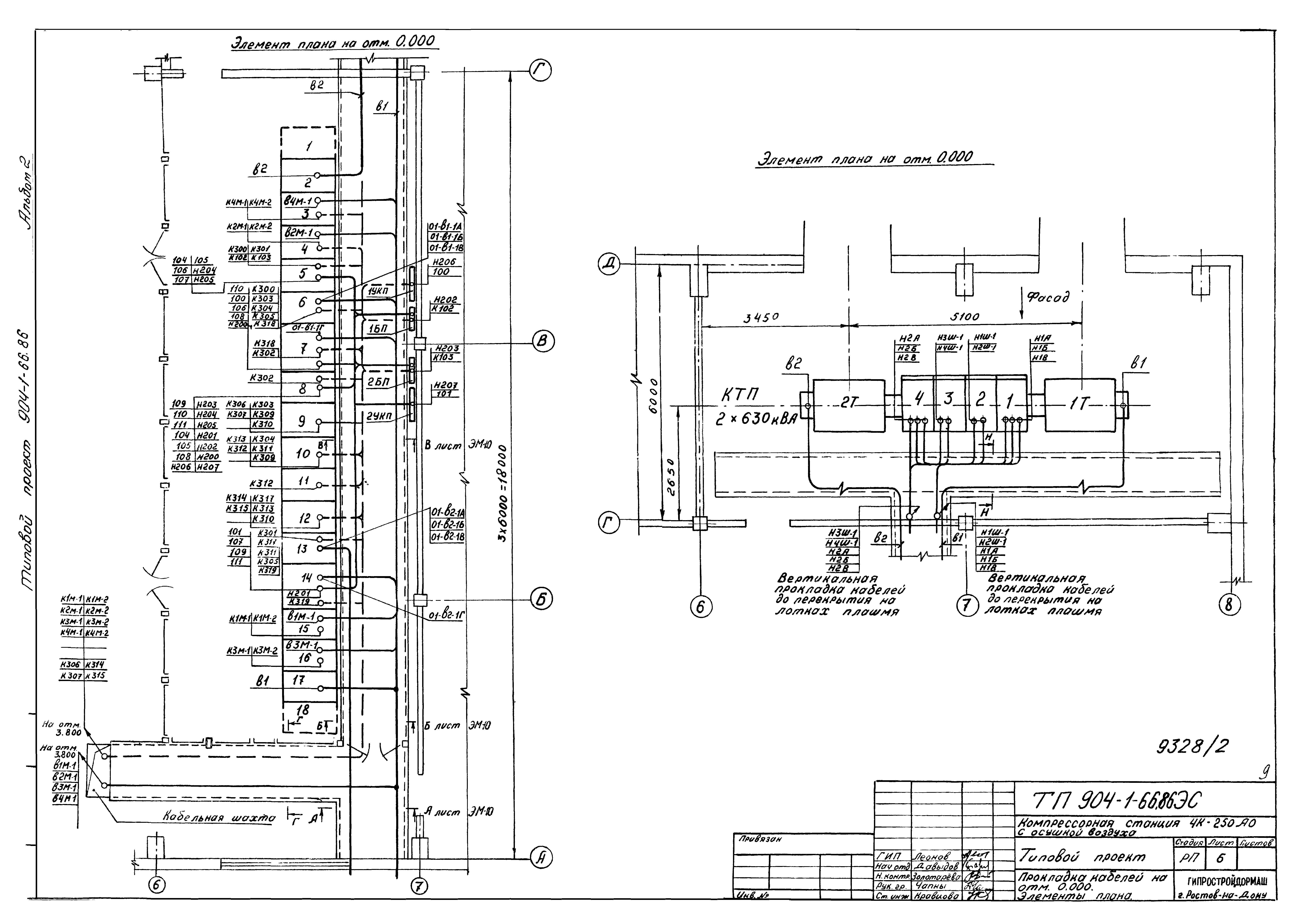
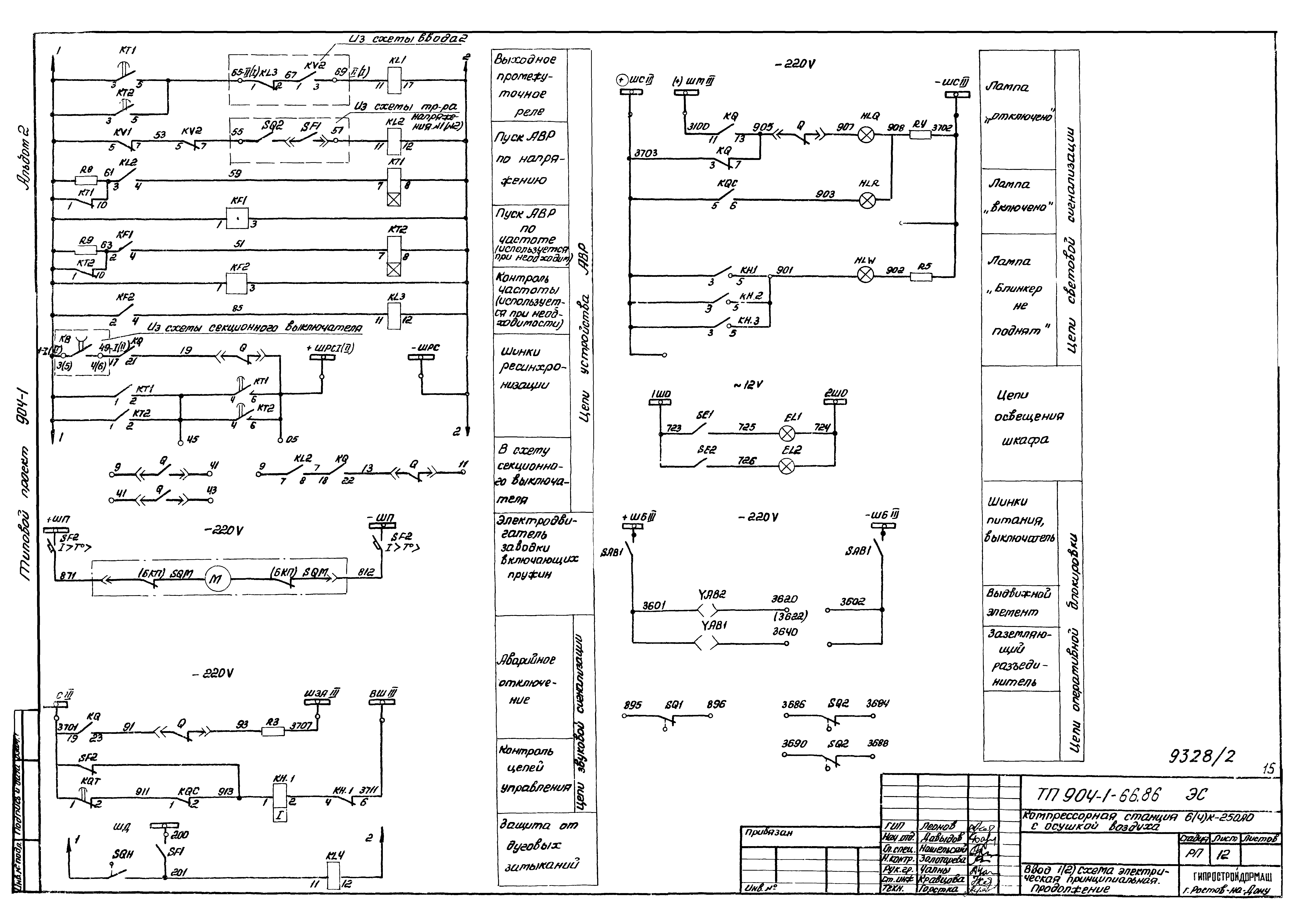
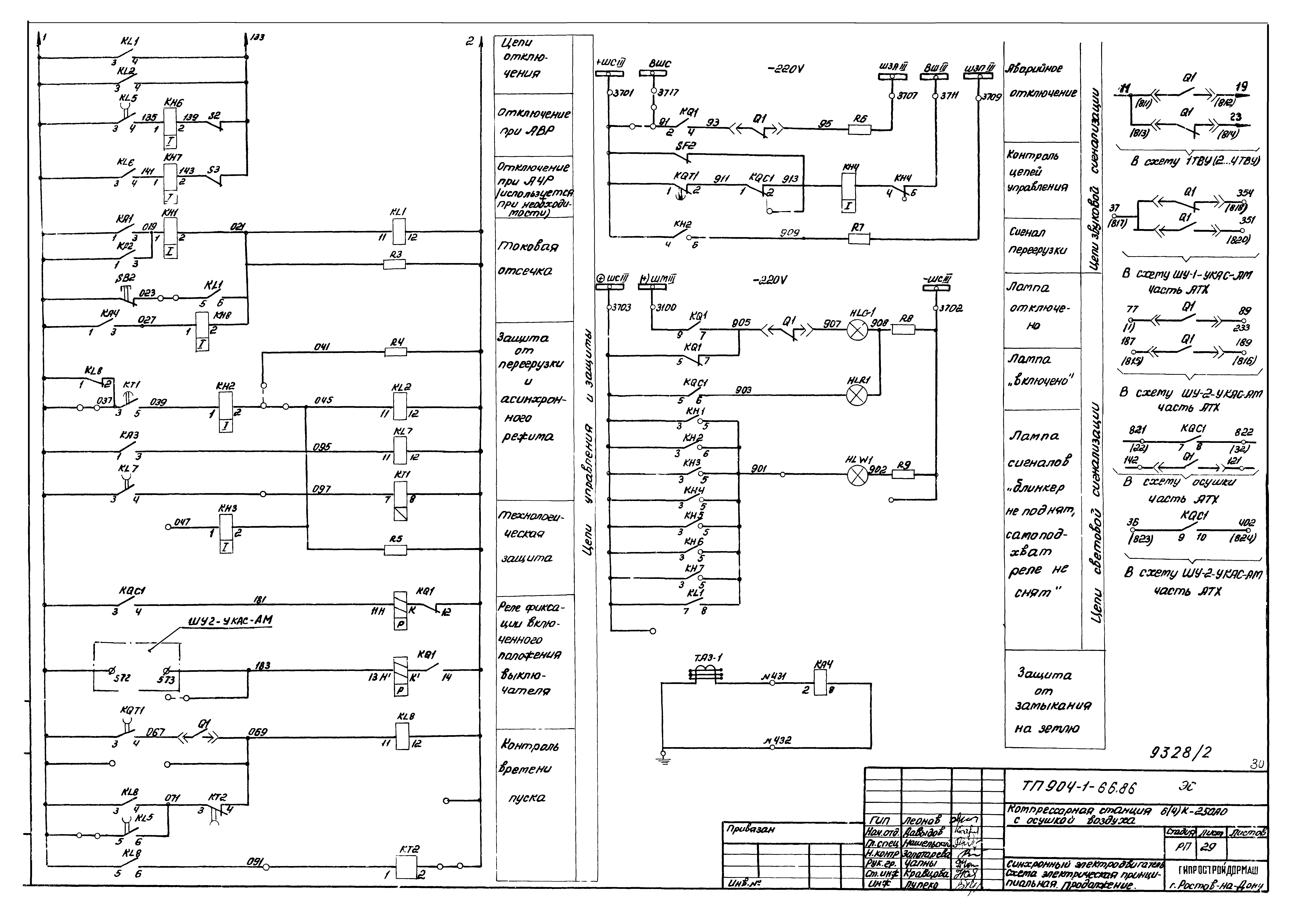
Альбом 2. Силовое электрооборудование, электрическое освещение, связь и сигнализацияОбозначение: | Типовой проект 904-1-66.86 | Обозначение англ: | 904-1-66.86 | Статус: | действует | Название рус.: | Альбом 2. Силовое электрооборудование, электрическое освещение, связь и сигнализация | Дата добавления в базу: | 01.09.2013 | Дата актуализации: | 05.05.2017 | Дата введения: | 30.08.1986 | Оглавление: | ТП 904-1-66.86 Титульный лист ТП 904-1-66.86 Содержание альбома ТП 904-1-66.86-ЭС-1-2 Общие данные ТП 904-1-66.86-ЭС-3 Размещение электрооборудования, элементы планов на отм. 0.000 и 3.800 ТП 904-1-66.86-ЭС-4 Размещение электрооборудования, элементы планов на отм. 0.000 и 3.800 ТП 904-1-66.86-ЭС-5 Прокладка кабеля на отм. 0.000. Элементы плана ТП 904-1-66.86-ЭС-6 Прокладка кабелей на отм. 0.000. Элементы плана ТП 904-1-66.86-ЭС-7-8 Распредустройство 6(10) кВ. Принципиальная однолинейная схема ТП 904-1-66.86-ЭС-9-10 Распредустройство 6(10) кВ. Принципиальная однолинейная схема ТП 904-1-66.86-ЭС-11-13 Ввод №1(2). Схема электрическая принципиальная ТП 904-1-66.86-ЭС-14-15 Секционный выключатель. Схема электрическая принципиальная ТП 904-1-66.86-ЭС-16-17 Трансформатор напряжения №1(2). Схема электрическая принципиальная ТП 904-1-66.86-ЭС-18-20 Трансформатор собственных нужд №1(2). Схема электрическая принципиальная ТП 904-1-66.86-ЭС-21 Секционный разъединитель. Схема электрическая принципиальная ТП 904-1-66.86-ЭС-22-24 Шкаф с низковольтной аппаратурой собственных нужд 1. Схема электрическая принципиальная ТП 904-1-66.86-ЭС-25-27 Шкаф с низковольтной аппаратурой собственных нужд 2. Схема электрическая принципиальная ТП 904-1-66.86-ЭС-28-30 Синхронный электродвигатель. Схема электрическая принципиальная ТП 904-1-66.86-ЭС-31 Цепи оперативной блокировки ТП 904-1-66.86-ЭС-32 Расчет релейных защит ТП 904-1-66.86-ЭС-33 Ввод №1(2). Схема подключения ТП 904-1-66.86-ЭС-34 Трансформатор напряжения №1(2). Схема подключения ТП 904-1-66.86-ЭС-35 Секционный выключатель. Схема подключения ТП 904-1-66.86-ЭС-36 Секционный разъединитель. Схема подключения ТП 904-1-66.86-ЭС-37 Синхронный электродвигатель. Схема подключения ТП 904-1-66.86-ЭС-38 Трансформатор собственных нужд №1(2). Схема подключения ТП 904-1-66.86-ЭС-39 Шкаф с низковольтной аппаратурой собственных нужд 1. Схема подключения ТП 904-1-66.86-ЭС-40 Шкаф с низковольтной аппаратурой собственных нужд 2. Схема подключения ТП 904-1-66.86-ЭС-41-42 Опросный лист для заказа камер серии КМ-1 ТП 904-1-66.86-ЭМ Силовое электрооборудование ТП 904-1-66.86-ЭМ-1-3 Общие данные ТП 904-1-66.86-ЭМ-4-5 Технические данные электроприемников ТП 904-1-66.86-ЭМ-6 Прокладка кабелей на отм. 3.800. План ТП 904-1-66.86-ЭМ-7 Прокладка кабелей на отм. +3.800. План ТП 904-1-66.86-ЭМ-8 Прокладка кабелей одного компрессорного агрегата ТП 904-1-66.86-ЭМ-9 Маслохозяйство. Распределительная сеть 380 В. План ТП 904-1-66.86-ЭМ-10 Прокладка кабелей. Разрезы ТП 904-1-66.86-ЭМ-11 Прокладка кабелей. Разрезы ТП 904-1-66.86-ЭМ-12-17 Кабельный журнал ТП 904-1-66.86-ЭМ-18 Шкафы управления 1ШУ-2,1ШУ-1 турбокомпрессорным агрегатом. Расчетная схема ТП 904-1-66.86-ЭМ-19-20 Шкафы управления вспомоприводами ШУ-3-1. Расчетная схема ТП 904-1-66.86-ЭМ-21 Комплектная трансформаторная подстанция КТП. Принципиальная однолинейная схема ТП 904-1-66.86-ЭМ-22 Схема подключения контрольных цепей шкафа тиристорного возбудительного устройства ТП 904-1-66.86-ЭМ-23 Схема подключения силовых цепей привода компрессорного агрегата ТП 904-1-66.86-ЭМ-24 Шкаф управления турбокомпрессорным агрегатом 1ШУ-1(2ШУ-1,3ШУ-1,4ШУ-1,5ШУ-1,6ШУ-1). Схема подключения ТП 904-1-66.86-ЭМ-25 Шкаф управления турбокомпрессорным агрегатом 1ШУ-2(2ШУ-2,3ШУ-2,4ШУ-2,5ШУ-2,6ШУ-2). Схема подключения ТП 904-1-66.86-ЭМ-26 Заземление. Троллеи ТП 904-1-66.86-ЭМ-27-28 Заземление. Троллеи ТП 904-1-66.86-ЭМ-29 Установка осушки воздуха. Схема электрическая подключения ТП 904-1-66.86-ЭМ-30 Комплектная трансформаторная подстанция КТП-2х630. Опросный лист ТП 904-1-66.86-ЭО Электроосвещение ТП 904-1-66.86-ЭО-1 Общие данные ТП 904-1-66.86-ЭО-2 Рабочее электрическое освещение. План на отм. 0.000 ТП 904-1-66.86-ЭО-3 Рабочее электрическое освещение. План на отм. 0.000 ТП 904-1-66.86-ЭО-4 Рабочее электрическое освещение. План на отм. 3.800 ТП 904-1-66.86-ЭО-5 Рабочее электрическое освещение. План на отм. 3.800 ТП 904-1-66.86-ЭО-6 Ремонтное и аварийное электрическое освещение. План на отм. 0.000 ТП 904-1-66.86-ЭО-7 Ремонтное и аварийное электрическое освещение. План на отм. 0.000 ТП 904-1-66.86-ЭО-8 Ремонтное и аварийное электрическое освещение. План на отм. 3.800 ТП 904-1-66.86-ЭО-9 Ремонтное и аварийное электрическое освещение. План на отм. 3.800 ТП 904-1-66.86-ЭО-10 Электрическое освещение. Разрезы ТП 904-1-66.86-ЭО-11 Электрическое освещение. Разрезы ТП 904-1-66.86-ЭО-12-13 Электрическое освещение. Питательная сеть 380 В. Принципиальная однолинейная схема ТП 904-1-66.86-СС Связь и сигнализация ТП 904-1-66.86-СС-1-2 Общие данные ТП 904-1-66.86-СС-3 План расположения сети ТП 904-1-66.86-СС-4 План расположения сети ТП 904-1-66.86-СС-5 Схема расположения сетей ТП 904-1-66.86-СС-6 Схема расположения сети пожарной сигнализации ТП 904-1-66.86-СС-7 Вызывная сигнализация ТП 904-1-66.86-СС-8 План расположения сети ТП 904-1-66.86-СС-9 План расположения сети ТП 904-1-66.86-СС-10 Схема расположения сети | Разработан: | Гипростройдормаш
| Утверждён: | 28.03.1986 Минстройдормаш (Minstroydormash 13/86)
| Издан: | ЦИТП Госстроя СССР (CITP, Gosstroy (USSR) 1987 г. )
| Расположен в: |
|
                                                                                         
|