Скачать Типовой проект 902-2-236 Альбом III. Технологическая, электротехническая, механическая и сантехническая частиДата актуализации: 10.08.2017 Типовой проект 902-2-236
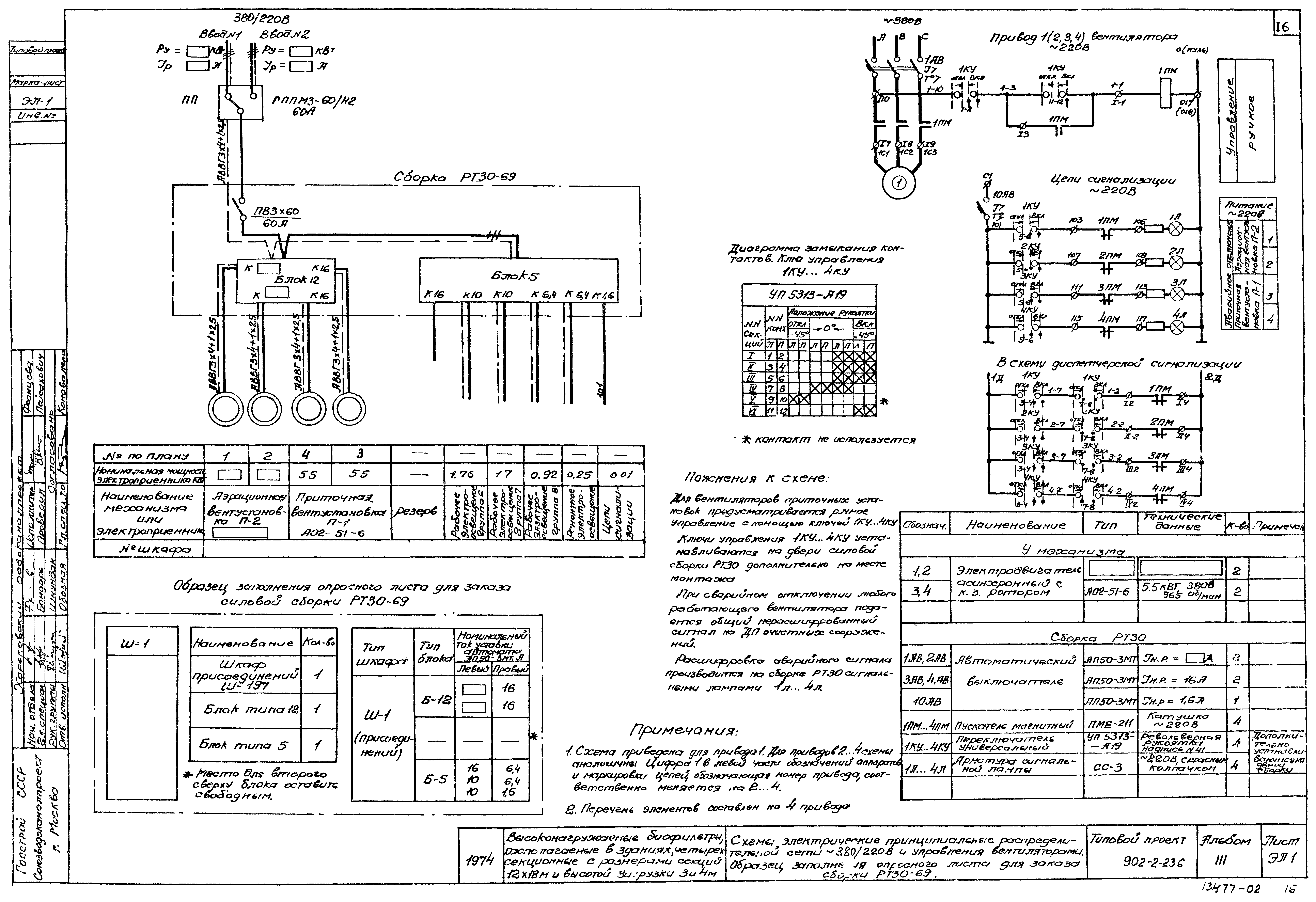
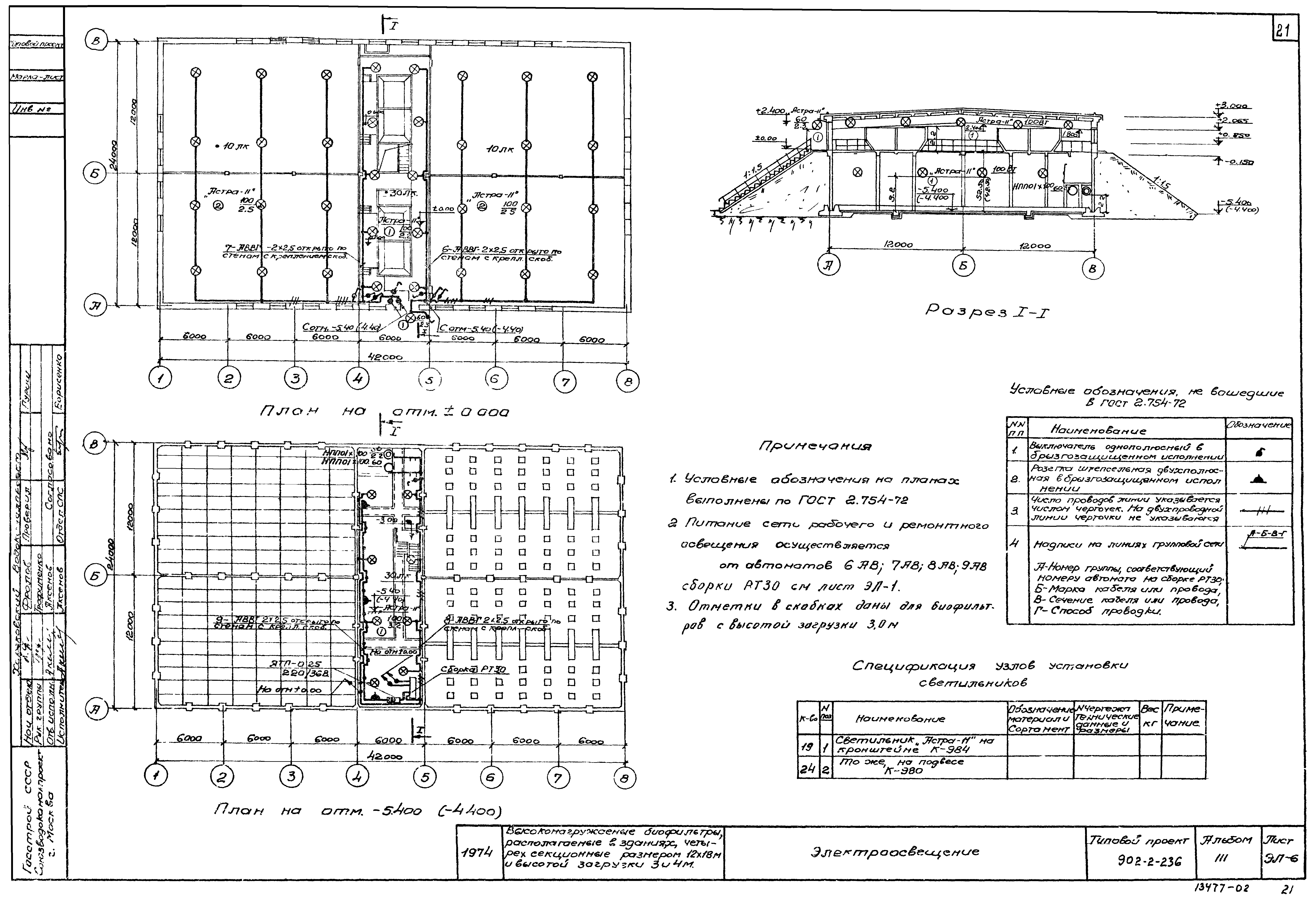
Альбом III. Технологическая, электротехническая, механическая и сантехническая частиОбозначение: | Типовой проект 902-2-236 | Обозначение англ: | 902-2-236 | Статус: | действует | Название рус.: | Альбом III. Технологическая, электротехническая, механическая и сантехническая части | Дата добавления в базу: | 01.09.2013 | Дата актуализации: | 05.05.2017 | Дата введения: | 30.08.1975 | Оглавление: | ТП 902-2-236-ПЗ-1 Заглавный лист ТП 902-2-236-ПЗ-2-ПЗ-5 Пояснительная записка ТП 902-2-236-ТК Технологические чертежи ТП 902-2-236-ТК-1 План ТП 902-2-236-ТК-2 Разрезы 1-1;2-2 ТП 902-2-236-ТК-3 Схема технического водопровода для промывки биофильтров. Схема сплинкерной системы биофильтров. Спецификация ТП 902-2-236-ОВ Отопление и вентиляция ТП 902-2-236-ОВ-1 Характеристика отопительно-вентиляционного оборудования. Пояснения к проекту и основные показатели по проекту. Перечень стандартов типовых чертежей. Условные обозначения ТП 902-2-236-ОВ-2 Отопление и вентиляция. План на отм. 0.00 ТП 902-2-236-ОВ-3 Отопление и вентиляция. Разрезы 1-1;2-2. Блок. Горизонтальный воздухосборник ТП 902-2-236-ОВ-4 Отопление и вентиляция. План на отм. 0.00. Схемы воздуховодов систем П-1 и П-2. Схема теплоснабжения калориферов. Схема узла высоты ТП 902-2-236-ОВ-5 Установки П-1 и П-2. Разрезы 1-1;2-2. Монтажная спецификация ТП 902-2-236-ОВ-6 Сводная спецификация системы отопления и вентиляции ТП 902-2-236-ЭЛ Электротехнические чертежи ТП 902-2-236-ЭЛ-1 Схемы электрические принципиальные распределительной сети ~380/220 В и управления вентиляторами. Образец заполнения опросного листа для заказа сборки РТ30-69 ТП 902-2-236-ЭЛ-2 Схема подключения электрооборудования ТП 902-2-236-ЭЛ-3 Сборка РТ30. Общий вид /дооборудование/ ТП 902-2-236-ЭЛ-4 Сборка РТ30. Схема соединений /дооборудование/ ТП 902-2-236-ЭЛ-5 План расположения электрооборудования. Прокладка кабелей. Кабельный журнал ТП 902-2-236-ЭЛ-6 Электроосвещение ТП 902-2-236-МК Механические чертежи ТП 902-2-236-МК-1 Сифон для дозирующих баков ТП 902-2-236-МК-2 Колпак. Разбрызгиватель | Разработан: | Союзводоканалпроект
| Утверждён: | 15.05.1975 Главпромстройпроект Госстроя СССР (26)
| Расположен в: |
|
                      
|