Информационная система
«Ёшкин Кот»

Скачать базу одним архивом
Скачать обновления
История создания базы
Карта сайта

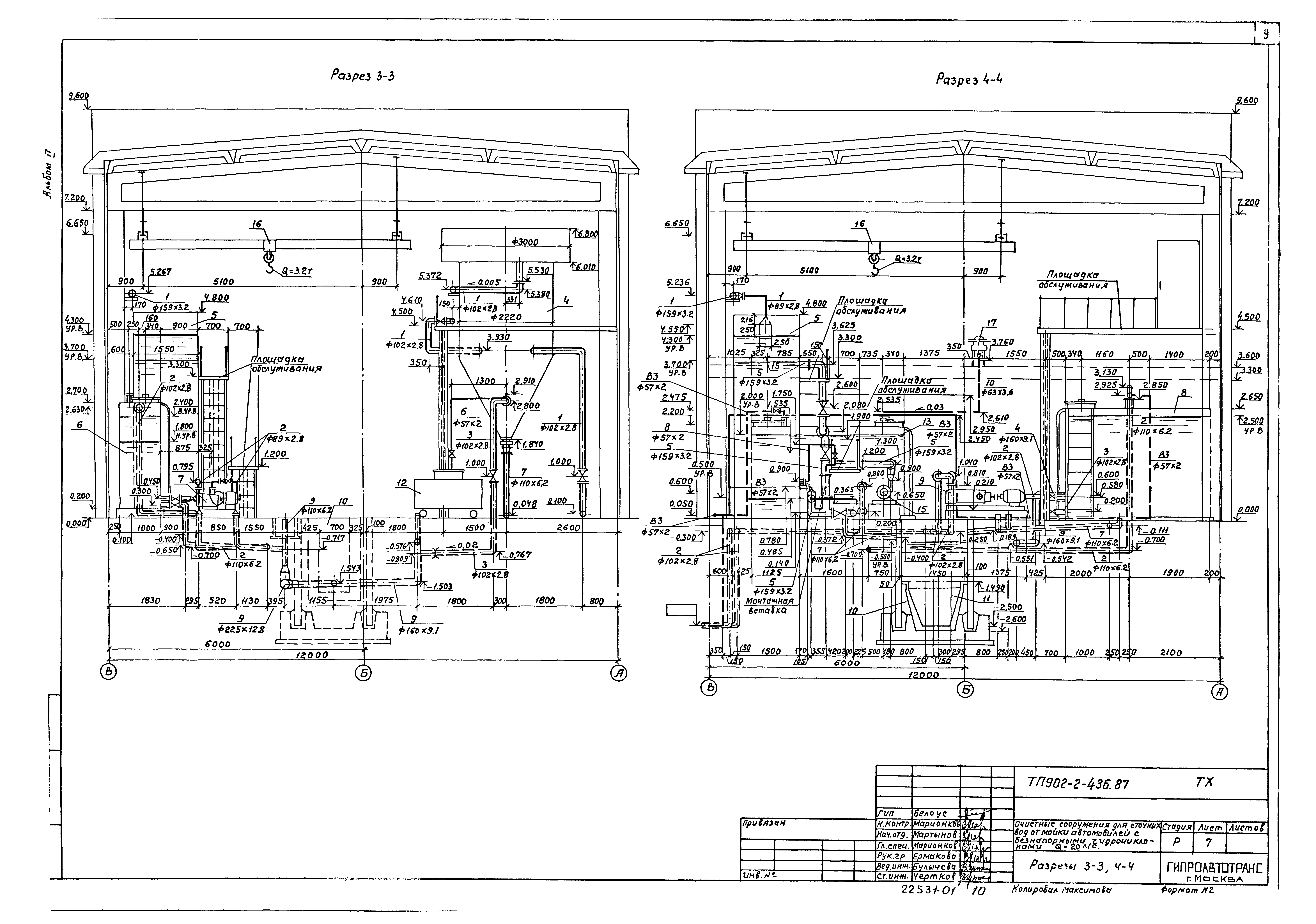
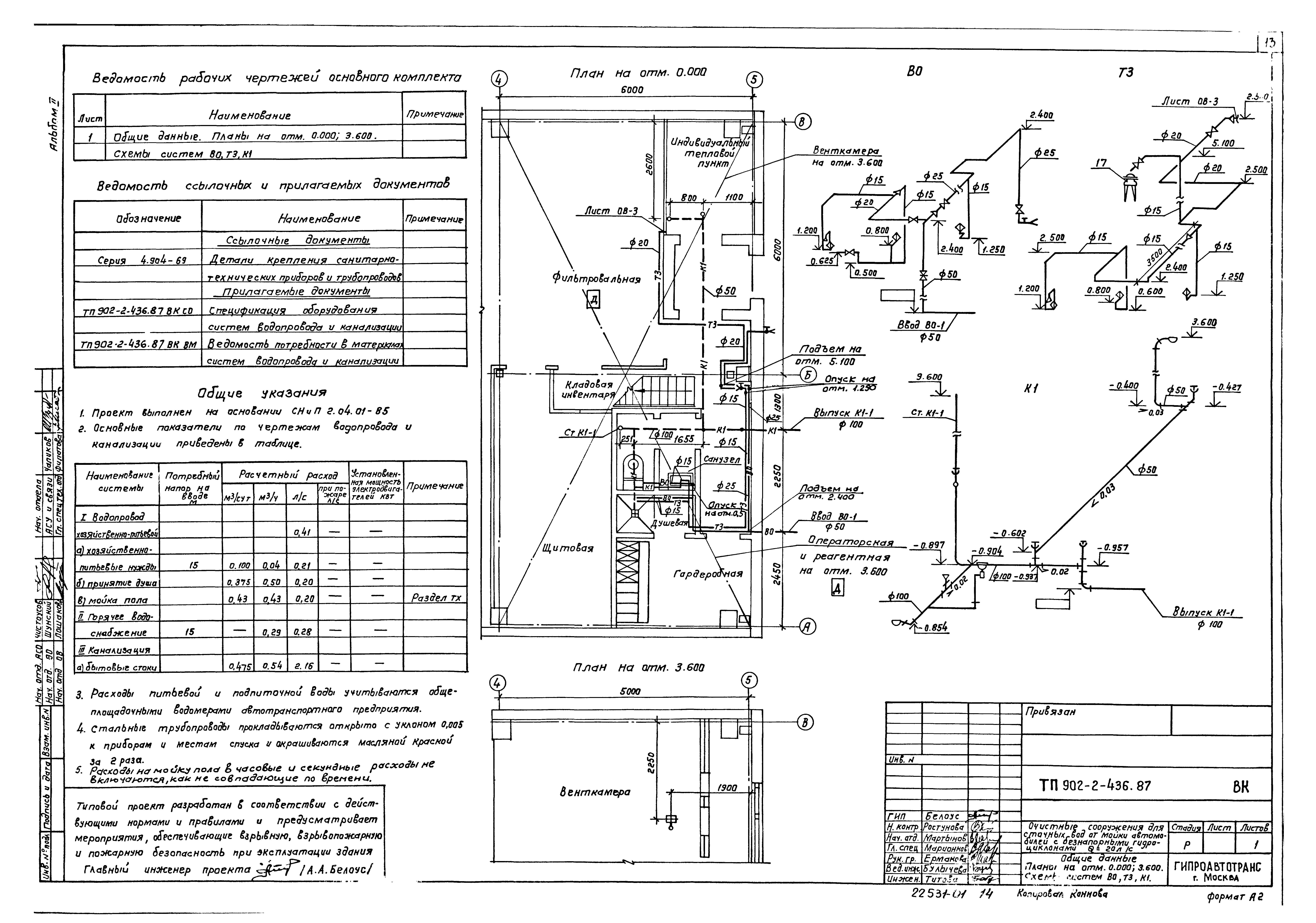
Скачать Типовой проект 902-2-437.87 Альбом II. Технология производства. Внутренние водопровод и канализация. Отопление и вентиляция (из ТП 902-2-436.87)

Дата актуализации: 10.08.2017

Типовой проект 902-2-437.87

Альбом II. Технология производства. Внутренние водопровод и канализация. Отопление и вентиляция (из ТП 902-2-436.87)

Обозначение: Типовой проект 902-2-437.87
Обозначение англ: 902-2-437.87
Статус:заменен
Название рус.:Альбом II. Технология производства. Внутренние водопровод и канализация. Отопление и вентиляция (из ТП 902-2-436.87)
Дата добавления в базу:01.09.2013
Дата актуализации:05.05.2017
Дата введения:01.06.1993
Разработан: Гипроавтотранс
Утверждён:01.10.1987 Минавтотранс РСФСР (Russian Federation Minavtotrans 11)
Расположен в:Техническая документация Строительство Справочные документы Типовые строительные конструкции, изделия и узлы Общероссийский строительный каталог Промышленные предприятия, здания и сооружения Здания и сооружения санитарно-технические Канализация Сооружения для очистки производственных сточных вод Сооружения для очистки сточных вод от мойки автомобилей
Заменяет собой:
Чем заменён:
  • Типовой проект 902-2-488.92 «Очистные сооружения для сточных вод от мойки автомобилей производительностью 20 л/с. Стены из кирпича»
Типовой проект 902-2-437.87Типовой проект 902-2-437.87Типовой проект 902-2-437.87Типовой проект 902-2-437.87Типовой проект 902-2-437.87Типовой проект 902-2-437.87Типовой проект 902-2-437.87Типовой проект 902-2-437.87Типовой проект 902-2-437.87Типовой проект 902-2-437.87Типовой проект 902-2-437.87Типовой проект 902-2-437.87Типовой проект 902-2-437.87Типовой проект 902-2-437.87Типовой проект 902-2-437.87Типовой проект 902-2-437.87Типовой проект 902-2-437.87Типовой проект 902-2-437.87Типовой проект 902-2-437.87

© 2013 Ёшкин Кот :-) Карта сайта