Информационная система
«Ёшкин Кот»

Скачать базу одним архивом
Скачать обновления
История создания базы
Карта сайта

Скачать Типовые проектные решения 904-02-12 Альбом I. Системы утилизации тепла в теплоутилизаторах типа вода-воздух с подогревом промежуточного теплоносителя. Технологические системы

Дата актуализации: 10.08.2017

Типовые проектные решения 904-02-12

Альбом I. Системы утилизации тепла в теплоутилизаторах типа "вода-воздух" с подогревом промежуточного теплоносителя. Технологические системы

Обозначение: Типовые проектные решения 904-02-12
Обозначение англ: 904-02-12
Статус:cправочные материалы, мп, тпр
Название рус.:Альбом I. Системы утилизации тепла в теплоутилизаторах типа "вода-воздух" с подогревом промежуточного теплоносителя. Технологические системы
Дата добавления в базу:01.09.2013
Дата актуализации:05.05.2017
Оглавление:ТП 904-02-12 Исходные данные
ТП 904-02-12 Основные решения
ТП 904-02-12 Приложение 1. Система 1. Технологическая схема
ТП 904-02-12 Приложение 2. Система 2. Технологическая схема
ТП 904-02-12 Приложение 3. Система 3. Технологическая схема
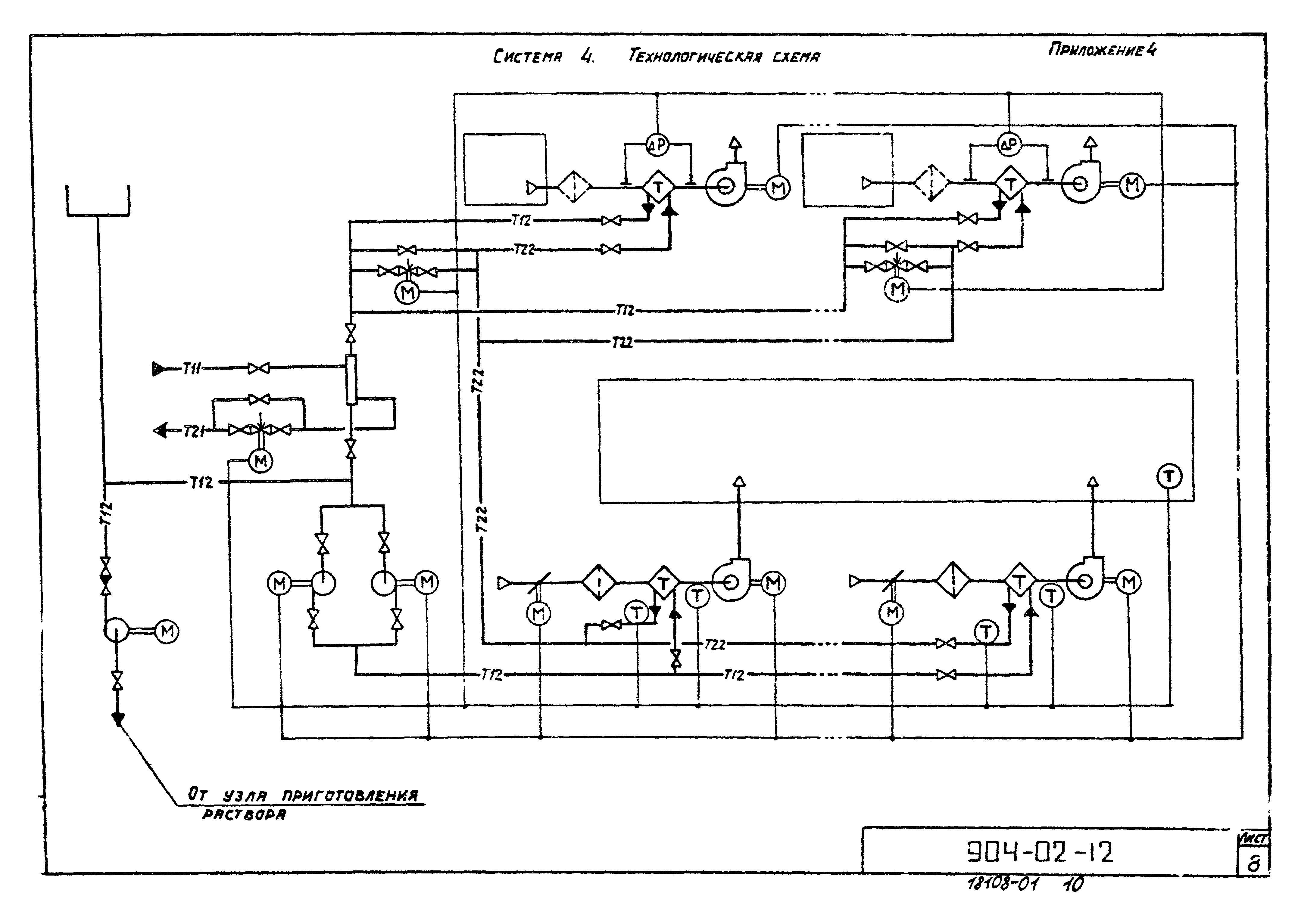
ТП 904-02-12 Приложение 4. Система 4. Технологическая схема
ТП 904-02-12 Приложение 5. Система 5. Технологическая схема
ТП 904-02-12 Приложение 6. Система 6. Технологическая схема
ТП 904-02-12 Приложение 7. Пример компоновки приточной и вытяжной установок системы с теплоутилизаторами типа "вода-воздух"
Разработан: Сантехпроект Госстроя СССР
Утверждён:23.12.1981 Главпромстройпроект Госстроя СССР (ВА-6)
Расположен в:Техническая документация Строительство Справочные документы Типовые строительные конструкции, изделия и узлы Общероссийский строительный каталог Промышленные предприятия, здания и сооружения Здания и сооружения санитарно-технические Воздухоснабжение, вентиляция и кондиционирование воздуха Вентиляция, кондиционирование воздуха
Типовые проектные решения 904-02-12Типовые проектные решения 904-02-12Типовые проектные решения 904-02-12Типовые проектные решения 904-02-12Типовые проектные решения 904-02-12Типовые проектные решения 904-02-12Типовые проектные решения 904-02-12Типовые проектные решения 904-02-12Типовые проектные решения 904-02-12Типовые проектные решения 904-02-12Типовые проектные решения 904-02-12Типовые проектные решения 904-02-12Типовые проектные решения 904-02-12Типовые проектные решения 904-02-12

© 2013 Ёшкин Кот :-) Карта сайта