Информационная система
«Ёшкин Кот»

Скачать базу одним архивом
Скачать обновления
История создания базы
Карта сайта

Скачать Типовой проект 902-1-85.84 Альбом IV. Строительные решения. Подземная часть. Сборно-монолитный вариант (открытый способ в сухих и мокрых грунтах)

Дата актуализации: 10.08.2017

Типовой проект 902-1-85.84

Альбом IV. Строительные решения. Подземная часть. Сборно-монолитный вариант (открытый способ в сухих и мокрых грунтах)

Обозначение: Типовой проект 902-1-85.84
Обозначение англ: 902-1-85.84
Статус:действует
Название рус.:Альбом IV. Строительные решения. Подземная часть. Сборно-монолитный вариант (открытый способ в сухих и мокрых грунтах)
Дата добавления в базу:01.09.2013
Дата актуализации:05.05.2017
Оглавление:ТП 902-1-85.84 Содержание
ТП 902-1-85.84-КЖ Основной комплект КЖ
ТП 902-1-85.84-КЖ-1 Общие данные (начало)
ТП 902-1-85.84-КЖ-2 Общие данные (окончание)
ТП 902-1-85.84-КЖ-3 Планы на отм. -6.340 и -3.200. Разрезы 1-1;2-2
ТП 902-1-85.84-КЖ-4 Схема расположения монолитных конструкций подземной части (открытый способ в сухих и мокрых грунтах)
ТП 902-1-85.84-КЖ-5 Схема расположения стеновых панелей. Разрезы 1-1;2-2. Схема расположения стеновых панелей. Узлы 1-4
ТП 902-1-85.84-КЖ-6 Схема расположения стеновых панелей. Развертка наружной стены. Узлы 5-7
ТП 902-1-85.84-КЖ-7 Схема расположения стеновых панелей. Узлы 8-10. Спецификация
ТП 902-1-85.84-КЖ-8 Плита днища ПДМ1. Общий вид. Схема армирования (в сухих грунтах)
ТП 902-1-85.84-КЖ-9 Плита днища ПДМ1. Схема армирования. Спецификация (в сухих грунтах)
ТП 902-1-85.84-КЖ-10 Плита днища ПДМ1. Общий вид. Схема армирования (в мокрых грунтах)
ТП 902-1-85.84-КЖ-11 Плита днища ПДМ1. Схема армирования. Спецификация (в мокрых грунтах)
ТП 902-1-85.84-КЖ-12 РКМ2. Перекрытие на отм. -3.200. План и сечения 1-1÷3-3;7-7
ТП 902-1-85.84-КЖ-13 РКМ2. Перекрытие на отм. 3.200. Элемент плана 1. Сечения 4-4÷6-6
ТП 902-1-85.84-КЖ-14 РКМ2. Перекрытие на отм. -3.200. Плита ПМ1. Балки БМ1-БМ3. Схема армирования
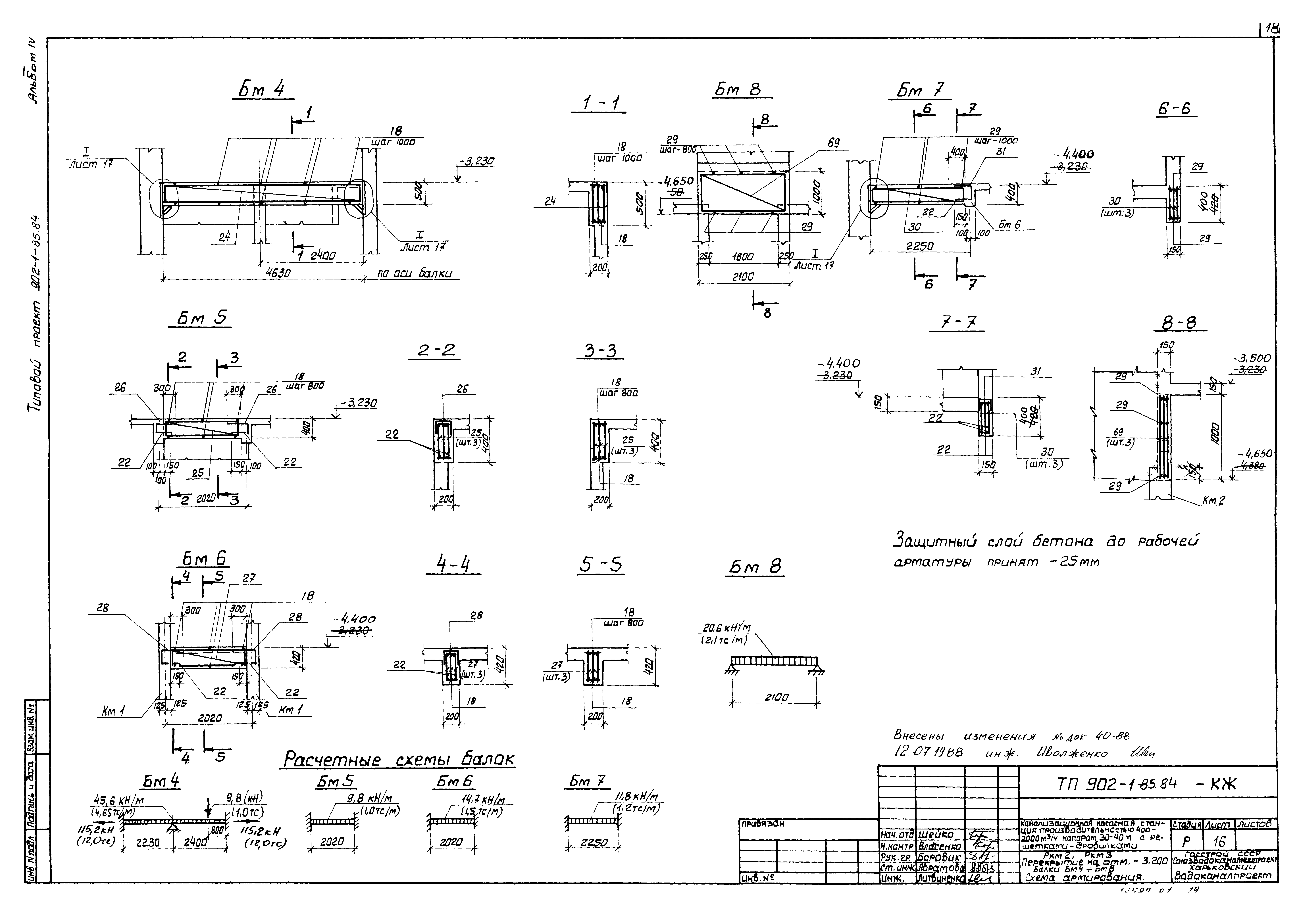
ТП 902-1-85.84-КЖ-15 РКМ2,РКМ3. Перекрытие на отм. -3.200. Балки БМ4-БМ8. Схема армирования
ТП 902-1-85.84-КЖ-16 РКМ2,РКМ3. Перекрытие на отм. -3.200. Колонны КМ1,КМ2. Схема армирования
ТП 902-1-85.84-КЖ-17 РКМ2. Перекрытие на отм. -3.200. Лоток ЛТМ1. Схема армирования
ТП 902-1-85.84-КЖ-18 РКМ2. Перекрытие на отм. -3.200. Лоток ЛТМ1. Схема армирования. Сечения 3-3÷8-8
ТП 902-1-85.84-КЖ-19 РКМ2. Спецификация перекрытия (начало)
ТП 902-1-85.84-КЖ-20 РКМ2. Спецификация перекрытия (окончание)
ТП 902-1-85.84-КЖ-21 РКМ3. Перекрытие на отм. -3.200. План и сечения 1-1÷3-3,7-7
ТП 902-1-85.84-КЖ-22 РКМ3. Перекрытие на отм. -3.200. Элемент плана 1. Сечения 4-4÷6-6
ТП 902-1-85.84-КЖ-23 РКМ3. Перекрытие на отм. -3.200. Плита ПМ-1. Балки БМ1-БМ3. Схема армирования
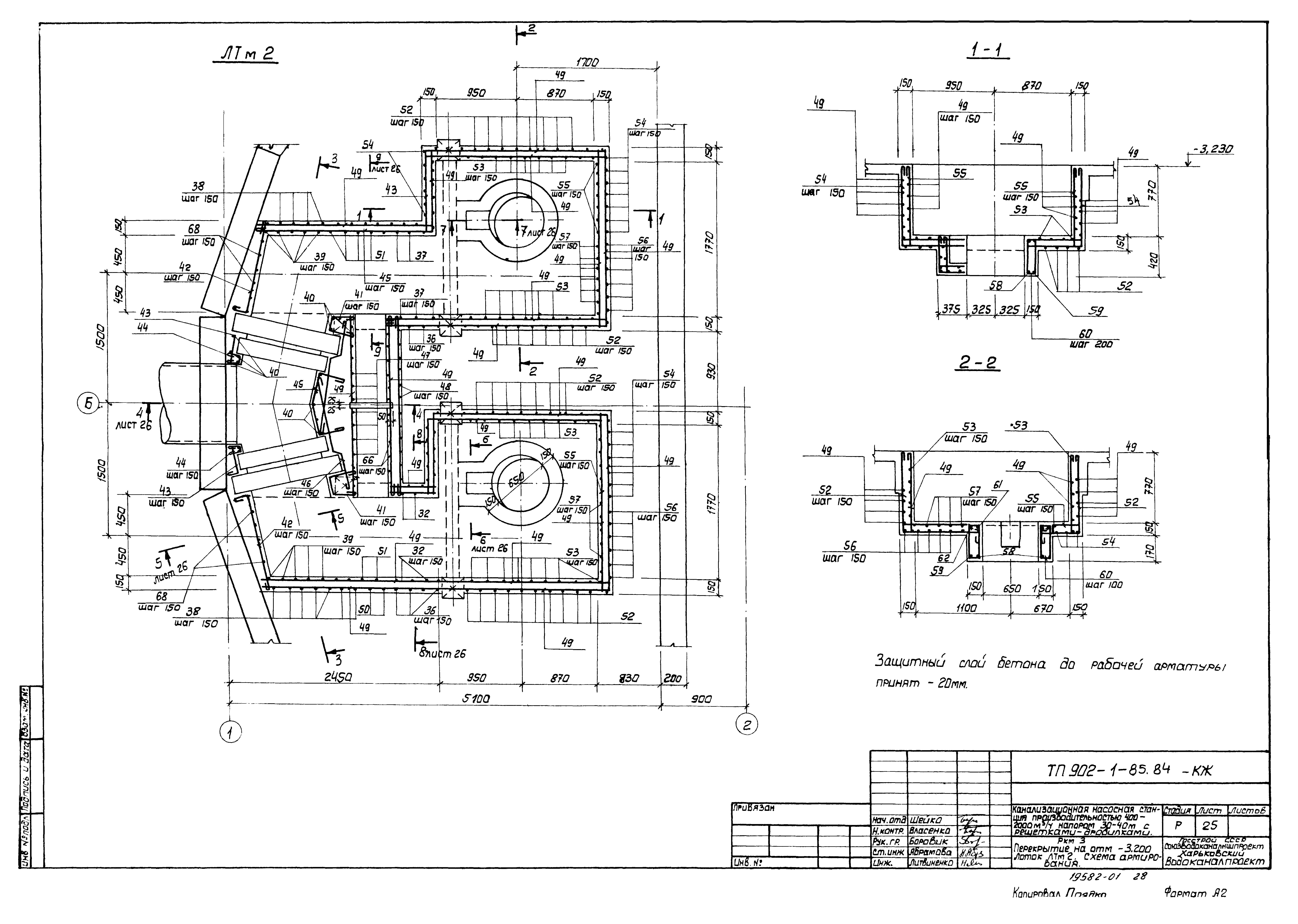
ТП 902-1-85.84-КЖ-24 РКМ3. Перекрытие на отм. -3.200. Лоток ЛТМ2. Схема армирования
ТП 902-1-85.84-КЖ-25 РКМ3. Перекрытие на отм. -3.200. Лоток ЛТМ2. Схема армирования. Сечение 3-3÷8-8
ТП 902-1-85.84-КЖ-26 РКМ3. Спецификация перекрытия (начало)
ТП 902-1-85.84-КЖ-27 РКМ3. Спецификация перекрытия (окончание)
ТП 902-1-85.84-КМ Основной комплект КМ
ТП 902-1-85.84-КМ-1 Общие данные (начало)
ТП 902-1-85.84-КМ-2 Общие данные (окончание)
ТП 902-1-85.84-КМ-3 Схема расположения лестниц, лестничных площадок. Разрез 1-1;2-2
ТП 902-1-85.84-КМ-4 Схема узлов лестниц. Узел 1
ТП 902-1-85.84-КМ-5 Узлы 2-5
Разработан: Харьковский Водоканалпроект
Утверждён:27.10.1983 СоюзводоканалНИИпроект (SoyuzvodokanalNIIproject 59)
Расположен в:Техническая документация Строительство Справочные документы Типовые строительные конструкции, изделия и узлы Общероссийский строительный каталог Промышленные предприятия, здания и сооружения Здания и сооружения санитарно-технические Канализация Станции насосные Станции насосные для перекачки бытовых сточных вод
Типовой проект 902-1-85.84Типовой проект 902-1-85.84Типовой проект 902-1-85.84Типовой проект 902-1-85.84Типовой проект 902-1-85.84Типовой проект 902-1-85.84Типовой проект 902-1-85.84Типовой проект 902-1-85.84Типовой проект 902-1-85.84Типовой проект 902-1-85.84Типовой проект 902-1-85.84Типовой проект 902-1-85.84Типовой проект 902-1-85.84Типовой проект 902-1-85.84Типовой проект 902-1-85.84Типовой проект 902-1-85.84Типовой проект 902-1-85.84Типовой проект 902-1-85.84Типовой проект 902-1-85.84Типовой проект 902-1-85.84Типовой проект 902-1-85.84Типовой проект 902-1-85.84Типовой проект 902-1-85.84Типовой проект 902-1-85.84Типовой проект 902-1-85.84Типовой проект 902-1-85.84Типовой проект 902-1-85.84Типовой проект 902-1-85.84Типовой проект 902-1-85.84Типовой проект 902-1-85.84Типовой проект 902-1-85.84Типовой проект 902-1-85.84Типовой проект 902-1-85.84Типовой проект 902-1-85.84Типовой проект 902-1-85.84Типовой проект 902-1-85.84

© 2013 Ёшкин Кот :-) Карта сайта