Информационная система
«Ёшкин Кот»

Скачать базу одним архивом
Скачать обновления
История создания базы
Карта сайта

Скачать Типовой проект 902-2-434.87 Альбом IV. Силовое оборудование. Электрическое освещение. Автоматизация. Связь и сигнализация

Дата актуализации: 10.08.2017

Типовой проект 902-2-434.87

Альбом IV. Силовое оборудование. Электрическое освещение. Автоматизация. Связь и сигнализация

Обозначение: Типовой проект 902-2-434.87
Обозначение англ: 902-2-434.87
Статус:заменен
Название рус.:Альбом IV. Силовое оборудование. Электрическое освещение. Автоматизация. Связь и сигнализация
Дата добавления в базу:01.09.2013
Дата актуализации:05.05.2017
Дата введения:01.03.1993
Оглавление:ТП 902-2-434.87-ЭМ Силовое электрооборудование
ТП 902-2-434.87-ЭМ-1 Общие данные
ТП 902-2-434.87-ЭМ-2 Распределительная сеть ~380/220В. Шкаф АР1. Схема принципиальная однолинейная
ТП 902-2-434.87-ЭМ-3 Вентиляторы М8-М10. Схема принципиальная управления. Цепи управления. Схема подключения
ТП 902-2-434.87-ЭМ-4 Кабельный журнал. Сводка кабелей, проводов и труб, учтенным кабельным журналом
ТП 902-2-434.87-ЭМ-5 Кабельная раскладка. Планы на отметках 0.000 и 3.600. План кровли
ТП 902-2-434.87-ЭМ-6 Молниезащита. План и сечение
ТП 902-2-434.87-ЭО Электроосвещение
ТП 902-2-434.87-ЭО-1 Общие данные
ТП 902-2-434.87-ЭО-2 Планы расположения на отметках 0.000;3.600
ТП 902-2-434.87-А Автоматизация
ТП 902-2-434.87-А-1 Общие данные (начало)
ТП 902-2-434.87-А-2 Общие данные (продолжение)
ТП 902-2-434.87-А-3 Общие данные (окончание)
ТП 902-2-434.87-А-4 Насосная. Схема функциональная (начало)
ТП 902-2-434.87-А-5 Насосная. Схема функциональная (окончание)
ТП 902-2-434.87-А-6 Тепловой узел. Схема функциональная. Схема внешних проводок
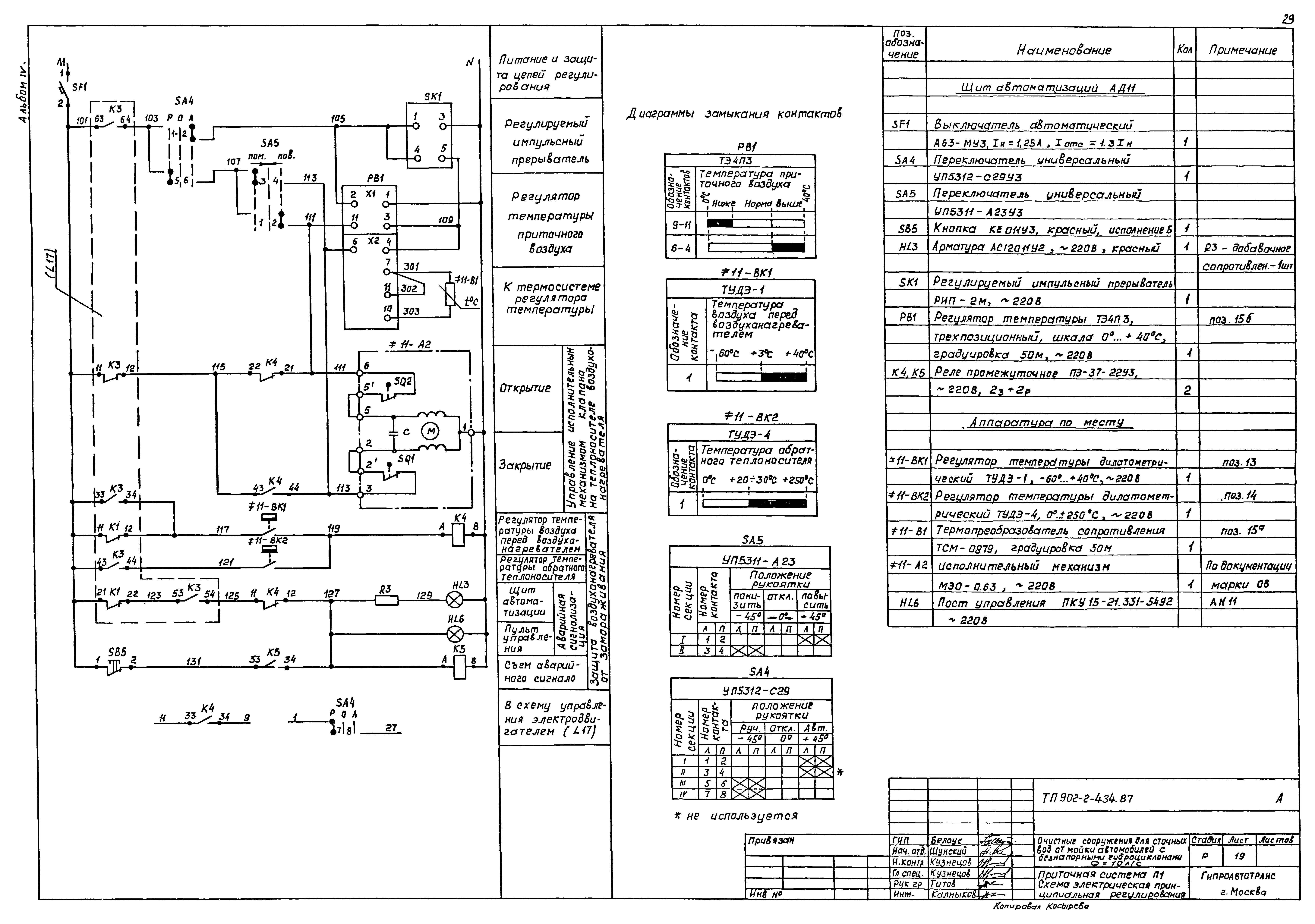
ТП 902-2-434.87-А-7 Приточная система П1. Схема функциональная
ТП 902-2-434.87-А-8 Насосы Р-3. Схема электрическая принципиальная управления
ТП 902-2-434.87-А-9 Насосы Р-7,Р-15. Схема электрическая принципиальная управления
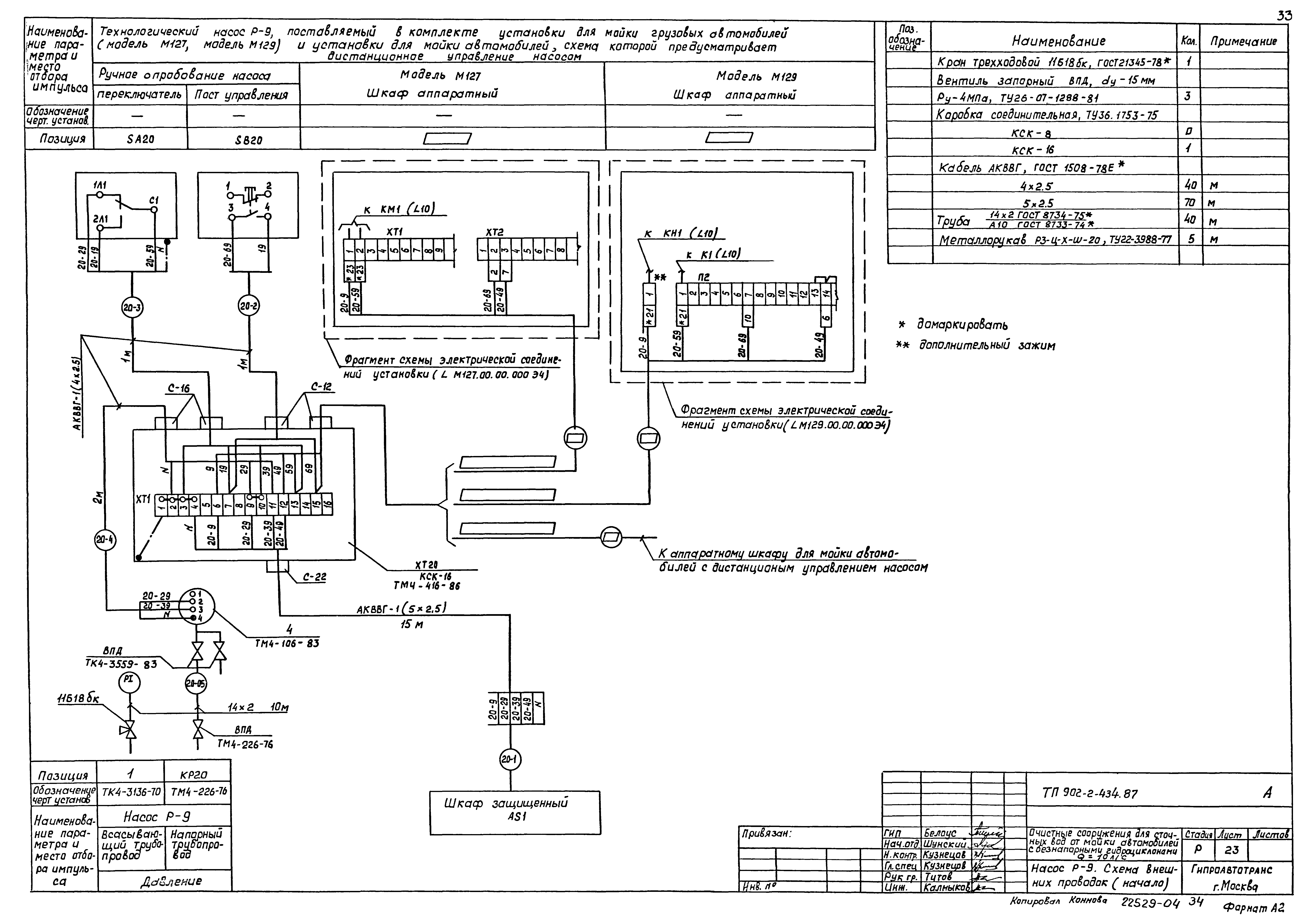
ТП 902-2-434.87-А-10 Насос Р-9. Схема электрическая принципиальная управления (начало)
ТП 902-2-434.87-А-11 Насос Р-9. Схема электрическая принципиальная управления (продолжение)
ТП 902-2-434.87-А-12 Насос Р-9. Схема электрическая принципиальная управления (окончание)
ТП 902-2-434.87-А-13 Схема электрическая принципиальная системы измерений (начало)
ТП 902-2-434.87-А-14 Схема электрическая принципиальная системы измерений (продолжение)
ТП 902-2-434.87-А-15 Схема электрическая принципиальная системы измерений (окончание)
ТП 902-2-434.87-А-16 Схема электрическая принципиальная сигнализации
ТП 902-2-434.87-А-17 Приточная система П1. Схема электрическая принципиальная управления (начало)
ТП 902-2-434.87-А-18 Приточная система П1. Схема электрическая принципиальная управления (окончание)
ТП 902-2-434.87-А-19 Приточная система П1. Схема электрическая принципиальная регулирования
ТП 902-2-434.87-А-20 Схема внешних проводок (начало)
ТП 902-2-434.87-А-21 Схема внешних проводок (продолжение)
ТП 902-2-434.87-А-22 Схема внешних проводок (окончание)
ТП 902-2-434.87-А-23 Насос Р-9. Схема внешних проводок (начало)
ТП 902-2-434.87-А-24 Насос Р-9. Схема внешних проводок (продолжение)
ТП 902-2-434.87-А-25 Насос Р-9. Схема внешних проводок (окончание)
ТП 902-2-434.87-А-26 Приточная система П1. Схема внешних проводок (начало)
ТП 902-2-434.87-А-27 Приточная система П1. Схема внешних проводок (окончание)
ТП 902-2-434.87-А-28 План расположения (начало)
ТП 902-2-434.87-А-29 План расположения (окончание)
ТП 902-2-434.87-СС Связь и сигнализация
ТП 902-2-434.87-СС-1 Общие данные. План расположения сетей на отм 3.600 между осями 3-4 и А-В
Разработан: Гипроавтотранс
Утверждён:01.10.1987 Минавтотранс РСФСР (Russian Federation Minavtotrans 11)
Издан: ЦИТП Госстроя СССР (CITP, Gosstroy (USSR) 1988 г. )
Расположен в:Техническая документация Строительство Справочные документы Типовые строительные конструкции, изделия и узлы Общероссийский строительный каталог Промышленные предприятия, здания и сооружения Здания и сооружения санитарно-технические Канализация Сооружения для очистки производственных сточных вод Сооружения для очистки сточных вод от мойки автомобилей
Заменяет собой:
Чем заменён:
Типовой проект 902-2-434.87Типовой проект 902-2-434.87Типовой проект 902-2-434.87Типовой проект 902-2-434.87Типовой проект 902-2-434.87Типовой проект 902-2-434.87Типовой проект 902-2-434.87Типовой проект 902-2-434.87Типовой проект 902-2-434.87Типовой проект 902-2-434.87Типовой проект 902-2-434.87Типовой проект 902-2-434.87Типовой проект 902-2-434.87Типовой проект 902-2-434.87Типовой проект 902-2-434.87Типовой проект 902-2-434.87Типовой проект 902-2-434.87Типовой проект 902-2-434.87Типовой проект 902-2-434.87Типовой проект 902-2-434.87Типовой проект 902-2-434.87Типовой проект 902-2-434.87Типовой проект 902-2-434.87Типовой проект 902-2-434.87Типовой проект 902-2-434.87Типовой проект 902-2-434.87Типовой проект 902-2-434.87Типовой проект 902-2-434.87Типовой проект 902-2-434.87Типовой проект 902-2-434.87Типовой проект 902-2-434.87Типовой проект 902-2-434.87Типовой проект 902-2-434.87Типовой проект 902-2-434.87Типовой проект 902-2-434.87Типовой проект 902-2-434.87Типовой проект 902-2-434.87Типовой проект 902-2-434.87Типовой проект 902-2-434.87Типовой проект 902-2-434.87Типовой проект 902-2-434.87Типовой проект 902-2-434.87

© 2013 Ёшкин Кот :-) Карта сайта