Информационная система
«Ёшкин Кот»

Скачать базу одним архивом
Скачать обновления
История создания базы
Карта сайта

Скачать Типовые проектные решения 904-02-9 Альбом IV. Три и четыре агрегата в группе. Два режима работы

Дата актуализации: 10.08.2017

Типовые проектные решения 904-02-9

Альбом IV. Три и четыре агрегата в группе. Два режима работы

Обозначение: Типовые проектные решения 904-02-9
Обозначение англ: 904-02-9
Статус:cправочные материалы, мп, тпр
Название рус.:Альбом IV. Три и четыре агрегата в группе. Два режима работы
Дата добавления в базу:01.09.2013
Дата актуализации:05.05.2017
Оглавление:ТП 904-02-8-АЭ-1 Общие данные
ТП 904-02-8-А-2 Схема функциональная №11АФ
ТП 904-02-8-Э-3 Схема электрическая принципиальная №11АЭ
ТП 904-02-8-Э-4 Схема электрическая подключений №11
ТП 904-02-8-А-5 Схема внешних проводок №5СВП
ТП 904-02-8-А-6 Схема функциональная №12АФ
ТП 904-02-8-Э-7 Схема электрическая принципиальная №12АЭ
ТП 904-02-8-Э-8 Схема электрическая подключений №12
ТП 904-02-8-А-9 Схема внешних проводок №6СВП
ТП 904-02-8-А-10 Схема функциональная №13АФ
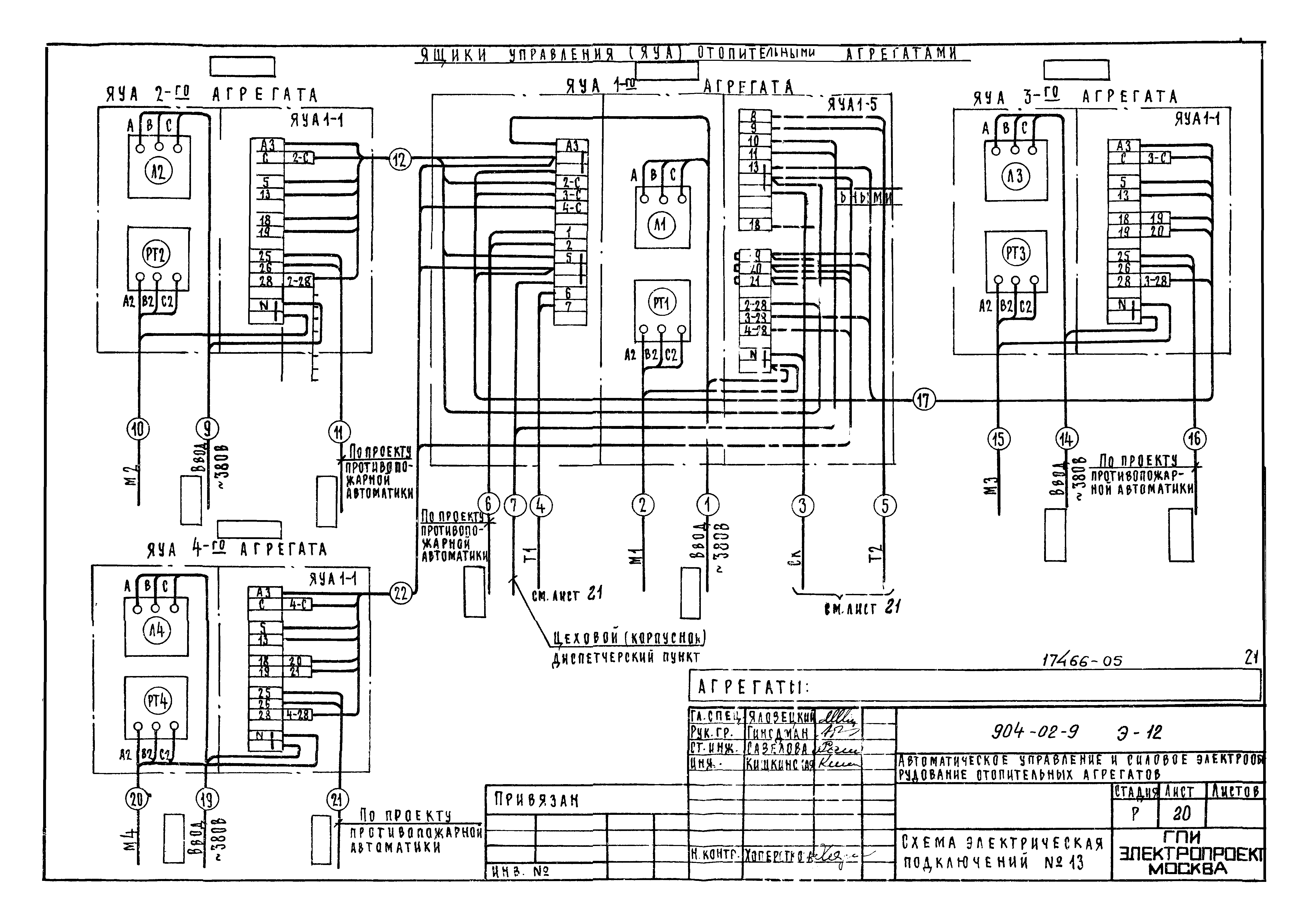
ТП 904-02-8-Э-11 Схема электрическая принципиальная №13АЭ
ТП 904-02-8-Э-12 Схема электрическая подключений №13
ТП 904-02-8-А-13 Схема внешних проводок №5СВП
ТП 904-02-8-А-14 Схема функциональная №14АФ
ТП 904-02-8-Э-15 Схема электрическая принципиальная №14АЭ
ТП 904-02-8-Э-16 Схема электрическая подключений №14
ТП 904-02-8-А-17 Схема внешних проводок №6СВП
Разработан: Сантехпроект Госстроя СССР
Электропроект Минмонтажспецстроя СССР
Утверждён:23.10.1981 Главпромстройпроект Госстроя СССР (82)
Расположен в:Техническая документация Строительство Справочные документы Типовые строительные конструкции, изделия и узлы Общероссийский строительный каталог Промышленные предприятия, здания и сооружения Здания и сооружения санитарно-технические Воздухоснабжение, вентиляция и кондиционирование воздуха Вентиляция, кондиционирование воздуха
Типовые проектные решения 904-02-9Типовые проектные решения 904-02-9Типовые проектные решения 904-02-9Типовые проектные решения 904-02-9Типовые проектные решения 904-02-9Типовые проектные решения 904-02-9Типовые проектные решения 904-02-9Типовые проектные решения 904-02-9Типовые проектные решения 904-02-9Типовые проектные решения 904-02-9Типовые проектные решения 904-02-9Типовые проектные решения 904-02-9Типовые проектные решения 904-02-9Типовые проектные решения 904-02-9Типовые проектные решения 904-02-9Типовые проектные решения 904-02-9Типовые проектные решения 904-02-9Типовые проектные решения 904-02-9Типовые проектные решения 904-02-9Типовые проектные решения 904-02-9Типовые проектные решения 904-02-9Типовые проектные решения 904-02-9Типовые проектные решения 904-02-9Типовые проектные решения 904-02-9Типовые проектные решения 904-02-9Типовые проектные решения 904-02-9Типовые проектные решения 904-02-9Типовые проектные решения 904-02-9Типовые проектные решения 904-02-9Типовые проектные решения 904-02-9

© 2013 Ёшкин Кот :-) Карта сайта