Информационная система
«Ёшкин Кот»

Скачать базу одним архивом
Скачать обновления
История создания базы
Карта сайта

Скачать Типовые проектные решения 904-02-9 Альбом 0. Рекомендации по применению

Дата актуализации: 10.08.2017

Типовые проектные решения 904-02-9

Альбом 0. Рекомендации по применению

Обозначение: Типовые проектные решения 904-02-9
Обозначение англ: 904-02-9
Статус:cправочные материалы, мп, тпр
Название рус.:Альбом 0. Рекомендации по применению
Дата добавления в базу:01.09.2013
Дата актуализации:05.05.2017
Оглавление:ТП 904-02-8-АЭ-1 Общие данные
ТП 904-02-8-АЭ-2 Пояснительная записка
ТП 904-02-8-АЭ-3 Методика привязки
ТП 904-02-8-АЭ-4 Задание на привязку. Форма
ТП 904-02-8-АЭ-5 Задание на привязку. Пример заполнения
ТП 904-02-8-АЭ-6 Схема функциональная №8АФ
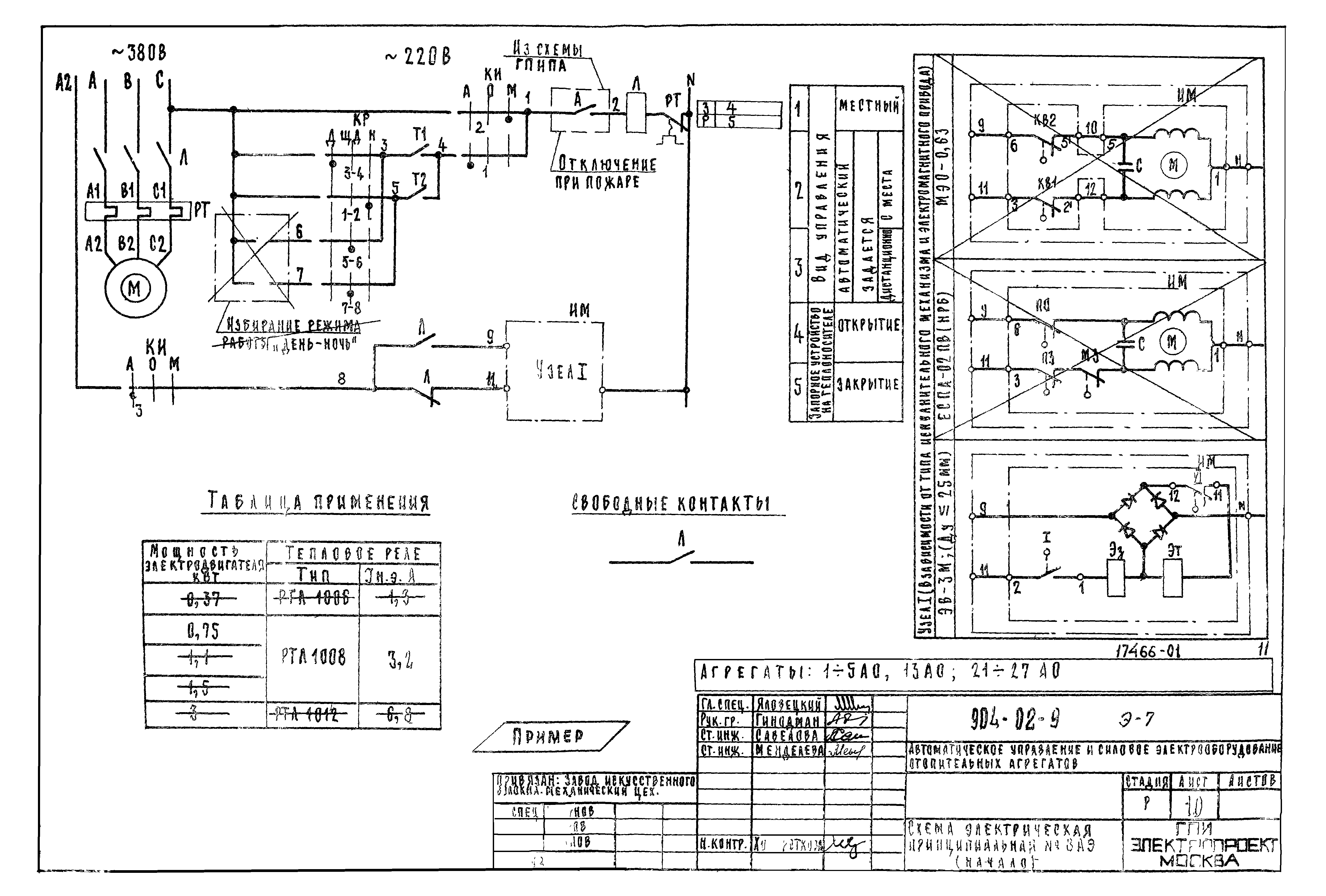
ТП 904-02-8-АЭ-7 Схема электрическая принципиальная №8АЭ
ТП 904-02-8-АЭ-8 Схема электрическая подключений №8
ТП 904-02-8-АЭ-9 Схема внешних проводок №4СВП
ТП 904-02-8-Э-9 Оптовые цены ящиков управления
Разработан: Сантехпроект Госстроя СССР
Электропроект Минмонтажспецстроя СССР
Утверждён:23.10.1981 Главпромстройпроект Госстроя СССР (82)
Расположен в:Техническая документация Строительство Справочные документы Типовые строительные конструкции, изделия и узлы Общероссийский строительный каталог Промышленные предприятия, здания и сооружения Здания и сооружения санитарно-технические Воздухоснабжение, вентиляция и кондиционирование воздуха Вентиляция, кондиционирование воздуха
Типовые проектные решения 904-02-9Типовые проектные решения 904-02-9Типовые проектные решения 904-02-9Типовые проектные решения 904-02-9Типовые проектные решения 904-02-9Типовые проектные решения 904-02-9Типовые проектные решения 904-02-9Типовые проектные решения 904-02-9Типовые проектные решения 904-02-9Типовые проектные решения 904-02-9Типовые проектные решения 904-02-9Типовые проектные решения 904-02-9Типовые проектные решения 904-02-9Типовые проектные решения 904-02-9Типовые проектные решения 904-02-9Типовые проектные решения 904-02-9Типовые проектные решения 904-02-9Типовые проектные решения 904-02-9

© 2013 Ёшкин Кот :-) Карта сайта