Информационная система
«Ёшкин Кот»

Скачать базу одним архивом
Скачать обновления
История создания базы
Карта сайта

Скачать Типовой проект 904-1-52.83 Альбом 1. Технологическая часть

Дата актуализации: 10.08.2017

Типовой проект 904-1-52.83

Альбом 1. Технологическая часть

Обозначение: Типовой проект 904-1-52.83
Обозначение англ: 904-1-52.83
Статус:действует
Название рус.:Альбом 1. Технологическая часть
Дата добавления в базу:01.09.2013
Дата актуализации:05.05.2017
Оглавление:ТП 904-1-52.83 Обложка
ТП 904-1-52.83 Титульный лист
ТП 904-1-52.83-ТХ Содержание
ТП 904-1-52.83-ТХ Общие данные
ТП 904-1-52.83-ТХ Компоновка оборудования
ТП 904-1-52.83-ТХ Спецификация на оборудование и арматуру
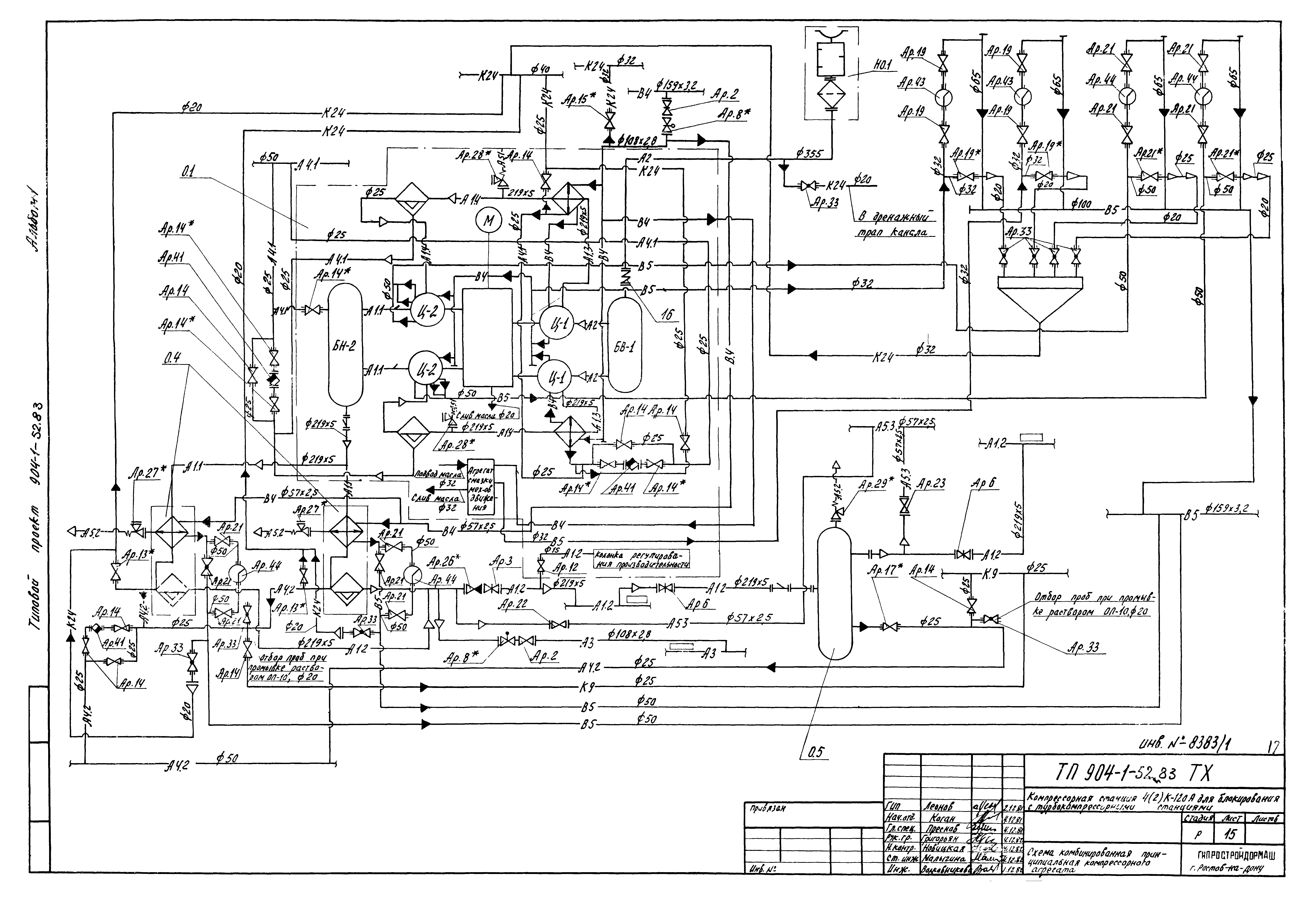
ТП 904-1-52.83-ТХ Схема комбинированная принципиальная компрессорного агрегата
ТП 904-1-52.83-ТХ Схема комбинированная принципиальная компрессорной станции
ТП 904-1-52.83-ТХ Условные обозначения
ТП 904-1-52.83-ТХ Помещение для промывки и зарядки ячеек фильтров. Разводка трубопроводов
ТП 904-1-52.83-ТХ Установочный чертеж компрессорного агрегата
ТП 904-1-52.83-ТХ Установочный чертеж концевых холодильников
ТП 904-1-52.83-ТХ Установочный чертеж воздухосборника
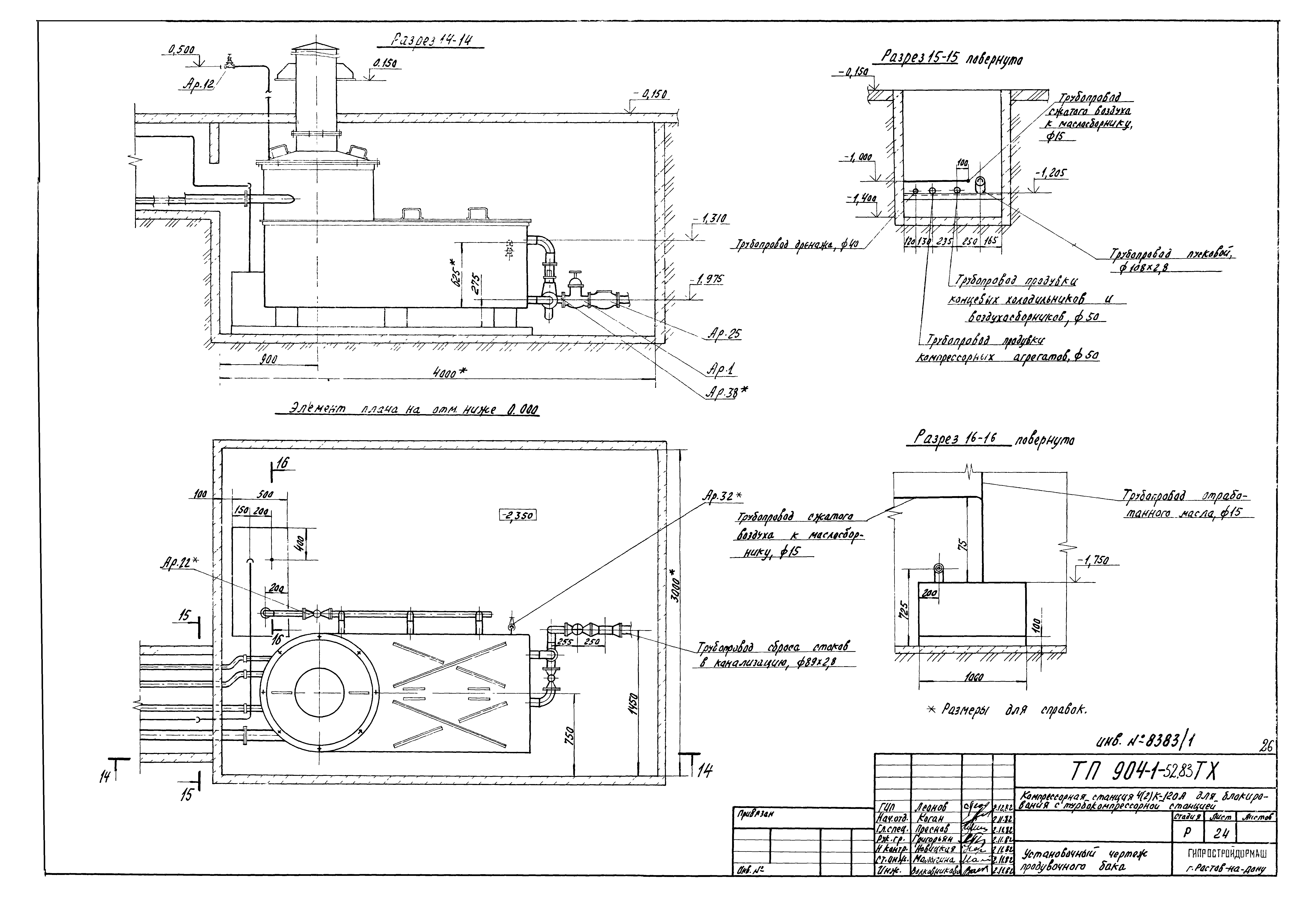
ТП 904-1-52.83-ТХ Установочный чертеж продувочного бака
ТП 904-1-52.83-ТХ Трубопроводы компрессорной станции
ТП 904-1-52.83-ТХ Сводная спецификация монтажных материалов трубопроводов
ТП 904-1-52.83-ТХ Ведомость теплоизоляционных конструкций
ТП 904-1-52.83-ТХ Размещение отборных устройств КИП
ТП 904-1-52.83 Опросный лист на кран
ТП 904-1-52.83-ТД1 Муфта ТД1
ТП 904-1-52.83-ТД2 Пробка ТД2
ТП 904-1-52.83-ТД3 Фланец ТД3
ТП 904-1-52.83-ТД4 Фланец ТД4
Разработан: Гипростройдормаш
Утверждён:02.03.1983 Минстройдормаш (Minstroydormash 6/83)
Расположен в:Техническая документация Строительство Справочные документы Типовые строительные конструкции, изделия и узлы Общероссийский строительный каталог Промышленные предприятия, здания и сооружения Здания и сооружения санитарно-технические Воздухоснабжение, вентиляция и кондиционирование воздуха Воздухоснабжение
Типовой проект 904-1-52.83Типовой проект 904-1-52.83Типовой проект 904-1-52.83Типовой проект 904-1-52.83Типовой проект 904-1-52.83Типовой проект 904-1-52.83Типовой проект 904-1-52.83Типовой проект 904-1-52.83Типовой проект 904-1-52.83Типовой проект 904-1-52.83Типовой проект 904-1-52.83Типовой проект 904-1-52.83Типовой проект 904-1-52.83Типовой проект 904-1-52.83Типовой проект 904-1-52.83Типовой проект 904-1-52.83Типовой проект 904-1-52.83Типовой проект 904-1-52.83Типовой проект 904-1-52.83Типовой проект 904-1-52.83Типовой проект 904-1-52.83Типовой проект 904-1-52.83Типовой проект 904-1-52.83Типовой проект 904-1-52.83Типовой проект 904-1-52.83Типовой проект 904-1-52.83Типовой проект 904-1-52.83Типовой проект 904-1-52.83Типовой проект 904-1-52.83Типовой проект 904-1-52.83Типовой проект 904-1-52.83Типовой проект 904-1-52.83Типовой проект 904-1-52.83Типовой проект 904-1-52.83Типовой проект 904-1-52.83Типовой проект 904-1-52.83Типовой проект 904-1-52.83Типовой проект 904-1-52.83Типовой проект 904-1-52.83Типовой проект 904-1-52.83Типовой проект 904-1-52.83Типовой проект 904-1-52.83Типовой проект 904-1-52.83Типовой проект 904-1-52.83

© 2013 Ёшкин Кот :-) Карта сайта