Информационная система
«Ёшкин Кот»

Скачать базу одним архивом
Скачать обновления
История создания базы
Карта сайта

Скачать Типовой проект 902-2-403.86 Альбом IV. Силовое электрооборудование. Электрическое освещение. Автоматизация. Связь и сигнализация

Дата актуализации: 10.08.2017

Типовой проект 902-2-403.86

Альбом IV. Силовое электрооборудование. Электрическое освещение. Автоматизация. Связь и сигнализация

Обозначение: Типовой проект 902-2-403.86
Обозначение англ: 902-2-403.86
Статус:заменен
Название рус.:Альбом IV. Силовое электрооборудование. Электрическое освещение. Автоматизация. Связь и сигнализация
Дата добавления в базу:01.09.2013
Дата актуализации:05.05.2017
Дата введения:01.10.1987
Оглавление:ТП 902-2-403.86 Титульный лист
ТП 902-2-403.86 Содержание альбома
ТП 902-2-403.86-ЭМ Силовое электрооборудование ЭМ
ТП 902-2-403.86-ЭМ-1 Общие данные
ТП 902-2-403.86-ЭМ-2 Распределительная сеть ~380/220 В. Шкафы АР1,АР2. Схема принципиальная однолинейная
ТП 902-2-403.86-ЭМ-3 Вентиляторы М1/М2,М3,М5/. Схема принципиальная управления. Схема подключения
ТП 902-2-403.86-ЭМ-4 Кабельный журнал. Сводка кабелей и проводов учтенных кабельным журналом
ТП 902-2-403.86-ЭМ-5 Кабельная раскладка. План на отметке 0.000. Венткамера. Крышные вентиляторы
ТП 902-2-403.86-ЭМ-6 Молниезащита
ТП 902-2-403.86-ЭО Электрическое освещение ЭО
ТП 902-2-403.86-ЭО-1 Общие данные
ТП 902-2-403.86-ЭО-2 Планы на отм. 0.000;3.600. Питающая сеть. Схема принципиальная. Таблица щитков. Ведомость комплектных линий и узлов
ТП 902-2-403.86-А Автоматизация А
ТП 902-2-403.86-А-1 Общие данные (начало)
ТП 902-2-403.86-А-2 Общие данные (продолжение)
ТП 902-2-403.86-А-3 Общие данные (окончание)
ТП 902-2-403.86-А-4 Схема функциональная (начало)
ТП 902-2-403.86-А-5 Схема функциональная (продолжение)
ТП 902-2-403.86-А-6 Приточная система П1. Схема функциональная
ТП 902-2-403.86-А-7 Тепловой узел. Схема функциональная. Схема внешних проводок
ТП 902-2-403.86-А-8 Насосы Р-3. Схема электрическая принципиальная управления
ТП 902-2-403.86-А-9 Насосы Р-7. Схема электрическая принципиальная управления
ТП 902-2-403.86-А-10 Газодувки Р-15. Схема электрическая принципиальная управления
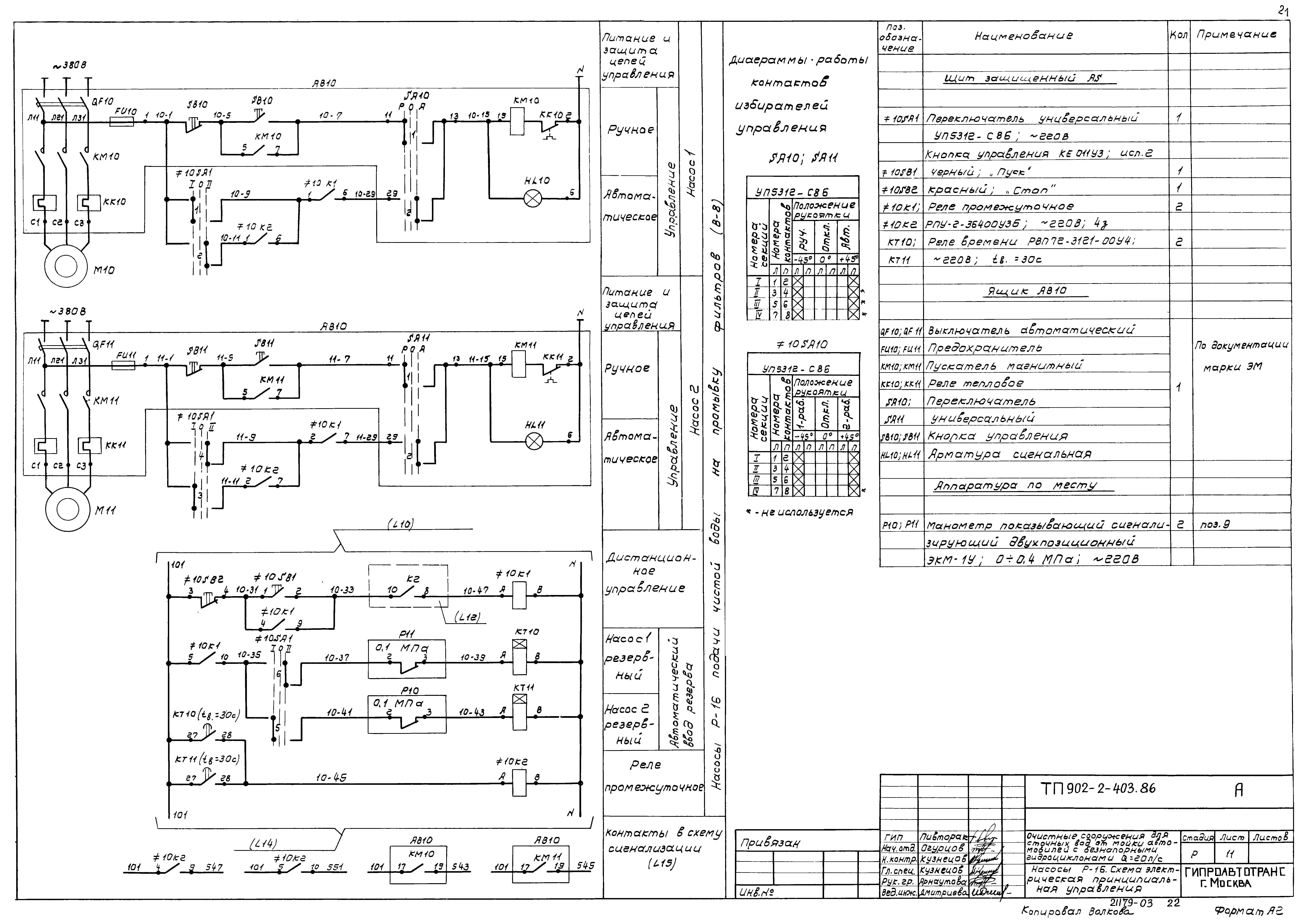
ТП 902-2-403.86-А-11 Насосы Р-16. Схема электрическая принципиальная управления
ТП 902-2-403.86-А-12 Схема электрическая принципиальная. Системы измерений (начало)
ТП 902-2-403.86-А-13 Схема электрическая принципиальная. Системы измерений (окончание)
ТП 902-2-403.86-А-14 Схема электрическая принципиальная. Сигнализации (начало)
ТП 902-2-403.86-А-15 Схема электрическая принципиальная. Сигнализации (окончание)
ТП 902-2-403.86-А-16 Насосы Р-10. Схема электрическая принципиальная управления (начало)
ТП 902-2-403.86-А-17 Насосы Р-10. Схема электрическая принципиальная управления (продолжение)
ТП 902-2-403.86-А-18 Насосы Р-10. Схема электрическая принципиальная управления (окончание)
ТП 902-2-403.86-А-19 Приточная система П1. Схема электрическая принципиальная управления (начало)
ТП 902-2-403.86-А-20 Приточная система П1. Схема электрическая принципиальная управления (окончание)
ТП 902-2-403.86-А-21 Приточная система П1. Схема электрическая принципиальная регулирования
ТП 902-2-403.86-А-22 Схема внешних проводок (начало)
ТП 902-2-403.86-А-23 Схема внешних проводок (продолжение)
ТП 902-2-403.86-А-24 Схема внешних проводок (окончание)
ТП 902-2-403.86-А-25 Насосы Р10. Схема внешних проводок (начало)
ТП 902-2-403.86-А-26 Насосы Р10. Схема внешних проводок (продолжение)
ТП 902-2-403.86-А-27 Насосы Р10. Схема внешних проводок (окончание)
ТП 902-2-403.86-А-28 Приточная система П1. Схема внешних проводок (начало)
ТП 902-2-403.86-А-29 Приточная система П1. Схема внешних проводок (окончание)
ТП 902-2-403.86-А-30 Планы расположения
ТП 902-2-403.86-СС Связь и сигнализация СС
ТП 902-2-403.86-СС-1 Общие данные. План на отм. 3.500. Фасад А-Б. Сети связи
Разработан: Гипроавтотранс
Утверждён:27.03.1985 Минавтотранс РСФСР (Russian Federation Minavtotrans 55)
Расположен в:Техническая документация Строительство Справочные документы Типовые строительные конструкции, изделия и узлы Общероссийский строительный каталог Промышленные предприятия, здания и сооружения Здания и сооружения санитарно-технические Канализация Сооружения для очистки производственных сточных вод Сооружения для очистки сточных вод от мойки автомобилей
Чем заменён:
Типовой проект 902-2-403.86Типовой проект 902-2-403.86Типовой проект 902-2-403.86Типовой проект 902-2-403.86Типовой проект 902-2-403.86Типовой проект 902-2-403.86Типовой проект 902-2-403.86Типовой проект 902-2-403.86Типовой проект 902-2-403.86Типовой проект 902-2-403.86Типовой проект 902-2-403.86Типовой проект 902-2-403.86Типовой проект 902-2-403.86Типовой проект 902-2-403.86Типовой проект 902-2-403.86Типовой проект 902-2-403.86Типовой проект 902-2-403.86Типовой проект 902-2-403.86Типовой проект 902-2-403.86Типовой проект 902-2-403.86Типовой проект 902-2-403.86Типовой проект 902-2-403.86Типовой проект 902-2-403.86Типовой проект 902-2-403.86Типовой проект 902-2-403.86Типовой проект 902-2-403.86Типовой проект 902-2-403.86Типовой проект 902-2-403.86Типовой проект 902-2-403.86Типовой проект 902-2-403.86Типовой проект 902-2-403.86Типовой проект 902-2-403.86Типовой проект 902-2-403.86Типовой проект 902-2-403.86Типовой проект 902-2-403.86Типовой проект 902-2-403.86Типовой проект 902-2-403.86Типовой проект 902-2-403.86Типовой проект 902-2-403.86Типовой проект 902-2-403.86Типовой проект 902-2-403.86Типовой проект 902-2-403.86Типовой проект 902-2-403.86

© 2013 Ёшкин Кот :-) Карта сайта