Информационная система
«Ёшкин Кот»

Скачать базу одним архивом
Скачать обновления
История создания базы
Карта сайта

Скачать Типовой проект 407-3-683.10 Альбом 4. Электротехническая часть с оборудованием на переменном оперативном токе и микропроцессорными устройствами РЗ и А типа БЭМП-РУ

Дата актуализации: 10.08.2017

Типовой проект 407-3-683.10

Альбом 4. Электротехническая часть с оборудованием на переменном оперативном токе и микропроцессорными устройствами РЗ и А типа БЭМП-РУ

Обозначение: Типовой проект 407-3-683.10
Обозначение англ: 407-3-683.10
Статус:не определен законодательством
Название рус.:Альбом 4. Электротехническая часть с оборудованием на переменном оперативном токе и микропроцессорными устройствами РЗ и А типа БЭМП-РУ
Дата добавления в базу:01.09.2013
Дата актуализации:05.05.2017
Дата введения:20.05.2010
Оглавление:ТП 407-3-683.10-ЭП5 Электротехническая часть
ТП 407-3-683.10-ЭП5-1 Общие данные (начало)
ТП 407-3-683.10-ЭП5-2 Общие данные (продолжение)
ТП 407-3-683.10-ЭП5-3 Общие данные (окончание)
ТП 407-3-683.10-ЭП5-4 Схема электрических соединений 10(6) кВ (начало)
ТП 407-3-683.10-ЭП5-5 Схема электрических соединений 10(6) кВ (окончание)
ТП 407-3-683.10-ЭП5-6 Схема электрических соединений 0,4 кВ.
ТП 407-3-683.10-ЭП5-7 Основное оборудование щита 0,4 кВ
ТП 407-3-683.10-ЭП5-8 План и разрезы РП (начало)
ТП 407-3-683.10-ЭП5-9 План и разрезы РП (окончание)
ТП 407-3-683.10-ЭП5-10 Кабельный журнал (начало)
ТП 407-3-683.10-ЭП5-11 Кабельный журнал (окончание)
ТП 407-3-683.10-ЭП5-12 План прокладки кабелей
ТП 407-3-683.10-ЭП5-13 Камера ввода 10(6) кВ с устройством БЭМП РУ-ВВ. Схема электрическая принципиальная (начало)
ТП 407-3-683.10-ЭП5-14 Камера ввода 10(6) кВ с устройством БЭМП РУ-ВВ. Схема электрическая принципиальная (продолжение)
ТП 407-3-683.10-ЭП5-15 Камера ввода 10(6) кВ с устройством БЭМП РУ-ВВ. Схема электрическая принципиальная (продолжение)
ТП 407-3-683.10-ЭП5-16 Камера ввода 10(6) кВ с устройством БЭМП РУ-ВВ. Схема электрическая принципиальная (продолжение)
ТП 407-3-683.10-ЭП5-17 Камера ввода 10(6) кВ с устройством БЭМП РУ-ВВ. Схема электрическая принципиальная (продолжение)
ТП 407-3-683.10-ЭП5-18 Камера ввода 10(6) кВ с устройством БЭМП РУ-ВВ. Схема электрическая принципиальная (окончание)
ТП 407-3-683.10-ЭП5-19 Камера секционного выключателя 10(6) кВ с устройством БЭМП РУ-СВ. Схема электрическая принципиальная (начало)
ТП 407-3-683.10-ЭП5-20 Камера секционного выключателя 10(6) кВ с устройством БЭМП РУ-СВ. Схема электрическая принципиальная (продолжение)
ТП 407-3-683.10-ЭП5-21 Камера секционного выключателя 10(6) кВ с устройством БЭМП РУ-СВ. Схема электрическая принципиальная (продолжение)
ТП 407-3-683.10-ЭП5-22 Камера секционного выключателя 10(6) кВ с устройством БЭМП РУ-СВ. Схема электрическая принципиальная (продолжение)
ТП 407-3-683.10-ЭП5-23 Камера секционного выключателя 10(6) кВ с устройством БЭМП РУ-СВ. Схема электрическая принципиальная (продолжение)
ТП 407-3-683.10-ЭП5-24 Камера секционного выключателя 10(6) кВ с устройством БЭМП РУ-СВ. Схема электрическая принципиальная (окончание)
ТП 407-3-683.10-ЭП5-25 Камера отходящей линии 10(6) кВ с устройством БЭМП РУ-ОЛ. Схема электрическая принципиальная (начало)
ТП 407-3-683.10-ЭП5-26 Камера отходящей линии 10(6) кВ с устройством БЭМП РУ-ОЛ. Схема электрическая принципиальная (продолжение)
ТП 407-3-683.10-ЭП5-27 Камера отходящей линии 10(6) кВ с устройством БЭМП РУ-ОЛ. Схема электрическая принципиальная (продолжение)
ТП 407-3-683.10-ЭП5-28 Камера отходящей линии 10(6) кВ с устройством БЭМП РУ-ОЛ. Схема электрическая принципиальная (продолжение)
ТП 407-3-683.10-ЭП5-29 Камера отходящей линии 10(6) кВ с устройством БЭМП РУ-ОЛ. Схема электрическая принципиальная (окончание)
ТП 407-3-683.10-ЭП5-30 Камера линии 10(6) кВ к трансформатору с устройством БЭМП РУ-ОЛ. Схема электрическая принципиальная (начало)
ТП 407-3-683.10-ЭП5-31 Камера линии 10(6) кВ к трансформатору с устройством БЭМП РУ-ОЛ. Схема электрическая принципиальная (продолжение)
ТП 407-3-683.10-ЭП5-32 Камера линии 10(6) кВ к трансформатору с устройством БЭМП РУ-ОЛ. Схема электрическая принципиальная (продолжение)
ТП 407-3-683.10-ЭП5-33 Камера линии 10(6) кВ к трансформатору с устройством БЭМП РУ-ОЛ. Схема электрическая принципиальная (продолжение)
ТП 407-3-683.10-ЭП5-34 Камера линии 10(6) кВ к трансформатору с устройством БЭМП РУ-ОЛ. Схема электрическая принципиальная (окончание)
ТП 407-3-683.10-ЭП5-35 Камера ТН на шинах 10(6) кВ с устройством БЭМП РУ-ТН. Схема электрическая принципиальная (начало)
ТП 407-3-683.10-ЭП5-36 Камера ТН на шинах 10(6) кВ с устройством БЭМП РУ-ТН. Схема электрическая принципиальная (продолжение)
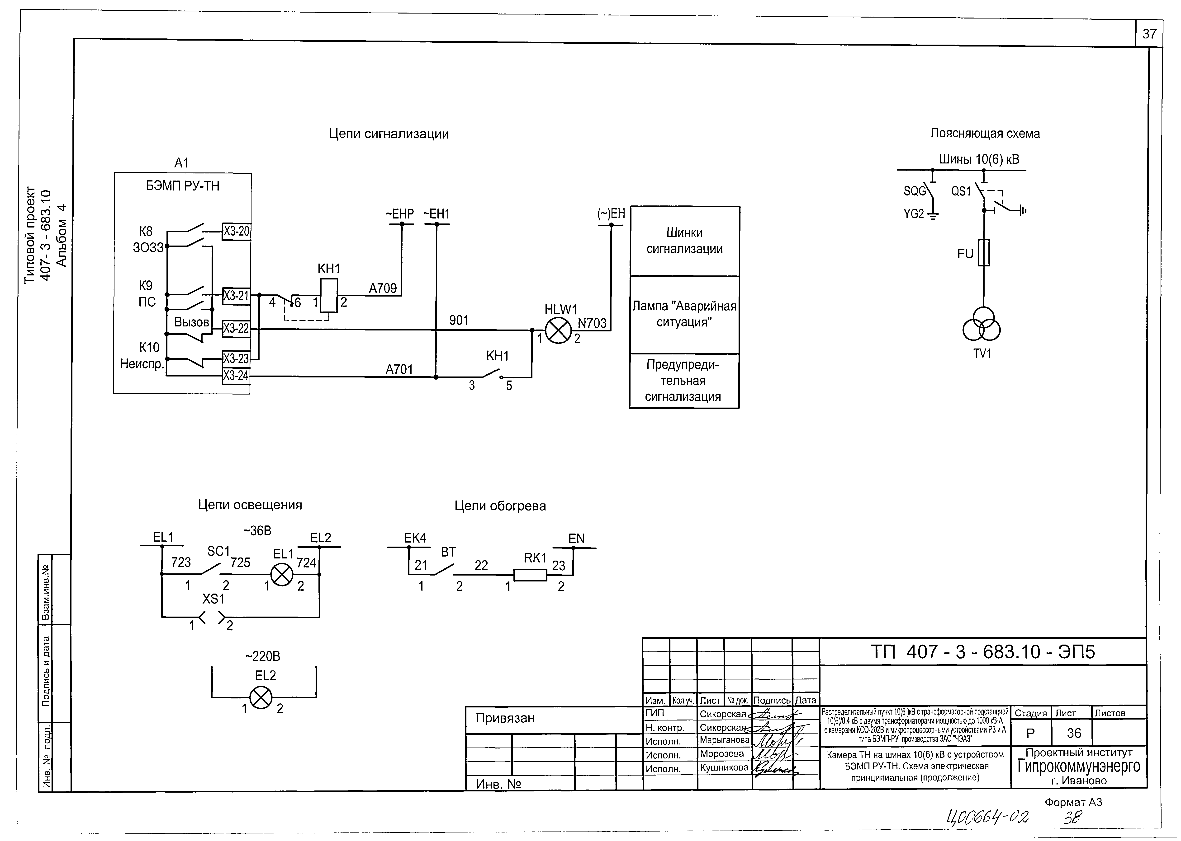
ТП 407-3-683.10-ЭП5-37 Камера ТН на шинах 10(6) кВ с устройством БЭМП РУ-ТН. Схема электрическая принципиальная (продолжение)
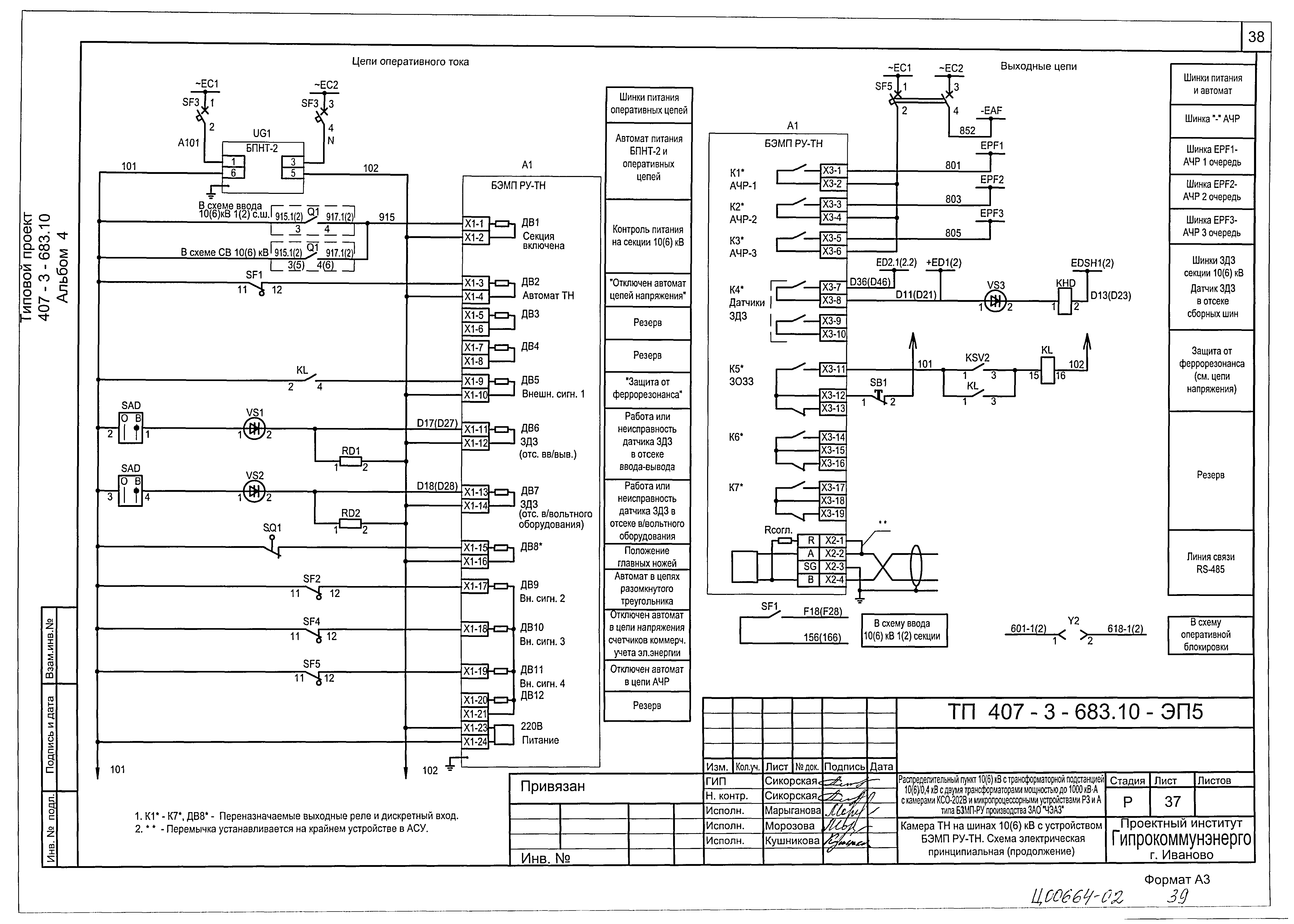
ТП 407-3-683.10-ЭП5-38 Камера ТН на шинах 10(6) кВ с устройством БЭМП РУ-ТН. Схема электрическая принципиальная (продолжение)
ТП 407-3-683.10-ЭП5-39 Камера ТН на шинах 10(6) кВ с устройством БЭМП РУ-ТН. Схема электрическая принципиальная (окончание)
ТП 407-3-683.10-ЭП5-40 Подключение 2-х элементного счетчика типа ЕА (трансформаторы тока в 2-х фазах). Схема электрическая принципиальная
ТП 407-3-683.10-ЭП5-41 Подключение 2-х элементного счетчика типа ЕА совместно с измерениями (трансформаторы тока в 2-х фазах). Схема электрическая принципиальная
ТП 407-3-683.10-ЭП5-42 Подключение 2-х элементного счетчика типа СЭТ-4ТМ (трансформаторы тока в 2-х фазах). Схема электрическая принципиальная
ТП 407-3-683.10-ЭП5-43 Подключение 2-х элементного счетчика типа СЭТ-4ТМ совместно с измерениями (трансформаторы тока в 2-х фазах). Схема электрическая принципиальная
ТП 407-3-683.10-ЭП5-44 Защита от дуговых замыканий. Схема электрическая принципиальная (начало)
ТП 407-3-683.10-ЭП5-45 Защита от дуговых замыканий. Схема электрическая принципиальная (окончание)
ТП 407-3-683.10-ЭП5-46 Логическая защита шин 10(6) кВ. Схема электрическая принципиальная
ТП 407-3-683.10-ЭП5-47 Схема оперативной блокировки разъединителей
ТП 407-3-683.10-ЭП5-48 РУ-10(6) кВ. План шинок (начало)
ТП 407-3-683.10-ЭП5-49 РУ-10(6) кВ. План шинок (окончание)
ТП 407-3-683.10-ЭП5-50 Схема собственных нужд (начало)
ТП 407-3-683.10-ЭП5-51 Схема собственных нужд (окончание)
ТП 407-3-683.10-ЭП5-52 Ввод 0,4 кВ трансформатора. Схема электрическая принципиальная
ТП 407-3-683.10-ЭП5-53 Секционный автомат 0,4 кВ. Схема электрическая принципиальная
ТП 407-3-683.10-ЭП5-54 Ввод 0,4 кВ трансформатора. Перечень аппаратуры
ТП 407-3-683.10-ЭП5-55 Секционный автомат 0,4 кВ. Перечень аппаратуры
ТП 407-3-683.10-ЭП5-56 РУ-10(6) кВ. Ряды зажимов камеры ввода (начало)
ТП 407-3-683.10-ЭП5-57 РУ-10(6) кВ. Ряды зажимов камеры ввода (окончание)
ТП 407-3-683.10-ЭП5-58 РУ-10(6) кВ. Ряды зажимов камеры секционного выключателя (начало)
ТП 407-3-683.10-ЭП5-59 РУ-10(6) кВ. Ряды зажимов камеры секционного выключателя (окончание)
ТП 407-3-683.10-ЭП5-60 РУ-10(6) кВ. Ряды зажимов камеры отходящей линии (начало)
ТП 407-3-683.10-ЭП5-61 РУ-10(б) кВ. Ряды зажимов камеры отходящей линии (окончание)
ТП 407-3-683.10-ЭП5-62 РУ-10(6) кВ. Ряды зажимов камеры линии к трансформатору (начало)
ТП 407-3-683.10-ЭП5-63 РУ-10(6) кВ. Ряды зажимов камеры линии к трансформатору (окончание)
ТП 407-3-683.10-ЭП5-64 РУ-10(6) кВ. Ряды зажимов камеры трансформатора напряжения (начало)
ТП 407-3-683.10-ЭП5-65 РУ-10(6) кВ. Ряды зажимов камеры трансформатора напряжения (окончание)
ТП 407-3-683.10-ЭП5-66 РУ-10(6) кВ. Ряды зажимов камеры собственных нужд (начало)
ТП 407-3-683.10-ЭП5-67 РУ-10(6) кВ. Ряды зажимов камеры собственных нужд (окончание)
ТП 407-3-683.10-ЭП5-68 Трансформатор Т1(Т2). Ряды зажимов панелей вводов
ТП 407-3-683.10-ЭП5-69 Секционный автомат 0,4 кВ. Ряд зажимов панели
Разработан: Гипрокоммунэнерго
Утверждён:20.05.2010 ЗАО ЧЭАЗ (194)
Расположен в:Техническая документация Строительство Справочные документы Типовые строительные конструкции, изделия и узлы Общероссийский строительный каталог Промышленные предприятия, здания и сооружения Предприятия, здания и сооружения промышленности и электроэнергетики Электроэнергетика Устройства и подстанции распределительные
Типовой проект 407-3-683.10Типовой проект 407-3-683.10Типовой проект 407-3-683.10Типовой проект 407-3-683.10Типовой проект 407-3-683.10Типовой проект 407-3-683.10Типовой проект 407-3-683.10Типовой проект 407-3-683.10Типовой проект 407-3-683.10Типовой проект 407-3-683.10Типовой проект 407-3-683.10Типовой проект 407-3-683.10Типовой проект 407-3-683.10Типовой проект 407-3-683.10Типовой проект 407-3-683.10Типовой проект 407-3-683.10Типовой проект 407-3-683.10Типовой проект 407-3-683.10Типовой проект 407-3-683.10Типовой проект 407-3-683.10Типовой проект 407-3-683.10Типовой проект 407-3-683.10Типовой проект 407-3-683.10Типовой проект 407-3-683.10Типовой проект 407-3-683.10Типовой проект 407-3-683.10Типовой проект 407-3-683.10Типовой проект 407-3-683.10Типовой проект 407-3-683.10Типовой проект 407-3-683.10Типовой проект 407-3-683.10Типовой проект 407-3-683.10Типовой проект 407-3-683.10Типовой проект 407-3-683.10Типовой проект 407-3-683.10Типовой проект 407-3-683.10Типовой проект 407-3-683.10Типовой проект 407-3-683.10Типовой проект 407-3-683.10Типовой проект 407-3-683.10Типовой проект 407-3-683.10Типовой проект 407-3-683.10Типовой проект 407-3-683.10Типовой проект 407-3-683.10Типовой проект 407-3-683.10Типовой проект 407-3-683.10Типовой проект 407-3-683.10Типовой проект 407-3-683.10Типовой проект 407-3-683.10Типовой проект 407-3-683.10Типовой проект 407-3-683.10Типовой проект 407-3-683.10Типовой проект 407-3-683.10Типовой проект 407-3-683.10Типовой проект 407-3-683.10Типовой проект 407-3-683.10Типовой проект 407-3-683.10Типовой проект 407-3-683.10Типовой проект 407-3-683.10Типовой проект 407-3-683.10Типовой проект 407-3-683.10Типовой проект 407-3-683.10Типовой проект 407-3-683.10Типовой проект 407-3-683.10Типовой проект 407-3-683.10Типовой проект 407-3-683.10Типовой проект 407-3-683.10Типовой проект 407-3-683.10Типовой проект 407-3-683.10Типовой проект 407-3-683.10

© 2013 Ёшкин Кот :-) Карта сайта