Скачать Типовой проект 902-9-28.85 Альбом 2.88. Электротехнические решения, автоматизация и технологический контроль. Задания заводам-изготовителямДата актуализации: 10.08.2017 Типовой проект 902-9-28.85
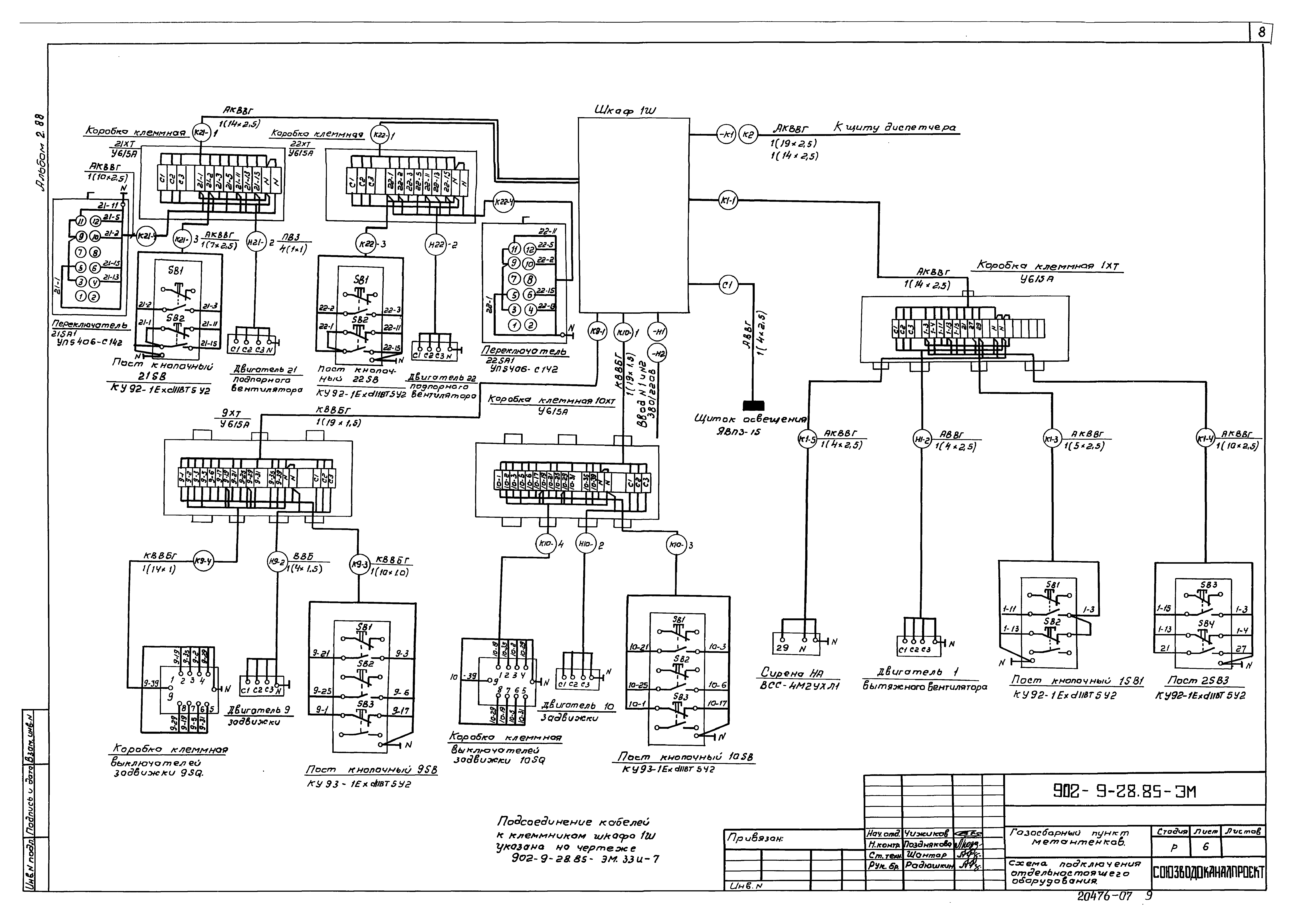
Альбом 2.88. Электротехнические решения, автоматизация и технологический контроль. Задания заводам-изготовителямОбозначение: | Типовой проект 902-9-28.85 | Обозначение англ: | 902-9-28.85 | Статус: | не определен законодательством | Название рус.: | Альбом 2.88. Электротехнические решения, автоматизация и технологический контроль. Задания заводам-изготовителям | Дата добавления в базу: | 01.09.2013 | Дата актуализации: | 05.05.2017 | Дата введения: | 07.05.1985 | Оглавление: | ТП 902-9-28.85 Титульный лист ТП 902-9-28.85 Содержание альбома ТП 902-9-28.85-ЭМ Основной комплект ЭМ ТП 902-9-28.85-ЭМ-1 Общие данные ТП 902-9-28.85-ЭМ-2 Схема принципиальная однолинейная сети 380/220 в ТП 902-9-28.85-ЭМ-3 Схема принципиальная управления задвижкой №9(10) ТП 902-9-28.85-ЭМ-4 Схема принципиальная управления выдвижным вентилятором №1 ТП 902-9-28.85-ЭМ-5 Схема принципиальная управления подпорным вентилятором №21(22) ТП 902-9-28.85-ЭМ-6 Схема подключения отдельностоящего оборудования ТП 902-9-28.85-ЭМ-7 Кабельный журнал ТП 902-9-28.85-ЭМ-8 Расположение электрооборудования и прокладка кабелей ТП 902-9-28.85-ЭМ-9 Электроосвещение ТП 902-9-28.85-ЭМ-10 Молниезащита ТП 902-9-28.85-ЭМ-11 Шкаф 1Ш. Схема подключений ТП 902-9-28.85-ЭМ Задание заводу-изготовителю на шкаф 1 Ш ЭМ.33И ТП 902-9-28.85-ЭМ.33И-1 Содержание задания заводу-изготовителю ТП 902-9-28.85-ЭМ.33И-2 Таблица комплектных устройств ТП 902-9-28.85-ЭМ.33И-3 Шкаф 1Ш. Технические данные аппаратов ТП 902-9-28.85-ЭМ.33И-4 Шкаф 1Ш. Общий вид ТП 902-9-28.85-ЭМ.33И-5 Шкаф 1Ш. Таблица перечня надписей ТП 902-9-28.85-ЭМ.33И-6 Шкаф 1Ш. Схема электрическая соединений ТП 902-9-28.85-АГС Основной комплект АГС ТП 902-9-28.85-АГС-1 Общие данные ТП 902-9-28.85-АГС-2 Функциональная схема ТП 902-9-28.85-АГС-3 Схема электрическая принципиальная распределительной сети ТП 902-9-28.85-АГС-4 Схема принципиальная аварийной сигнализации ТП 902-9-28.85-АГС-5 Схема принципиальная технологической сигнализации ТП 902-9-28.85-АГС-6 Схема соединений внешних проводок ТП 902-9-28.85-АГС-7 Расположение оборудования, прокладка кабелей и труб ТП 902-9-28.85-АГС Задание заводу-изготовителю на щиты ТП 902-9-28.85-АГС-001 Содержание ТП 902-9-28.85-АГС-002 Щит метантенков №№1,2.№1,2. Общий вид (начало) ТП 902-9-28.85-АГС-002 Щит метантенков №1,№2. Общий вид (продолжение) ТП 902-9-28.85-АГС-002 Щит метантенков №1,№2. Общий вид (окончание) ТП 902-9-28.85-АГС-003 Щит №3. Таблица соединений (начало) ТП 902-9-28.85-АГС-003 Щит №1. Таблица соединений (окончание) ТП 902-9-28.85-АГС-004 Щит №1. Таблица подключения (начало) ТП 902-9-28.85-АГС-004 Щит №1. Таблица подключения (продолжение) ТП 902-9-28.85-АГС-004 Щит №1. Таблица подключения (окончание) ТП 902-9-28.85-АГС-005 Щит №2. Таблица соединений (начало) ТП 902-9-28.85-АГС-005 Щит №2. Таблица соединений (окончание) ТП 902-9-28.85-АГС-006 Щит №2. Таблица подключения (начало) ТП 902-9-28.85-АГС-006 Щит №2. Таблица подключения (окончание) ТП 902-9-28.85-АГС-007 Стойка статива БИК-1. Общий вид (начало) ТП 902-9-28.85-АГС-007 Стойка статива БИК-1. Общий вид (окончание) ТП 902-9-28.85-АГС-008 Стойка статива БИК-1. Таблица соединений ТП 902-9-28.85-АГС-009 Стойка статива БИК-1. Таблица подключения | Разработан: | Союзводоканалпроект
| Утверждён: | 12.10.1984 Госстрой СССР (Государственный комитет Совета Министров СССР по делам строительства) (USSR Gosstroy ИИ-29)
| Расположен в: |
|
                                         
|