Скачать Типовые проектные решения 402-11-0133.22.87 Альбом I. Пояснительная записка, технологические решения, архитектурно-строительные решения, отопление и вентиляция, водоснабжение и канализация, пожаротушение, силовое электрооборудование, электрическое освещение, автоматизация, пожарная сигнализацияДата актуализации: 10.08.2017 Типовые проектные решения 402-11-0133.22.87
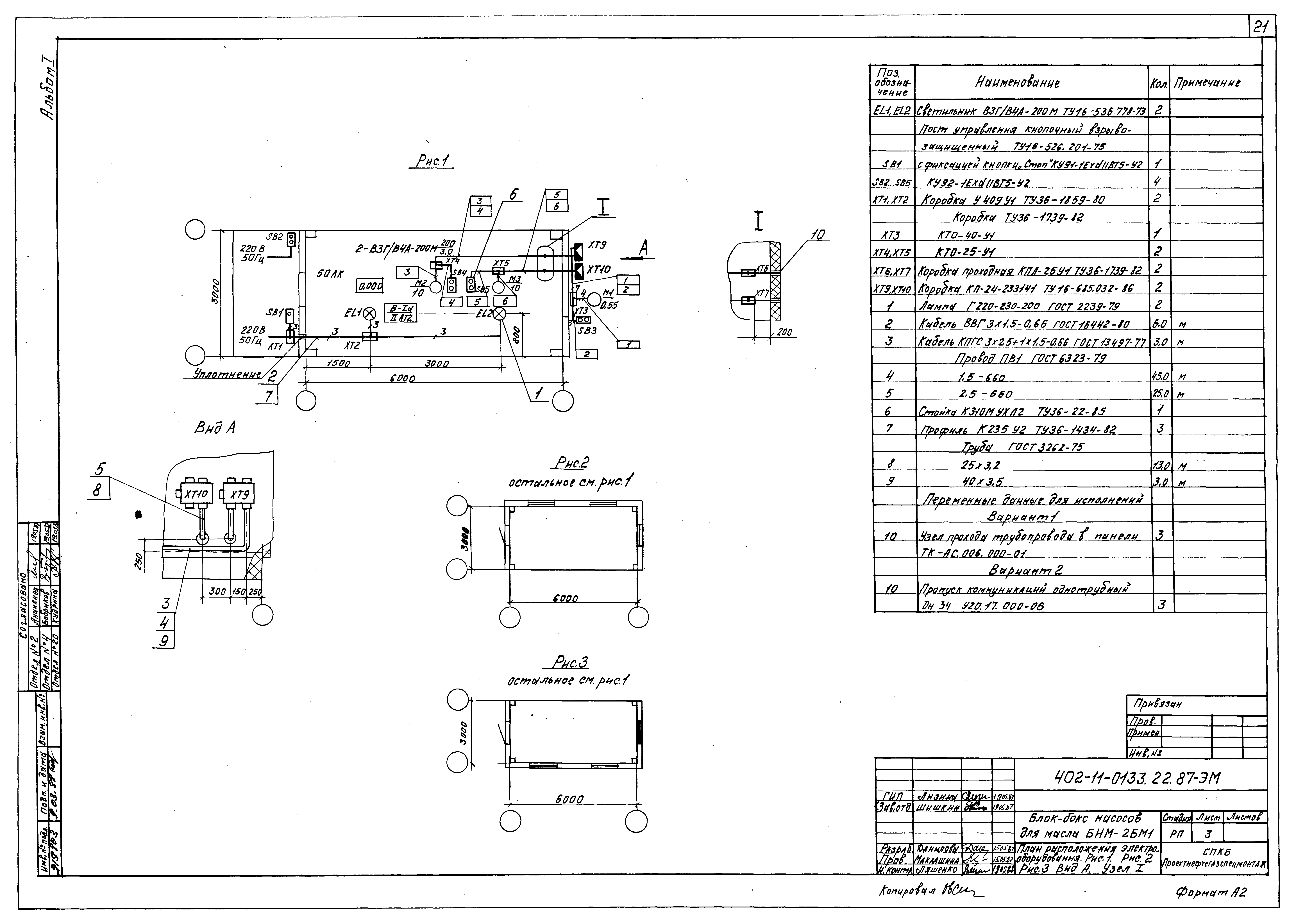
Альбом I. Пояснительная записка, технологические решения, архитектурно-строительные решения, отопление и вентиляция, водоснабжение и канализация, пожаротушение, силовое электрооборудование, электрическое освещение, автоматизация, пожарная сигнализацияОбозначение: | Типовые проектные решения 402-11-0133.22.87 | Обозначение англ: | 402-11-0133.22.87 | Статус: | cправочные материалы, мп, тпр | Название рус.: | Альбом I. Пояснительная записка, технологические решения, архитектурно-строительные решения, отопление и вентиляция, водоснабжение и канализация, пожаротушение, силовое электрооборудование, электрическое освещение, автоматизация, пожарная сигнализация | Дата добавления в базу: | 01.09.2013 | Дата актуализации: | 05.05.2017 | Дата введения: | 02.12.1987 | Разработан: | СПКБ Проектнефтегазспецмонтаж
| Утверждён: | 02.12.1987 Миннефтегазстрой (Minneftegazstroy 407)
| Расположен в: |
|
                          
|