Скачать Серия ИИ22-2 Типовые конструкции многоэтажных промышленных зданий. Железобетонные колонны высоты этажей 4,8 м и 6,0 мДата актуализации: 10.08.2017 Серия ИИ22-2
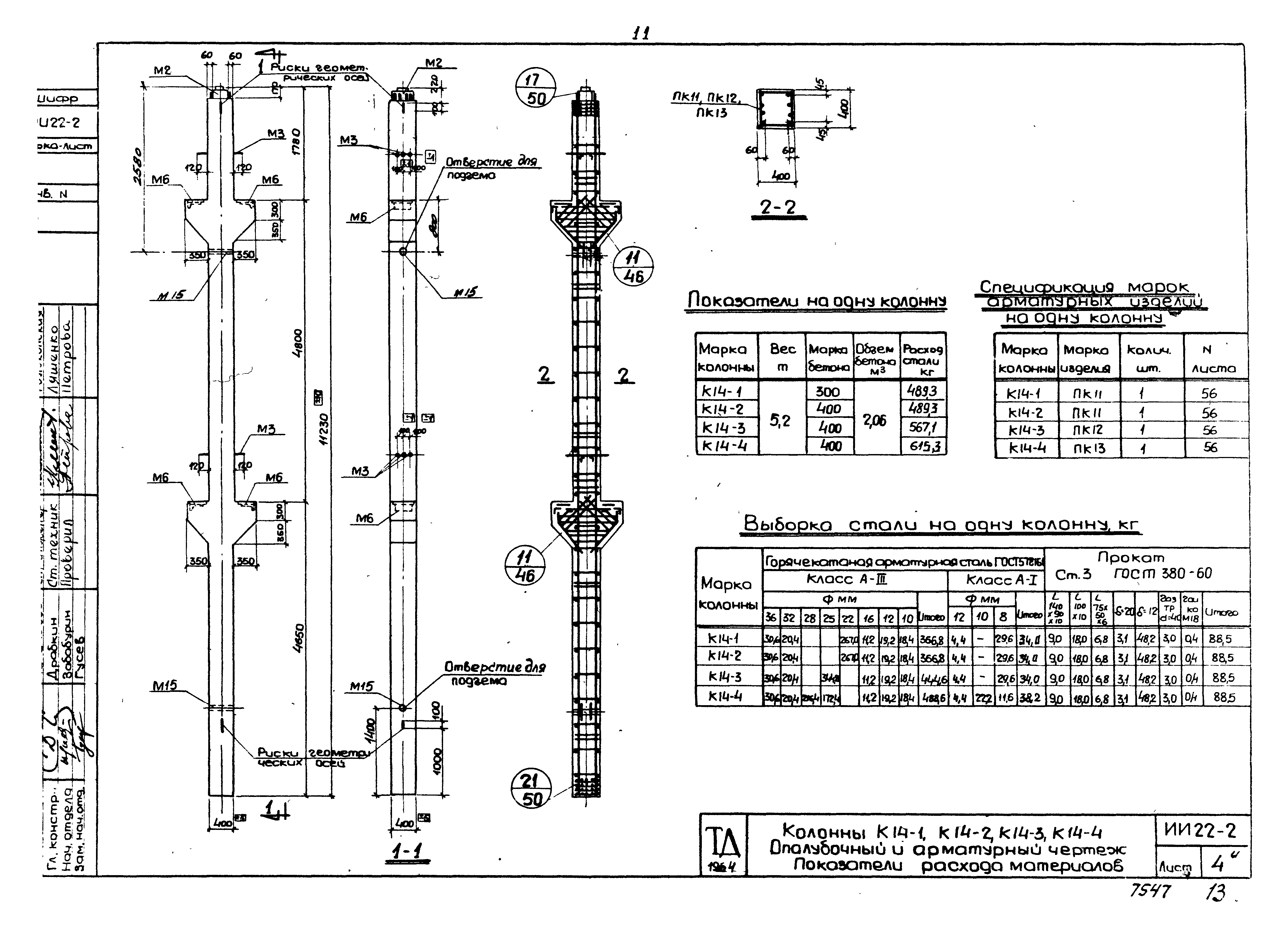
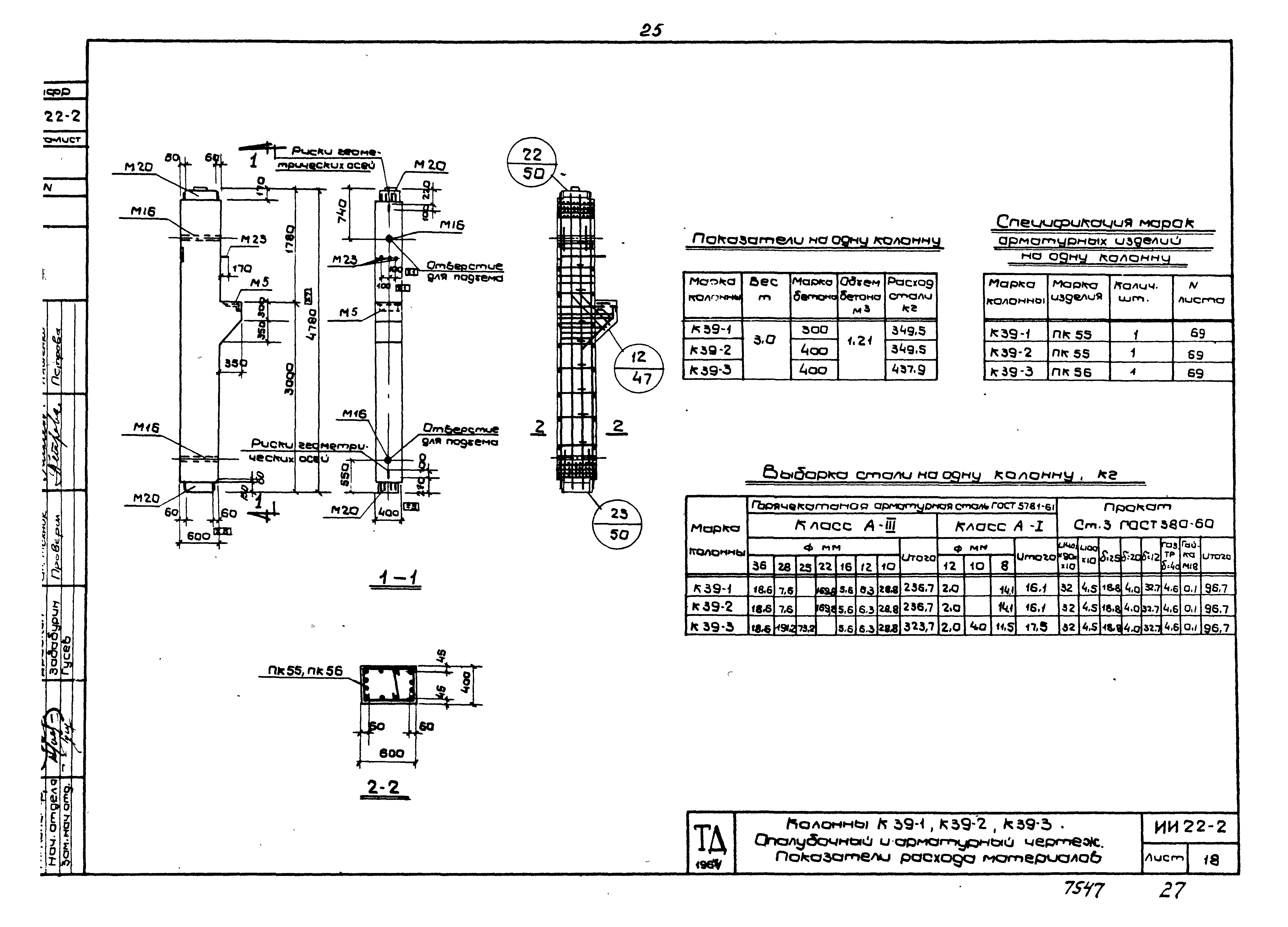
Типовые конструкции многоэтажных промышленных зданий. Железобетонные колонны высоты этажей 4,8 м и 6,0 мОбозначение: | Серия ИИ22-2 | Обозначение англ: | Series ИИ22-2 | Статус: | действует | Название рус.: | Типовые конструкции многоэтажных промышленных зданий. Железобетонные колонны высоты этажей 4,8 м и 6,0 м | Дата добавления в базу: | 01.09.2013 | Дата актуализации: | 05.05.2017 | Оглавление: | ИИ22-2 Пояснительная записка ИИ22-2 Рабочие чертежи ИИ22-2 Лист 1. Колонны К11-1,К11-2,К11-3. Опалубочный и арматурный чертеж. Показатели расхода материалов ИИ22-2 Лист 2. Колонны К12-1,К12-2,К12-3,К12-4. Опалубочный и арматурный чертеж. Показатели расхода материалов ИИ22-2 Лист 3. Колонны К13-1,К13-2,К13-3. Опалубочный и арматурный чертеж. Показатели расхода материалов ИИ22-2 Лист 4. Колонны К14-1,К14-2,К14-3,К14-4. Опалубочный и арматурный чертеж. Показатели расхода материалов ИИ22-2 Лист 5. Колонны К15-1,К15-2,К15-3,К15-4. Опалубочный и арматурный чертеж. Показатели расхода материалов ИИ22-2 Лист 6. Колонны К16-1,К16-2,К16-3,К16-4,К16-5. Опалубочный и арматурный чертеж. Показатели расхода материалов ИИ22-2 Лист 7. Колонны К17-1,К17-2,К17-3,К17-4,К17-5,К17А-5. Опалубочный и арматурный чертеж. Показатели расхода материалов ИИ22-2 Лист 8. Колонны К18-1,К18-2,К18-3,К18-4,К18-5. Опалубочный и арматурный чертеж. Показатели расхода материалов ИИ22-2 Лист 9. Колонны К19-1,К19-2,К19-3. Опалубочный и арматурный чертеж. Показатели расхода материалов ИИ22-2 Лист 10. Колонны К20-1,К20-2,К20-3,К20-4. Опалубочный и арматурный чертеж. Показатели расхода материалов ИИ22-2 Лист 11. Колонны К21-1,К21-2,К21-3. Опалубочный и арматурный чертеж. Показатели расхода материалов ИИ22-2 Лист 12. Колонны К22-1,К22-2,К22-3,К22-4. Опалубочный и арматурный чертеж. Показатели расхода материалов ИИ22-2 Лист 13. Колонны К23-1,К23-2,К23-3,К23-4,К23-5. Опалубочный и арматурный чертеж. Показатели расхода материалов ИИ22-2 Лист 14. Колонны К24-1,К24-2,К24-3,К24-4,К24-5. Опалубочный и арматурный чертеж. Показатели расхода материалов ИИ22-2 Лист 15. Колонны К35-1,К35-2. Опалубочный и арматурный чертеж. Показатели расхода материалов ИИ22-2 Лист 16. Колонны К36-1,К36-2,К36-3,К36-4,К36-5. Опалубочный и арматурный чертеж. Показатели расхода материалов ИИ22-2 Лист 17. Колонны К37-1,К37-2,К37-3,К37А-1,К37А-2,К37А-4. Опалубочный и арматурный чертеж. Показатели расхода материалов ИИ22-2 Лист 18. Колонны К39-1,К39-2,К39-3. Опалубочный и арматурный чертеж. Показатели расхода материалов ИИ22-2 Лист 19. Колонны К41-1,К41-2. Опалубочный и арматурный чертеж. Показатели расхода материалов ИИ22-2 Лист 20. Колонны К11-1-1,К11-2-1,К11-3-1,К12-2-1,К12-4-1,К12-3-1 ИИ22-2 Лист 21. Колонны К13-1-1,К13-3-1,К14-1-1,К14-2-1,К14-3-1,К14-4-1 ИИ22-2 Лист 22. Колонны К15-1-1,К15-2-1,К15-3-1,К15-4-1,К16-2-1,К16-4-1,К16-5-1 ИИ22-2 Лист 23. Колонны К17-1-1,К17-2-1,К17-3-1,К17-4-1,К17-5-1,К17А-5-1,К18-1-1,К18-2-1,К18-3-1,К18-4-1,К18-5-1 ИИ22-2 Лист 24. Колонны К19-1-1,К19-2-1,К19-3-1,К20-1-1,К20-2-1,К20-3-1,К20-4-1 ИИ22-2 Лист 25. Колонны К21-1-1,К21-3-1,К22-1-1,К22-2-1,К22-3-1,К22-4-1 ИИ22-2 Лист 26. Колонны К23-1-1,К23-2-1,К23-3-1,К23-4-1,К23-5-1,К24-1-1,К24-2-1,К24-3-1,К24-4-1,К24-5-1 ИИ22-2 Лист 27. Колонны К35-1-1,К35-2-1,К36-1-1,К36-2-1,К36-3-1,К36-4-1,К36-5-1 ИИ22-2 Лист 28. Колонны К11-1-2,К11-2-2,К11-3-2,К12-2-2,К12-4-2,К12-3-2 ИИ22-2 Лист 29. Колонны К13-1-2,К13-3-2,К14-1-2,К14-2-2,К14-3-2,К14-4-2 ИИ22-2 Лист 30. Колонны К15-1-2,К15-2-2,К15-3-2,К15-4-2,К16-2-2,К16-3-2,К16-4-2,К16-5-2 ИИ22-2 Лист 31. Колонны К17-1-2,К17-2-2,К17-3-2,К17-4-2,К17-5-2,К17А-5-2,К18-1-2,К18-2-2,К18-3-2,К18-4-2,К18-5-2 ИИ22-2 Лист 32. Колонны К19-1-2,К19-2-2,К19-3-2,К20-1-2,К20-2-2,К20-3-2,К20-4-2 ИИ22-2 Лист 33. Колонны К21-1-2,К21-3-2,К22-1-2,К22-2-2,К22-3-2,К22-4-2 ИИ22-2 Лист 34. Колонны К23-1-2,К23-2-2,К23-3-2,К23-4-2,К23-5-2,К24-1-2,К24-2-2,К24-3-2,К24-4-2,К24-5-2 ИИ22-2 Лист 35. Колонны К35-1-2,К35-2-2,К36-1-2,К36-2-2,К36-3-2,К36-4-2,К36-5-2 ИИ22-2 Лист 36. Колонны К37-1-2,К37-2-2,К37-3-2,К37А-1-2,К37А-3-2,К37-4-2,К39-1-2,К39-2-2,К39-3-2,К41-1-2,К41-2-2 ИИ22-2 Лист 37. Колонны К11-1-3,К11-2-3,К11-3-3,К13-1-3,К13-2-3,К13-3-3 ИИ22-2 Лист 38. Колонны К15-1-3,К15-2-3,К15-3-3,К15-4-3,К17-1-3,К17-2-3,К17-3-3,К17-4-3,К17-5-3,К17А-5-3 ИИ22-2 Лист 39. Колонны К19-1-3,К19-2-3,К19-3-3,К21-1-3,К21-2-3,К21-3-3 ИИ22-2 Лист 40. Колонны К23-1-3,К23-2-3,К23-3-3,К23-4-3,К23-5-3,К35-1-3,К35-2-3 ИИ22-2 Лист 41. Колонны К11-1-4,К11-2-4,К11-3-4,К13-1-4,К13-2-4,К13-3-4,К15-1-4,К15-2-4,К15-3-4,К15-4-4 ИИ22-2 Лист 42. Колонны К17-1-4,К17-2-4,К17-3-4,К17-4-4,К17-5-4,К17А-5-4,К19-1-4,К19-2-4,К19-3-4,К21-1-4,К21-2-4,К21-3-4 ИИ22-2 Лист 43. Колонны К23-1-4,К23-2-4,К23-3-4,К23-4-4,К23-5-4,К35-1-4,К35-2-4,К37-1-4,К37-2-4,К37-3-4,К37А-1-4,К37А-3-4,К37-4-4 ИИ22-2 Лист 44. Колонны К39-1-4,К39-2-4,К39-3-4,К41-1-4,К41-2-4 ИИ22-2 Лист 45. Армирование. Детали 1,2,5,6,26,27,38 ИИ22-2 Лист 46. Армирование. Детали 3,4,7,8,11,37 ИИ22-2 Лист 47. Армирование. Детали 9,12,28,39 ИИ22-2 Лист 48. Армирование. Детали 10,13 ИИ22-2 Лист 49. Армирование. Детали 14,15 ИИ22-2 Лист 50. Армирование. Детали 16-25,35 ИИ22-2 Лист 51. Установка дополнительных закладных элементов. Детали 29-32,35 ИИ22-2 Лист 52. Установка дополнительных закладных элементов. Детали 33,34 ИИ22-2 Лист 53. Примеры крепления закладных элементов М17 и М24 в пространственных каркасах колонн ИИ22-2 Лист 54. Пространственные каркасы ПК1-ПК7 ИИ22-2 Лист 55. Пространственные каркасы ПК8-ПК10 ИИ22-2 Лист 56. Пространственные каркасы ПК11,ПК12,ПК13 ИИ22-2 Лист 57. Пространственные каркасы ПК14-ПК16,ПК60 ИИ22-2 Лист 58. Пространственные каркасы ПК17-ПК20,ПК61 ИИ22-2 Лист 59. Пространственные каркасы ПК21-ПК24а ИИ22-2 Лист 60. Пространственные каркасы ПК25,ПК26 ИИ22-2 Лист 61. Пространственные каркасы ПК27,ПК28 ИИ22-2 Лист 62. Пространственные каркасы ПК29-ПК31 ИИ22-2 Лист 63. Пространственные каркасы ПК32,ПК33,ПК59 ИИ22-2 Лист 64. Пространственные каркасы ПК34-ПК36 ИИ22-2 Лист 65. Пространственные каркасы ПК37-ПК39 ИИ22-2 Лист 66. Пространственные каркасы ПК40-ПК43 ИИ22-2 Лист 67. Пространственные каркасы ПК44,ПК45 ИИ22-2 Лист 68. Пространственные каркасы ПК46,ПК47 ИИ22-2 Лист 69. Пространственные каркасы ПК48,ПК55,ПК36 ИИ22-2 Лист 70. Пространственные каркасы ПК50,ПК51,ПК52 ИИ22-2 Лист 71. Пространственные каркасы ПК53,ПК54,ПК53а,ПК54а ИИ22-2 Лист 72. Пространственные каркасы ПК57,ПК58,П49 ИИ22-2 Лист 73. Пространственные каркасы. Узлы 1,3,5,6,2,6,27,36 ИИ22-2 Лист 74. Пространственные каркасы. Узлы 2,4,7,8,29,37 ИИ22-2 Лист 75. Пространственные каркасы. Узлы 9,12,28,40 ИИ22-2 Лист 76. Пространственные каркасы. Узлы 10,15,22-25 ИИ22-2 Лист 77. Пространственные каркасы. Узлы 13,14 ИИ22-2 Лист 78. Пространственные каркасы. Узлы 16-21,38,39 ИИ22-2 Лист 79. Спецификация марок арматурных изделий и закладных элементов на пространственные каркасы ПК1-ПК8 ИИ22-2 Лист 80. Спецификация марок арматурных изделий и закладных элементов на пространственные каркасы ПК9-ПК15 ИИ22-2 Лист 81. Спецификация марок арматурных изделий и закладных элементов на пространственные каркасы ПК16-ПК21 ИИ22-2 Лист 82. Спецификация марок арматурных изделий и закладных элементов на пространственные каркасы ПК22-ПК26 ИИ22-2 Лист 83. Спецификация марок арматурных изделий и закладных элементов на пространственные каркасы ПК27-ПК33 ИИ22-2 Лист 84. Спецификация марок арматурных изделий и закладных элементов на пространственные каркасы ПК34-ПК40 ИИ22-2 Лист 85. Спецификация марок арматурных изделий и закладных элементов на пространственные каркасы ПК41-ПК46 ИИ22-2 Лист 86. Спецификация марок арматурных изделий и закладных элементов на пространственные каркасы ПК47-ПК53,ПК53а ИИ22-2 Лист 87. Спецификация марок арматурных изделий и закладных элементов на пространственные каркасы ПК54-ПК61 ИИ22-2 Лист 88. Плоские каркасы КР1-КР36,КР55,КР68,КР69 ИИ22-2 Лист 89. Плоские каркасы КР37-КР67. Сетки С1 и С2 ИИ22-2 Лист 90. Спецификация и выборка стали на плоские каркасы КР1-КР14 ИИ22-2 Лист 91. Спецификация и выборка стали на плоские каркасы КР15-КР30 ИИ22-2 Лист 92. Спецификация и выборка стали на плоские каркасы КР31-КР44 ИИ22-2 Лист 93. Спецификация и выборка стали на плоские каркасы КР45-КР59 ИИ22-2 Лист 94. Спецификация и выборка стали на плоские каркасы КР60-КР68. Сетки С1-С2 ИИ22-2 Лист 95. Спецификация отдельных стержней и стальных элементов. ИИ22-2 Лист 96. Закладные элементы М1-М4 ИИ22-2 Лист 97. Закладные элементы М5-М9 ИИ22-2 Лист 98. Закладные элементы М10-М14 ИИ22-2 Лист 99. Закладные элементы М15-М17,М20 ИИ22-2 Лист 100. Закладные элементы М21-М24 ИИ22-2 Лист 101. Закладные элементы. Заготовительные чертежи отдельных позиций ИИ22-2 Лист 102. Спецификация стали на закладные элементы М1-М11 ИИ22-2 Лист 103. Спецификация стали на закладные элементы М12-М24 ИИ22-2 Лист 104. Пример устройства отверстий для пропуска труб отопления в колоннах типоразмеров К11,К13,К15,К19,К21,К23,К35 при перекрытиях типа 1 ИИ22-2 Лист 105. Пример устройства отверстий для пропуска труб отопления в колоннах типоразмеров К11,К13,К15,К19,К21,К23 при перекрытиях типа 2 ИИ22-2 Лист 106. Пример устройства отверстий для пропуска труб отопления в колоннах типоразмеров К35,К37,К39 при перекрытиях типа 2 | Разработан: | ЦНИИпромзданий НИИЖБ ГСПИ-5
| Утверждён: | 29.08.1964 Госстрой СССР (Государственный комитет Совета Министров СССР по делам строительства) (USSR Gosstroy 151)
| Расположен в: |
|
                                                                                                                 
|