Скачать Типовые проектные решения 904-02-15.85 Альбом XII. Приточная вентиляционная камера прямоточная с одним вентилятором, секцией орошения и электронагревателем клапана наружного воздуха, переключаемая на режим дежурного отопленияДата актуализации: 10.08.2017 Типовые проектные решения 904-02-15.85
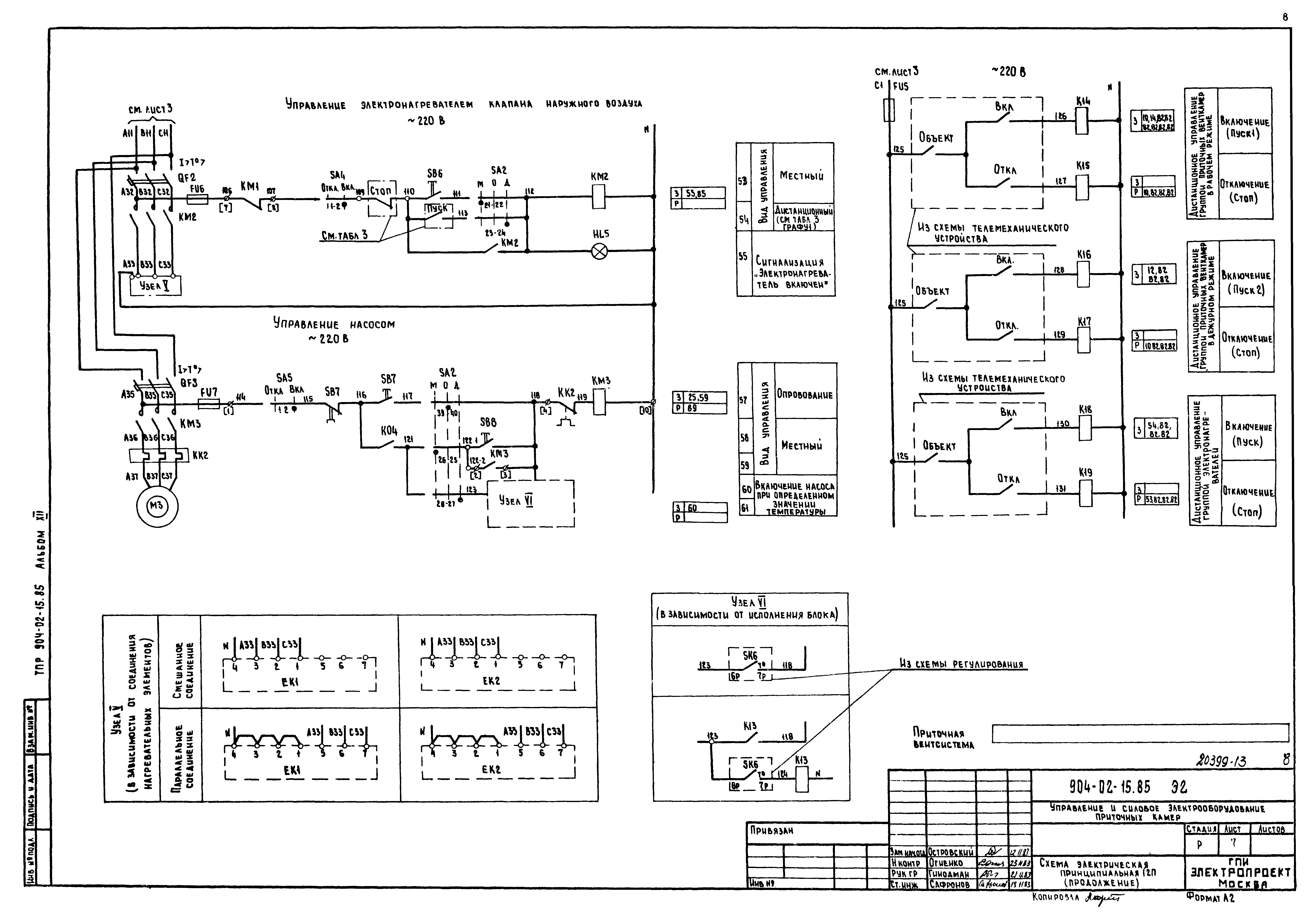
Альбом XII. Приточная вентиляционная камера прямоточная с одним вентилятором, секцией орошения и электронагревателем клапана наружного воздуха, переключаемая на режим дежурного отопленияОбозначение: | Типовые проектные решения 904-02-15.85 | Обозначение англ: | 904-02-15.85 | Статус: | cправочные материалы, мп, тпр | Название рус.: | Альбом XII. Приточная вентиляционная камера прямоточная с одним вентилятором, секцией орошения и электронагревателем клапана наружного воздуха, переключаемая на режим дежурного отопления | Дата добавления в базу: | 01.09.2013 | Дата актуализации: | 05.05.2017 | Оглавление: | ТП 904-02-15.85-Э1 Общие данные ТП 904-02-15.85-Э2 Схема электрическая принципиальная 12П ТП 904-02-15.85-Э3 Щит управления. Схема электрическая подключений ТП 904-02-15.85-Э4 Опросный лист | Разработан: | ГПИ Электропроект
| Утверждён: | 12.06.1986 Главстройпроект Госстроя СССР (33)
| Расположен в: |
| Чем заменён: | |
                    
|