Информационная система
«Ёшкин Кот»

Скачать базу одним архивом
Скачать обновления
История создания базы
Карта сайта

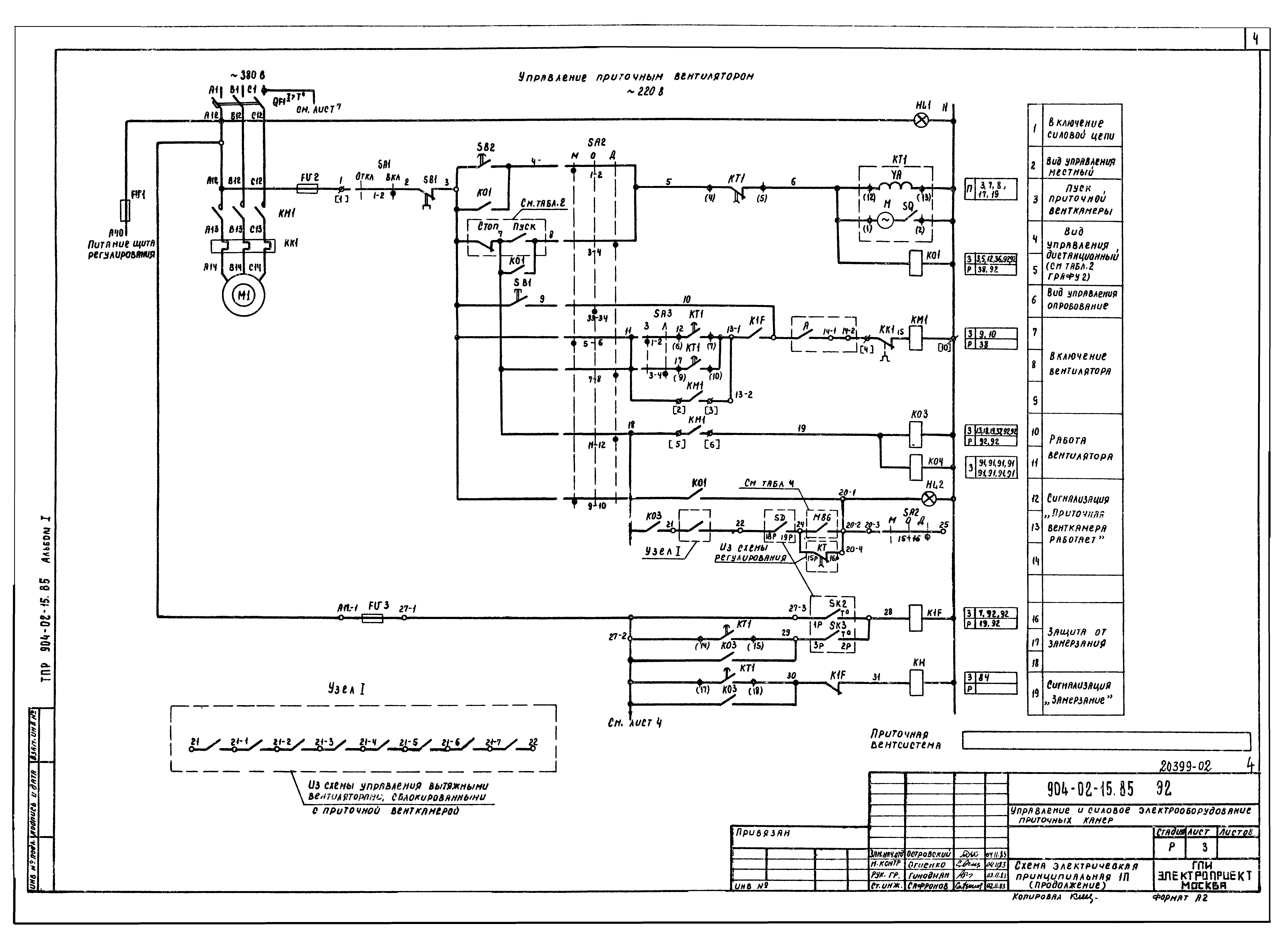
Скачать Типовые проектные решения 904-02-15.85 Альбом I. Приточная вентиляционная камера с одним вентилятором

Дата актуализации: 10.08.2017

Типовые проектные решения 904-02-15.85

Альбом I. Приточная вентиляционная камера с одним вентилятором

Обозначение: Типовые проектные решения 904-02-15.85
Обозначение англ: 904-02-15.85
Статус:cправочные материалы, мп, тпр
Название рус.:Альбом I. Приточная вентиляционная камера с одним вентилятором
Дата добавления в базу:01.09.2013
Дата актуализации:05.05.2017
Оглавление:ТП 904-02-15.85-Э1 Общие данные
ТП 904-02-15.85-Э2 Схема электрическая принципиальная 3
ТП 904-02-15.85-Э3 Щит управления. Схема электрическая подключений
ТП 904-02-15.85-Э4 Опросный лист
Разработан: ГПИ Электропроект
Утверждён:12.06.1986 Главстройпроект Госстроя СССР (33)
Расположен в:Техническая документация Строительство Справочные документы Типовые строительные конструкции, изделия и узлы Общероссийский строительный каталог Промышленные предприятия, здания и сооружения Здания и сооружения санитарно-технические Воздухоснабжение, вентиляция и кондиционирование воздуха Вентиляция, кондиционирование воздуха
Чем заменён:
Типовые проектные решения 904-02-15.85Типовые проектные решения 904-02-15.85Типовые проектные решения 904-02-15.85Типовые проектные решения 904-02-15.85Типовые проектные решения 904-02-15.85Типовые проектные решения 904-02-15.85Типовые проектные решения 904-02-15.85Типовые проектные решения 904-02-15.85Типовые проектные решения 904-02-15.85Типовые проектные решения 904-02-15.85Типовые проектные решения 904-02-15.85Типовые проектные решения 904-02-15.85Типовые проектные решения 904-02-15.85Типовые проектные решения 904-02-15.85

© 2013 Ёшкин Кот :-) Карта сайта