Информационная система
«Ёшкин Кот»

Скачать базу одним архивом
Скачать обновления
История создания базы
Карта сайта

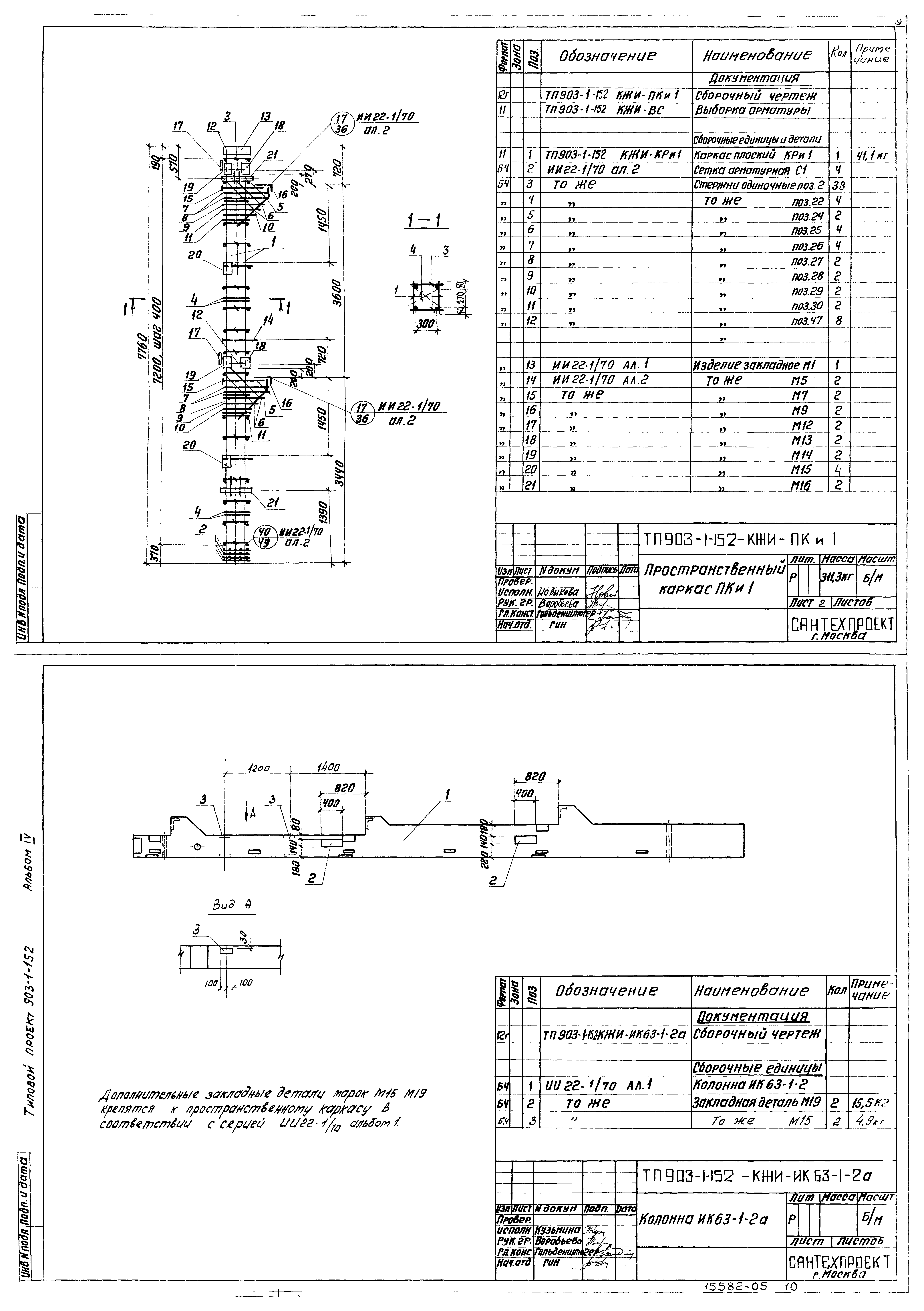
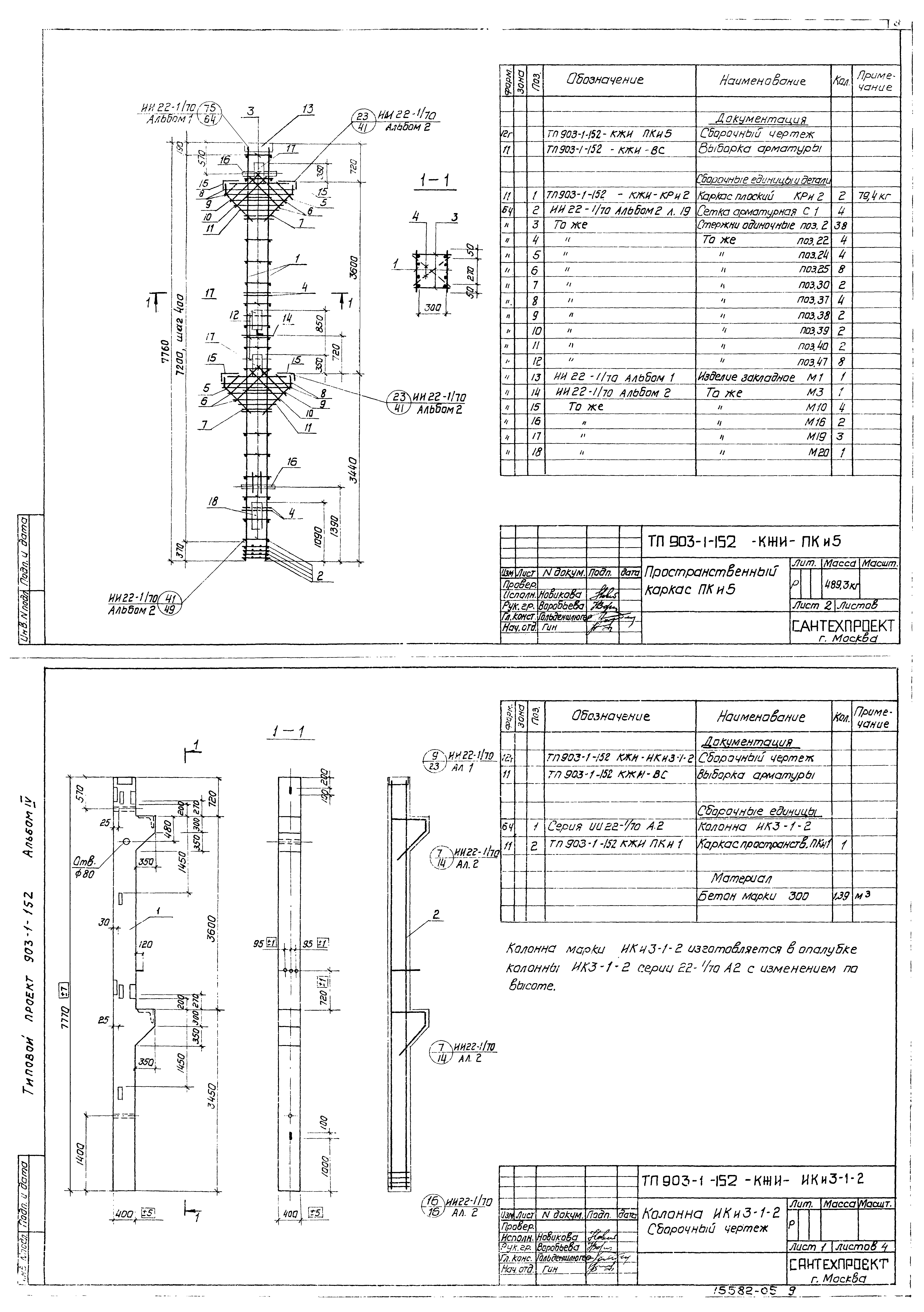
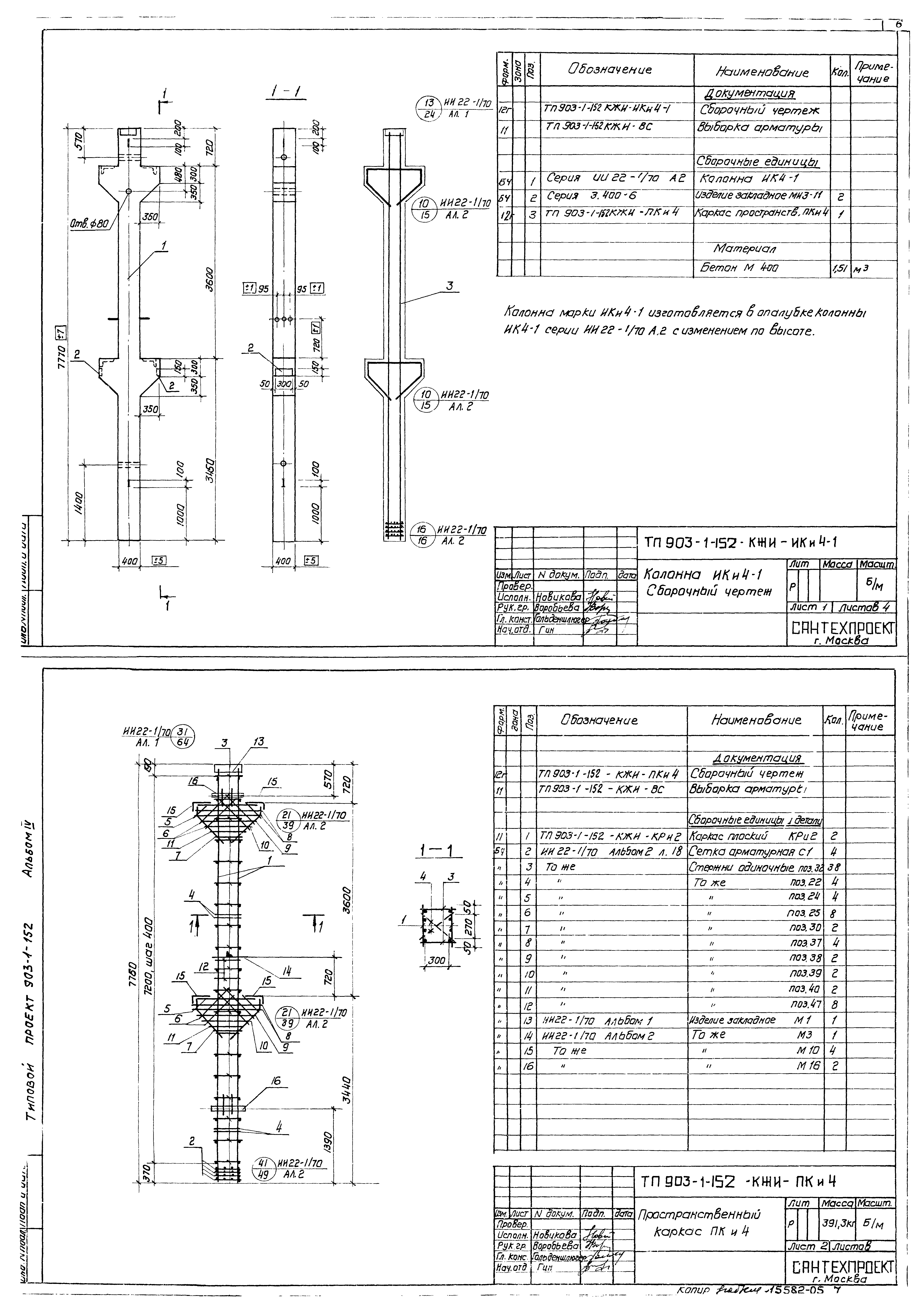
Скачать Типовой проект 903-1-152 Альбом IV. Чертежи арматурных и закладных изделий

Дата актуализации: 10.08.2017

Типовой проект 903-1-152

Альбом IV. Чертежи арматурных и закладных изделий

Обозначение: Типовой проект 903-1-152
Обозначение англ: 903-1-152
Статус:заменен
Название рус.:Альбом IV. Чертежи арматурных и закладных изделий
Дата добавления в базу:01.09.2013
Дата актуализации:05.05.2017
Дата введения:01.03.1987
Разработан: ГПИ Сантехпроект Госстроя СССР
Минтяжмаш СССР
Союзпроммеханизация
Утверждён:16.10.1978 ГПИ Сантехпроект (143)
Расположен в:Техническая документация Строительство Справочные документы Типовые строительные конструкции, изделия и узлы Общероссийский строительный каталог Промышленные предприятия, здания и сооружения Здания и сооружения санитарно-технические Теплоснабжение Котельные установки Закрытые системы теплоснабжения Топливо - каменные и бурые угли
Чем заменён:
  • Типовой проект 903-1-152.86
Типовой проект 903-1-152Типовой проект 903-1-152Типовой проект 903-1-152Типовой проект 903-1-152Типовой проект 903-1-152Типовой проект 903-1-152Типовой проект 903-1-152Типовой проект 903-1-152Типовой проект 903-1-152Типовой проект 903-1-152Типовой проект 903-1-152Типовой проект 903-1-152Типовой проект 903-1-152Типовой проект 903-1-152Типовой проект 903-1-152Типовой проект 903-1-152Типовой проект 903-1-152Типовой проект 903-1-152Типовой проект 903-1-152Типовой проект 903-1-152Типовой проект 903-1-152Типовой проект 903-1-152Типовой проект 903-1-152Типовой проект 903-1-152Типовой проект 903-1-152Типовой проект 903-1-152Типовой проект 903-1-152Типовой проект 903-1-152

© 2013 Ёшкин Кот :-) Карта сайта