Скачать Типовой проект 903-2-14 Альбом IV. Генеральный план, инженерные сети. Части: тепломеханическая, архитектурно-строительная, автоматизация, электротехническая, водопровод и канализация, тепловые сетиДата актуализации: 10.08.2017 Типовой проект 903-2-14
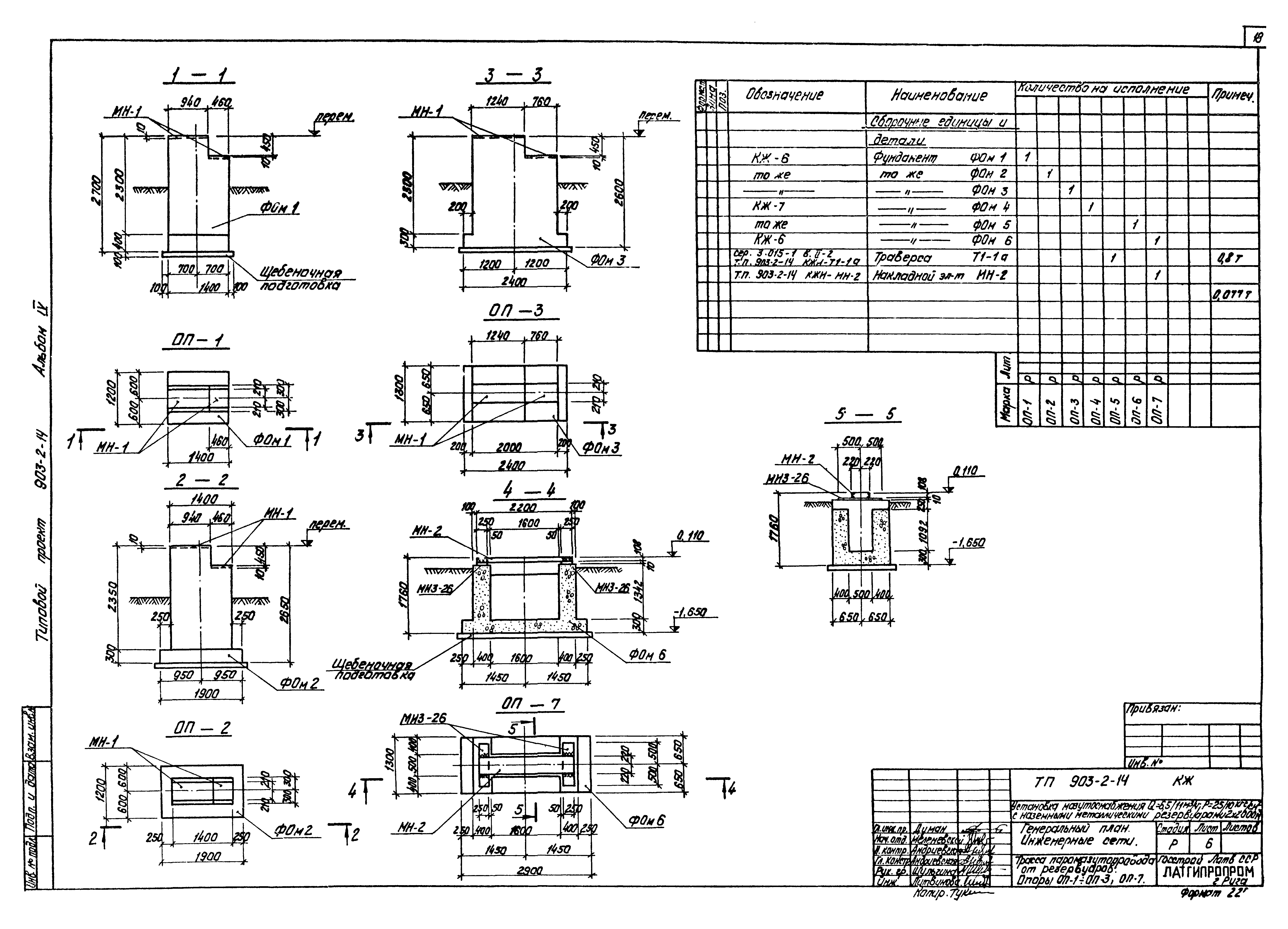
Альбом IV. Генеральный план, инженерные сети. Части: тепломеханическая, архитектурно-строительная, автоматизация, электротехническая, водопровод и канализация, тепловые сетиОбозначение: | Типовой проект 903-2-14 | Обозначение англ: | 903-2-14 | Статус: | не действует | Название рус.: | Альбом IV. Генеральный план, инженерные сети. Части: тепломеханическая, архитектурно-строительная, автоматизация, электротехническая, водопровод и канализация, тепловые сети | Дата добавления в базу: | 01.09.2013 | Дата актуализации: | 05.05.2017 | Оглавление: | ТП 903-2-14 Содержание альбома ТП 903-2-14 Пояснительная записка ТП 903-2-14-ГП Генеральный план ТП 903-2-14-ГП Генеральный план, инженерные сети ТП 903-2-14-ПОС Проект организации строительства ТП 903-2-14-ПОС Основные положения по производству строительно-монтажных работ. Пояснительная записка (лист 1) ТП 903-2-14-ПОС Основные положения по производству строительно-монтажных работ. Пояснительная записка (лист 2). Календарный план строительства ТП 903-2-14-ПОС Основные положения по производству строительно-монтажных работ. Стройгенплан на стадии монтажа надземной части зданий и сооружений ТП 903-2-14-ТМ Теплотехническая часть ТП 903-2-14-ТМ Площадные трубопроводы ТП 903-2-14-ТМ-7/1 Площадные трубопроводы. Общие данные ТП 903-2-14-ТМ-7/2 Площадные трубопроводы. Перечень изолируемых поверхностей ТП 903-2-14-ТМ-7/3 Площадные трубопроводы. Трасса парамазутопроводов ТП 903-2-14-КЖ Архитектурно-строительная часть ТП 903-2-14-КЖ Конструкции железобетонные ТП 903-2-14-КЖ-1 Эстакада парамазутопроводов. Общие данные ТП 903-2-14-КЖ-2 Эстакада парамазутопроводов. Маркировочный план фундаментов. Опалубка и армирование ФМ-1, ФМ-2 ТП 903-2-14-КЖ-3 Эстакада парамазутопроводов. Маркировочная схема колонн, балок и траверс ТП 903-2-14-КЖ-4 Эстакада парамазутопроводов. Элемент плана, разрезы 2-2÷4-4. Узлы 1;2 ТП 903-2-14-КЖ-5 Трасса парамазутопроводов от резервуаров. Маркировочная схема опор ТП 903-2-14-КЖ-6 Трасса парамазутопроводов от резервуаров. Опоры ОП-1÷ОП-3;ОП-7 ТП 903-2-14-КЖ-7 Трасса парамазутопроводов от резервуаров. Опоры ОП-4;ОП-6 ТП 903-2-14-КЖИ-Б-1АтVб Балка Б-1АтVб ТП 903-2-14-КЖИ-Т1-1а Траверса Т1-1а ТП 903-2-14-КЖИ-Б-1АтVб Балка Б-1АтVб ТП 903-2-14-КЖИ-К4-1а Колонна К4-1а ТП 903-2-14-КЖИ-МН-9,МН-10 Закладные изделия МН-9,МН-10 ТП 903-2-14-КЖИ-МН-8 Закладные изделия МН-8 ТП 903-2-14-КЖИ-Т1-Т4 Траверсы Т1-Т4 ТП 903-2-14-КЖИ-МН-6,МН-7Закладные изделия МН-6,МН-7 ТП 903-2-14-КЖИ-МН-1 Закладные изделия МН-1 ТП 903-2-14-КЖИ-МН-2 Закладные изделия МН-2 ТП 903-2-14-КЖИ-МН-3 Закладные изделия МН-3 ТП 903-2-14-КЖИ-МН-4,МН-5 Закладные изделия МН-4,МН-5 ТП 903-2-14-КЖИ-МН-11 Закладные изделия МН-11 ТП 903-2-14-КЖИ-МН-12 Закладные изделия МН-12 ТП 903-2-14-КЖИ-В1-1а Вставка В1-1а ТП 903-2-14-КМ Конструкции металлические ТП 903-2-14-КМ-1 Эстакада парамазутопроводов. Общие данные (начало) ТП 903-2-14-КМ-2 Эстакада парамазутопроводов. Общие данные (окончание) ТП 903-2-14-КМ-3 Эстакада парамазутопроводов. Техническая спецификация металла для специализированных заводов ТП 903-2-14-КМ-4 Эстакада парамазутопроводов. Металлические площадки МП-1;МП-2 ТП 903-2-14-КМ-5 Эстакада парамазутопроводов. Узлы ТП 903-2-14-КИП Автоматизация ТП 903-2-14-КИП-IV-1 Общие данные ТП 903-2-14-КИП-IV-2 План расположения ТП 903-2-14-Э Электротехническая часть ТП 903-2-14-Э-1 Общие данные ТП 903-2-14-Э-2 Внутриплощадочные сети, наружное освещение и слаботочные сети ТП 903-2-14-Э-3 Молниезащита и заземление ТП 903-2-14-НВК Наружные сети водоснабжения и канализации ТП 903-2-14-НВК-1 Общие данные (начало) ТП 903-2-14-НВК-2 Общие данные (окончание) ТП 903-2-14-НВК-3 Генплан с сетями водопровода и канализации ТП 903-2-14-ТС Тепловые сети ТП 903-2-14-ТС-1 Общие данные ТП 903-2-14-ТС-2 План тепломазутопроводов. Схема трубопроводов ТП 903-2-14-ТС-3 Продольный профиль. Разрезы 1-1;2-2;3-3 ТП 903-2-14-ТС-4 УТ-1. План, разрез А-А ТП 903-2-14-ТС-5 УТ-2. План, разрез Б-Б ТП 902-3-46.85-ТХ.ВМ Ведомость потребности в материалах по технологической части ТП 902-3-46.85-ОВ.ВМ Ведомость потребности в материалах по отоплению и вентиляции ТП 902-3-46.85-КЖ.ВМ Ведомость потребности в материалах по строительной части ТП 902-3-46.85-АР.ВМ Ведомость потребности в материалах по архитектурной части ТП 902-3-46.85-ЭМ.ВМ Ведомость потребности в материалах по электротехнической части ТП 902-3-46.85-АТХ.ВМ Ведомость потребности в материалах по автоматизации ТП 902-3-46.85-ЭО.ВМ Ведомость потребности в материалах по электроосвещению | Разработан: | Латгипропром
| Утверждён: | 11.10.1979 Латгипропром (251)
| Расположен в: |
|
                                         
|