Информационная система
«Ёшкин Кот»

Скачать базу одним архивом
Скачать обновления
История создания базы
Карта сайта

Скачать Типовой проект 903-1-224.86 Альбом 2.8. Строительно-технологическая блок-секция котлоагрегата КЕ-10-14С. Конструкции железобетонные. Автоматизация

Дата актуализации: 10.08.2017

Типовой проект 903-1-224.86

Альбом 2.8. Строительно-технологическая блок-секция котлоагрегата КЕ-10-14С. Конструкции железобетонные. Автоматизация

Обозначение: Типовой проект 903-1-224.86
Обозначение англ: 903-1-224.86
Статус:действует
Название рус.:Альбом 2.8. Строительно-технологическая блок-секция котлоагрегата КЕ-10-14С. Конструкции железобетонные. Автоматизация
Дата добавления в базу:01.10.2014
Дата актуализации:05.05.2017
Оглавление:Конструкции железобетонные КЖ9
   Общие данные
   Блок-секция КЕ-10-14С на отм. 0.000. Фундаменты ФОм1, ФОм2
   Блок-секция КЕ-10-14С на отм. 3.600. Схема расположения
   Фундамент Фм1 котла КЕ-10-14С. Опалубка
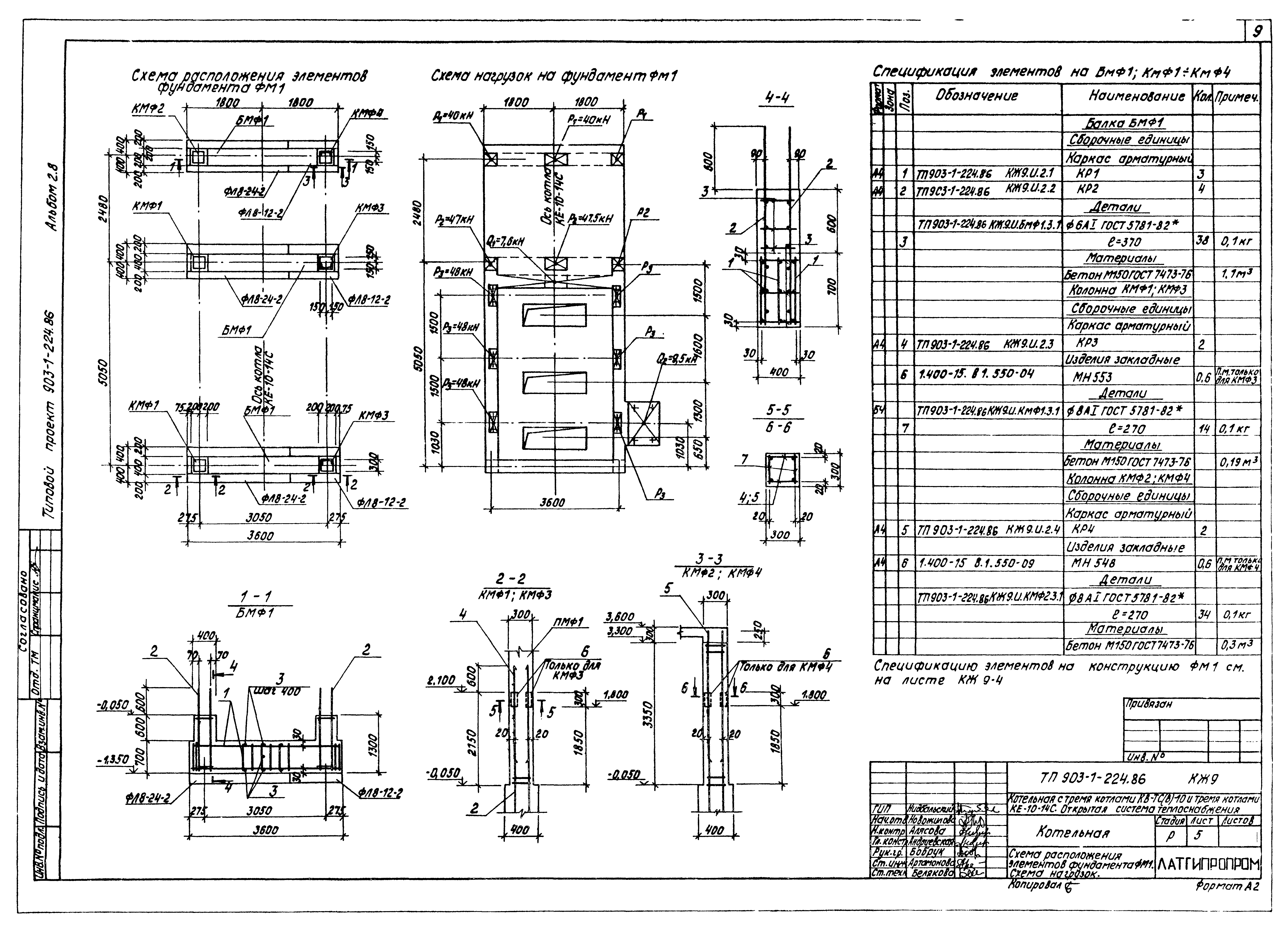
   Схема расположения элементов фундамента Фм1. Схема нагрузок
   ПмФ1. Армирование. Узел 1
   ПмФ1. Армирование. Спецификации
   Канал шлакозолоудаления Км1. Опалубка и армирование. Узел 2
   Канал шлакозолоудаления Км1. Опалубка и армирование. Узлы 3, 4
   Бункер шлакозолоудаления Бм1. Опалубка. Узел 5
   Бункер шлакозолоудаления Бм1. Армирование
   Бункер шлакозолоудаления Бм1. Узлы 6 - 9
Прилагаемые документы
   Изделие закладное МН1
   Изделие закладное МН2
   Изделие закладное МН3
   Изделие закладное МН4
   Изделие закладное МН5
   Изделие закладное МН6
   Изделие закладное МН7
   Изделие закладное МН8
   Изделие закладное МН9
   Изделие закладное МН10
   Каркас плоский КР1
   Каркас плоский КР2
   Каркасы плоские КР3, КР4
   Каркас плоский КР5
   Каркас плоский КР6
   Каркас плоский КР7
   Каркас плоский КР8
   Каркасы плоские КР9, КР10
Автоматизация АТМ2
   Общие данные
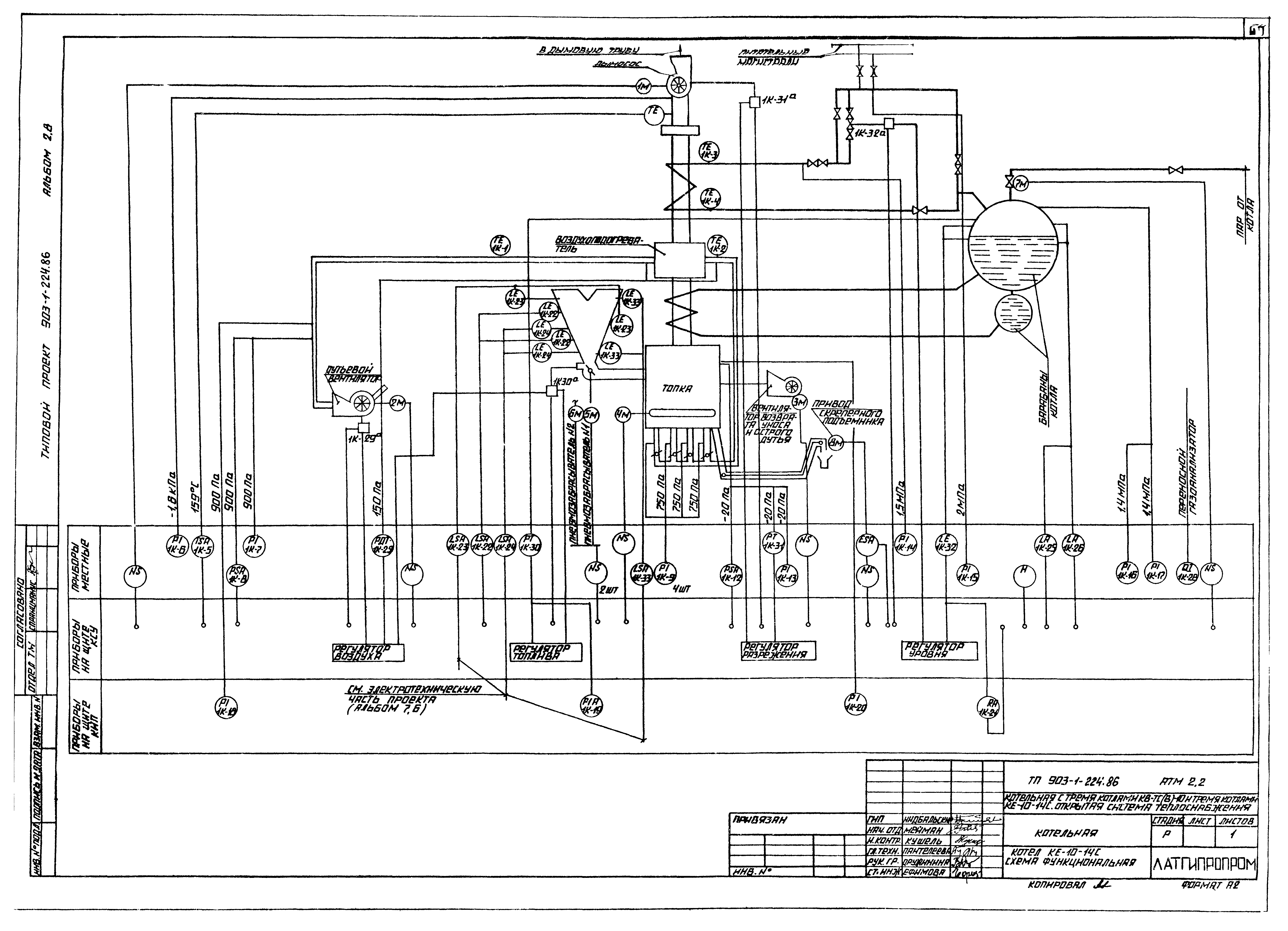
   Котел КЕ-10-14С. Схема функциональная
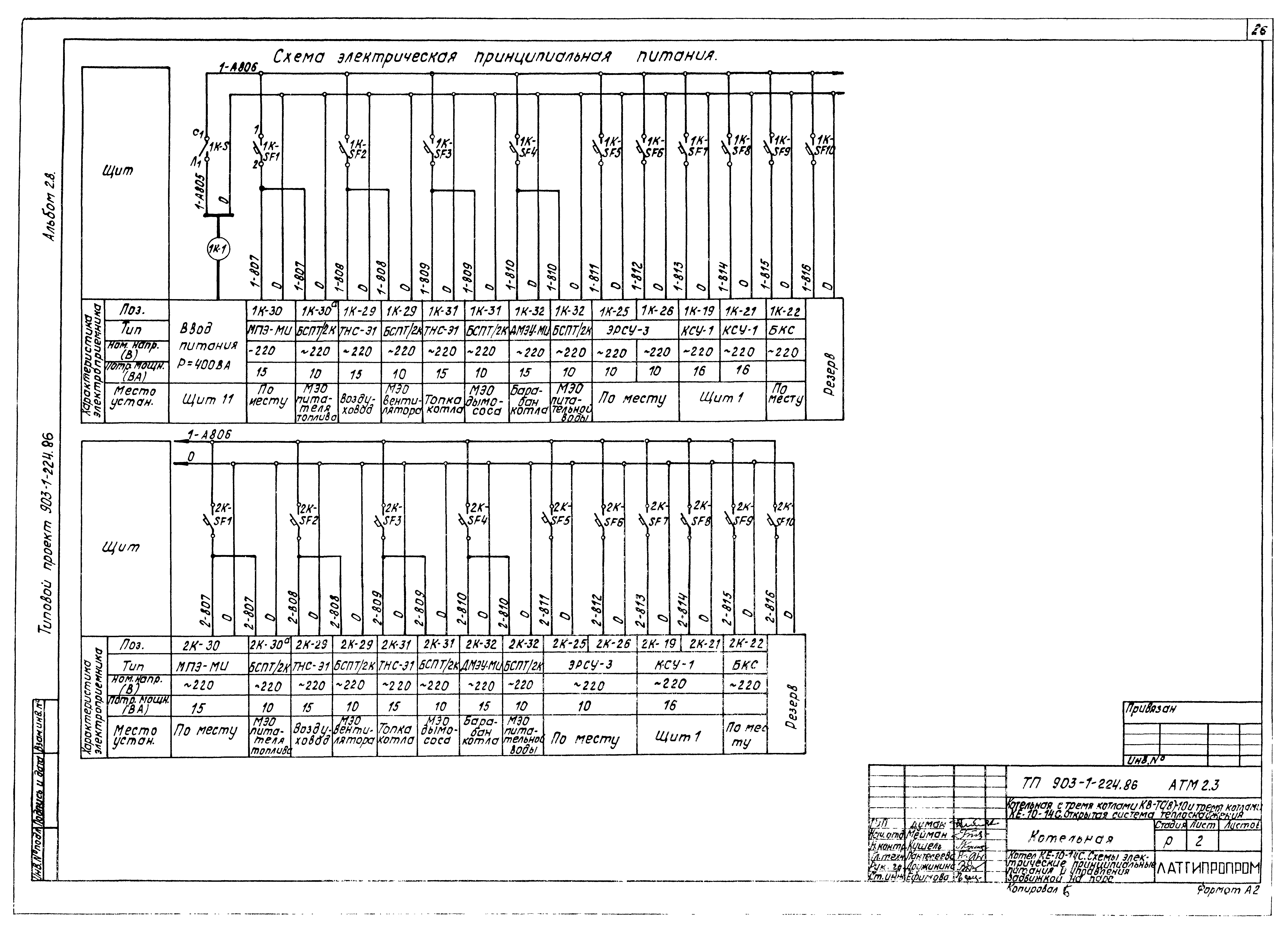
   Котел КЕ-10-14С. Схемы электрические принципиальные питания и управления задвижкой на паре
   Котел КЕ-10-14С. Схема соединений внешних проводок
   Котел КЕ-10-14С. Схема подключения внешних проводок
   Котел КЕ-10-14С. План расположения
   Котел КЕ-10-14С. Установка МЭО-100/63-0,25У к дымососу Дн10
   Котел КЕ-10-14С. Установка МЭО-100/25-0,25У к вентилятору ВДН-9
   Котел КЕ-10-14С. Установка МЭО-250/25-0,25У к клапану Т-33б на трубопроводе питательной воды перед экономайзером
   Котел КЕ-10-14С. Установка МЭО-250/25-0,25У к питателю топлива
Разработан: Латгипропром
Утверждён:20.05.1986 Госстрой СССР (Государственный комитет Совета Министров СССР по делам строительства) (USSR Gosstroy АЧ-29)
Расположен в:Техническая документация Строительство Справочные документы Типовые строительные конструкции, изделия и узлы Общероссийский строительный каталог Промышленные предприятия, здания и сооружения Здания и сооружения санитарно-технические Теплоснабжение Котельные установки Открытые системы теплоснабжения Топливо - каменные и бурые угли
Заменяет собой:
  • Типовой проект 903-1-148
Типовой проект 903-1-224.86Типовой проект 903-1-224.86Типовой проект 903-1-224.86Типовой проект 903-1-224.86Типовой проект 903-1-224.86Типовой проект 903-1-224.86Типовой проект 903-1-224.86Типовой проект 903-1-224.86Типовой проект 903-1-224.86Типовой проект 903-1-224.86Типовой проект 903-1-224.86Типовой проект 903-1-224.86Типовой проект 903-1-224.86Типовой проект 903-1-224.86Типовой проект 903-1-224.86Типовой проект 903-1-224.86Типовой проект 903-1-224.86Типовой проект 903-1-224.86Типовой проект 903-1-224.86Типовой проект 903-1-224.86Типовой проект 903-1-224.86Типовой проект 903-1-224.86Типовой проект 903-1-224.86Типовой проект 903-1-224.86Типовой проект 903-1-224.86Типовой проект 903-1-224.86Типовой проект 903-1-224.86Типовой проект 903-1-224.86Типовой проект 903-1-224.86Типовой проект 903-1-224.86Типовой проект 903-1-224.86Типовой проект 903-1-224.86Типовой проект 903-1-224.86Типовой проект 903-1-224.86Типовой проект 903-1-224.86Типовой проект 903-1-224.86Типовой проект 903-1-224.86

© 2013 Ёшкин Кот :-) Карта сайта