Скачать Типовые материалы для проектирования 407-03-483.87 Альбом I. Пояснительная записка. Схемы полныеДата актуализации: 10.08.2017 Типовые материалы для проектирования 407-03-483.87
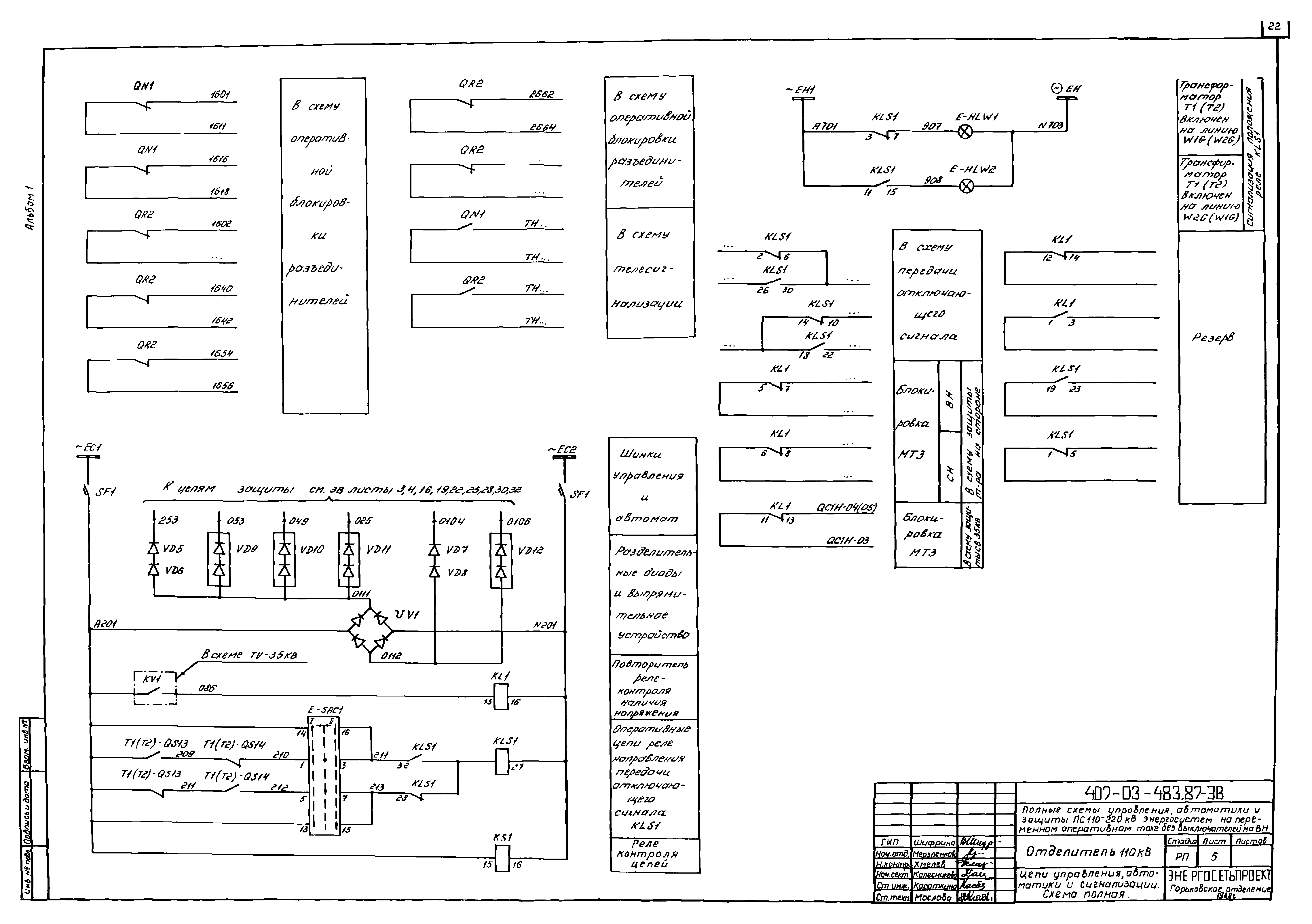
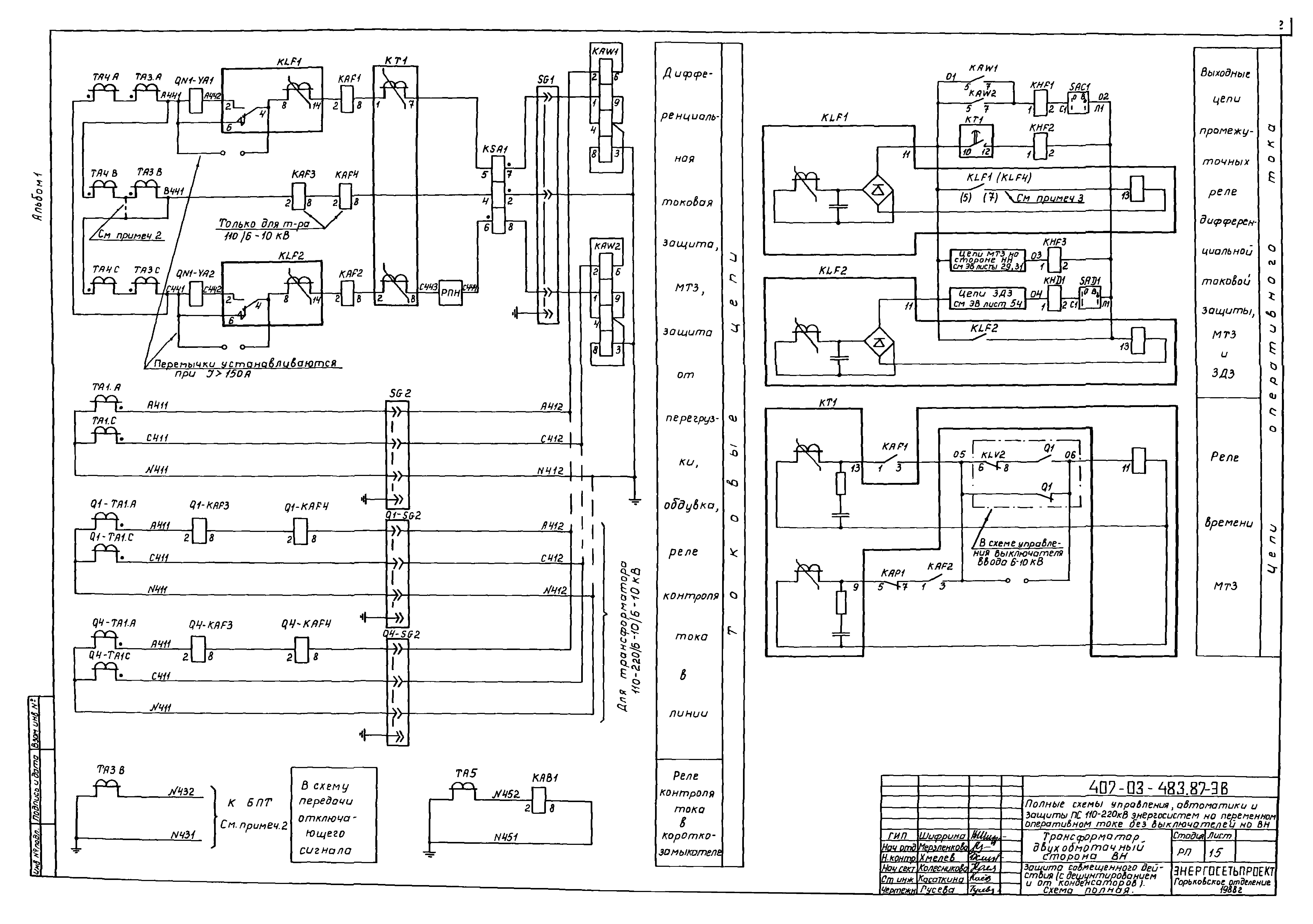
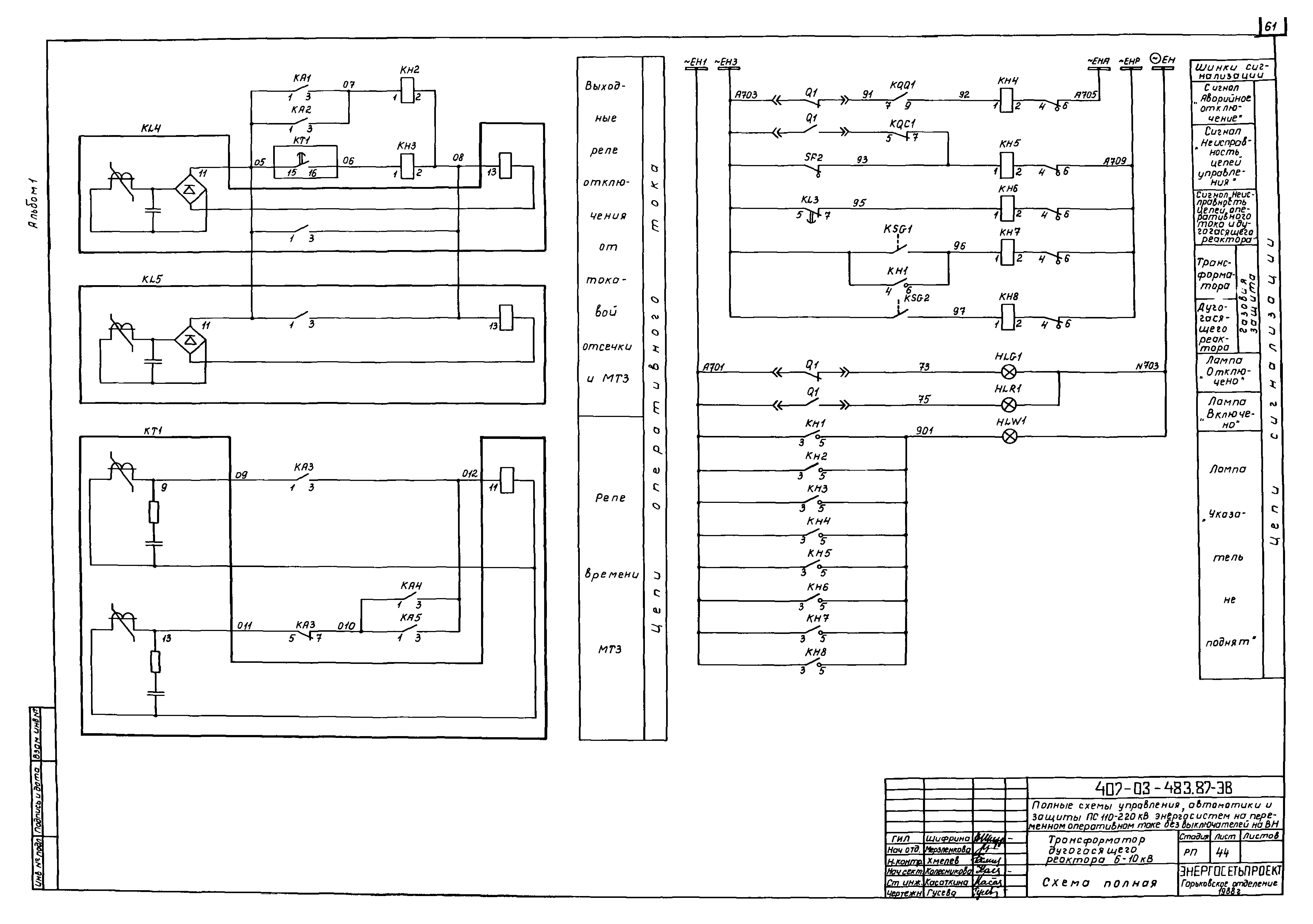
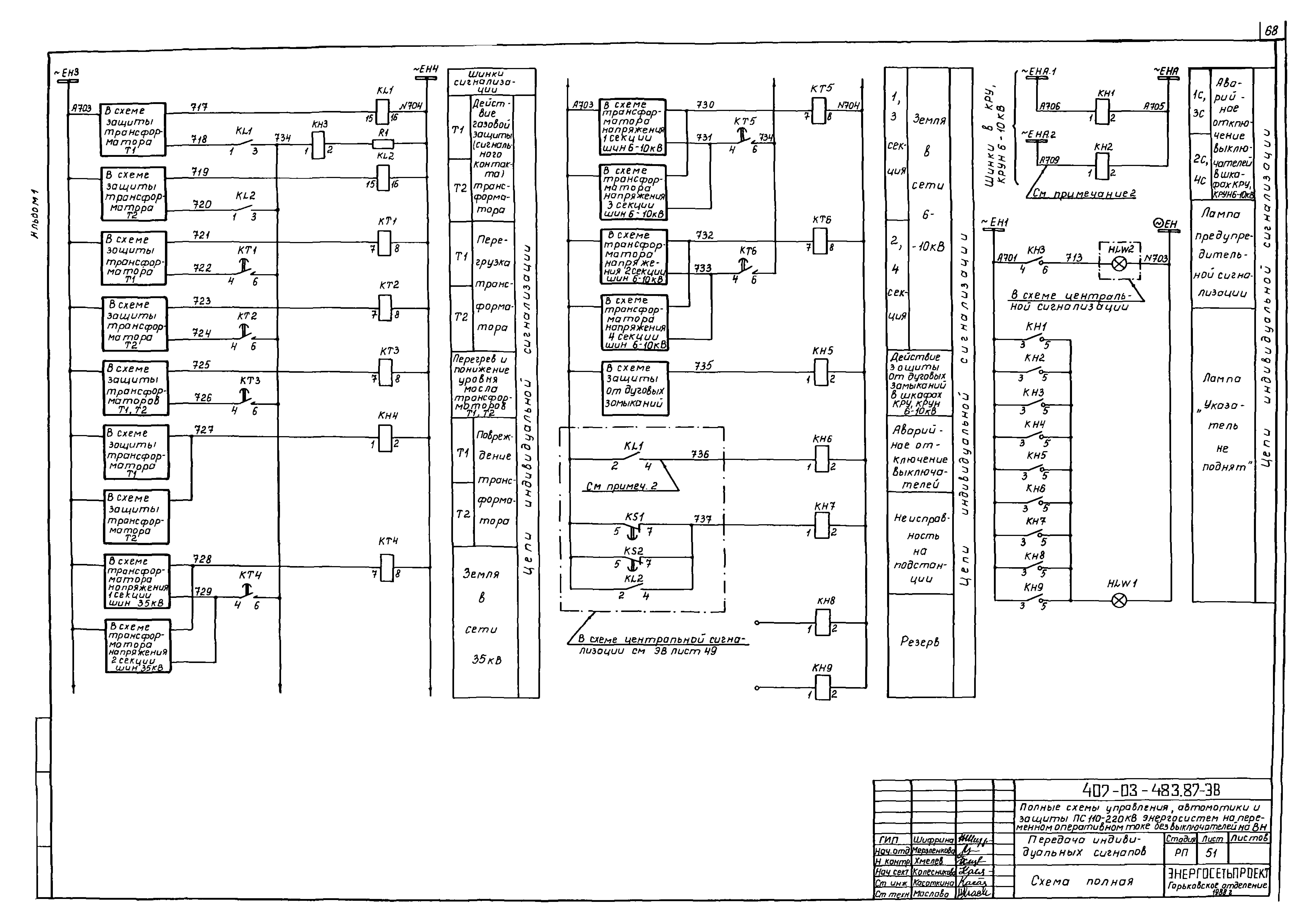
Альбом I. Пояснительная записка. Схемы полныеОбозначение: | Типовые материалы для проектирования 407-03-483.87 | Обозначение англ: | 407-03-483.87 | Статус: | cправочные материалы, мп, тпр | Название рус.: | Альбом I. Пояснительная записка. Схемы полные | Дата добавления в базу: | 01.09.2013 | Дата актуализации: | 05.05.2017 | Дата введения: | 09.08.1988 | Оглавление: | ТП 407-03-457.87-ПЗ Пояснительная записка ПЗ ТП 407-03-457.87-ЭВ Трансформатор двухобмоточный. Схема поясняющая ТП 407-03-457.87-ЭВ Трансформатор трехобмоточный. Схема поясняющая ТП 407-03-457.87-ЭВ Отделитель 110 кВ. Цепи управления, автоматики и сигнализации ТП 407-03-457.87-ЭВ Отделитель 220 кВ. Цепи управления, автоматики и сигнализации ТП 407-03-457.87-ЭВ Трансформатор. Выключатель ввода 35 кВ. Цепи управления, автоматики и сигнализации ТП 407-03-457.87-ЭВ Трансформатор. Выключатель ввода 6-10 кВ. Цепи управления, автоматики и сигнализации ТП 407-03-457.87-ЭВ Трансформатор. Цепи измерения и учета ТП 407-03-457.87-ЭВ Трансформатор двухобмоточный. Сторона ВН. Защита совместного действия (с дешунтированием и от конденсаторов) ТП 407-03-457.87-ЭВ Трансформатор трехобмоточный. Сторона ВН. Защита совместного действия (с дешунтированием и от конденсаторов) ТП 407-03-457.87-ЭВ Трансформатор двухобмоточный. Сторона ВН. Защита с действием от конденсаторов ТП 407-03-457.87-ЭВ Трансформатор трехобмоточный. Сторона ВН. Защита с действием от конденсаторов ТП 407-03-457.87-ЭВ Трансформатор трехобмоточный. Поперечная дифференциальная токовая защита 35 кВ ТП 407-03-457.87-ЭВ Трансформатор трехобмоточный. Защита на стороне СН ТП 407-03-457.87-ЭВ Трансформатор двухобмоточный. Защита на стороне НН ТП 407-03-457.87-ЭВ Трансформатор трехобмоточный. Защита на стороне НН ТП 407-03-457.87-ЭВ Секционный выключатель 35 кВ. Цепь управления, автоматики, защиты и сигнализации ТП 407-03-457.87-ЭВ Секционный выключатель 6-10 кВ. Цепи управления, автоматики, защиты и сигнализации ТП 407-03-457.87-ЭВ Трансформатор напряжения 35 кВ ТП 407-03-457.87-ЭВ Трансформатор напряжения 6-10 кВ ТП 407-03-457.87-ЭВ Трансформатор собственных нужд с предохранителем ТП 407-03-457.87-ЭВ Трансформатор дугогасящего реактора 6-10 кВ ТП 407-03-457.87-ЭВ Организация цепей оперативного переменного тока ТП 407-03-457.87-ЭВ Устройство заряда и разряда конденсаторов ТП 407-03-457.87-ЭВ Центральная сигнализация ТП 407-03-457.87-ЭВ Передача индивидуальных сигналов ТП 407-03-457.87-ЭВ Цепи сигнализации на щитках начальника и дежурного ПС ТП 407-03-457.87-ЭВ Защита от дуговых замыканий в шкафах КРУ,КРУН 6-10 кВ ТП 407-03-457.87-ЭВ Трансформатор. Цепи охлаждения | Разработан: | Горьковское отделение института Энергосетьпроект Минэнерго СССР
| Утверждён: | 09.08.1988 Минэнерго СССР (USSR Minenergo 15)
| Издан: | ЦИТП Госстроя СССР (CITP, Gosstroy (USSR) 1988 г. )
| Расположен в: |
|
                                                                        
|