Информационная система
«Ёшкин Кот»

Скачать базу одним архивом
Скачать обновления
История создания базы
Карта сайта

Скачать Типовой проект 901-3-207.85 Альбом III. Электротехническая часть. Связь и сигнализация

Дата актуализации: 10.08.2017

Типовой проект 901-3-207.85

Альбом III. Электротехническая часть. Связь и сигнализация

Обозначение: Типовой проект 901-3-207.85
Обозначение англ: 901-3-207.85
Статус:не определен законодательством
Название рус.:Альбом III. Электротехническая часть. Связь и сигнализация
Дата добавления в базу:01.09.2013
Дата актуализации:05.05.2017
Дата введения:21.12.1984
Оглавление:ТП 901-3-207.85 Содержание альбома
ТП 901-3-207.85-ЭМ Силовое электрооборудование
ТП 901-3-207.85-ЭМ-1 Общие данные
ТП 901-3-207.85-ЭМ-2 Трансформаторная подстанция. Схема принципиальная однолинейная 0.4кВ
ТП 901-3-207.85-ЭМ-3 Схема электрическая принципиальная распределительной сети ~380/220В (начало)
ТП 901-3-207.85-ЭМ-4 Схема электрическая принципиальная распределительной сети ~380/220В (продолжение)
ТП 901-3-207.85-ЭМ-5 Схема электрическая принципиальная распределительной сети ~380/220В (окончание)
ТП 901-3-207.85-ЭМ-6 Схема электрическая принципиальная управления хозпротивопожарными насосами М1-М6
ТП 901-3-207.85-ЭМ-7 Схема электрическая принципиальная управления промывными насосами М1-М8
ТП 901-3-207.85-ЭМ-8 Схема электрическая принципиальная управления дренажными насосами М13,М14
ТП 901-3-207.85-ЭМ-9 Схема электрическая принципиальная управления затворами М9-1÷М9-3;М10-1;М10-2;М11-1÷М11-4;М1-1-М1-6÷М5-1-М5-6,М12
ТП 901-3-207.85-ЭМ-10 Схема подключения шкафов РТ30-1÷РТ30-5
ТП 901-3-207.85-ЭМ-11 Схема подключения затворов М9-1÷М9-3;М10-1;М10-2;М11-1÷М11-4;М1-1÷М1-6÷М5-1÷М5-6;М12
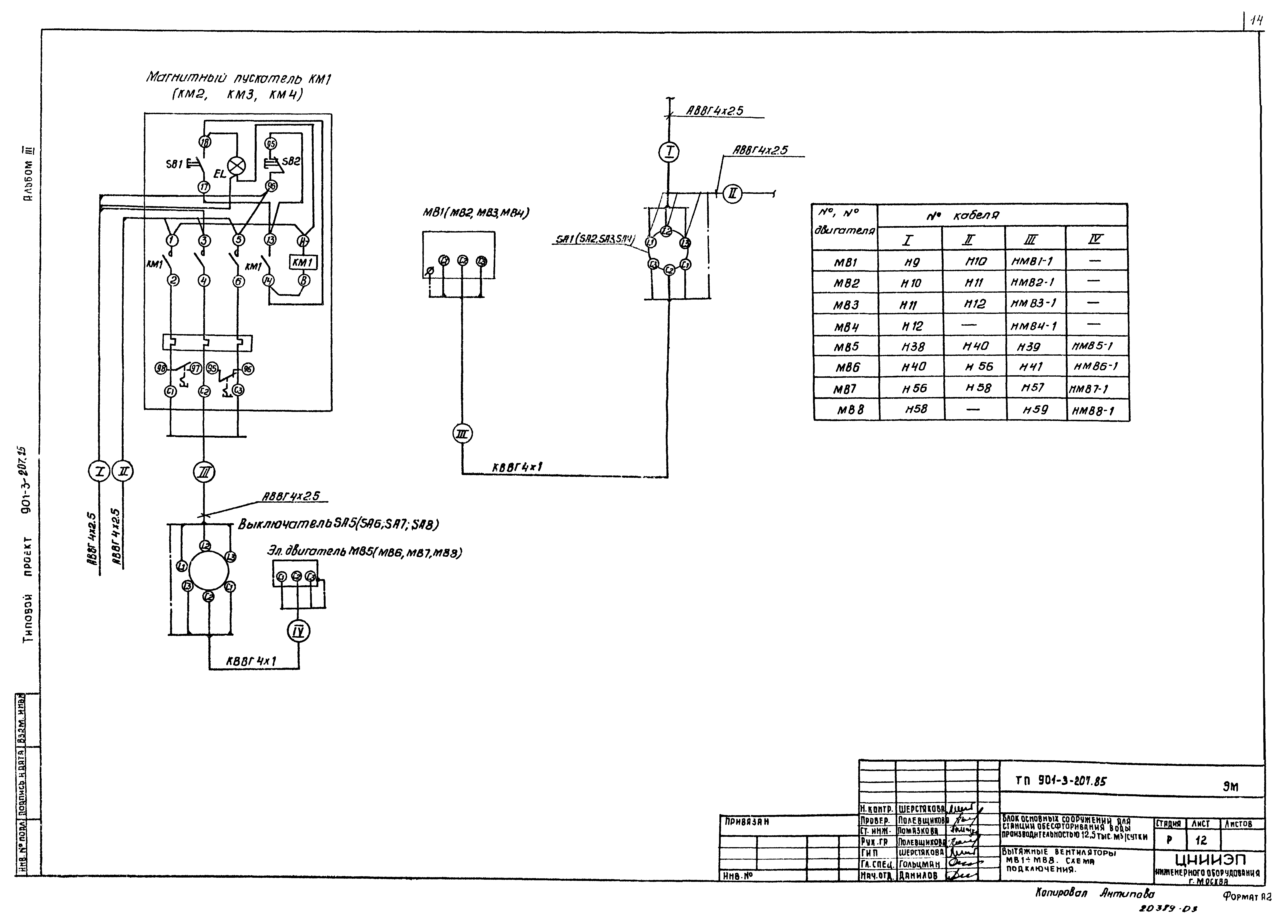
ТП 901-3-207.85-ЭМ-12 Вытяжные вентиляторы МВ1-МВ8. Схема подключения
ТП 901-3-207.85-ЭМ-13 Шкаф счетчиков. Общий вид. Принципиальная схема соединений
ТП 901-3-207.85-ЭМ-14 Кабельный журнал (начало)
ТП 901-3-207.85-ЭМ-15 Кабельный журнал (продолжение 1)
ТП 901-3-207.85-ЭМ-16 Кабельный журнал (продолжение 2)
ТП 901-3-207.85-ЭМ-17 Кабельный журнал (окончание)
ТП 901-3-207.85-ЭМ-18 Размещение электрооборудования и прокладка кабелей. Планы на отм. -1.200;0.000;1.400
ТП 901-3-207.85-ЭМ-19 Размещение электрооборудования и прокладка кабелей. Планы на отм. -2.400;-0.500;0.000
ТП 901-3-207.85-ЭМ-20 Размещение электрооборудования и прокладка кабелей. Планы на отм. 3.600
ТП 901-3-207.85-ЭМ-21 Размещение электрооборудования и прокладка кабелей. Спецификация
ТП 901-3-207.85-ЭМ-22 Прокладка троллейного шинопровода для крана "К" и талей Т1,Т2,Т4. Планы
ТП 901-3-207.85-ЭМ-23 Трансформаторная подстанция. Установка электрооборудования
ТП 901-3-207.85-ЭМ-24 Трансформаторная подстанция. Узлы установки электрооборудования
ТП 901-3-207.85-ЭМ-25 Трансформаторная подстанция. Заземление
ТП 901-3-207.85-ЭМ.ОЛ1 Опросный лист для заказа камер серии КСО-366
ТП 901-3-207.85-ЭМ.ОЛ2 Опросный лист для заказа щита из панелей ЩО-70
ТП 901-3-207.85-ЭМ.МЭЗ-1 Изделия МЭЗ. Ведомость материалов МЭЗ. Ведомость потребности в материалах для изделий МЭЗ. Конструкции
ТП 901-3-207.85-ЭМ.МЭЗ-2 Изделия МЭЗ. Конструкции
ТП 901-3-207.85-ЭО Электроосвещение
ТП 901-3-207.85-ЭО-1 Общие данные
ТП 901-3-207.85-ЭО-2 Электрическое освещение. План на отм. 0.000;1.100
ТП 901-3-207.85-ЭО-3 Электрическое освещение. Помещение насосной станции. План на отм. 0.000. План на отм. 0.000 в осях 7-11
ТП 901-3-207.85-ЭО-4 Электрическое освещение. План на отм. 3.600
ТП 901-3-207.85-ЭО-5 Электрическое освещение. План на отм. -2.400;3.600
ТП 901-3-207.85-ЭО-6 Электрическое освещение. Спецификация
ТП 901-3-207.85-АТХ Автоматизация технологического процесса
ТП 901-3-207.85-АТХ-1 Общие данные. Схема функциональная приточной системы П-1
ТП 901-3-207.85-АТХ-2 Схема функциональная приточной системы П-2
ТП 901-3-207.85-АТХ-3 Схема функциональная технологического процесса
ТП 901-3-207.85-АТХ-4 Схема электрическая принципиальная управления приточной системой П-1 (начало)
ТП 901-3-207.85-АТХ-5 Схема электрическая принципиальная управления приточной системой П-1 (окончание)
ТП 901-3-207.85-АТХ-6 Схема электрическая принципиальная управления приточной системой П-2 (начало)
ТП 901-3-207.85-АТХ-7 Схема электрическая принципиальная управления приточной системой П-2 (окончание)
ТП 901-3-207.85-АТХ-8 Схема электрическая принципиальная питания
ТП 901-3-207.85-АТХ-9 Схема электрическая принципиальная сигнализаций
ТП 901-3-207.85-АТХ-10 Схема подключения приборов и устройств технологического контроля (начало)
ТП 901-3-207.85-АТХ-11 Схема подключения приборов и устройств технологического контроля (продолжение 1)
ТП 901-3-207.85-АТХ-12 Схема подключения приборов и устройств технологического контроля (продолжение 2)
ТП 901-3-207.85-АТХ-13 Схема подключения приборов и устройств технологического контроля (окончание)
ТП 901-3-207.85-АТХ-14 Размещение приборов и устройств технологического контроля. Планы на отм. -1.200;-0.500 и 3.600
ТП 901-3-207.85-АТХ-15 Размещение приборов и устройств технологического контроля. Планы на отм. 0.000 и 3.600
ТП 901-3-207.85-АТХ-33 Данные для разработки здания на изготовления щита диспетчера
ТП 901-3-207.85-СС Связь и сигнализация
ТП 901-3-207.85-СС-1 Общие данные. План на отм. 0.000 с сетями связи. Спецификация. Скелетная схема
ТП 901-3-207.85-СС-2 План на отм. 3.600 с сетями связи. Экспликация помещений
Разработан: ЦНИИЭП иженерного оборудования
Утверждён:22.07.1981 Госгражданстрой (Gosgrazhdanstroy 219)
Расположен в:Техническая документация Строительство Справочные документы Типовые строительные конструкции, изделия и узлы Общероссийский строительный каталог Промышленные предприятия, здания и сооружения Здания и сооружения санитарно-технические Водоснабжение Сооружения и установки по подготовке питьевой воды Станции обесфторивания воды
Типовой проект 901-3-207.85Типовой проект 901-3-207.85Типовой проект 901-3-207.85Типовой проект 901-3-207.85Типовой проект 901-3-207.85Типовой проект 901-3-207.85Типовой проект 901-3-207.85Типовой проект 901-3-207.85Типовой проект 901-3-207.85Типовой проект 901-3-207.85Типовой проект 901-3-207.85Типовой проект 901-3-207.85Типовой проект 901-3-207.85Типовой проект 901-3-207.85Типовой проект 901-3-207.85Типовой проект 901-3-207.85Типовой проект 901-3-207.85Типовой проект 901-3-207.85Типовой проект 901-3-207.85Типовой проект 901-3-207.85Типовой проект 901-3-207.85Типовой проект 901-3-207.85Типовой проект 901-3-207.85Типовой проект 901-3-207.85Типовой проект 901-3-207.85Типовой проект 901-3-207.85Типовой проект 901-3-207.85Типовой проект 901-3-207.85Типовой проект 901-3-207.85Типовой проект 901-3-207.85Типовой проект 901-3-207.85Типовой проект 901-3-207.85Типовой проект 901-3-207.85Типовой проект 901-3-207.85Типовой проект 901-3-207.85Типовой проект 901-3-207.85Типовой проект 901-3-207.85Типовой проект 901-3-207.85Типовой проект 901-3-207.85Типовой проект 901-3-207.85Типовой проект 901-3-207.85Типовой проект 901-3-207.85Типовой проект 901-3-207.85Типовой проект 901-3-207.85Типовой проект 901-3-207.85Типовой проект 901-3-207.85Типовой проект 901-3-207.85Типовой проект 901-3-207.85Типовой проект 901-3-207.85Типовой проект 901-3-207.85Типовой проект 901-3-207.85Типовой проект 901-3-207.85Типовой проект 901-3-207.85Типовой проект 901-3-207.85Типовой проект 901-3-207.85Типовой проект 901-3-207.85Типовой проект 901-3-207.85Типовой проект 901-3-207.85Типовой проект 901-3-207.85Типовой проект 901-3-207.85

© 2013 Ёшкин Кот :-) Карта сайта