Информационная система
«Ёшкин Кот»

Скачать базу одним архивом
Скачать обновления
История создания базы
Карта сайта

Скачать Типовой проект 901-3-207.85 Альбом II. Архитектурно-строительная часть

Дата актуализации: 10.08.2017

Типовой проект 901-3-207.85

Альбом II. Архитектурно-строительная часть

Обозначение: Типовой проект 901-3-207.85
Обозначение англ: 901-3-207.85
Статус:не определен законодательством
Название рус.:Альбом II. Архитектурно-строительная часть
Дата добавления в базу:01.09.2013
Дата актуализации:05.05.2017
Дата введения:21.12.1984
Оглавление:ТП 901-3-207.85-АР Листы марки АР
ТП 901-3-207.85-АР-1 Общие данные
ТП 901-3-207.85-АР-2 План на отм. - 2.400. Фрагмент плана 1. Спецификация элементов заполнения проемов. Спецификация гардеробного оборудования
ТП 901-3-207.85-АР-3 План на отм. 0.000,1.100. Фрагмент плана 2
ТП 901-3-207.85-АР-4 План на отм. 1.100. Деталь 4
ТП 901-3-207.85-АР-5 Разрезы 1-1,2-2,3-3,4-4
ТП 901-3-207.85-АР-6 Фасады 1-11;11-1. Детали 1,2,3
ТП 901-3-207.85-АР-7 Фасады А-Л,Л-А
ТП 901-3-207.85-АР-8 Схемы расположения сборных перегородок в осях А-Д,7-11. Спецификация
ТП 901-3-207.85-АР-9 Схемы расположения сборных перегородок в осях Б-Л;1-6. Деталь А
ТП 901-3-207.85-АР-10 Ведомость проемов ворот и дверей, ведомость и спецификация перемычек
ТП 901-3-207.85-АР-11 Планы отверстий на отм. 0.000 и 3.600
ТП 901-3-207.85-АР-12 Ведомость отделки помещений. Детали
ТП 901-3-207.85-АР-13 Планы полов и кровли. Экспликация полов
ТП 901-3-207.85-КЖ Листы марки КЖ
ТП 901-3-207.85-КЖ-1 Общие данные (начало)
ТП 901-3-207.85-КЖ-2 Общие данные (продолжение)
ТП 901-3-207.85-КЖ-3 Общие данные (окончание)
ТП 901-3-207.85-КЖ-4 Схема расположения фундаментных балок и подпорных стен
ТП 901-3-207.85-КЖ-5 Схема расположения фундаментов, фундаментных балок, подпорных стен. Виды 1-1,2-2. Сечения 3-3÷7-7
ТП 901-3-207.85-КЖ-6 Схема расположения фундаментов, фундаментных балок. Виды 8-8÷10-10. Сечения 11-11÷14-14
ТП 901-3-207.85-КЖ-7 Схема расположения фундаментов, фундаментных балок. Виды 15-15;16-16. Сечения 17-17÷23-23
ТП 901-3-207.85-КЖ-8 Фундаменты ФМ1;ФМ2;ФМ3. Опалубочные чертежи. Армирование
ТП 901-3-207.85-КЖ-9 Фундаменты ФМ4;ФМ5;ФМ6. Опалубочные чертежи. Армирование
ТП 901-3-207.85-КЖ-10 Фундаменты ФМ7;ФМ8;ФМ9. Опалубочные чертежи. Армирование
ТП 901-3-207.85-КЖ-11 Фундаменты ФМ10-ФМ12. Опалубочные чертежи. Армирование
ТП 901-3-207.85-КЖ-12 Фундаменты ФМ13÷ФМ15-1. Опалубочные чертежи. Армирование
ТП 901-3-207.85-КЖ-13 Фундаменты ФМ17;ФМ18. Опалубочные чертежи. Армирование
ТП 901-3-207.85-КЖ-14 Фундаменты ФМ19;ФМ20. Опалубочные чертежи. Армирование
ТП 901-3-207.85-КЖ-15 Фундаменты ФМ21-ФМ22. Опалубочные чертежи. Армирование
ТП 901-3-207.85-КЖ-16 Схема расположения фундаментов под оборудование в осях 1-6;В-Г
ТП 901-3-207.85-КЖ-17 Схема расположения фундаментов под оборудование. Спецификация
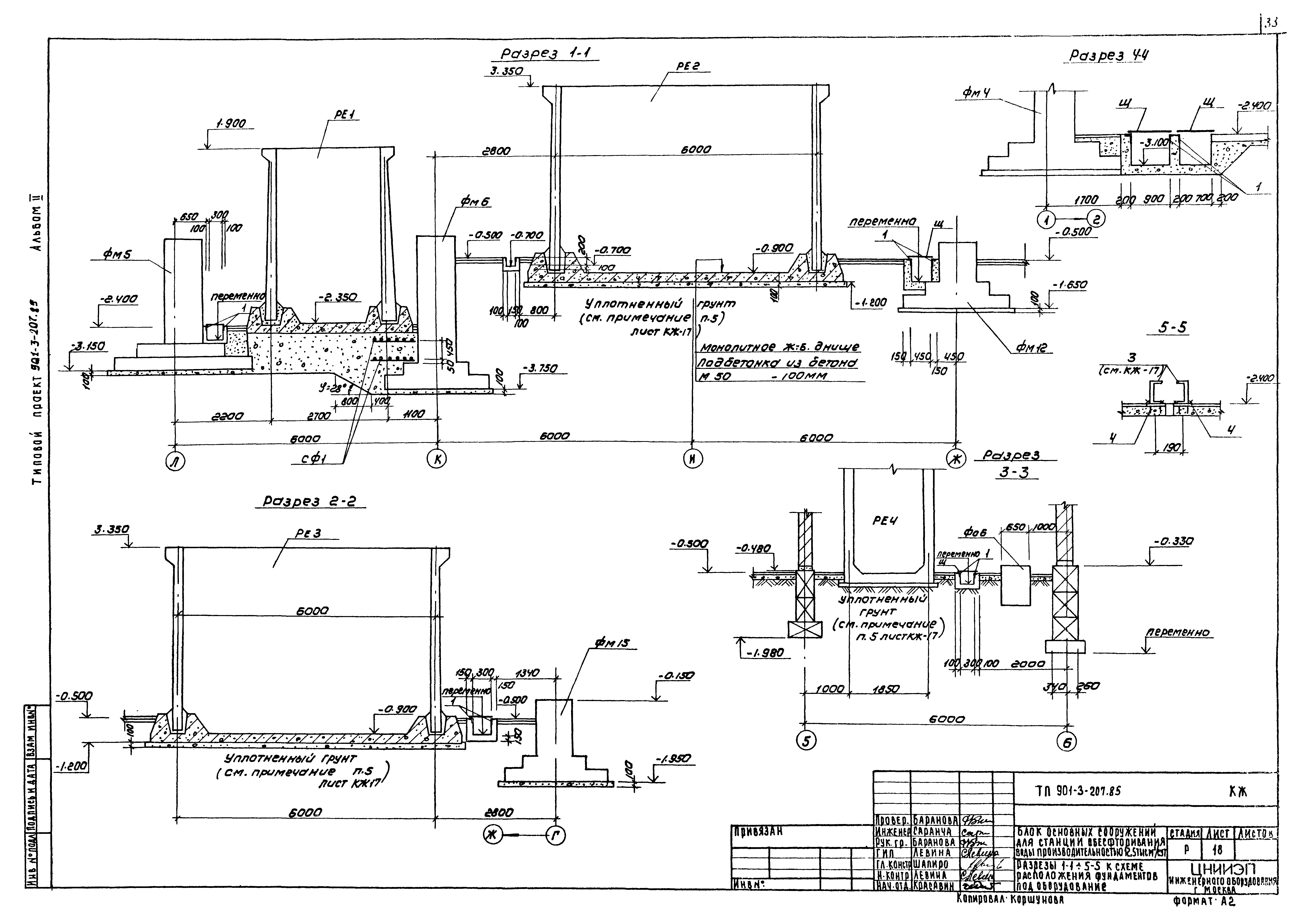
ТП 901-3-207.85-КЖ-18 Разрезы 1-1÷5-5 к схеме расположения фундаментов под оборудование
ТП 901-3-207.85-КЖ-19 Фундаменты под оборудование ФО3-ФО10
ТП 901-3-207.85-КЖ-20 Антикоррозионная защита каналов и фундаментов под оборудование
ТП 901-3-207.85-КЖ-21 Схема расположения каналов приямков в осях 7-8;А-В
ТП 901-3-207.85-КЖ-22 Растворно-хранилищные баки коагулянта и баки-хранилища соды (РЕ1). План на отм. 1.900 и план набетонок днища
ТП 901-3-207.85-КЖ-23 Растворно-хранилищные баки коагулянта и баки-хранилища соды (РЕ1). Разрезы 3-3÷4-4
ТП 901-3-207.85-КЖ-24 Растворно-хранилищные баки коагулянта (РЕ1). Планы раскладки верхних и нижних сеток днища ДМ1
ТП 901-3-207.85-КЖ-25 Растворно-хранилищные баки коагулянта (РЕ1). Планы раскладки каркасов днища ДМ1
ТП 901-3-207.85-КЖ-26 Растворно-хранилищные баки коагулянта (РЕ1). УМ1-УМ3
ТП 901-3-207.85-КЖ-27 Антикоррозионная защита и схема деревянной обрешетки в емкости РЕ1
ТП 901-3-207.85-КЖ-28 Контактные осветлители (РЕ-2). Схема расположения стеновых панелей и монолитных участков. Виды 1-1 и 6-6
ТП 901-3-207.85-КЖ-29 Контактные осветлители (РЕ-2;РЕ3). Разрезы 2-2÷5-5
ТП 901-3-207.85-КЖ-30 Контактные осветлители (РЕ-2;РЕ3). Узлы 1-4;8
ТП 901-3-207.85-КЖ-31 Контактные осветлители (РЕ-2;РЕ3). Узлы 5-7
ТП 901-3-207.85-КЖ-32 Контактные осветлители (РЕ-2). Схема расположения каркасов в зубе днища емкости ДМ2
ТП 901-3-207.85-КЖ-33 Контактные осветлители (РЕ-2). Армирование днища ДМ2
ТП 901-3-207.85-КЖ-34 Контактные осветлители (РЕ-2;РЕ3). Армирование днища и зуба днища емкостей ДМ2,ДМ3
ТП 901-3-207.85-КЖ-35 Контактные осветлители (РЕ-2;РЕ3). Армирование монолитных участков УМ4-УМ7;УМ8т/н
ТП 901-3-207.85-КЖ-36 Контактные осветлители (РЕ3). Схема расположения стеновых панелей и монолитных участков. Вид 1-1
ТП 901-3-207.85-КЖ-37 Контактные осветлители (РЕ3). Схема расположения каркасов в зубе днища емкости ДМ3
ТП 901-3-207.85-КЖ-38 Контактные осветлители (РЕ3). Армирование днища ДМ3
ТП 901-3-207.85-КЖ-39 Расходные балки соды и коагулянта (РЕ4). Опалубочный чертеж
ТП 901-3-207.85-КЖ-40 Расходные балки соды и коагулянта (РЕ4). Армирование
ТП 901-3-207.85-КЖ-41 Рабочая камера. Опалубочный чертеж. Армирование
ТП 901-3-207.85-КЖ-42 Схема расположения колонн, балок покрытия
ТП 901-3-207.85-КЖ-43 Разрезы 3-3÷6-6. Спецификация
ТП 901-3-207.85-КЖ-44 Схема расположения плит покрытия на отм. 7.800. Разрезы 1-1÷2-2
ТП 901-3-207.85-КЖ-45 Схема расположения стеновых панелей по осям "Б","А","Б","1"
ТП 901-3-207.85-КЖ-46 Схемы расположения колонн, балок покрытия, ригелей. Разрезы
ТП 901-3-207.85-КЖ-47 Схема расположения плит покрытия и перекрытия. Разрезы
ТП 901-3-207.85-КЖ-48 Схемы расположения стеновых панелей по осям "А","Д","11","7". Сечения 1-1;3-3
ТП 901-3-207.85-КЖ-49 Схема расположения лестничных маршей, проступей, верхней лестничной площадки
ТП 901-3-207.85-КЖ-50 Схема расположения монолитных участков и плит перекрытия по отм. 1.100. Разрезы 1-1,2-2
ТП 901-3-207.85-КЖ-51 Перекрытия на отм. 1.100. Монолитные участки УМ1-УМ3. Разрезы 3-3÷5-5,10-10
ТП 901-3-207.85-КЖ-52 Перекрытия на отм. 1.100. Балки БМ1-БМ3. Разрезы 6-6÷9-9. Узлы 1,2
ТП 901-3-207.85-КЖ-53 Схема расположения плит перекрытия на отм. 3.600 в осях 5-6÷Г-К. Сечения 1-1÷8-8
ТП 901-3-207.85-КЖ-54 Схема расположения плит перекрытия на отм. 3.600 в осях "1"-"5";"Г"-"К"
ТП 901-3-207.85-КЖ-55 Монолитный участок МУ7. Армирование
ТП 901-3-207.85-КЖ-56 Монолитные ж.б. пояса. Опалубочный чертеж. Армирование
ТП 901-3-207.85-КЖ-57 Венткамеры на отм. 0.000;3.600. Выбросная шахта в кровле
ТП 901-3-207.85-КМ Листы марки КМ
ТП 901-3-207.85-КМ-1 Общие данные. Техническая спецификация металла
ТП 901-3-207.85-КМ-2 Техническая спецификация металла и типовые конструкции
ТП 901-3-207.85-КМ-3 Выборка стали по видам профилей
ТП 901-3-207.85-КМ-4 Схема расположения площадки на отм. 3.600
ТП 901-3-207.85-КМ-5 Площадка на отм. 3.600. Разрезы 1-1÷3-3
ТП 901-3-207.85-КМ-6 Схема расположения площадок на отм. 1.100;3.500;1.800
ТП 901-3-207.85-КМ-7 Схема расположения площадок на отм. 0.000;0.400;1.400
ТП 901-3-207.85-КМ-8 Схема расположения площадок на отм. 0.000;1.300
ТП 901-3-207.85-КМ-9 Схема расположения элементов контактного осветлителя
ТП 901-3-207.85-КМ-10 Схема расположения подкрановых путей и монорельсов
ТП 901-3-207.85-КМ-11 Схема расположения пожарной лестницы
Разработан: ЦНИИЭП иженерного оборудования
Утверждён:22.07.1981 Госгражданстрой (Gosgrazhdanstroy 219)
Расположен в:Техническая документация Строительство Справочные документы Типовые строительные конструкции, изделия и узлы Общероссийский строительный каталог Промышленные предприятия, здания и сооружения Здания и сооружения санитарно-технические Водоснабжение Сооружения и установки по подготовке питьевой воды Станции обесфторивания воды
Типовой проект 901-3-207.85Типовой проект 901-3-207.85Типовой проект 901-3-207.85Типовой проект 901-3-207.85Типовой проект 901-3-207.85Типовой проект 901-3-207.85Типовой проект 901-3-207.85Типовой проект 901-3-207.85Типовой проект 901-3-207.85Типовой проект 901-3-207.85Типовой проект 901-3-207.85Типовой проект 901-3-207.85Типовой проект 901-3-207.85Типовой проект 901-3-207.85Типовой проект 901-3-207.85Типовой проект 901-3-207.85Типовой проект 901-3-207.85Типовой проект 901-3-207.85Типовой проект 901-3-207.85Типовой проект 901-3-207.85Типовой проект 901-3-207.85Типовой проект 901-3-207.85Типовой проект 901-3-207.85Типовой проект 901-3-207.85Типовой проект 901-3-207.85Типовой проект 901-3-207.85Типовой проект 901-3-207.85Типовой проект 901-3-207.85Типовой проект 901-3-207.85Типовой проект 901-3-207.85Типовой проект 901-3-207.85Типовой проект 901-3-207.85Типовой проект 901-3-207.85Типовой проект 901-3-207.85Типовой проект 901-3-207.85Типовой проект 901-3-207.85Типовой проект 901-3-207.85Типовой проект 901-3-207.85Типовой проект 901-3-207.85Типовой проект 901-3-207.85Типовой проект 901-3-207.85Типовой проект 901-3-207.85Типовой проект 901-3-207.85Типовой проект 901-3-207.85Типовой проект 901-3-207.85Типовой проект 901-3-207.85Типовой проект 901-3-207.85Типовой проект 901-3-207.85Типовой проект 901-3-207.85Типовой проект 901-3-207.85Типовой проект 901-3-207.85Типовой проект 901-3-207.85Типовой проект 901-3-207.85Типовой проект 901-3-207.85Типовой проект 901-3-207.85Типовой проект 901-3-207.85Типовой проект 901-3-207.85Типовой проект 901-3-207.85Типовой проект 901-3-207.85Типовой проект 901-3-207.85Типовой проект 901-3-207.85Типовой проект 901-3-207.85Типовой проект 901-3-207.85Типовой проект 901-3-207.85Типовой проект 901-3-207.85Типовой проект 901-3-207.85Типовой проект 901-3-207.85Типовой проект 901-3-207.85Типовой проект 901-3-207.85Типовой проект 901-3-207.85Типовой проект 901-3-207.85Типовой проект 901-3-207.85Типовой проект 901-3-207.85Типовой проект 901-3-207.85Типовой проект 901-3-207.85Типовой проект 901-3-207.85Типовой проект 901-3-207.85Типовой проект 901-3-207.85Типовой проект 901-3-207.85Типовой проект 901-3-207.85Типовой проект 901-3-207.85Типовой проект 901-3-207.85Типовой проект 901-3-207.85Типовой проект 901-3-207.85

© 2013 Ёшкин Кот :-) Карта сайта