Информационная система
«Ёшкин Кот»

Скачать базу одним архивом
Скачать обновления
История создания базы
Карта сайта

Скачать Типовой проект 902-2-377.83 Альбом VI. Часть 1. Нестандартизированное оборудование. Илосос

Дата актуализации: 10.08.2017

Типовой проект 902-2-377.83

Альбом VI. Часть 1. Нестандартизированное оборудование. Илосос

Обозначение: Типовой проект 902-2-377.83
Обозначение англ: 902-2-377.83
Статус:заменен
Название рус.:Альбом VI. Часть 1. Нестандартизированное оборудование. Илосос
Дата добавления в базу:01.09.2013
Дата актуализации:05.05.2017
Дата введения:01.03.1990
Оглавление:Часть 1
ТП 902-2-377.83 Титульный лист
ТП 902-2-377.83 Содержание альбома
ТП 902-2-377.83 Илосос ИВР-40
ТП 902-2-377.83 4И.463.00.00.000 ТУ Технические условия
ТП 902-2-377.83 4И.463.00.00.000 ВП Илосос ИВР-40. Ведомость покупных изделий. Лист 1-2
ТП 902-2-377.83 4И.463.00.00.000 ВП Илосос ИВР-40. Ведомость покупных изделий. Лист 3-4
ТП 902-2-377.83 4И.463.00.00.000 СБ Илосос ИВР-40. Лист 1
ТП 902-2-377.83 4И.463.00.00.000 СБ Илосос ИВР-40. Лист 2
ТП 902-2-377.83 4И.463.00.00.000 СБ Илосос ИВР-40. Лист 3
ТП 902-2-377.83 4И.463.00.00.000 СБ Илосос ИВР-40. Лист 4
ТП 902-2-377.83 4И.463.00.00.000 СБ Илосос ИВР-40. Лист 5
ТП 902-2-377.83 4И.463.00.00.000 СБ Илосос ИВР-40. Лист 6
ТП 902-2-377.83 4И.463.00.00.000 СБ Илосос ИВР-40. Лист 7
ТП 902-2-377.83 4И.463.00.00.000 СБ Илосос ИВР-40. Лист 8
ТП 902-2-377.83 4И.463.00.00.000 СБ Илосос ИВР-40. Лист 9
ТП 902-2-377.83 4И.463.00.00.000 СБ Илосос ИВР-40. Лист 10
ТП 902-2-377.83 4И.463.00.00.000 СБ Илосос ИВР-40. Лист 11
ТП 902-2-377.83 4И.463.00.00.000 Илосос ИВР-40. Спецификация. Лист 1-4
ТП 902-2-377.83 4И.463.00.00.000 Илосос ИВР-40. Спецификация. Лист 5-8
ТП 902-2-377.83 4И.463.01.00.000 СБ Ферма моста. Лист 1
ТП 902-2-377.83 4И.463.01.00.000 СБ Ферма моста. Лист 2
ТП 902-2-377.83 4И.463.01.00.000 СБ Ферма моста. Лист 3
ТП 902-2-377.83 4И.463.01.00.000 Ферма моста. Спецификация. Лист 1-4
ТП 902-2-377.83 4И.463.01.00.000 Ферма моста. Спецификация. Лист 5
ТП 902-2-377.83 4И.463.01.00.001 Уголок
ТП 902-2-377.83 4И.463.01.00.002 Накладка
ТП 902-2-377.83 4И.463.01.00.003 Уголок
ТП 902-2-377.83 4И.463.01.00.004 Накладка
ТП 902-2-377.83 4И.463.01.00.005 Уголок
ТП 902-2-377.83 4И.463.01.00.006 Лист
ТП 902-2-377.83 4И.463.00.00.019 Фиксатор
ТП 902-2-377.83 4И.463.01.00.007 Швеллер
ТП 902-2-377.83 4И.463.01.00.008 Стойка
ТП 902-2-377.83 4И.463.01.00.009 Пруток
ТП 902-2-377.83 4И.463.01.00.011 Поручень
ТП 902-2-377.83 4И.463.01.00.012 Пруток
ТП 902-2-377.83 4И.463.01.00.013 Крюк
ТП 902-2-377.83 4И.463.01.00.014 Поручень
ТП 902-2-377.83 4И.463.01.00.015 Накладка
ТП 902-2-377.83 4И.463.01.00.016 Упор
ТП 902-2-377.83 4И.463.01.00.017 Уголок
ТП 902-2-377.83 4И.463.01.00.018 Накладка
ТП 902-2-377.83 4И.463.01.00.019 Поперечина
ТП 902-2-377.83 4И.463.02.00.000 СБ Звезда
ТП 902-2-377.83 4И.463.02.00.000 Звезда. Спецификация. Лист 1-2
ТП 902-2-377.83 4И.463.02.00.001 Домкрат
ТП 902-2-377.83 4И.463.02.01.000 Луч звезды. Спецификация. Лист 1
ТП 902-2-377.83 4И.463.02.01.000 СБ Луч звезды
ТП 902-2-377.83 4И.463.02.01.001 Балка
ТП 902-2-377.83 4И.463.02.01.002 Ушко
ТП 902-2-377.83 4И.463.02.01.003 Ушко
ТП 902-2-377.83 4И.463.02.01.004 Накладка
ТП 902-2-377.83 4И.463.02.02.000 СБ Основание звезды. Лист 1
ТП 902-2-377.83 4И.463.02.02.000 СБ Основание звезды. Лист 2
ТП 902-2-377.83 4И.463.02.02.000 Основание звезды. Спецификация. Лист 1-2
ТП 902-2-377.83 4И.463.02.02.001 Балка
ТП 902-2-377.83 4И.463.02.02.002 Ушко
ТП 902-2-377.83 4И.463.02.02.003 Плита
ТП 902-2-377.83 4И.463.02.02.004 Поперечина
ТП 902-2-377.83 4И.463.02.02.005 Бобышка
ТП 902-2-377.83 4И.463.02.02.006 Ребро
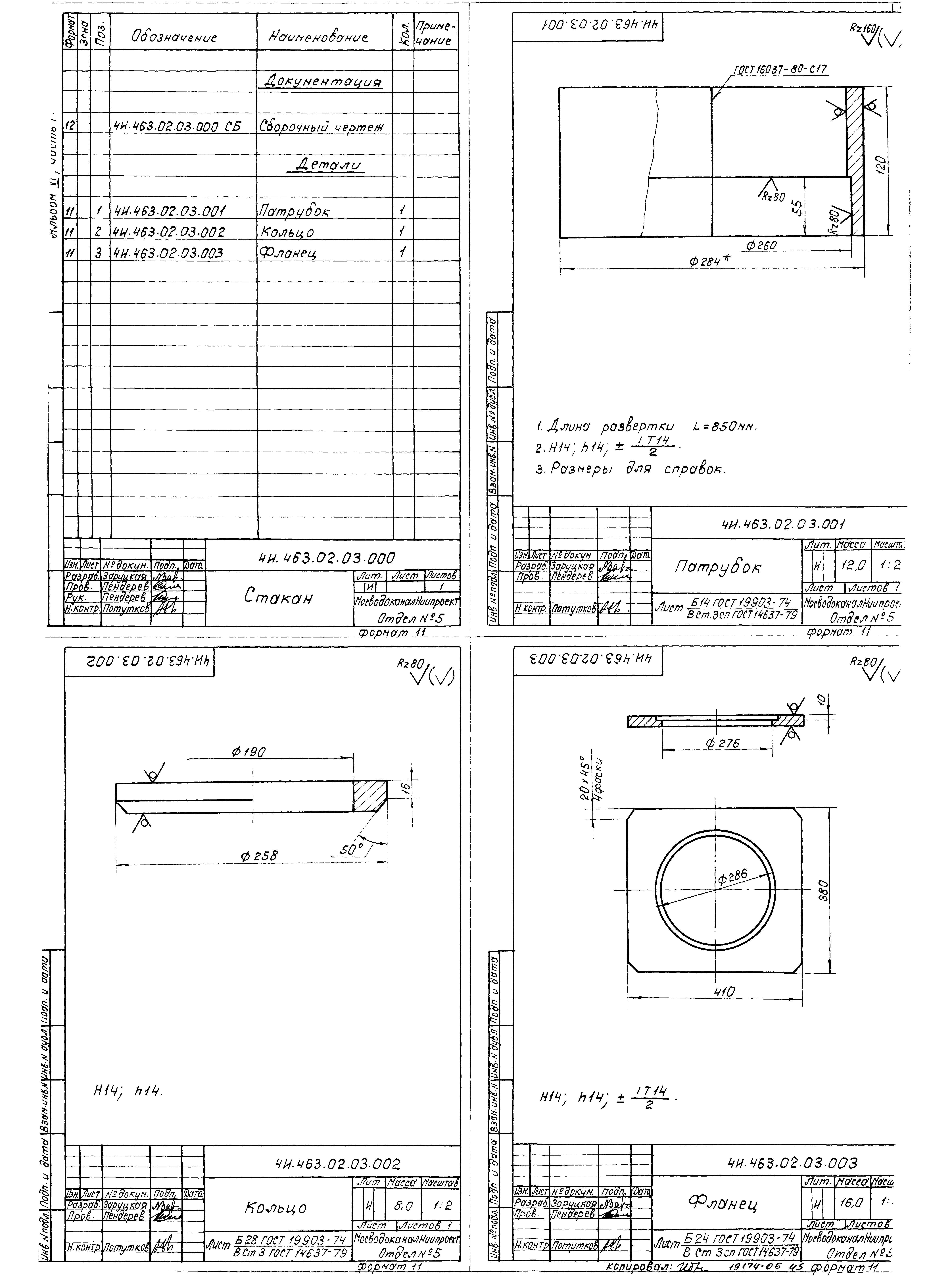
ТП 902-2-377.83 4И.463.02.03.000 СБ Стакан
ТП 902-2-377.83 4И.463.02.03.000 Стакан. Спецификация. Лист 1
ТП 902-2-377.83 4И.463.02.03.001 Патрубок
ТП 902-2-377.83 4И.463.02.03.002 Кольцо
ТП 902-2-377.83 4И.463.02.03.003 Фланец
ТП 902-2-377.83 4И.463.03.00.000 СБ Камера вращающая
ТП 902-2-377.83 4И.463.03.00.000 Камера вращающая. Спецификация. Лист 1-2
ТП 902-2-377.83 4И.463.03.00.001 Прокладка
ТП 902-2-377.83 4И.463.03.00.002 Сектор вкладыша
ТП 902-2-377.83 4И.463.03.00.003 Сектор вкладыша
ТП 902-2-377.83 4И.463.03.01.000 Корпус. Спецификация. Лист 1
ТП 902-2-377.83 4И.463.03.01.100 Обойма
ТП 902-2-377.83 4И.463.03.01.101 Воротник
ТП 902-2-377.83 4И.463.03.01.000 СБ Корпус
ТП 902-2-377.83 4И.463.03.01.100 СБ Обойма
ТП 902-2-377.83 4И.463.03.01.102 Полукольцо
ТП 902-2-377.83 4И.463.03.01.103 Фланец
ТП 902-2-377.83 4И.463.03.01.104 Ребро
ТП 902-2-377.83 4И.463.03.01.105 Ребро
ТП 902-2-377.83 4И.463.03.01.110 СБ Ввод
ТП 902-2-377.83 4И.463.03.01.110 Ввод. Спецификация. Лист 1
ТП 902-2-377.83 4И.463.03.01.111 Кольцо
ТП 902-2-377.83 4И.463.03.01.112 Патрубок
ТП 902-2-377.83 4И.463.03.01.113 Планка
ТП 902-2-377.83 4И.463.04.00.000 Привод. Спецификация. Лист 1-2
ТП 902-2-377.83 4И.463.04.00.000 Привод. Спецификация. Лист 3-4
ТП 902-2-377.83 4И.463.04.01.000 Вал в сборе. Спецификация. Лист 1-2
ТП 902-2-377.83 4И.463.04.00.000 СБ Привод. Лист 1
ТП 902-2-377.83 4И.463.04.00.000 СБ Привод. Лист 2
ТП 902-2-377.83 4И.463.04.00.100 СБ Привод. Лист 3
ТП 902-2-377.83 4И.463.04.01.000 СБ Вал в сборе
ТП 902-2-377.83 4И.463.04.01.100 СБ Траверса
ТП 902-2-377.83 4И.463.04.01.100 Траверса. Спецификация. Лист 1
ТП 902-2-377.83 4И.463.04.01.101 Полоса верхняя
ТП 902-2-377.83 4И.463.04.01.102 Стенка
ТП 902-2-377.83 4И.463.04.01.003 Полоса нижняя
ТП 902-2-377.83 4И.463.04.01.004 Обойма
ТП 902-2-377.83 4И.463.04.01.001 Втулка
ТП 902-2-377.83 4И.463.04.01.002 Колесо зубчатое
ТП 902-2-377.83 4И.463.04.01.003 Крышка подшипника
ТП 902-2-377.83 4И.463.04.01.004 Вал
ТП 902-2-377.83 4И.463.04.01.005 Кольцо дистанционное
ТП 902-2-377.83 4И.463.04.01.006 Прокладка
ТП 902-2-377.83 4И.463.04.01.007 Кольцо уплотнительное
ТП 902-2-377.83 4И.463.04.01.008 Полукольцо
ТП 902-2-377.83 4И.463.04.01.009 Крышка подшипника
ТП 902-2-377.83 4И.463.04.04.011 Крышка подшипника
ТП 902-2-377.83 4И.463.04.02.000 СБ Рама. Лист 1
ТП 902-2-377.83 4И.463.04.02.000 СБ Рама. Лист 2
ТП 902-2-377.83 4И.463.04.02.000 СБ Рама. Лист 3
ТП 902-2-377.83 4И.463.04.02.000 Рама. Спецификация. Лист 1-2
ТП 902-2-377.83 4И.463.04.02.001 Накладка
ТП 902-2-377.83 4И.463.04.02.002 Швеллер
ТП 902-2-377.83 4И.463.04.02.003 Ребро
ТП 902-2-377.83 4И.463.04.02.004 Лапа
ТП 902-2-377.83 4И.463.04.03.000 СБ Кронштейн
ТП 902-2-377.83 4И.463.04.03.000 Кронштейн. Спецификация. Лист 1
ТП 902-2-377.83 4И.463.04.03.001 Фланец
ТП 902-2-377.83 4И.463.04.03.002 Основание
ТП 902-2-377.83 4И.463.04.03.003 Ребро
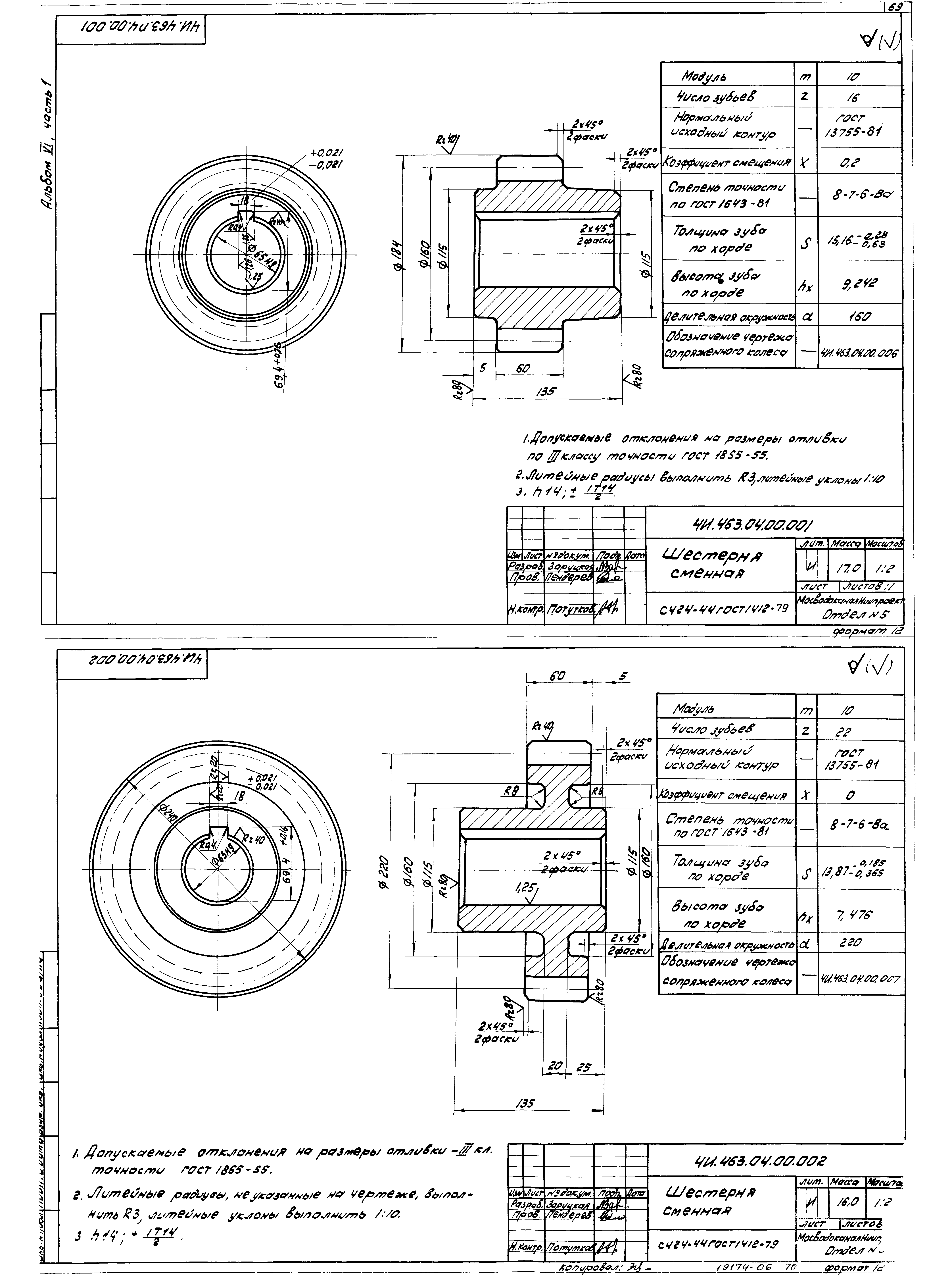
ТП 902-2-377.83 4И.463.04.00.001 Шестерня сменная
ТП 902-2-377.83 4И.463.04.00.002 Шестерня сменная
ТП 902-2-377.83 4И.463.04.00.003 Шестерня сменная
ТП 902-2-377.83 4И.463.04.00.004 Шестерня
ТП 902-2-377.83 4И.463.04.00.005 Вал промежуточный
ТП 902-2-377.83 4И.463.04.00.006 Колесо зубчатое сменное
ТП 902-2-377.83 4И.463.04.00.007 Колесо зубчатое сменное
ТП 902-2-377.83 4И.463.04.00.008 Колесо зубчатое
ТП 902-2-377.83 4И.463.04.00.009 Прокладка
ТП 902-2-377.83 4И.463.04.00.011 Стакан
ТП 902-2-377.83 4И.463.04.00.012 Палец
ТП 902-2-377.83 4И.463.04.00.013 Ступица
ТП 902-2-377.83 4И.463.04.00.014 Шайба стопорная
ТП 902-2-377.83 4И.463.04.00.015 Шайба глухая
ТП 902-2-377.83 4И.463.04.00.016 Втулка дистанционная
ТП 902-2-377.83 4И.463.04.00.017 Стакан
Разработан: МосводоканалНИИпроект
Утверждён:27.07.1983 МосводоканалНИИпроект (169)
Расположен в:Техническая документация Строительство Справочные документы Типовые строительные конструкции, изделия и узлы Общероссийский строительный каталог Промышленные предприятия, здания и сооружения Здания и сооружения санитарно-технические Канализация Сооружения механической очистки Отстойники Отстойники радиальные вторичные
Заменяет собой:
  • Типовой проект 902-2-90/75
Чем заменён:
Типовой проект 902-2-377.83Типовой проект 902-2-377.83Типовой проект 902-2-377.83Типовой проект 902-2-377.83Типовой проект 902-2-377.83Типовой проект 902-2-377.83Типовой проект 902-2-377.83Типовой проект 902-2-377.83Типовой проект 902-2-377.83Типовой проект 902-2-377.83Типовой проект 902-2-377.83Типовой проект 902-2-377.83Типовой проект 902-2-377.83Типовой проект 902-2-377.83Типовой проект 902-2-377.83Типовой проект 902-2-377.83Типовой проект 902-2-377.83Типовой проект 902-2-377.83Типовой проект 902-2-377.83Типовой проект 902-2-377.83Типовой проект 902-2-377.83Типовой проект 902-2-377.83Типовой проект 902-2-377.83Типовой проект 902-2-377.83Типовой проект 902-2-377.83Типовой проект 902-2-377.83Типовой проект 902-2-377.83Типовой проект 902-2-377.83Типовой проект 902-2-377.83Типовой проект 902-2-377.83Типовой проект 902-2-377.83Типовой проект 902-2-377.83Типовой проект 902-2-377.83Типовой проект 902-2-377.83Типовой проект 902-2-377.83Типовой проект 902-2-377.83Типовой проект 902-2-377.83Типовой проект 902-2-377.83Типовой проект 902-2-377.83Типовой проект 902-2-377.83Типовой проект 902-2-377.83Типовой проект 902-2-377.83Типовой проект 902-2-377.83Типовой проект 902-2-377.83Типовой проект 902-2-377.83Типовой проект 902-2-377.83Типовой проект 902-2-377.83Типовой проект 902-2-377.83Типовой проект 902-2-377.83Типовой проект 902-2-377.83Типовой проект 902-2-377.83Типовой проект 902-2-377.83Типовой проект 902-2-377.83Типовой проект 902-2-377.83Типовой проект 902-2-377.83Типовой проект 902-2-377.83Типовой проект 902-2-377.83Типовой проект 902-2-377.83Типовой проект 902-2-377.83Типовой проект 902-2-377.83Типовой проект 902-2-377.83Типовой проект 902-2-377.83Типовой проект 902-2-377.83Типовой проект 902-2-377.83Типовой проект 902-2-377.83Типовой проект 902-2-377.83Типовой проект 902-2-377.83Типовой проект 902-2-377.83Типовой проект 902-2-377.83Типовой проект 902-2-377.83Типовой проект 902-2-377.83Типовой проект 902-2-377.83Типовой проект 902-2-377.83Типовой проект 902-2-377.83Типовой проект 902-2-377.83Типовой проект 902-2-377.83

© 2013 Ёшкин Кот :-) Карта сайта