Информационная система
«Ёшкин Кот»

Скачать базу одним архивом
Скачать обновления
История создания базы
Карта сайта

Скачать Серия 2.445-1 Выпуск 4. Изделия крепления светильников

Дата актуализации: 10.08.2017

Серия 2.445-1

Выпуск 4. Изделия крепления светильников

Обозначение: Серия 2.445-1
Обозначение англ: Series 2.445-1
Статус:не действует
Название рус.:Выпуск 4. Изделия крепления светильников
Дата добавления в базу:01.09.2013
Дата актуализации:05.05.2017
Дата введения:01.06.1988
Оглавление:2.445-1 Титульный лист
2.445-1 Содержание
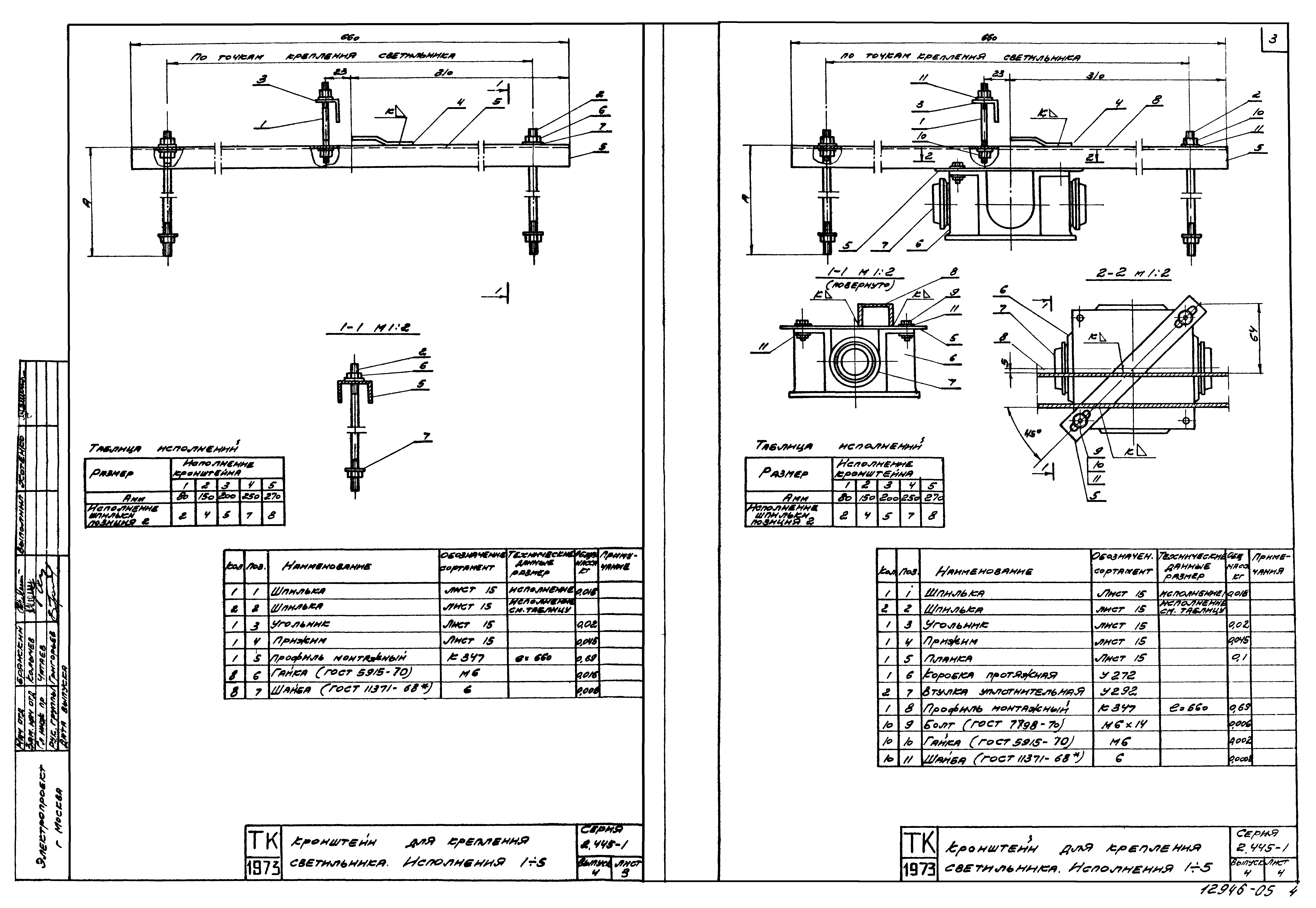
2.445-1 Кронштейн для крепления светильника. Исполнения 1-5
2.445-1 Кронштейн для крепления светильника
2.445-1 Кронштейн для крепления светильника. Исполнения 1-4
2.445-1 Кронштейн для крепления светильника
2.445-1 Кронштейн для крепления светильника. Исполнения 1-4
2.445-1 Коробка комплектная. Исполнения 1,2
2.445-1 Коробка комплектная. Исполнения 1-4
2.445-1 Коробка комплектная
2.445-1 Закреп. Исполнения 1-6
2.445-1 Детали крепления светильников
Разработан: ГПИ Электропроект
Утверждён:30.01.1973 Госстрой СССР (Государственный комитет Совета Министров СССР по делам строительства) (USSR Gosstroy )
Расположен в:Техническая документация Строительство Справочные документы Типовые строительные конструкции, изделия и узлы Общероссийский строительный каталог Строительные конструкции, изделия и узлы зданий и сооружений для всех видов строительства Конструкции, изделия и узлы зданий Разные конструктивные элементы, изделия и узлы
Серия 2.445-1Серия 2.445-1Серия 2.445-1Серия 2.445-1Серия 2.445-1Серия 2.445-1Серия 2.445-1Серия 2.445-1Серия 2.445-1Серия 2.445-1Серия 2.445-1Серия 2.445-1

© 2013 Ёшкин Кот :-) Карта сайта