Информационная система
«Ёшкин Кот»

Скачать базу одним архивом
Скачать обновления
История создания базы
Карта сайта

Скачать Типовой проект 903-1-211.84 Альбом VI. Электротехническая часть

Дата актуализации: 10.08.2017

Типовой проект 903-1-211.84

Альбом VI. Электротехническая часть

Обозначение: Типовой проект 903-1-211.84
Обозначение англ: 903-1-211.84
Статус:заменен
Название рус.:Альбом VI. Электротехническая часть
Дата добавления в базу:01.09.2013
Дата актуализации:05.05.2017
Дата введения:01.01.1990
Оглавление:ТП 903-1-211.84 Содержание альбома
ТП 903-1-211.84-ЭМ Пояснительная записка (начало)
ТП 903-1-211.84-ЭМ Пояснительная записка (окончание)
ТП 903-1-211.84-ЭМ Марка ЭМ
ТП 903-1-211.84-ЭМ-1 Общие данные (начало)
ТП 903-1-211.84-ЭМ-2 Общие данные (окончание)
ТП 903-1-211.84-ЭМ-3 Питающая сеть ~380/220В 1ШР. Схема однолинейная принципиальная
ТП 903-1-211.84-ЭМ-4 Распределительная сеть ~380/220В 2ШР,4ШР,6ШР. Схема однолинейная принципиальная
ТП 903-1-211.84-ЭМ-5 Распределительная сеть ~380/220В 3ШР,5ШР,7ШР. Схема однолинейная принципиальная
ТП 903-1-211.84-ЭМ-6 Распределительная сеть ~380/220В 8ШР,9ШР. Схема однолинейная принципиальная
ТП 903-1-211.84-ЭМ-7 ≠1(≠2,≠3)-Дымосос. Схема электрическая принципиальная. Схема подключений
ТП 903-1-211.84-ЭМ-8 ≠4(≠5,≠6)-Насос сетевой. Схема электрическая принципиальная. Схема подключений
ТП 903-1-211.84-ЭМ-9 ≠7(≠8)-Насос сетевой. Схема электрическая принципиальная. Схема подключений
ТП 903-1-211.84-ЭМ-10 ≠9(≠10,≠11)-Насос горячего водоснабжения. Схема электрическая принципиальная. Схема подключений
ТП 903-1-211.84-ЭМ-11 ≠12(≠13)-Насос исходной воды. Схема электрическая принципиальная. Схема подключений
ТП 903-1-211.84-ЭМ-12 ≠14(≠15)-Насос рабочей воды. Схема электрическая принципиальная. Схема подключений
ТП 903-1-211.84-ЭМ-13 ≠23-Питатель. Схема электрическая принципиальная. Схема подключений
ТП 903-1-211.84-ЭМ-14 ≠25-Компрессор, ≠27-Насос взрыхляющей промывки. Схема электрическая принципиальная. Схема подключений
ТП 903-1-211.84-ЭМ-15 ≠26-Элеватор. Схема электрическая принципиальная. Схема подключений
ТП 903-1-211.84-ЭМ-16 ≠28-Подъемник скреперный. Схема электрическая принципиальная
ТП 903-1-211.84-ЭМ-17 ≠28-Подъемник скреперный. Схема подключений
ТП 903-1-211.84-ЭМ-18 ≠30-Вентилятор приточный. Схема электрическая принципиальная. Схема подключений
ТП 903-1-211.84-ЭМ-19 Аварийная сигнализация. Схема электрическая принципиальная (начало)
ТП 903-1-211.84-ЭМ-20 Аварийная сигнализация. Схема электрическая принципиальная (окончание)
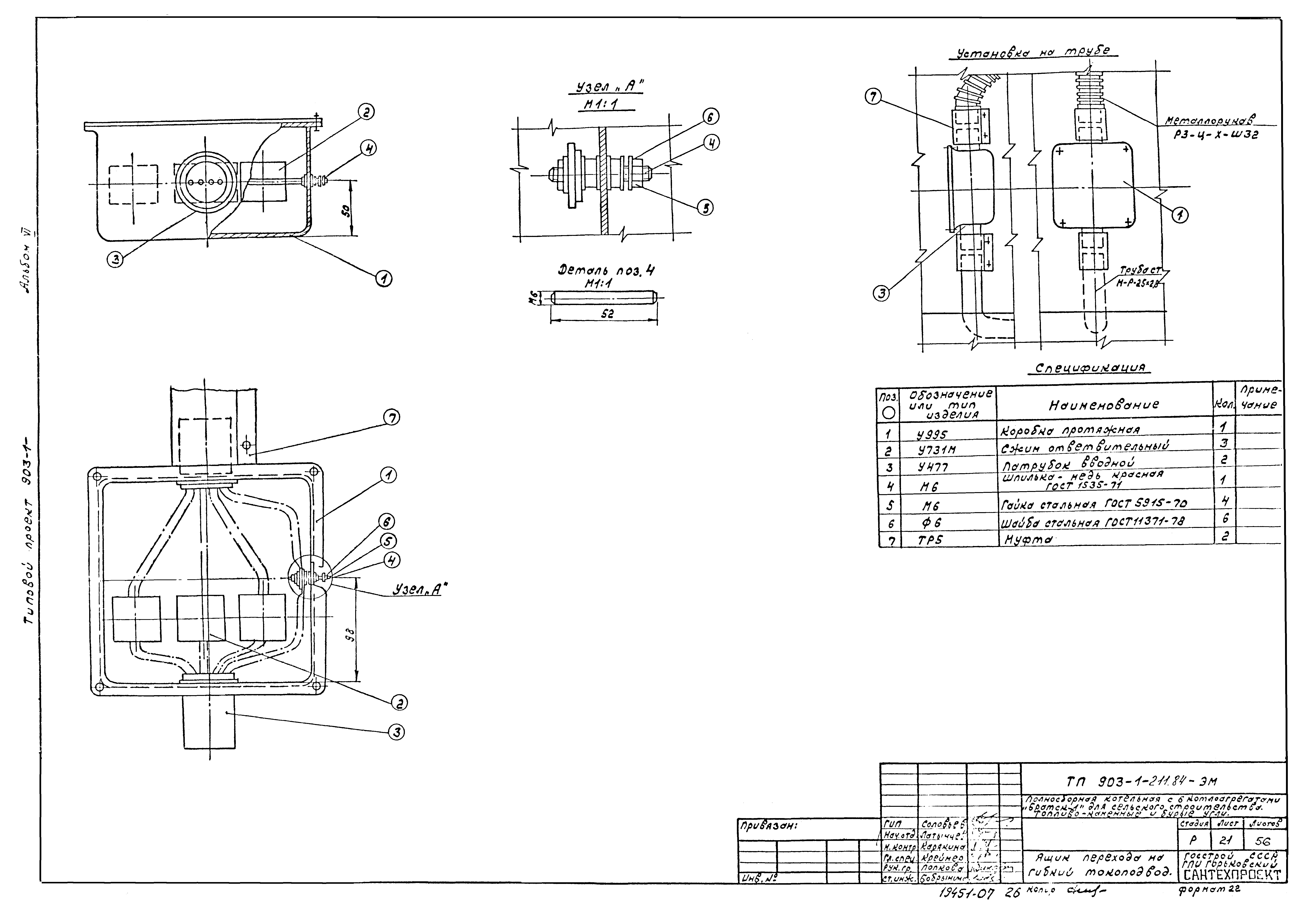
ТП 903-1-211.84-ЭМ-21 Ящик перехода на гибкий токоподвод
ТП 903-1-211.84-ЭМ-22 Кабельный журнал (начало)
ТП 903-1-211.84-ЭМ-23 Кабельный журнал (продолжение)
ТП 903-1-211.84-ЭМ-24 Кабельный журнал (продолжение)
ТП 903-1-211.84-ЭМ-25 Кабельный журнал (окончание)
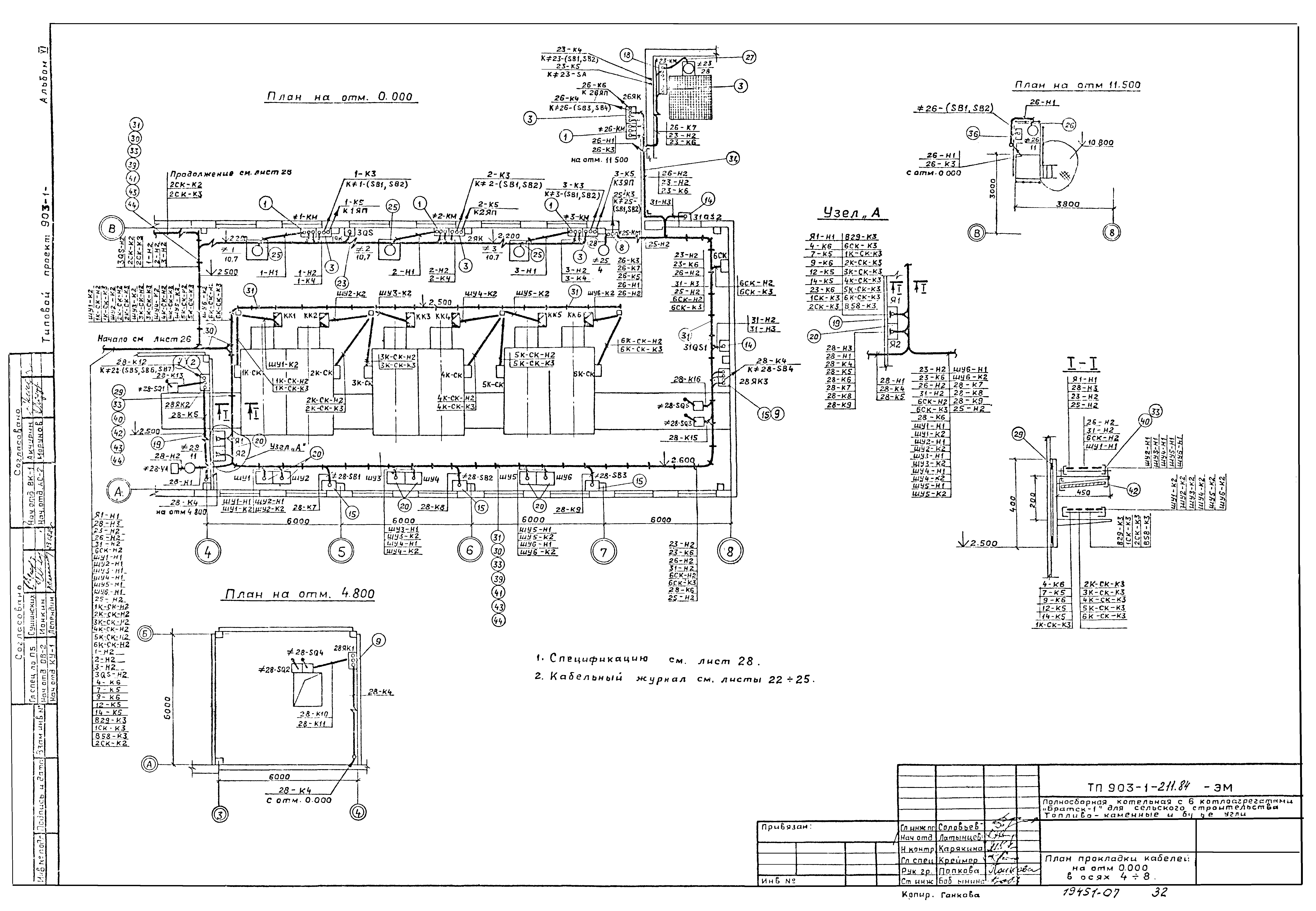
ТП 903-1-211.84-ЭМ-26 План прокладки кабелей на отм. 0.000 в осях 1-4
ТП 903-1-211.84-ЭМ-27 План прокладки кабелей на отм. 0.000 в осях 1-4-8
ТП 903-1-211.84-ЭМ-28 План прокладки кабелей на отм. 3.250. Спецификация. Разрезы
ТП 903-1-211.84-ЭМ-29 ≠30-Таль. План расположения гибкого токоподвода
ТП 903-1-211.84-ЭМ-30 Комплект установки 3-х кнопочных постов ПКЕ722-2У2;3-х коробок У996 и ящика У655
ТП 903-1-211.84-ЭМ-31 Трубозаготовительная ведомость
ТП 903-1-211.84-ЭМ-32 Таблица заполнения труб кабелями
ТП 903-1-211.84-ЭМ-33 План прокладки труб
ТП 903-1-211.84-ЭМ-34 Заземление
ТП 903-1-211.84-ЭМ-35 Молниезащита
ТП 903-1-211.84-ЭМ-36 Ведомость электрооборудования, кабельных изделий и материалов, поставляемых заказчиком (начало)
ТП 903-1-211.84-ЭМ-37 Ведомость электрооборудования, кабельных изделий и материалов, поставляемых заказчиком (продолжение)
ТП 903-1-211.84-ЭМ-38 Ведомость электрооборудования, кабельных изделий и материалов, поставляемых заказчиком (окончание)
ТП 903-1-211.84-ЭМ-39 Сводная ведомость потребности в кабелях и проводах с использованием меди и свинца
ТП 903-1-211.84-ЭМ-40 Ведомость потребности в материалах
ТП 903-1-211.84-ЭМ-41 Ведомость потребности в электромонтажных изделиях
ТП 903-1-211.84-ЭМ-42 Ведомость изделий МЭЗ
ТП 903-1-211.84-ЭМ-43 Ведомость изделий из материалов для изготовления изделий МЭЗ (начало)
ТП 903-1-211.84-ЭМ-44 Ведомость изделий из материалов для изготовления изделий МЭЗ (окончание)
ТП 903-1-211.84-ЭМ-45 Ведомость объемов электромонтажных и строительных работ
ТП 903-1-211.84-ЭМ-46 Ящик Я1. Технические данные аппаратов
ТП 903-1-211.84-ЭМ-47 Ящик Я1. Общий вид
ТП 903-1-211.84-ЭМ-48 Ящик Я1. Перечень надписей
ТП 903-1-211.84-ЭМ-49 Ящик Я1. Схема электрическая соединений
ТП 903-1-211.84-ЭМ-50 Ящик Я2. Технические данные аппаратов
ТП 903-1-211.84-ЭМ-51 Ящик Я2. Общий вид
ТП 903-1-211.84-ЭМ-52 Ящик Я2. Перечень надписей
ТП 903-1-211.84-ЭМ-53 Ящик Я2. Схема электрическая соединений
ТП 903-1-211.84-ЭМ-54 1ШР. Опросный лист
ТП 903-1-211.84-ЭМ-55 2ШР-9ШР. Опросный лист
ТП 903-1-211.84-ЭМ-56 Эскизы лицевых панелей кнопок ПКУ15-19.III-54У2 и ПКЕ222-3У2
ТП 903-1-211.84-ЭО Марка ЭО
ТП 903-1-211.84-ЭО-1 Общие данные
ТП 903-1-211.84-ЭО-2 Электроосвещение. План на отм. 0.000 в осях 1-4. Питающая сеть. Схема принципиальная однолинейная
ТП 903-1-211.84-ЭО-3 Электроосвещение. План на отм. 0.000 и 2.700 в осях 4-8
ТП 903-1-211.84-ЭО-4 Ведомость электрооборудования, кабельных изделий и материалов, поставляемых заказчиком
ТП 903-1-211.84-ЭО-5 Ведомость потребности в материалах
ТП 903-1-211.84-ЭО-6 Ведомость потребности в электромонтажных изделиях (начало)
ТП 903-1-211.84-ЭО-7 Ведомость потребности в электромонтажных изделиях (окончание)
ТП 903-1-211.84-ЭО-8 Ведомость изделий МЭЗ (начало)
ТП 903-1-211.84-ЭО-9 Ведомость изделий МЭЗ (окончание)
ТП 903-1-211.84-ЭО-10 Ведомость изделий и материалов для изготовления изделий МЭЗ (начало)
ТП 903-1-211.84-ЭО-11 Ведомость изделий и материалов для изготовления изделий МЭЗ (окончание)
ТП 903-1-211.84-ЭО-12 Ведомость объемов электромонтажных и строительных работ
ТП 903-1-211.84-СС Марка СС
ТП 903-1-211.84-СС-1 Общие данные
ТП 903-1-211.84-СС-2 Слаботочные устройства
Разработан: Горьковский Сантехпроект
Утверждён:11.03.1984 Министерство сельского хозяйства СССР (USSR Ministry of Agriculture 10-3Г)
Расположен в:Техническая документация Строительство Справочные документы Типовые строительные конструкции, изделия и узлы Общероссийский строительный каталог Промышленные предприятия, здания и сооружения Здания и сооружения санитарно-технические Теплоснабжение Котельные установки Котельные для объектов сельского хозяйства Топливо - каменные и бурые угли
Чем заменён:
Типовой проект 903-1-211.84Типовой проект 903-1-211.84Типовой проект 903-1-211.84Типовой проект 903-1-211.84Типовой проект 903-1-211.84Типовой проект 903-1-211.84Типовой проект 903-1-211.84Типовой проект 903-1-211.84Типовой проект 903-1-211.84Типовой проект 903-1-211.84Типовой проект 903-1-211.84Типовой проект 903-1-211.84Типовой проект 903-1-211.84Типовой проект 903-1-211.84Типовой проект 903-1-211.84Типовой проект 903-1-211.84Типовой проект 903-1-211.84Типовой проект 903-1-211.84Типовой проект 903-1-211.84Типовой проект 903-1-211.84Типовой проект 903-1-211.84Типовой проект 903-1-211.84Типовой проект 903-1-211.84Типовой проект 903-1-211.84Типовой проект 903-1-211.84Типовой проект 903-1-211.84Типовой проект 903-1-211.84Типовой проект 903-1-211.84Типовой проект 903-1-211.84Типовой проект 903-1-211.84Типовой проект 903-1-211.84Типовой проект 903-1-211.84Типовой проект 903-1-211.84Типовой проект 903-1-211.84Типовой проект 903-1-211.84Типовой проект 903-1-211.84Типовой проект 903-1-211.84Типовой проект 903-1-211.84Типовой проект 903-1-211.84Типовой проект 903-1-211.84Типовой проект 903-1-211.84Типовой проект 903-1-211.84Типовой проект 903-1-211.84Типовой проект 903-1-211.84Типовой проект 903-1-211.84Типовой проект 903-1-211.84Типовой проект 903-1-211.84Типовой проект 903-1-211.84Типовой проект 903-1-211.84Типовой проект 903-1-211.84Типовой проект 903-1-211.84Типовой проект 903-1-211.84Типовой проект 903-1-211.84Типовой проект 903-1-211.84Типовой проект 903-1-211.84Типовой проект 903-1-211.84Типовой проект 903-1-211.84Типовой проект 903-1-211.84Типовой проект 903-1-211.84Типовой проект 903-1-211.84Типовой проект 903-1-211.84Типовой проект 903-1-211.84Типовой проект 903-1-211.84Типовой проект 903-1-211.84Типовой проект 903-1-211.84Типовой проект 903-1-211.84Типовой проект 903-1-211.84

© 2013 Ёшкин Кот :-) Карта сайта