| ||||||||||||||||||||||||||
Скачать Типовой проект 904-1-58.85 Альбом 1. Технология производстваДата актуализации: 10.08.2017
|
| Обозначение: | Типовой проект 904-1-58.85 |
| Обозначение англ: | 904-1-58.85 |
| Статус: | не действует |
| Название рус.: | Альбом 1. Технология производства |
| Дата добавления в базу: | 01.09.2013 |
| Дата актуализации: | 05.05.2017 |
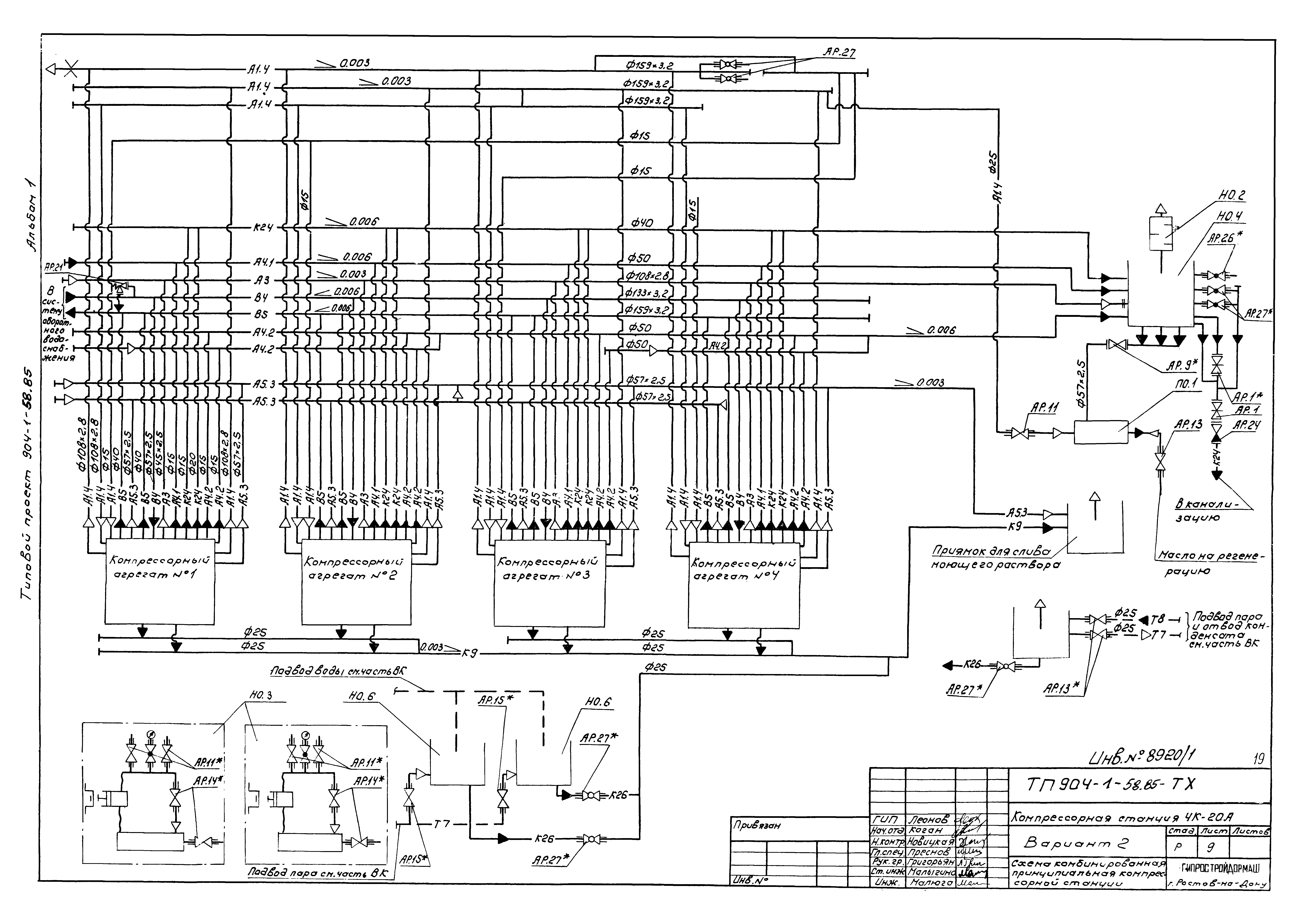
| Оглавление: | ТП 904-1-58.85 Титульный лист ТП 904-1-58.85-ТХ Содержание ТП 904-1-58.85-ПЗ Пояснительная записка (начало) ТП 904-1-58.85-ПЗ Пояснительная записка (продолжение) ТП 904-1-58.85-ПЗ Пояснительная записка (окончание) ТП 904-1-58.85-ТХ Общие данные (начало) ТП 904-1-58.85-ТХ Общие данные (окончание) ТП 904-1-58.85-ТХ План расположения оборудования ТП 904-1-58.85-ТХ План расположения оборудования. Разрез 1-1 ТП 904-1-58.85-ТХ План расположения оборудования. Разрез 2-2 ТП 904-1-58.85-ТХ Схема комбинированная принципиальная компенсаторного агрегата ТП 904-1-58.85-ТХ Схема комбинированная принципиальная компенсаторной станции ТП 904-1-58.85-ТХ Условные обозначения ТП 904-1-58.85-ТХ Помещение для промывки и зарядки ячеек фильтров ТП 904-1-58.85-ТХ Трубопроводы компрессорного агрегата ТП 904-1-58.85-ТХ Трубопроводы концевого холодильника ТП 904-1-58.85-ТХ Трубопроводы воздухосборника ТП 904-1-58.85-ТХ Трубопроводы продувочного бака ТП 904-1-58.85-ТХ Трубопроводы компрессорной станции. План ТП 904-1-58.85-ТХ Трубопроводы компрессорной станции. Разрезы ТП 904-1-58.85-ТХ Спецификация оборудования, арматуры и монтажных материалов трубопроводов ТП 904-1-58.85-ТХ Ведомость теплоизоляционных конструкций ТП 904-1-58.85-ТХ Закладные элементы КИП ТП 904-1-58.85-ТХ Задание строительному отделу ТП 904-1-58.85-ТХ Задание на проектирование разделов ОВ, ВК ТП 904-1-58.85-ТХ Опросный лист на кран ТП 904-1-58.85-ТХ Опросный лист на вентиля ТП 904-1-58.85-ТД-1 Пробка, ТД-1 ТП 904-1-58.85-ТД2 Муфта, ТД-2 ТП 904-1-58.85-ТД3 Патрубок,ТД-3 ТП 904-1-58.85-ТУ-1;-2;-3;-4;5 Опора, ТУ-1;-2;-3;-4;5 ТП 904-1-58.85-ТУ-6 Опора, ТУ-6 ТП 904-1-58.85-МС.000.000 Маслосборник, МС.000.000 ТП 904-1-58.85-ОМ.00.000 Опора под маслобаки, ОМ.00.000 ТП 904-1-58.85-ВП.00.000.ИТ Ванна для промывки ячеек фильтров. Исходные требования, ВП.00.000.ИТ ТП 904-1-58.85-ВЗ.00.000.ИТ Ванна для зарядки ячеек фильтров. Исходные требования, ВЗ.00.000.ИТ ТП 904-1-58.85-ВП.00.000.ЭЧ Ванна для промывки ячеек фильтров. Эскизный чертеж, ВП.00.000.ЭЧ ТП 904-1-58.85-ВЗ.00.000.ЭЧ Ванна для зарядки ячеек фильтров. Эскизный чертеж, ВЗ.00.000.ЭЧ ТП 904-1-58.85-БР.00.000.ИТ Бак для масла. Исходные требования, БР.00.000.ИТ ТП 904-1-58.85-БР.00.000.ЭЧ Бак для масла. Эскизный чертеж, БР.00.000.ЭЧ ТП 904-1-58.85-СО.00.000.ИТ Стол для отстоя ячеек фильтров. Исходные требования, СО.00.000.ИТ ТП 904-1-58.85-СО.00.000.ЭЧ Стол для отстоя ячеек фильтров. Эскизный чертеж, СО.00.000.ЭЧ ТП 904-1-58.85-УО.00.000.ИТ Установка для очистки трасс сжатого воздуха. Исходные требования, УО.00.000.ИТ ТП 904-1-58.85-УО.00.000.ТО Установка для очистки трасс сжатого воздуха. Техническое описание, УО.00.000.ТО ТП 904-1-58.85-УО.00.000.ЭЧ Установка для очистки трасс сжатого воздуха. Эскизный чертеж, УО.00.000.ЭЧ ТП 904-1-58.85-БП.00.000.ИТ Бак продувочный. Исходные требования. БП.00.000.ИТ ТП 904-1-58.85-БП.00.000.ТО Бак продувочный. Техническое описание, БП.00.000.ТО ТП 904-1-58.85-БП.00.000.ЭЧ Бак продувочный. Эскизный чертеж, БП.00.000.ЭЧ ТП 904-1-58.85-ГФ.00.00.00.000.ИТ Фильтр воздушный с глушителем. Исходные требования, ГФ.00.00.00.000.ИТ ТП 904-1-58.85-ГШС.60.00.000.ИТ Глушитель шума стравливания. Исходные требования ГШС.60.00.000.ИТ ТП 904-1-58.85-ГФ.00.00.00.000.ЭЧ Фильтр воздушный с глушителем. Эскизный чертеж, ГФ.00.00.00.000.ЭЧ |
| Разработан: | Гипростройдормаш |
| Утверждён: | 27.09.1984 Минстройдормаш (Minstroydormash 16/84) |
| Расположен в: | |
| Заменяет собой: |










































































