Информационная система
«Ёшкин Кот»

Скачать базу одним архивом
Скачать обновления
История создания базы
Карта сайта

Скачать Альбом УПР.ЭХЗ-02-2007 Альбом 2. Типовые схемы электрохимической защиты от коррозии

Дата актуализации: 10.08.2017

Альбом УПР.ЭХЗ-02-2007

Альбом 2. Типовые схемы электрохимической защиты от коррозии

Обозначение: Альбом УПР.ЭХЗ-02-2007
Обозначение англ: УПР.ЭХЗ-02-2007
Статус:не определен законодательством
Название рус.:Альбом 2. Типовые схемы электрохимической защиты от коррозии
Дата добавления в базу:01.09.2013
Дата актуализации:05.05.2017
Дата введения:21.04.2008
Оглавление:УПР.ЭХЗ-02-2007-ЭХЗ.С Содержание (начало.)
УПР.ЭХЗ-02-2007-ЭХЗ.С Содержание (окончание).
УПР.ЭХЗ-02-2007-ЭХЗ.ПЗ Пояснительная записка (начало.)
УПР.ЭХЗ-02-2007-ЭХЗ.ПЗ Пояснительная записка (продолжение.)
УПР.ЭХЗ-02-2007-ЭХЗ.ПЗ Пояснительная записка (окончание.)
УПР.ЭХЗ-02-2007-ЭХЗ.УО Условные обозначения оборудования ЭХЗ на планах и схемах
УПР.ЭХЗ-02-2007-ЭХЗ Раздел 1. Временная электрохимическая защита трубопроводов (на период строительства).
УПР.ЭХЗ-02-2007-ЭХЗ.001 Схема временной зашиты строящегося трубопровода протекторными установками.
УПР.ЭХЗ-02-2007-ЭХЗ.002 Схема временной защиты строящегося трубопровода от системы ЭХЗ существующего.
УПР.ЭХЗ-02-2007-ЭХЗ Раздел 2. Электрохимическая защита обсадных колонн и шлейфов промыслов и пег.
УПР.ЭХЗ-02-2007-ЭХЗ.003 Схема зашиты обсадных колонн и шлейфов. Вариант 1.
УПР.ЭХЗ-02-2007-ЭХЗ.004 Схема зашиты обсадных колонн и шлейфов. Вариант 2.
УПР.ЭХЗ-02-2007-ЭХЗ.005 Схема групповой защиты обсадных колонн и шлейфов.
УПР.ЭХЗ-02-2007-ЭХЗ.006 Схема зашиты обсадных колонн и шлейфов при кустовом расположении скважин.
УПР.ЭХЗ-02-2007-ЭХЗ Раздел 3. Электрохимическая зашита линейной части магистрального газопровода.
УПР.ЭХЗ-02-2007-ЭХЗ.007 Схема зашиты магистрального газопровода
УПР.ЭХЗ-02-2007-ЭХЗ.008 Пример схемы зашиты однониточного магистрального газопровода установками катодной защиты (сосредоточенное анодное заземление).
УПР.ЭХЗ-02-2007-ЭХЗ.009 Пример схемы зашиты однониточного магистрального газопровода установками катодной защиты (протяженное анодное заземление).
УПР.ЭХЗ-02-2007-ЭХЗ.010 Пример схемы защиты многониточного магистрального газопровода установкой катодной зашиты (сосредоточенное анодное заземление).
УПР.ЭХЗ-02-2007-ЭХЗ.011 Схема дренажной зашиты газопровода.
УПР.ЭХЗ-02-2007-ЭХЗ.012 Схема защиты подземных переходов трубопроводов в защитных футлярах (кожухах).
УПР.ЭХЗ-02-2007-ЭХЗ.013 Схема защиты подземных переходов трубопроводов в защитных футлярах (кожухах)
УПР.ЭХЗ-02-2007-ЭХЗ.014 Критерии опасного влияния ЛЭП на подземный газопровод.
УПР.ЭХЗ-02-2007-ЭХЗ.015 Схема устранения опасного влияния высоковольтной ЛЭП на газопровод.
УПР.ЭХЗ-02-2007-ЭХЗ Раздел 4. Электрохимическая защита газораспределительных станций (ГРС).
УПР.ЭХЗ-02-2007-ЭХЗ.016 План размещения оборудования электрохимической защиты на площадке ГРС
УПР.ЭХЗ-02-2007-ЭХЗ.017 Схема защиты ГРС установкой катодной зашиты с выносом анодного заземления за пределы площадки.
УПР.ЭХЗ-02-2007-ЭХЗ.018 Схема подключения емкости одоранта.
УПР.ЭХЗ-02-2007-ЭХЗ Раздел 5. Электрохимическая защита ПХГ (ГРП и СП)
УПР.ЭХЗ-02-2007-ЭХЗ.019 Схема защиты ПХГ
УПР.ЭХЗ-02-2007-ЭХЗ.020 План защиты ГРП установками катодной защиты с комбинированным анодным заземлением.
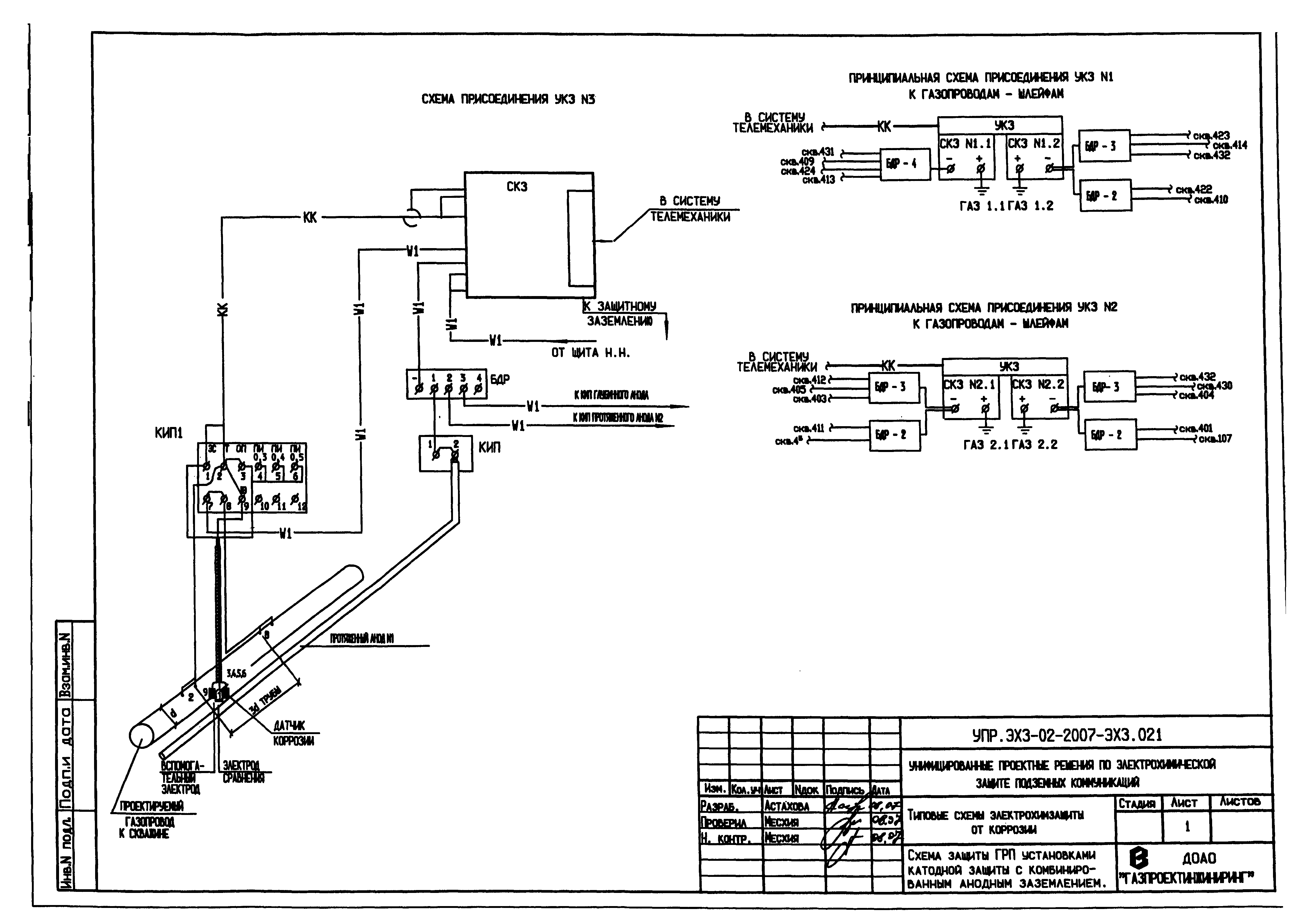
УПР.ЭХЗ-02-2007-ЭХЗ.021 Схема защиты ГРП установками катодной защиты с комбинированным анодным заземлением.
УПР.ЭХЗ-02-2007-ЭХЗ Раздел 6. Электрохимическая зашита компрессорных станций (КС).
УПР.ЭХЗ-02-2007-ЭХЗ.022 План защиты коммуникаций КС (КЦ) с комбинированной схемой анодных заземлений (глубинное, протяженное)
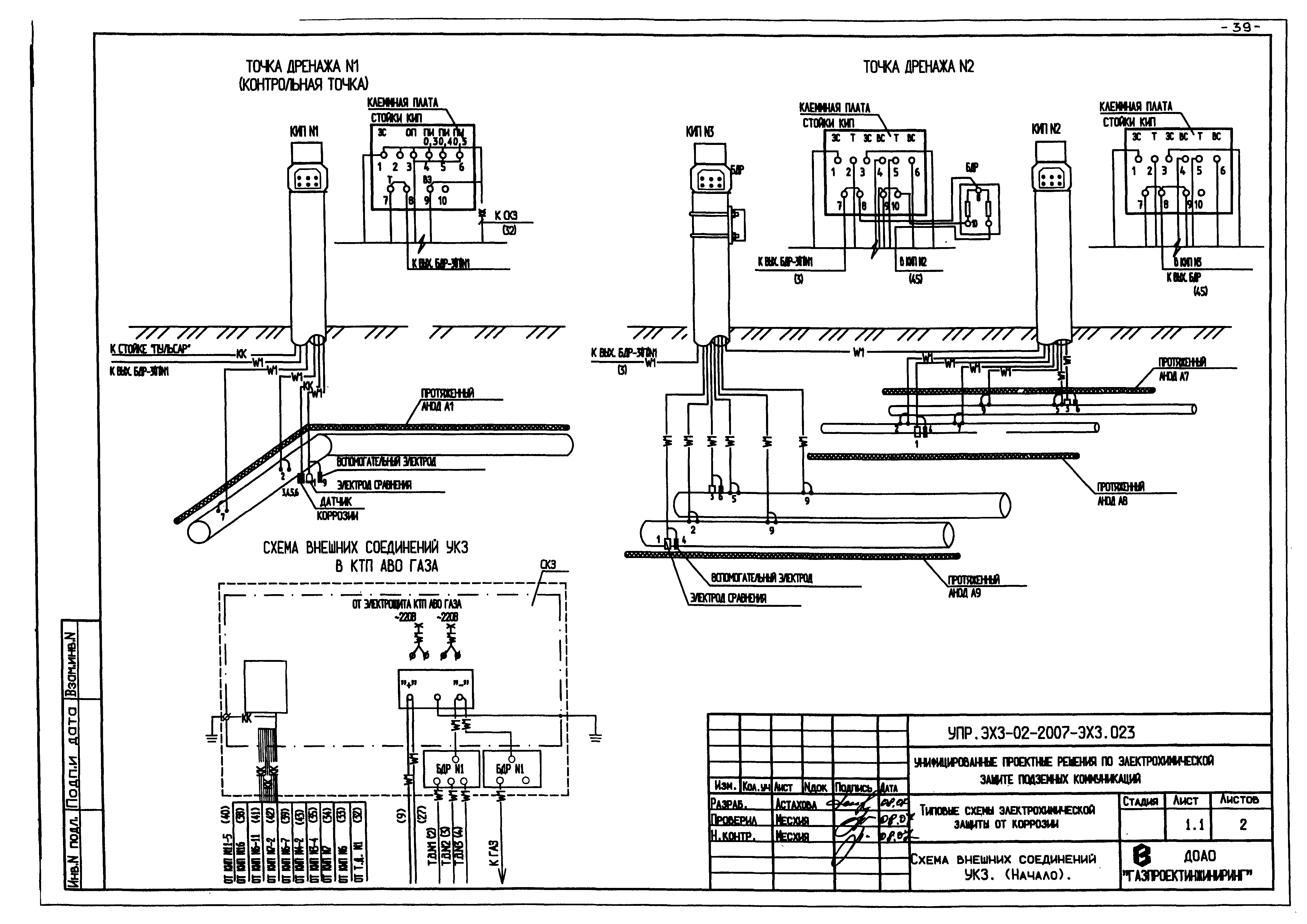
УПР.ЭХЗ-02-2007-ЭХЗ.023 Схема внешних соединений УКЗ (начало).
УПР.ЭХЗ-02-2007-ЭХЗ.024 Схема внешних соединений УКЗ (окончание).
Разработан: ДОАО Газпроектинжиниринг
Утверждён:21.04.2008 ОАО Газпром (Gazprom OAO )
Расположен в:Техническая документация Строительство Справочные документы Типовые строительные конструкции, изделия и узлы Разработанные другими министерствами, ведомствами и организациями
Альбом УПР.ЭХЗ-02-2007Альбом УПР.ЭХЗ-02-2007Альбом УПР.ЭХЗ-02-2007Альбом УПР.ЭХЗ-02-2007Альбом УПР.ЭХЗ-02-2007Альбом УПР.ЭХЗ-02-2007Альбом УПР.ЭХЗ-02-2007Альбом УПР.ЭХЗ-02-2007Альбом УПР.ЭХЗ-02-2007Альбом УПР.ЭХЗ-02-2007Альбом УПР.ЭХЗ-02-2007Альбом УПР.ЭХЗ-02-2007Альбом УПР.ЭХЗ-02-2007Альбом УПР.ЭХЗ-02-2007Альбом УПР.ЭХЗ-02-2007Альбом УПР.ЭХЗ-02-2007Альбом УПР.ЭХЗ-02-2007Альбом УПР.ЭХЗ-02-2007Альбом УПР.ЭХЗ-02-2007Альбом УПР.ЭХЗ-02-2007Альбом УПР.ЭХЗ-02-2007Альбом УПР.ЭХЗ-02-2007Альбом УПР.ЭХЗ-02-2007Альбом УПР.ЭХЗ-02-2007Альбом УПР.ЭХЗ-02-2007Альбом УПР.ЭХЗ-02-2007Альбом УПР.ЭХЗ-02-2007Альбом УПР.ЭХЗ-02-2007Альбом УПР.ЭХЗ-02-2007Альбом УПР.ЭХЗ-02-2007Альбом УПР.ЭХЗ-02-2007Альбом УПР.ЭХЗ-02-2007Альбом УПР.ЭХЗ-02-2007Альбом УПР.ЭХЗ-02-2007Альбом УПР.ЭХЗ-02-2007Альбом УПР.ЭХЗ-02-2007Альбом УПР.ЭХЗ-02-2007Альбом УПР.ЭХЗ-02-2007Альбом УПР.ЭХЗ-02-2007Альбом УПР.ЭХЗ-02-2007Альбом УПР.ЭХЗ-02-2007Альбом УПР.ЭХЗ-02-2007Альбом УПР.ЭХЗ-02-2007Альбом УПР.ЭХЗ-02-2007

© 2013 Ёшкин Кот :-) Карта сайта