Скачать Альбом УПР.ЭХЗ-01-2007 Альбом 1. Узлы и детали установок электрохимической защиты подземных коммуникаций от коррозииДата актуализации: 10.08.2017 Альбом УПР.ЭХЗ-01-2007
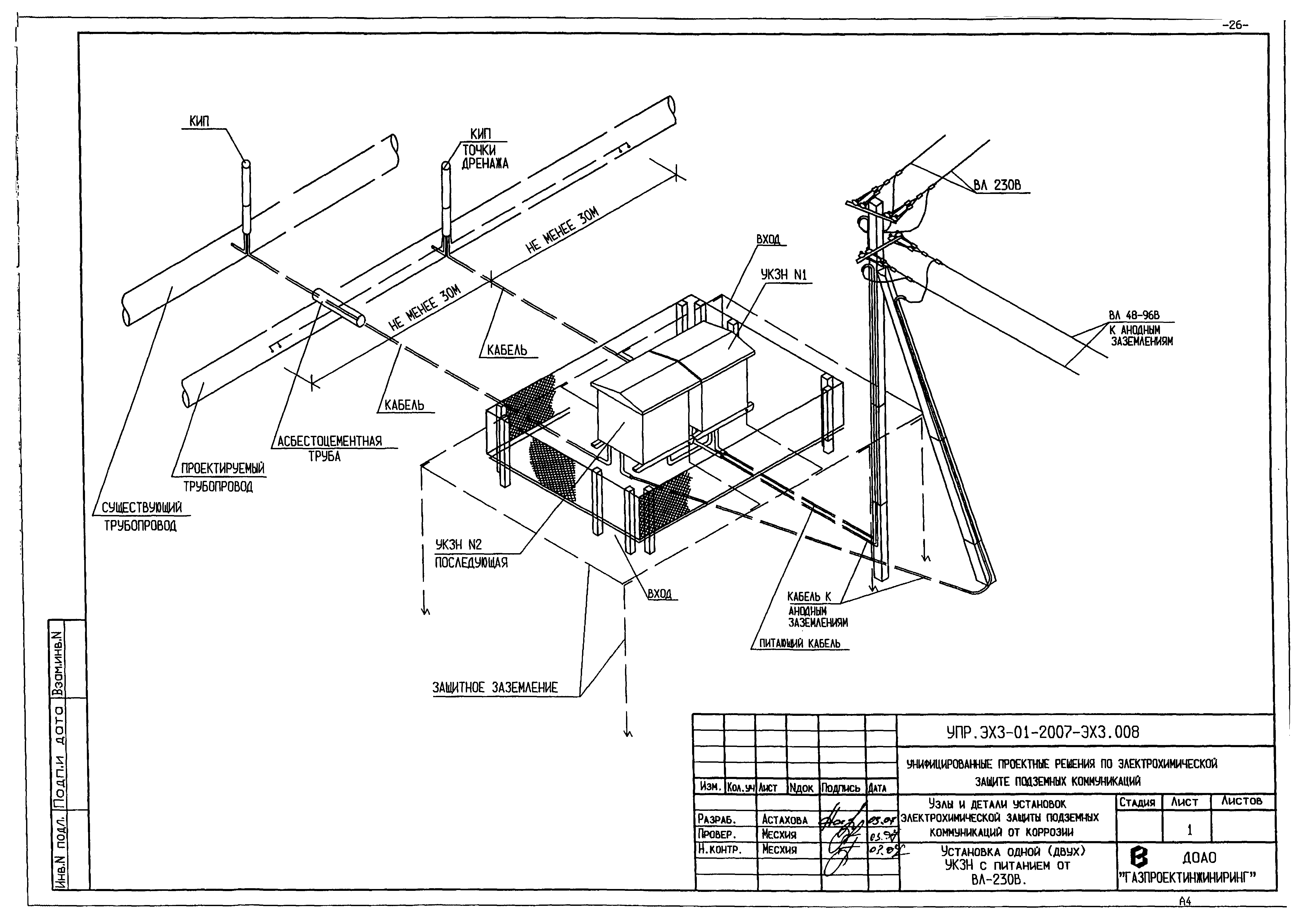
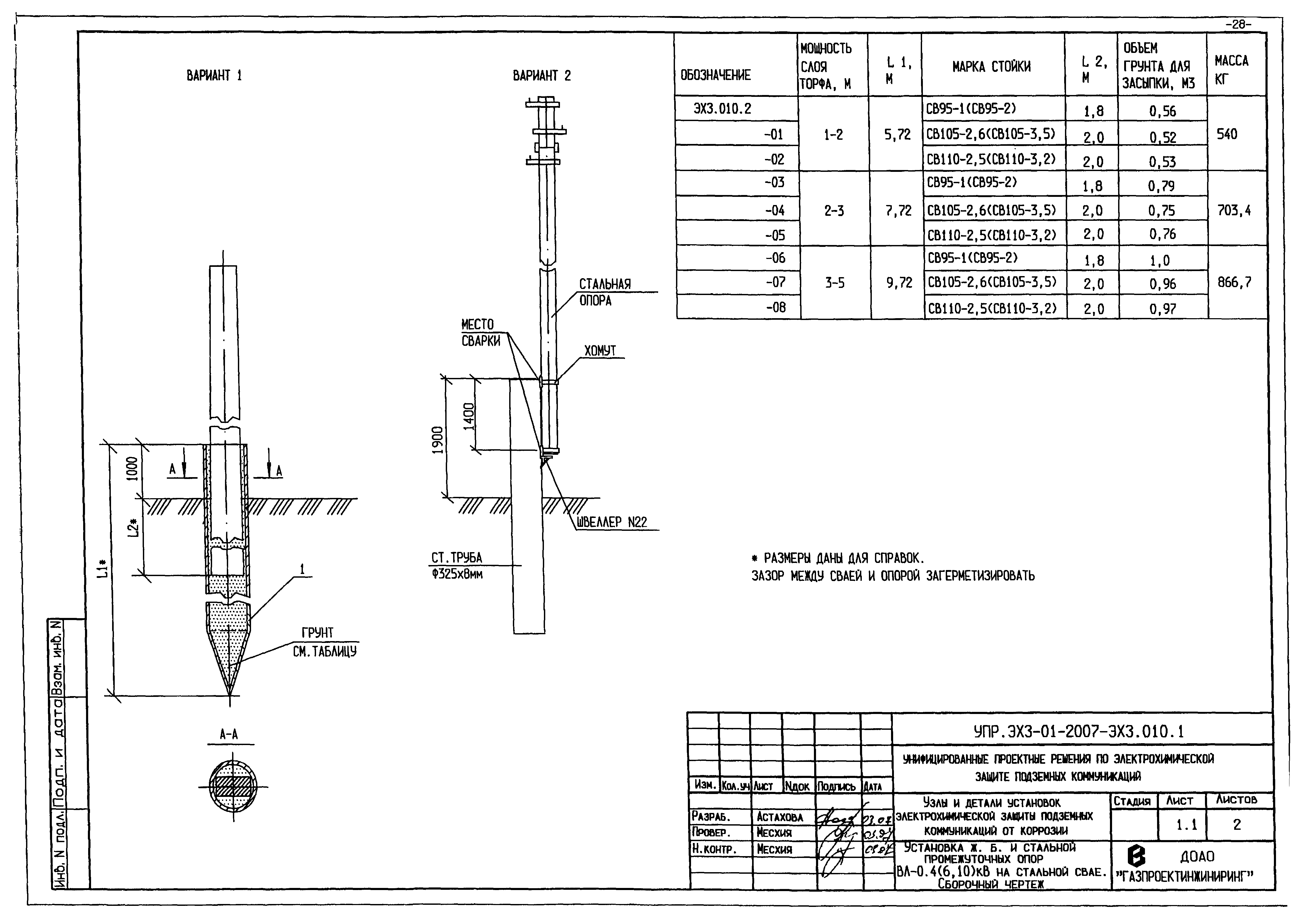
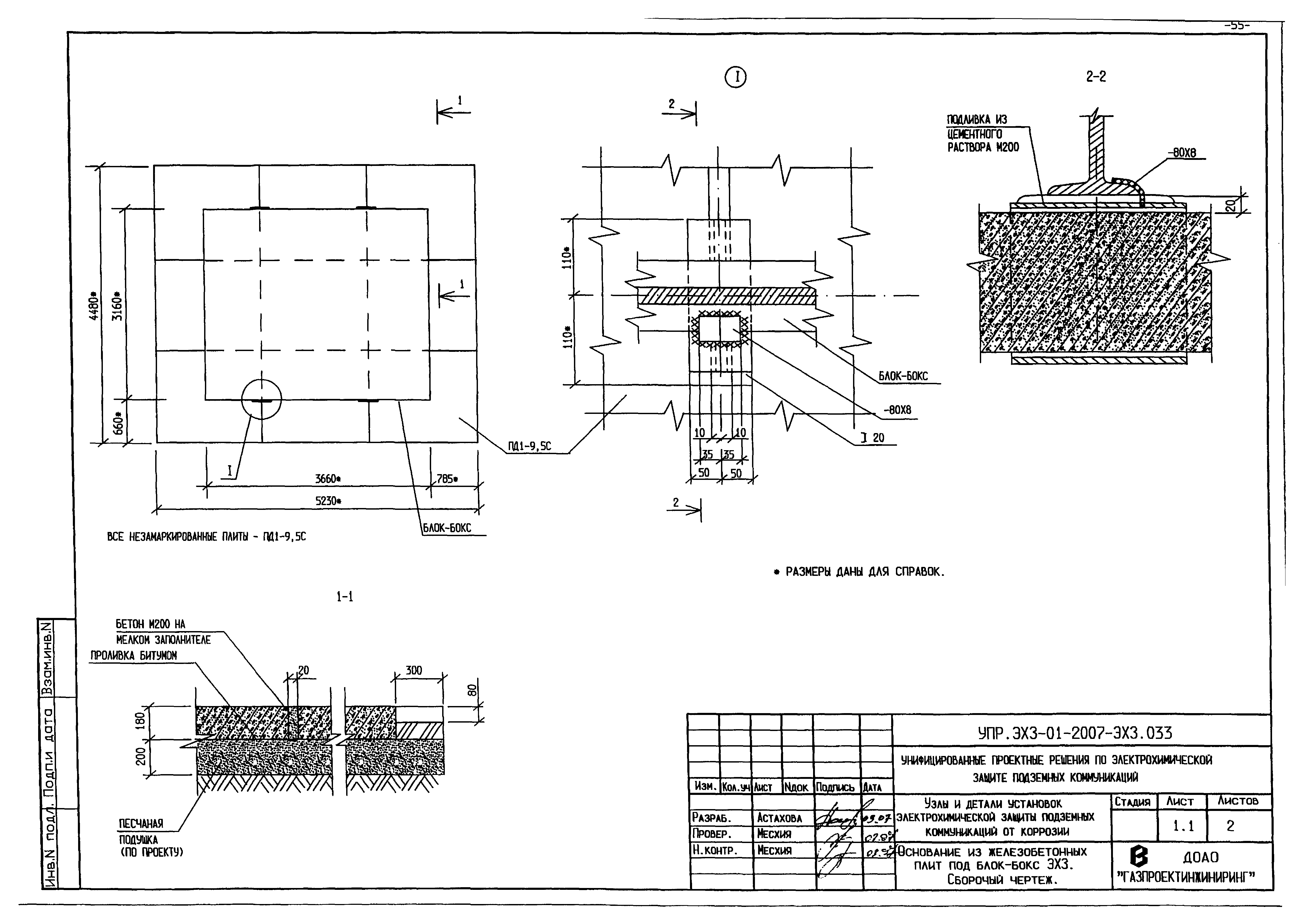
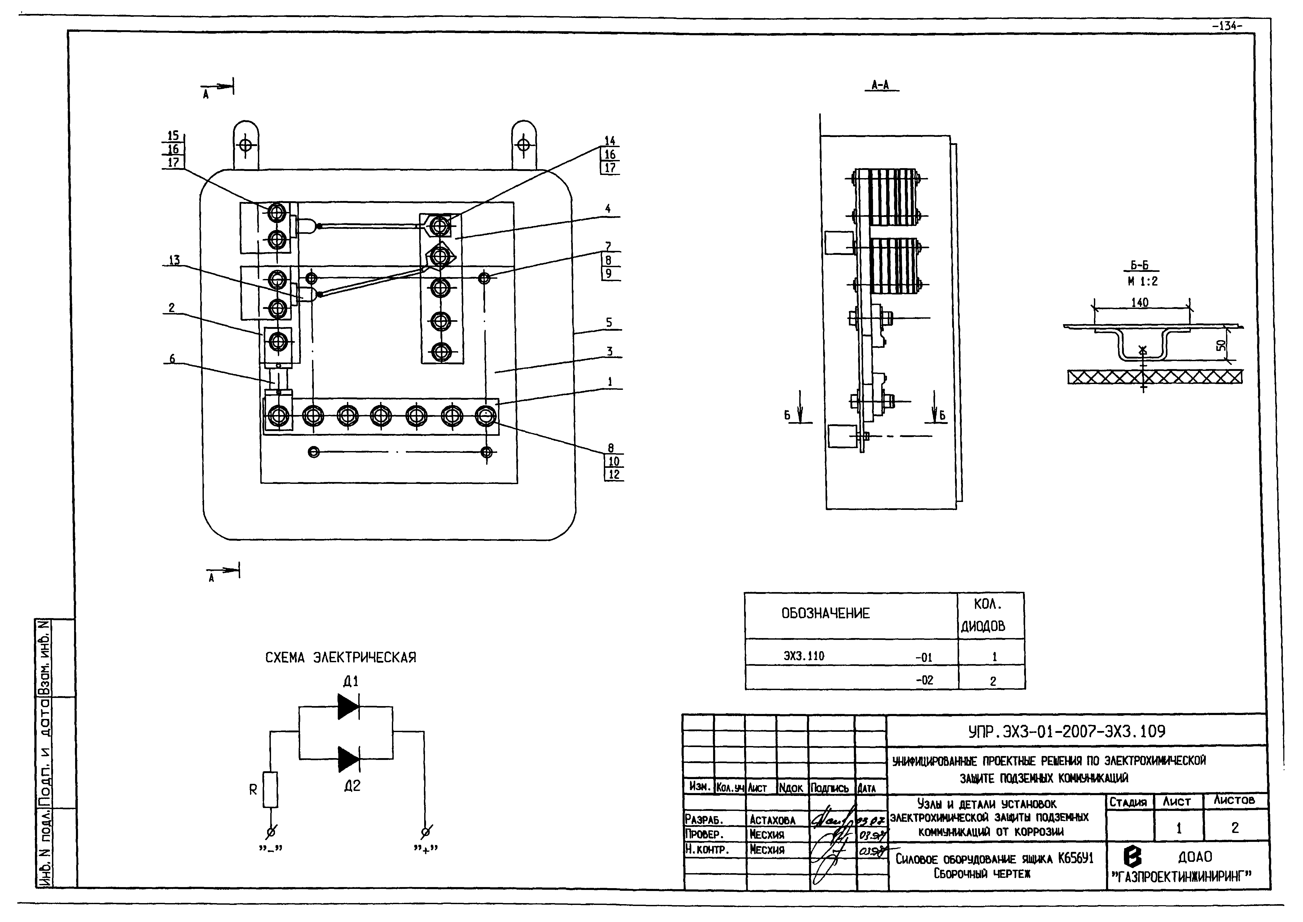
Альбом 1. Узлы и детали установок электрохимической защиты подземных коммуникаций от коррозииОбозначение: | Альбом УПР.ЭХЗ-01-2007 | Обозначение англ: | УПР.ЭХЗ-01-2007 | Статус: | не определен законодательством | Название рус.: | Альбом 1. Узлы и детали установок электрохимической защиты подземных коммуникаций от коррозии | Дата добавления в базу: | 01.09.2013 | Дата актуализации: | 05.05.2017 | Дата введения: | 10.12.2007 | Область применения: | Альбом УПР предназначен для проектных организаций и служб ЭХЗ для использования в качестве базовых технических решений при разработке раздела ЭХЗ в проектах на строительство, реконструкцию и капитальный ремонт объектов | Оглавление: | УПР.ЭХЗ-01-2007-ЭХЗ.С Содержание. (начало.) УПР.ЭХЗ-01-2007-ЭХЗ.С Содержание. (продолжение.) УПР.ЭХЗ-01-2007-ЭХЗ.С Содержание. (окончание). УПР.ЭХЗ-01-2007-ЭХЗ.ПНД Перечень нормативных документов УПР.ЭХЗ-01-2007-ЭХЗ.ПЗ Пояснительная записка (начало) УПР.ЭХЗ-01-2007-ЭХЗ.ПЗ Пояснительная записка (продолжение) УПР.ЭХЗ-01-2007-ЭХЗ.ПЗ Пояснительная записка (окончание) УПР.ЭХЗ-01-2007-ЭХЗ Раздел 1. Узлы установки и подключения установок катодной защиты. УПР.ЭХЗ-01-2007-ЭХЗ.001 Установка УКЗВ (первой и последующей) при вдольтрассовой ВЛ 6 (10) кВ. (вариант 1) УПР.ЭХЗ-01-2007-ЭХЗ.002 Установка УКЗВ при вдольтрассовой ВЛ 6 (10) кВ. (вариант 2) УПР.ЭХЗ-01-2007-ЭХЗ.003 Установка УКЗВ при вдольтрассовой ВЛ 6 (10) кВ. (вариант 3) УПР.ЭХЗ-01-2007-ЭХЗ.004 Подключение УКЗВ к ВЛ 6(10) кВ УПР.ЭХЗ-01-2007-ЭХЗ.005 Подключение на опоре ВЛ кабеля питания и кабеля цепи постоянного тока УКЗ. Сборочный чертеж УПР.ЭХЗ-01-2007-ЭХЗ.006 Варианты подключения на опоре ВЛ кабелей питания и кабелей цепи постоянного тока УКЗ. Сборочный чертеж. УПР.ЭХЗ-01-2007-ЭХЗ.007 Подключение на опоре ВЛ кабелей питания и кабелей цепи постоянного тока УКЗ УПР.ЭХЗ-01-2007-ЭХЗ.008 Установка одной (двух) УКЗН с питанием от ВЛ 230В ответвление кабелем от ВЛ анодной (катодной) цепи постоянного тока УКЗ УПР.ЭХЗ-01-2007-ЭХЗ.009 Ответвление кабелем от ВЛ анодной (катодной) цепи постоянного тока УКЗ УПР.ЭХЗ-01-2007-ЭХЗ.010.1 Установка ж.б. и металлической промежуточных опор ВЛ-0,4(6,10)кВ на стальной свае. Сборочный чертеж. УПР.ЭХЗ-01-2007-ЭХЗ.010.2 Установка ж.б. и металлической промежуточных опор ВЛ-0,4(6,10)кВ на стальной свае. УПР.ЭХЗ-01-2007-ЭХЗ.011.1 Установка ж.б. концевой опоры ВЛ-0,4 (6,10) кВ на стальных сваях. Сборочный чертеж. УПР.ЭХЗ-01-2007-ЭХЗ.011.2 Установка ж.б. концевой опоры ВЛ-0,4 (6,10) кВ на стальных сваях. УПР.ЭХЗ-01-2007-ЭХЗ.012.1 Установка ж.б. анкерной опоры ВЛ-0,4 (6,10) кВ на стальных сваях. Сборочный чертеж. УПР.ЭХЗ-01-2007-ЭХЗ.012.2 Установка ж.б. анкерной опоры ВЛ-0,4 (6,10) кВ на стальных сваях. УПР.ЭХЗ-01-2007-ЭХЗ.013.1 Установка ж.б. угловой опоры ВД-0,4 (6,10) кВ на стальных сваях. Сборочный чертеж. УПР.ЭХЗ-01-2007-ЭХЗ.013.2 Установка ж.б. угловой опоры ВЛ-0,4 (6,10) кВ на стальных сваях. УПР.ЭХЗ-01-2007-ЭХЗ.014 Установка ж.б. промежуточной опоры ВЛ 6 (10) кВ на ж. б. свае. Сборочный чертеж. УПР.ЭХЗ-01-2007-ЭХЗ.015 Установка ж.б. угловой промежуточной опоры ВЛ 6(10) кВ на ж.б. свае. Сборочный чертеж. УПР.ЭХЗ-01-2007-ЭХЗ.016 Установка ж.б. анкерной опоры ВЛ-0,4 (6,10) кВ на ж.б. свае. Сборочный чертеж. УПР.ЭХЗ-01-2007-ЭХЗ.017 Установка ж.б. концевой опоры ВЛ-0,4 (6,10) кВ на ж.б. свае. Сборочный чертеж. УПР.ЭХЗ-01-2007-ЭХЗ.018 Зашита нижней части опор от коррозии. УПР.ЭХЗ-01-2007-ЭХЗ.019 Устройство для зашиты птиц от поражения электрическим током. УПР.ЭХЗ-01-2007-ЭХЗ.020 Установка защитных ершей на ВЛ 6 (10) кВ с металлической траверсой. УПР.ЭХЗ-01-2007-ЭХЗ.021 Установка двух разрядников типа РВО на промежуточной опоре. УПР.ЭХЗ-01-2007-ЭХЗ.022 Установка трех разрядников типа РВО на промежуточной опоре. УПР.ЭХЗ-01-2007-ЭХЗ.023 Установка УКЗВ на железобетонных стеллажах. УПР.ЭХЗ-01-2007-ЭХЗ.024 Установка УКЗВ на свайном основании. УПР.ЭХЗ-01-2007-ЭХЗ.025 Свайное основание для установки УКЗВ УПР.ЭХЗ-01-2007-ЭХЗ.026 Размещение одной (двух) УКЗН, УКЗВ в ограждении. УПР.ЭХЗ-01-2007-ЭХЗ.027 Подключение питания проектируемой УКЗН от существующей УКЗВ УПР.ЭХЗ-01-2007-ЭХЗ.028 Установка УКЗН на железобетонных приставках УПР.ЭХЗ-01-2007-ЭХЗ.029 Установка УКЗН на свайном основании УПР.ЭХЗ-01-2007-ЭХЗ.030 Свайное основание для установки УКЗН УПР.ЭХЗ-01-2007-ЭХЗ.031 Установка блок-бокса ЭХЗ на свайном основании. УПР.ЭХЗ-01-2007-ЭХЗ.032 Свайное основание под блок-бокс эх. УПР.ЭХЗ-01-2007-ЭХЗ.033 Основание из железобетонных плит под блок-бокс 3x3. Сборочный чертеж. УПР.ЭХЗ-01-2007-ЭХЗ.034 Основание из железобетонных плит под блок-бокс 3х3. УПР.ЭХЗ-01-2007-ЭХЗ.035 Установка блок-бокса БКЭС на фундаменте из монолитного бетона. УПР.ЭХЗ-01-2007-ЭХЗ.036 Установка блок-бокса (Вариантов нет) на фундаменте из лежней УПР.ЭХЗ-01-2007-ЭХЗ.037 Установка блок-бокса БКЭС на фундаменте из стоек. УПР.ЭХЗ-01-2007-ЭХЗ.038 Установка блок-бокса БКЭС на фундаменте из железобетонных блоков. УПР.ЭХЗ-01-2007-ЭХЗ.039 Основание из железобетонных блоков под блок-бокс. УПР.ЭХЗ-01-2007-ЭХЗ.040 Компоновочные чертежи БКЭС (начало) УПР.ЭХЗ-01-2007-ЭХЗ.041 Компоновочные чертежи БКЭС (продолжение) УПР.ЭХЗ-01-2007-ЭХЗ.042 Компоновочные чертежи БКЭС (окончание) УПР.ЭХЗ-01-2007-ЭХЗ.043 Установка катодного преобразователя на стойке в грунте УПР.ЭХЗ-01-2007-ЭХЗ.044 Установка катодного преобразователя на стойке на бетонной площадке УПР.ЭХЗ-01-2007-ЭХЗ.045 Установка на анкерной опоре катодного преобразователя УПР.ЭХЗ-01-2007-ЭХЗ.046.1 Ограда 10x5,5 м. Сборочный чертеж. УПР.ЭХЗ-01-2007-ЭХЗ.046.2 Ограда 10x5,5 м. Сборочный чертеж. УПР.ЭХЗ-01-2007-ЭХЗ.047 Ограда 10x5,5 м УПР.ЭХЗ-01-2007-ЭХЗ Раздел 2. Анодные заземления УПР.ЭХЗ-01-2007-ЭХЗ.048 Глубинное анодное заземление из труб 159х8мм. Сборочный чертеж УПР.ЭХЗ-01-2007-ЭХЗ.049 Глубинное анодное заземление из труб 159х8мм. УПР.ЭХЗ-01-2007-ЭХЗ.050 Оголовок глубинного анодного заземления ОГ-1 УПР.ЭХЗ-01-2007-ЭХЗ.051 Глубинное анодное заземление из труб 219х8мм. Сборочный чертеж УПР.ЭХЗ-01-2007-ЭХЗ.052 Глубинное анодное заземление из труб 219х8мм. УПР.ЭХЗ-01-2007-ЭХЗ.053 Оголовок глубинного анодного заземления ОГ-2 УПР.ЭХЗ-01-2007-ЭХЗ.054 Глубинный анодный заземлитель "Менделеевец"-МГ. Сборочный чертеж УПР.ЭХЗ-01-2007-ЭХЗ.055 Глубинный анодный заземлитель "Менделеевец"-МГ. УПР.ЭХЗ-01-2007-ЭХЗ.056 Глубинный анодный заземлитель "Менделеевец"-МГ. Технические характеристики. УПР.ЭХЗ-01-2007-ЭХЗ.057 Таблица сопротивления растеканию глубинного заземления "Менделеевец"-МГ УПР.ЭХЗ-01-2007-ЭХЗ.058 Комплектный глубинный анодный заземлитель "Менделеевец"-МКГ (МТКГ). Сборочный чертеж. УПР.ЭХЗ-01-2007-ЭХЗ.059 Комплектный глубинный анодный заземлитель "Менделеевец"-МКГ (МТКГ) УПР.ЭХЗ-01-2007-ЭХЗ.060 Комплектный глубинный анодный заземлитель "Менделеевец"-МКГ (МТКГ). Технические характеристики. УПР.ЭХЗ-01-2007-ЭХЗ.061 Таблицы сопротивления растеканию глубинного "Менделеевец"-МКГ (МТКГ) УПР.ЭХЗ-01-2007-ЭХЗ.062 Глубинный магнетитовый заземлитель "Менделеевец". Установка в закрытой скважине. Сборочный чертеж. УПР.ЭХЗ-01-2007-ЭХЗ.063 Глубинный магнетитовый заземлитель "Менделеевец". Установка в закрытой скважине. УПР.ЭХЗ-01-2007-ЭХЗ.064 Глубинный магнетитовый заземлитель "Менделеевец". Установка в закрытой скважине. Технические характеристики. УПР.ЭХЗ-01-2007-ЭХЗ.065 Таблицы сопротивления растеканию глубинного магнетитового заземления "Менделеевец". УПР.ЭХЗ-01-2007-ЭХЗ.066 Глубинный магнетитовый заземлитель "Менделеевец". Установка в открытой скважине. Сборочный чертеж. УПР.ЭХЗ-01-2007-ЭХЗ.067 Глубинный магнетитовый заземлитель "Менделеевец". Установка в открытой скважине. УПР.ЭХЗ-01-2007-ЭХЗ.068 Подпочвенное линейное анодное заземление с горизонтальным расположением электродов "Менделеевец". Сборочный чертеж. УПР.ЭХЗ-01-2007-ЭХЗ.069 Подпочвенное линейное анодное заземление с горизонтальным расположением электродов "Менделеевец". УПР.ЭХЗ-01-2007-ЭХЗ.070 Подпочвенное линейное анодное заземление с вертикальным расположением электродов "Менделеевец". Сборочный чертеж. УПР.ЭХЗ-01-2007-ЭХЗ.071 Подпочвенное линейное анодное заземление с вертикальным расположением электродов "Менделеевец". УПР.ЭХЗ-01-2007-ЭХЗ.072 Подпочвенное двухрядное линейное анодное заземление с горизонтальным расположением электродов "Менделеевец". Сборочный чертеж. УПР.ЭХЗ-01-2007-ЭХЗ.073 Подпочвенное двухрядное линейное анодное заземление с горизонтальным расположением электродов "Менделеевец". УПР.ЭХЗ-01-2007-ЭХЗ.074 Подпочвенное двухрядное линейное анодное заземление с вертикальным расположением электродов "Менделеевец". Сборочный чертеж. УПР.ЭХЗ-01-2007-ЭХЗ.075 Подпочвенное двухрядное линейное анодное заземление с вертикальным расположением электродов "Менделеевец". УПР.ЭХЗ-01-2007-ЭХЗ.076 Таблицы сопротивления растеканию анодного заземления "Менделеевец"-ММ, МК, МТК, МТК. УПР.ЭХЗ-01-2007-ЭХЗ.077 Анодный заземлитель "Менделеевец"-ММ. Технические характеристики. УПР.ЭХЗ-01-2007-ЭХЗ.078 Комплектный анодный заземлитель "Менделеевец"-МК (МКТ). Технические характеристики. УПР.ЭХЗ-01-2007-ЭХЗ.079 Магнетитовый анодный заземлитель "Менделеевец"-МТ. Технические характеристики. УПР.ЭХЗ-01-2007-ЭХЗ.080 Электроды анодного заземления из электропроводного эластомера протяженного типа серии ЭЛЭР УПР.ЭХЗ-01-2007-ЭХЗ.081 Технические характеристики и область применения электродов анодного заземления из электропроводного эластомера протяженного типа серии ЭЛЭР УПР.ЭХЗ-01-2007-ЭХЗ.082 Варианты укладки электродов протяженного типа ЭЛЭР-2, ЭЛЭР-2.1, ЭЛЭР-2.1/2, ЭЛЭР-2.1К, ЭЛЭР-5 в траншее УПР.ЭХЗ-01-2007-ЭХЗ.083 Комплектующие изделия для электродов из электропроводного эластомера протяженного типа ЭЛЭР-2, ЭЛЭР-2.1, ЭЛЭР-2.1/2, ЭЛЭР-5 УПР.ЭХЗ-01-2007-ЭХЗ.084 Комплектующие изделия для электродов из электропроводного эластомера протяженного типа ЭЛЭР-2, ЭЛЭР-2.1, ЭЛЭР-2.1/2, ЭЛЭР-5 УПР.ЭХЗ-01-2007-ЭХЗ.085 Комплектующие изделия для электродов из электропроводного эластомера протяженного типа ЭЛЭР-2, ЭЛЭР-2.1, ЭЛЭР-2.1/2, ЭЛЭР-5 УПР.ЭХЗ-01-2007-ЭХЗ.086 Комплектующие изделия для электродов из электропроводного эластомера протяженного типа ЭЛЭР-2.1К УПР.ЭХЗ-01-2007-ЭХЗ.087 Комплектующие изделия для электродов из электропроводного эластомера протяженного типа ЭЛЭР-2.1К УПР.ЭХЗ-01-2007-ЭХЗ.088 Электроды анодного заземления из электропроводного эластомера модульного типа ЭЛЭР-3 УПР.ЭХЗ-01-2007-ЭХЗ.089 Технические характеристики и область применения электродов анодного заземления из электропроводного эластомера модульного типа ЭЛЭР-3 УПР.ЭХЗ-01-2007-ЭХЗ.090 Вертикальное расположение электродов модуля ЭЛЭР-3 в скважинах (размещение в линию или размещение в шахматном порядке) УПР.ЭХЗ-01-2007-ЭХЗ.091 Горизонтальное расположение электродов модуля ЭЛЭР-3 УПР.ЭХЗ-01-2007-ЭХЗ.092 Комплектующие изделия для электродов из электропроводного эластомера модульного типа ЭЛЭР-3 УПР.ЭХЗ-01-2007-ЭХЗ.093 Электроды анодного заземления из электропроводного эластомера глубинного типа ЭЛЭР-5ГАЗ УПР.ЭХЗ-01-2007-ЭХЗ.094 Технические характеристики и область применения электродов анодного заземления из электропроводного эластомера глубинного типа ЭЛЭР-5ГАЗ УПР.ЭХЗ-01-2007-ЭХЗ.095 Конструкция глубинного анодного заземления из электродов ЭЛЭР-5ГАЗ УПР.ЭХЗ-01-2007-ЭХЗ.096 Комплектующие изделия для электродов глубинного типа ЭЛЭР-5ГАЗ УПР.ЭХЗ-01-2007-ЭХЗ.097 Комплектующие изделия для электродов из электропроводного эластомера глубинного типа ЭЛЭР-5ГАЗ УПР.ЭХЗ-01-2007-ЭХЗ.098 Глубинное анодное заземление из электродов ЭЛЭР-5ГАЗ. Сборочный чертеж УПР.ЭХЗ-01-2007-ЭХЗ.099 Глубинное анодное заземление из электродов ЭЛЭР-5ГАЗ. УПР.ЭХЗ-01-2007-ЭХЗ Раздел 3. Дренажная защита. УПР.ЭХЗ-01-2007-ЭХЗ.100 Установка электродренажа ДРП и клеммного ящика на стойке СК-6. Сборочный чертеж УПР.ЭХЗ-01-2007-ЭХЗ.101 Установка электродренажа ДРП и клеммного ящика на стойке СК-6. УПР.ЭХЗ-01-2007-ЭХЗ.102 Клеммный ящик для подключения дренажных кабелей. Сборочный чертеж УПР.ЭХЗ-01-2007-ЭХЗ.103 Клеммный ящик для подключения дренажных кабелей. УПР.ЭХЗ-01-2007-ЭХЗ.104 Установка дренажной защиты. УПР.ЭХЗ-01-2007-ЭХЗ.105 Присоединение дренажного кабеля к средней точке дроссель-трансформатора. Сборочный чертеж УПР.ЭХЗ-01-2007-ЭХЗ.106 Присоединение дренажного кабеля к средней точке дроссель-трансформатора. УПР.ЭХЗ-01-2007-ЭХЗ.107 Установка ящиков ЯБПВ-4 и К656У1 на стойках. Сборочный чертеж УПР.ЭХЗ-01-2007-ЭХЗ.108 Установка ящиков ЯБПВ-4 и К656У1 на стойках. УПР.ЭХЗ-01-2007-ЭХЗ.109 Силовое оборудование ящика К656У1. Сборочный чертеж УПР.ЭХЗ-01-2007-ЭХЗ.110 Силовое оборудование ящика К656У1. УПР.ЭХЗ-01-2007-ЭХЗ Раздел 4. Протекторная защита. УПР.ЭХЗ-01-2007-ЭХЗ.111 Установка протекторной защиты на трубопроводе. УПР.ЭХЗ-01-2007-ЭХЗ.112 Установка протекторной зашиты на кабеле связи. УПР.ЭХЗ-01-2007-ЭХЗ.113 Установка протекторной защиты на двух кабелях связи. Сборочный чертеж УПР.ЭХЗ-01-2007-ЭХЗ.114 Установка протекторной защиты на пересечении трубопровода с кабелем связи. УПР.ЭХЗ-01-2007-ЭХЗ.115 Установка протекторной зашиты на емкости. УПР.ЭХЗ-01-2007-ЭХЗ.116 Установка протекторной защиты на крановом узле. УПР.ЭХЗ-01-2007-ЭХЗ.117 Подключение протекторной установки к артскважине и стальному фрагменту трубопровода. УПР.ЭХЗ-01-2007-ЭХЗ.118 Узел размещения протекторов АЦК-М. Сборочный чертеж УПР.ЭХЗ-01-2007-ЭХЗ.119 Узел размещения протекторов АЦК-М. УПР.ЭХЗ-01-2007-ЭХЗ.120 Узел размещения протекторов ПМ. Сборочный чертеж УПР.ЭХЗ-01-2007-ЭХЗ.121 Узел размещения протекторов ПМ. УПР.ЭХЗ-01-2007-ЭХЗ Раздел 5. Установка контрольно-измерительных пунктов. УПР.ЭХЗ-01-2007-ЭХЗ.122 Установка КИП. УПР.ЭХЗ-01-2007-ЭХЗ.123 Установка КИП в точке дренажа СКЗ (вариант 1) УПР.ЭХЗ-01-2007-ЭХЗ.124 Установка КИП в точке дренажа СКЗ (вариант 2) УПР.ЭХЗ-01-2007-ЭХЗ.125 Установка КИП в точке дренажа СКЗ (вариант 3) УПР.ЭХЗ-01-2007-ЭХЗ.126 Установка КИП с блоком типа БДРМ на пересечении двух трубопроводов. (вариант 1). УПР.ЭХЗ-01-2007-ЭХЗ.127 Установка КИП с блоком типа БДРМ на пересечении двух трубопроводов. (вариант 2). УПР.ЭХЗ-01-2007-ЭХЗ.128 Установка КИП с блоком типа БДРМ на пересечении газопровода с двумя трубопроводами. УПР.ЭХЗ-01-2007-ЭХЗ.129 Установка КИП с блоком типа БДРМ на пересечении трубопровода с одним кабелем связи. УПР.ЭХЗ-01-2007-ЭХЗ.130 Установка КИП с блоком типа БДРМ на пересечении трубопровода с двумя кабелями связи. УПР.ЭХЗ-01-2007-ЭХЗ.131 Схема присоединения кабельных выводов к броне и металлической оболочке кабеля УПР.ЭХЗ-01-2007-ЭХЗ.132 Установка КИП с блоком типа БДРМ на трубопроводе и на защитном кожухе. (вариант 1). УПР.ЭХЗ-01-2007-ЭХЗ.133 Установка КИП с блоком типа БДРМ на трубопроводе и на защитном кожухе. (вариант 2). УПР.ЭХЗ-01-2007-ЭХЗ.134 Установка КИП с блоком типа БДРМ на трубопроводе и на защитном кожухе. (вариант 3). УПР.ЭХЗ-01-2007-ЭХЗ.135 Установка КИП на трубопроводе. УПР.ЭХЗ-01-2007-ЭХЗ.136 Установка КИП, совмещенного с маркером на трубопроводе. УПР.ЭХЗ-01-2007-ЭХЗ.137 Установка КИП, совмещенного с токоизмерительным пунктом на трубопроводе. УПР.ЭХЗ-01-2007-ЭХЗ.138 Установка КИП на изолирующей вставке. (вариант 1). УПР.ЭХЗ-01-2007-ЭХЗ.139 Установка КИП на изолирующей вставке. (вариант 2). УПР.ЭХЗ-01-2007-ЭХЗ.140 Установка КИП на кабеле связи. УПР.ЭХЗ-01-2007-ЭХЗ.141 Установка блока типа БДРМ на КИП. Сборочный чертеж УПР.ЭХЗ-01-2007-ЭХЗ.142 Установка электрода сравнения с индикатором скорости коррозии. УПР.ЭХЗ-01-2007-ЭХЗ.143 Защитное заземлявшее устройство для устранения опасного влияния высоковольтной ЛЭП. Вариант 1. (при постоянном воздействии на трубопровод). УПР.ЭХЗ-01-2007-ЭХЗ.144 Защитное заземляющее устройство для устранения опасного влияния высоковольтной ЛЭП. Вариант 2. (при постоянном воздействии на трубопровод). УПР.ЭХЗ-01-2007-ЭХЗ.145 Защитное заземляющее устройство для устранения опасного влияния высоковольтной ЛЭП. Вариант 3. (при постоянном воздействии на трубопровод). УПР.ЭХЗ-01-2007-ЭХЗ.146 Защитное заземлявшее устройство для устранения опасного влияния высоковольтной ЛЭП. Вариант 1. (в случае К.З. на землю). УПР.ЭХЗ-01-2007-ЭХЗ.147 Защитное заземляющее устройство для устранения опасного влияния высоковольтной ЛЭП. Вариант 2. (в случае К.З. на землю). УПР.ЭХЗ-01-2007-ЭХЗ.148 Защитное заземляющее устройство для устранения опасного влияния высоковольтной ЛЭП. Вариант 3. (в случае К.З. на землю). УПР.ЭХЗ-01-2007-ЭХЗ.149 Узел подключения и укладки заземляющего устройства. УПР.ЭХЗ-01-2007-ЭХЗ.150 Оборудование КИП для измерения поляризационного потенциала УПР.ЭХЗ-01-2007-ЭХЗ.151 Установка маркерных накладок и электродов сравнения. УПР.ЭХЗ-01-2007-ЭХЗ Раздел 6. Узлы кабельных присоединений.. УПР.ЭХЗ-01-2007-ЭХЗ.152 Узел присоединения соединительной линии к кабелю магистрали. УПР.ЭХЗ-01-2007-ЭХЗ.153 Узел присоединения электродов к кабелю магистрали. УПР.ЭХЗ-01-2007-ЭХЗ.154 Приварка контактного вывода к кольцевому монтажному стыку. УПР.ЭХЗ-01-2007-ЭХЗ.155 Присоединение кабеля к трубопроводу из стали повышенной прочности. УПР.ЭХЗ-01-2007-ЭХЗ.156 Присоединение кабеля к трубопроводу из стали нормальной прочности. УПР.ЭХЗ-01-2007-ЭХЗ.157 Узел присоединения кабеля к обсадной трубе скважины. УПР.ЭХЗ-01-2007-ЭХЗ.158 Узел присоединения дренажного кабеля к трубопроводу из обычной стали. УПР.ЭХЗ-01-2007-ЭХЗ.159 Узел присоединения двух кабелей к трубопроводу из обычной стали. УПР.ЭХЗ-01-2007-ЭХЗ.160 Узел присоединения кабеля к трубопроводу из стали повышенной прочности. УПР.ЭХЗ-01-2007-ЭХЗ.161 Узел присоединения двух кабелей к трубопроводу из стали повышенной прочности. УПР.ЭХЗ-01-2007-ЭХЗ.162 Изолирование присоединения кабеля к трубопроводу с помощью изоляционного материала "терма" (толщина стенки трубы < 5мм) УПР.ЭХЗ-01-2007-ЭХЗ.163 Изолирование присоединения кабеля к трубопроводу с помощью изоляционного материала "терма" (толщина стенки трубы > 5мм) УПР.ЭХЗ-01-2007-ЭХЗ.164 Изготовление кабельных соединений с помощью термитной сварки или кабельных зажимов. УПР.ЭХЗ-01-2007-ЭХЗ.165 Изоляция кабельных соединений с помощью термоусаживающих муфт. | Разработан: | ДОАО Газпроектинжиниринг
| Утверждён: | 10.12.2007 ОАО Газпром (Gazprom OAO )
| Расположен в: |
|
                                                                                                                                                                                                     
|