Скачать Типовые проектные решения 904-02-6 Альбом IX. Часть 1. Кондиционер с рециркуляцией, воздухонагревателем первого подогрева и воздухонагревателем второго подогрева. Электрическая система регулированияДата актуализации: 10.08.2017 Типовые проектные решения 904-02-6
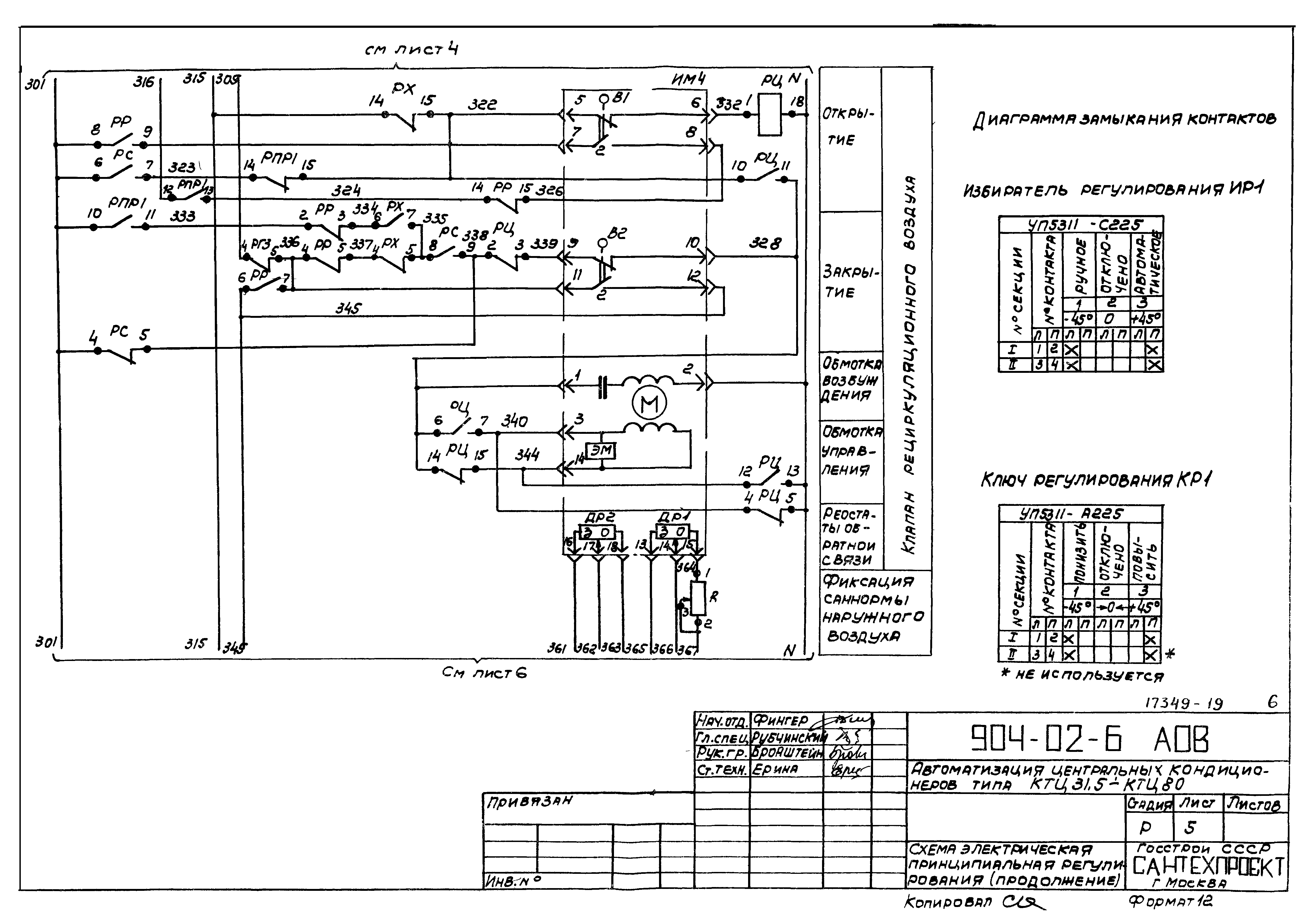
Альбом IX. Часть 1. Кондиционер с рециркуляцией, воздухонагревателем первого подогрева и воздухонагревателем второго подогрева. Электрическая система регулированияОбозначение: | Типовые проектные решения 904-02-6 | Обозначение англ: | 904-02-6 | Статус: | cправочные материалы, мп, тпр | Название рус.: | Альбом IX. Часть 1. Кондиционер с рециркуляцией, воздухонагревателем первого подогрева и воздухонагревателем второго подогрева. Электрическая система регулирования | Дата добавления в базу: | 01.09.2013 | Дата актуализации: | 05.05.2017 | Оглавление: | ТП 904-02-6 АОВ Общие данные ТП 904-02-6 АОВ Схема функциональная ТП 904-02-6 АОВ Схема электрическая принципиальная регулирования ТП 904-02-6 АОВ Щит Щ1Р1-1Д. Общий вид ТП 904-02-6 АОВ Схема подключения 1 Область применения 2 Нормативные ссылки 3 Термины и определения 4 Устройство и принцип действия 5 Технические требования 5.1 Требования к конструкции 5.2 Требования к материалам и комплектующим изделиям 5.3 Требования к электрооборудованию 5.4 Требования к упаковке 5.5 Требования к транспортированию и хранению 5.6 Требования к монтажу 5.7 Требования к обеспечению безопасности окружающей среды 6 Перечень опасностей 6.1 Механические опасности 6.2 Электрические опасности 6.3 Опасности, возникающие из-за шума 6.4 Опасности, связанные с вдыханием пыли 6.5 Опасности, связанные с несоблюдением гигиенических требований при конструировании 6.6 Опасности, связанные с несоблюдением эргономических принципов при конструировании 7 Требования безопасности и гигиены 7.1 Общие требования 7.2 Требования по обеспечению механической безопасности 7.3 Требования по обеспечению электрической безопасности 7.4 Требования к процессу чистки тестомесильных машин 7.5 Защита от пыли 7.6 Санитарно-гигиенические требования 8 Требования к эргономическим характеристикам 9 Проверка уровня безопасности и выполнения гигиенических требований и/или их предельных значений 10 Информация для потребителя 10.1 Прилагаемые документы 10.2 Руководство по эксплуатации 10.3 Маркировка 10.4 Инструкция по монтажу, пуску, регулированию и обкатке машин 11 Правила приемки 12 Методы контроля Приложение А (обязательное) Требования к конструкции, обеспечивающие возможность чистки тестомесильных машин Приложение В (справочное) Метод измерения уровня содержания пыли Приложение ДА (справочное) Система правил анализа шума. Второй класс точности Приложение ДБ (справочное) Условия настоящего европейского стандарта, касающиеся основных требований и других положений Директив ЕС Приложение ДВ (рекомендуемое) Основные технические характеристики тестомесильных машин Приложение ДГ (обязательное) Сведения о соответствии ссылочных национальных и межгосударственных стандартов международным стандартам, использованным в качестве ссылочных в примененном европейском региональном стандарте Приложение ДД (справочное) Сопоставление структуры настоящего стандарта со структурой примененного в нем европейского регионального стандарта Библиография | Разработан: | Сантехпроект Госстроя СССР
| Утверждён: | 06.08.1981 Главпромстройпроект Госстроя СССР (47)
| Расположен в: |
|
                      
|