Информационная система
«Ёшкин Кот»

Скачать базу одним архивом
Скачать обновления
История создания базы
Карта сайта

Скачать Типовые проектные решения 904-02-6 Альбом 0. Часть 1. Рекомендации по применению. Пояснительная записка. Технологические схемы

Дата актуализации: 10.08.2017

Типовые проектные решения 904-02-6

Альбом 0. Часть 1. Рекомендации по применению. Пояснительная записка. Технологические схемы

Обозначение: Типовые проектные решения 904-02-6
Обозначение англ: 904-02-6
Статус:cправочные материалы, мп, тпр
Название рус.:Альбом 0. Часть 1. Рекомендации по применению. Пояснительная записка. Технологические схемы
Дата добавления в базу:01.09.2013
Дата актуализации:05.05.2017
Оглавление:Часть 1
ТП 904-02-6 АОВ Общие данные
ТП 904-02-6 АОВ Пояснительная записка
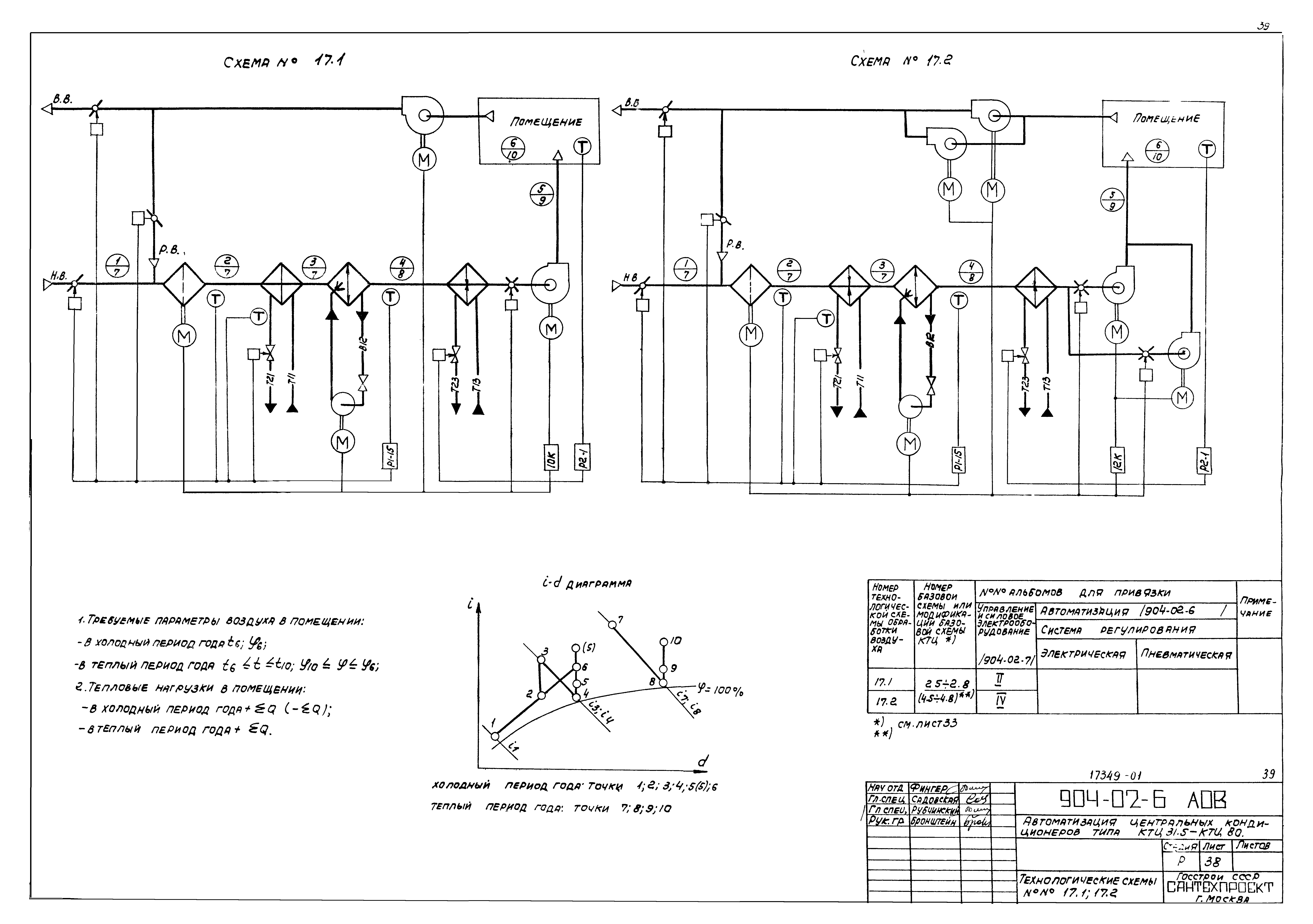
ТП 904-02-6 АОВ 1. Технологические схемы обработки воздуха
ТП 904-02-6 АОВ 2. Схемы регулирования
ТП 904-02-6 АОВ 3. Схемы управления
ТП 904-02-6 АОВ 4. Приборы и средства автоматизации и их размещение
ТП 904-02-6 АОВ 5. Размещение аппаратуры управления и силового электрооборудования
ТП 904-02-6 АОВ 6. Рекомендации по составлению заданий на проектирование автоматизации, управления и силового электрооборудования
ТП 904-02-6 АОВ 7. Указания по привязке альбомов 1-12, части 1 и 2 раздела "Автоматизация"
ТП 904-02-6 АОВ Технологические схемы (чертежи)
Разработан: Сантехпроект Госстроя СССР
Утверждён:15.08.1981 Главпромстройпроект Госстроя СССР (47)
Расположен в:Техническая документация Строительство Справочные документы Типовые строительные конструкции, изделия и узлы Общероссийский строительный каталог Промышленные предприятия, здания и сооружения Здания и сооружения санитарно-технические Воздухоснабжение, вентиляция и кондиционирование воздуха Вентиляция, кондиционирование воздуха
Типовые проектные решения 904-02-6Типовые проектные решения 904-02-6Типовые проектные решения 904-02-6Типовые проектные решения 904-02-6Типовые проектные решения 904-02-6Типовые проектные решения 904-02-6Типовые проектные решения 904-02-6Типовые проектные решения 904-02-6Типовые проектные решения 904-02-6Типовые проектные решения 904-02-6Типовые проектные решения 904-02-6Типовые проектные решения 904-02-6Типовые проектные решения 904-02-6Типовые проектные решения 904-02-6Типовые проектные решения 904-02-6Типовые проектные решения 904-02-6Типовые проектные решения 904-02-6Типовые проектные решения 904-02-6Типовые проектные решения 904-02-6Типовые проектные решения 904-02-6Типовые проектные решения 904-02-6Типовые проектные решения 904-02-6Типовые проектные решения 904-02-6Типовые проектные решения 904-02-6Типовые проектные решения 904-02-6Типовые проектные решения 904-02-6Типовые проектные решения 904-02-6Типовые проектные решения 904-02-6Типовые проектные решения 904-02-6Типовые проектные решения 904-02-6Типовые проектные решения 904-02-6Типовые проектные решения 904-02-6Типовые проектные решения 904-02-6Типовые проектные решения 904-02-6Типовые проектные решения 904-02-6Типовые проектные решения 904-02-6Типовые проектные решения 904-02-6Типовые проектные решения 904-02-6Типовые проектные решения 904-02-6Типовые проектные решения 904-02-6Типовые проектные решения 904-02-6Типовые проектные решения 904-02-6Типовые проектные решения 904-02-6Типовые проектные решения 904-02-6Типовые проектные решения 904-02-6Типовые проектные решения 904-02-6Типовые проектные решения 904-02-6

© 2013 Ёшкин Кот :-) Карта сайта