Информационная система
«Ёшкин Кот»

Скачать базу одним архивом
Скачать обновления
История создания базы
Карта сайта

Скачать Типовой проект 902-1-105.86 Альбом 6. Строительные решения. Подземная часть. Изделия (из ТП 902-1-104.86)

Дата актуализации: 10.08.2017

Типовой проект 902-1-105.86

Альбом 6. Строительные решения. Подземная часть. Изделия (из ТП 902-1-104.86)

Обозначение: Типовой проект 902-1-105.86
Обозначение англ: 902-1-105.86
Статус:не определен законодательством
Название рус.:Альбом 6. Строительные решения. Подземная часть. Изделия (из ТП 902-1-104.86)
Дата добавления в базу:01.09.2013
Дата актуализации:05.05.2017
Дата введения:04.12.1986
Оглавление:ТП 902-1-104.86 Содержание альбома
ТП 902-1-104.86-КЖИ-ТТ Технические требования
ТП 902-1-104.86-КЖИ-1.100 СБ Каркас пространственный
ТП 902-1-104.86-КЖИ-1.101 Каркас плоский
ТП 902-1-104.86-КЖИ-1.200 СБ Каркас пространственный
ТП 902-1-104.86-КЖИ-1.201 Каркас плоский
ТП 902-1-104.86-КЖИ-1.300 СБ Закладная деталь
ТП 902-1-104.86-КЖИ-1.300 Закладная деталь
ТП 902-1-104.86-КЖИ-1.301 Анкер А-1
ТП 902-1-104.86-КЖИ-2.100 Стеновая панель
ТП 902-1-104.86-КЖИ-2.101 Стеновая панель
ТП 902-1-104.86-КЖИ-2.102 Стеновая панель
ТП 902-1-104.86-КЖИ-2.103 Стеновая панель
ТП 902-1-104.86-КЖИ-2.104 Стеновая панель
ТП 902-1-104.86-КЖИ-2.105 Стеновая панель
ТП 902-1-104.86-КЖИ-2.106 Стеновая панель
ТП 902-1-104.86-КЖИ-2.107 Стеновая панель
ТП 902-1-104.86-КЖИ-2.108 Стеновая панель
ТП 902-1-104.86-КЖИ-2.109 Стеновая панель
ТП 902-1-104.86-КЖИ-2.200 СБ Стеновая панель
ТП 902-1-104.86-КЖИ-2.201 Стеновая панель
ТП 902-1-104.86-КЖИ-2.202 Стеновая панель
ТП 902-1-104.86-КЖИ-2.203 Стеновая панель
ТП 902-1-104.86-КЖИ-2.204 Стеновая панель
ТП 902-1-104.86-КЖИ-2.205 Стеновая панель
ТП 902-1-104.86-КЖИ-2.206 Стеновая панель
ТП 902-1-104.86-КЖИ-2.207 Стеновая панель
ТП 902-1-104.86-КЖИ-2.208 Стеновая панель
ТП 902-1-104.86-КЖИ-2.209 Стеновая панель
ТП 902-1-104.86-КЖИ-2.210 Стеновая панель
ТП 902-1-104.86-КЖИ-2.211 Стеновая панель
ТП 902-1-104.86-КЖИ-2.300 Стеновая панель
ТП 902-1-104.86-КЖИ-2.301 Стеновая панель
ТП 902-1-104.86-КЖИ-2.302 Стеновая панель
ТП 902-1-104.86-КЖИ-2.303 Стеновая панель
ТП 902-1-104.86-КЖИ-2.304 Стеновая панель
ТП 902-1-104.86-КЖИ-2.305 Стеновая панель
ТП 902-1-104.86-КЖИ-2.306 Стеновая панель
ТП 902-1-104.86-КЖИ-2.307 Стеновая панель
ТП 902-1-104.86-КЖИ-2.308 Стеновая панель
ТП 902-1-104.86-КЖИ-2.309 Стеновая панель
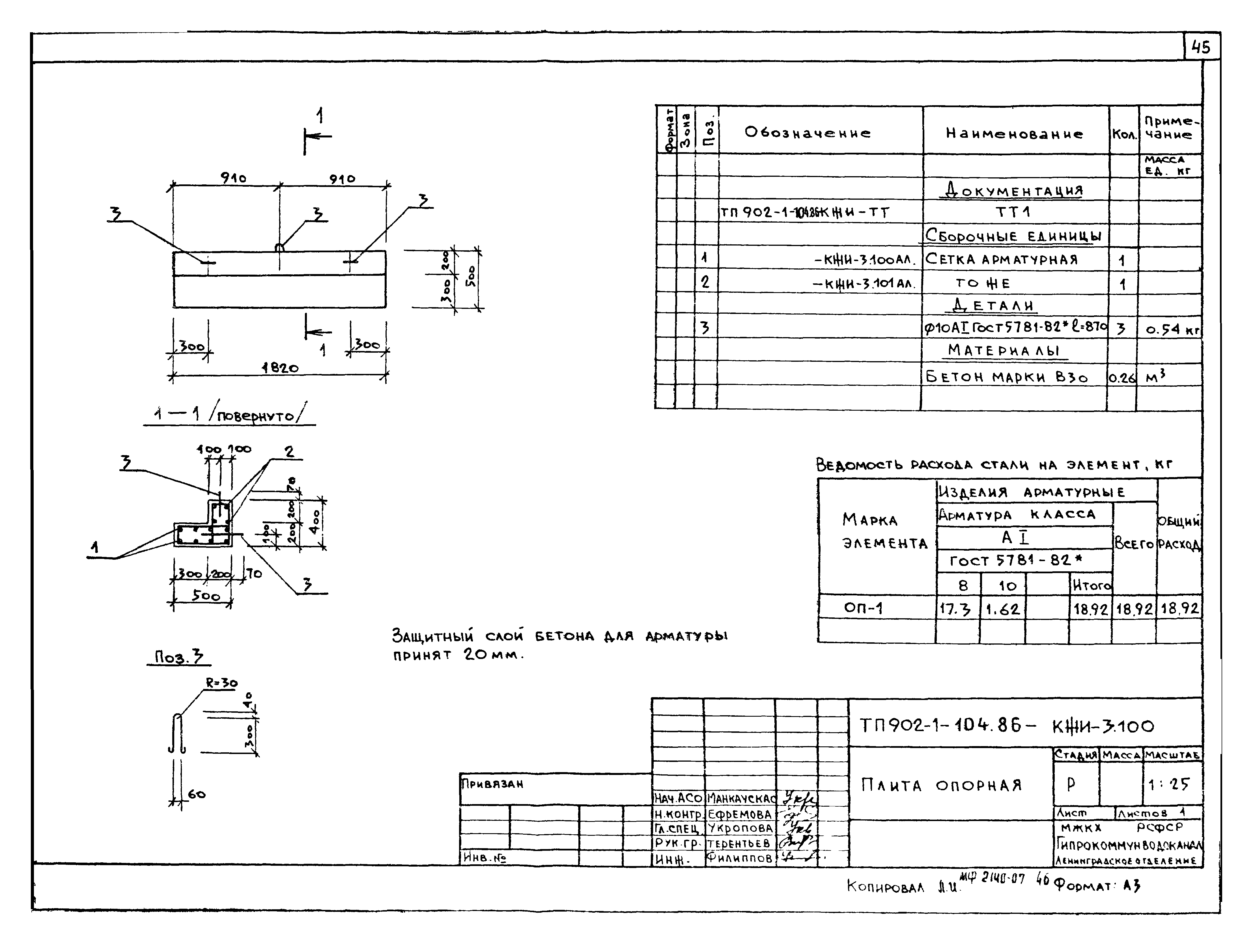
ТП 902-1-104.86-КЖИ-3.100 Плита опорная
ТП 902-1-104.86-КЖИ-3.101 Сетка
ТП 902-1-104.86-КЖИ-3.102 Сетка
ТП 902-1-104.86-КЖИ-3.103 Изделие соединительное МС2
ТП 902-1-104.86-КЖИ-4.100 Каркас
ТП 902-1-104.86-КЖИ-4.101 Каркас
ТП 902-1-104.86-КЖИ-4.102 Каркас
ТП 902-1-104.86-КЖИ-4.103 Каркас
ТП 902-1-104.86-КЖИ-4.104 Каркас
ТП 902-1-104.86-КЖИ-4.105 Каркас
ТП 902-1-104.86-КЖИ-4.106 Каркас
ТП 902-1-104.86-КЖИ-4.107 Каркас
ТП 902-1-104.86-КЖИ-4.108 Каркас
ТП 902-1-104.86-КЖИ-4.109 Каркас
ТП 902-1-104.86-КЖИ-4.200 Каркас
ТП 902-1-104.86-КЖИ-4.201 Каркас
ТП 902-1-104.86-КЖИ-4.202 Каркас
ТП 902-1-104.86-КЖИ-4.203 Каркас
ТП 902-1-104.86-КЖИ-4.204 Каркас
ТП 902-1-104.86-КЖИ-4.205 Каркас
ТП 902-1-104.86-КЖИ-4.206 Каркас
ТП 902-1-104.86-КЖИ-4.207 Каркас
ТП 902-1-104.86-КЖИ-4.208 Каркас
ТП 902-1-104.86-КЖИ-4.209 Каркас
ТП 902-1-104.86-КЖИ-4.210 Каркас
ТП 902-1-104.86-КЖИ-4.211 Каркас
ТП 902-1-104.86-КЖИ-4.212 Каркас
ТП 902-1-104.86-КЖИ-4.213 Каркас
ТП 902-1-104.86-КЖИ-4.300 Каркас
ТП 902-1-104.86-КЖИ-4.301 Каркас
ТП 902-1-104.86-КЖИ-4.302 Каркас
ТП 902-1-104.86-КЖИ-4.303 Каркас
ТП 902-1-104.86-КЖИ-4.304 Каркас
ТП 902-1-104.86-КЖИ-4.305 Каркас
ТП 902-1-104.86-КЖИ-4.306 Каркас
ТП 902-1-104.86-КЖИ-4.307 Каркас
ТП 902-1-104.86-КЖИ-4.308 Каркас
ТП 902-1-104.86-КЖИ-4.309 Каркас
ТП 902-1-104.86-КЖИ-4.310 Каркас
ТП 902-1-104.86-КЖИ-4.311 Каркас
ТП 902-1-104.86-КЖИ-4.312 Каркас
ТП 902-1-104.86-КЖИ-4.313 Каркас
ТП 902-1-104.86-КЖИ-4.314 Каркас
ТП 902-1-104.86-КЖИ-4.315 Каркас
ТП 902-1-104.86-КЖИ-4.316 Каркас
ТП 902-1-104.86-КЖИ-4.317 Каркас
ТП 902-1-104.86-КЖИ-4.318 Каркас
ТП 902-1-104.86-КЖИ-5.100 Каркас
ТП 902-1-104.86-КЖИ-5.101 Каркас
ТП 902-1-104.86-КЖИ-5.102 Каркас
ТП 902-1-104.86-КЖИ-5.103 Каркас
ТП 902-1-104.86-КЖИ-5.104 Каркас
ТП 902-1-104.86-КЖИ-5.105 Каркас
ТП 902-1-104.86-КЖИ-5.106 Каркас
ТП 902-1-104.86-КЖИ-5.200 Каркас
ТП 902-1-104.86-КЖИ-5.201 Каркас
ТП 902-1-104.86-КЖИ-5.202 Каркас
ТП 902-1-104.86-КЖИ-5.300 Каркас
ТП 902-1-104.86-КЖИ-5.301 Каркас
ТП 902-1-104.86-КЖИ-5.302 Каркас
ТП 902-1-104.86-КЖИ-6.303 Каркас
ТП 902-1-104.86-КЖИ-6.100 Каркас
ТП 902-1-104.86-КЖИ-6.101 Каркас
ТП 902-1-104.86-КЖИ-6.102 Каркас
ТП 902-1-104.86-КЖИ-6.103 Каркас
ТП 902-1-104.86-КЖИ-6.104 Каркас
ТП 902-1-104.86-КЖИ-6.105 Каркас
ТП 902-1-104.86-КЖИ-6.106 Каркас
ТП 902-1-104.86-КЖИ-6.107 Каркас
ТП 902-1-104.86-КЖИ-6.108 Каркас
ТП 902-1-104.86-КЖИ-6.109 Каркас
ТП 902-1-104.86-КЖИ-6.110 Каркас
ТП 902-1-104.86-КЖИ-6.111 Каркас
ТП 902-1-104.86-КЖИ-6.112 Каркас
ТП 902-1-104.86-КЖИ-6.113 Каркас
ТП 902-1-104.86-КЖИ-6.114 Каркас
ТП 902-1-104.86-КЖИ-6.115 Каркас
ТП 902-1-104.86-КЖИ-6.116 Каркас
ТП 902-1-104.86-КЖИ-6.117 Каркас
ТП 902-1-104.86-КЖИ-6.118 Каркас
ТП 902-1-104.86-КЖИ-6.119 Каркас
ТП 902-1-104.86-КЖИ-6.120 Каркас
ТП 902-1-104.86-КЖИ-6.121 Каркас
ТП 902-1-104.86-КЖИ-6.122 Каркас
ТП 902-1-104.86-КЖИ-6.123 Каркас
ТП 902-1-104.86-КЖИ-6.124 Каркас
ТП 902-1-104.86-КЖИ-6.125 Каркас
ТП 902-1-104.86-КЖИ-6.126 Каркас
ТП 902-1-104.86-КЖИ-6.127 Каркас
ТП 902-1-104.86-КЖИ-6.128 Каркас
ТП 902-1-104.86-КЖИ-6.129 Каркас
ТП 902-1-104.86-КЖИ-6.130 Каркас
Разработан: Ленинградское отделение Гипрокоммунводоканала
Утверждён:27.10.1986 МЖКХ РСФСР (462)
Расположен в:Техническая документация Строительство Справочные документы Типовые строительные конструкции, изделия и узлы Общероссийский строительный каталог Промышленные предприятия, здания и сооружения Здания и сооружения санитарно-технические Канализация Станции насосные Станции насосные для перекачки бытовых сточных вод
Заменяет собой:
Типовой проект 902-1-105.86Типовой проект 902-1-105.86Типовой проект 902-1-105.86Типовой проект 902-1-105.86Типовой проект 902-1-105.86Типовой проект 902-1-105.86Типовой проект 902-1-105.86Типовой проект 902-1-105.86Типовой проект 902-1-105.86Типовой проект 902-1-105.86Типовой проект 902-1-105.86Типовой проект 902-1-105.86Типовой проект 902-1-105.86Типовой проект 902-1-105.86Типовой проект 902-1-105.86Типовой проект 902-1-105.86Типовой проект 902-1-105.86Типовой проект 902-1-105.86Типовой проект 902-1-105.86Типовой проект 902-1-105.86Типовой проект 902-1-105.86Типовой проект 902-1-105.86Типовой проект 902-1-105.86Типовой проект 902-1-105.86Типовой проект 902-1-105.86Типовой проект 902-1-105.86Типовой проект 902-1-105.86Типовой проект 902-1-105.86Типовой проект 902-1-105.86Типовой проект 902-1-105.86Типовой проект 902-1-105.86Типовой проект 902-1-105.86Типовой проект 902-1-105.86Типовой проект 902-1-105.86Типовой проект 902-1-105.86Типовой проект 902-1-105.86Типовой проект 902-1-105.86Типовой проект 902-1-105.86Типовой проект 902-1-105.86Типовой проект 902-1-105.86Типовой проект 902-1-105.86Типовой проект 902-1-105.86Типовой проект 902-1-105.86Типовой проект 902-1-105.86Типовой проект 902-1-105.86Типовой проект 902-1-105.86Типовой проект 902-1-105.86Типовой проект 902-1-105.86Типовой проект 902-1-105.86Типовой проект 902-1-105.86Типовой проект 902-1-105.86Типовой проект 902-1-105.86Типовой проект 902-1-105.86Типовой проект 902-1-105.86Типовой проект 902-1-105.86Типовой проект 902-1-105.86Типовой проект 902-1-105.86Типовой проект 902-1-105.86Типовой проект 902-1-105.86Типовой проект 902-1-105.86Типовой проект 902-1-105.86Типовой проект 902-1-105.86Типовой проект 902-1-105.86Типовой проект 902-1-105.86Типовой проект 902-1-105.86Типовой проект 902-1-105.86Типовой проект 902-1-105.86Типовой проект 902-1-105.86Типовой проект 902-1-105.86Типовой проект 902-1-105.86Типовой проект 902-1-105.86Типовой проект 902-1-105.86Типовой проект 902-1-105.86Типовой проект 902-1-105.86Типовой проект 902-1-105.86Типовой проект 902-1-105.86Типовой проект 902-1-105.86Типовой проект 902-1-105.86Типовой проект 902-1-105.86Типовой проект 902-1-105.86Типовой проект 902-1-105.86Типовой проект 902-1-105.86Типовой проект 902-1-105.86Типовой проект 902-1-105.86Типовой проект 902-1-105.86Типовой проект 902-1-105.86Типовой проект 902-1-105.86Типовой проект 902-1-105.86Типовой проект 902-1-105.86Типовой проект 902-1-105.86Типовой проект 902-1-105.86Типовой проект 902-1-105.86Типовой проект 902-1-105.86Типовой проект 902-1-105.86

© 2013 Ёшкин Кот :-) Карта сайта