Информационная система
«Ёшкин Кот»

Скачать базу одним архивом
Скачать обновления
История создания базы
Карта сайта

Скачать Типовой проект 703-1-6.86 Альбом 5. Строительные изделия (из ТП 703-1-5.86)

Дата актуализации: 10.08.2017

Типовой проект 703-1-6.86

Альбом 5. Строительные изделия (из ТП 703-1-5.86)

Обозначение: Типовой проект 703-1-6.86
Обозначение англ: 703-1-6.86
Статус:не определен законодательством
Название рус.:Альбом 5. Строительные изделия (из ТП 703-1-5.86)
Дата добавления в базу:01.09.2013
Дата актуализации:05.05.2017
Дата введения:23.05.1986
Оглавление:ТП 703-1-5.86 Содержание
ТП 703-1-5.86 000ТО Техническое описание
ТП 703-1-5.86 000НИ Номенклатура изделий
ТП 703-1-5.86 00010 Панели трехслойные металлические для подвесного потолка и стен вертикальной разрезки
ТП 703-1-5.86 010 СБ Панели трехслойные металлические для подвесного потолка и стен вертикальной разрезки. Сборочный чертеж
ТП 703-1-5.86 020 Панели противопожарных перегородок
ТП 703-1-5.86 020 СБ Панели противопожарных перегородок. Сборочный чертеж
ТП 703-1-5.86 030 Панели противопожарных стен
ТП 703-1-5.86 030 СБ Панели противопожарных стен. Сборочный чертеж
ТП 703-1-5.86 040 Рамы противопожарных перегородок РН...РН10
ТП 703-1-5.86 040 СБ Рамы противопожарных перегородок РН...РН10. Сборочный чертеж
ТП 703-1-5.86 050 Рамы противопожарных перегородок РН11...РН15
ТП 703-1-5.86 050 СБ Рамы противопожарных перегородок РН11...РН15. Сборочный чертеж
ТП 703-1-5.86 060 Комплекты деталей МС-1
ТП 703-1-5.86 060 СБ Комплекты деталей МС-1. Сборочный чертеж
ТП 703-1-5.86 070 Крепежное изделие КМ1
ТП 703-1-5.86 080 Крепежное изделие КМ2
ТП 703-1-5.86 090 Крепежное изделие КМ3
ТП 703-1-5.86 100 Крепежное изделие КМ4
ТП 703-1-5.86 110 Крепежное изделие КМ5,КМ6
ТП 703-1-5.86 120 Крепежное изделие КМ7
ТП 703-1-5.86 130 Рама дверная РДМ1;РДМ2
ТП 703-1-5.86 130 СБ Рама дверная РДМ1;РДМ2. Сборочный чертеж
ТП 703-1-5.86 140 Слив С1;С2
ТП 703-1-5.86 150 Слив С3
ТП 703-1-5.86 160 Слив С4
ТП 703-1-5.86 170 Костыль К1;К2;К3
ТП 703-1-5.86 180 Нащельник металлический НМ1
ТП 703-1-5.86 190 Нащельник металлический НМ2,НМ6
ТП 703-1-5.86 200 Нащельник металлический НМ7,НМ10
ТП 703-1-5.86 210 Нащельник металлический НМ11,НМ12
ТП 703-1-5.86 220 Нащельник металлический НМ13...НМ16
ТП 703-1-5.86 230 Нащельник металлический НМ17
ТП 703-1-5.86 240 Нащельник металлический НМ18
ТП 703-1-5.86 250 Нащельник металлический НМ19...НМ21
ТП 703-1-5.86 260 Нащельник металлический НМ22,НМ23
ТП 703-1-5.86 270 Нащельник металлический НМ24,НМ34
ТП 703-1-5.86 280 Нащельник металлический НМ25
ТП 703-1-5.86 290 Нащельник металлический НМ26
ТП 703-1-5.86 300 Нащельник металлический НМ27
ТП 703-1-5.86 310 Нащельник металлический НМ28,НМ29
ТП 703-1-5.86 320 Нащельник металлический НМ30,НМ31
ТП 703-1-5.86 330 Нащельник металлический НМ32
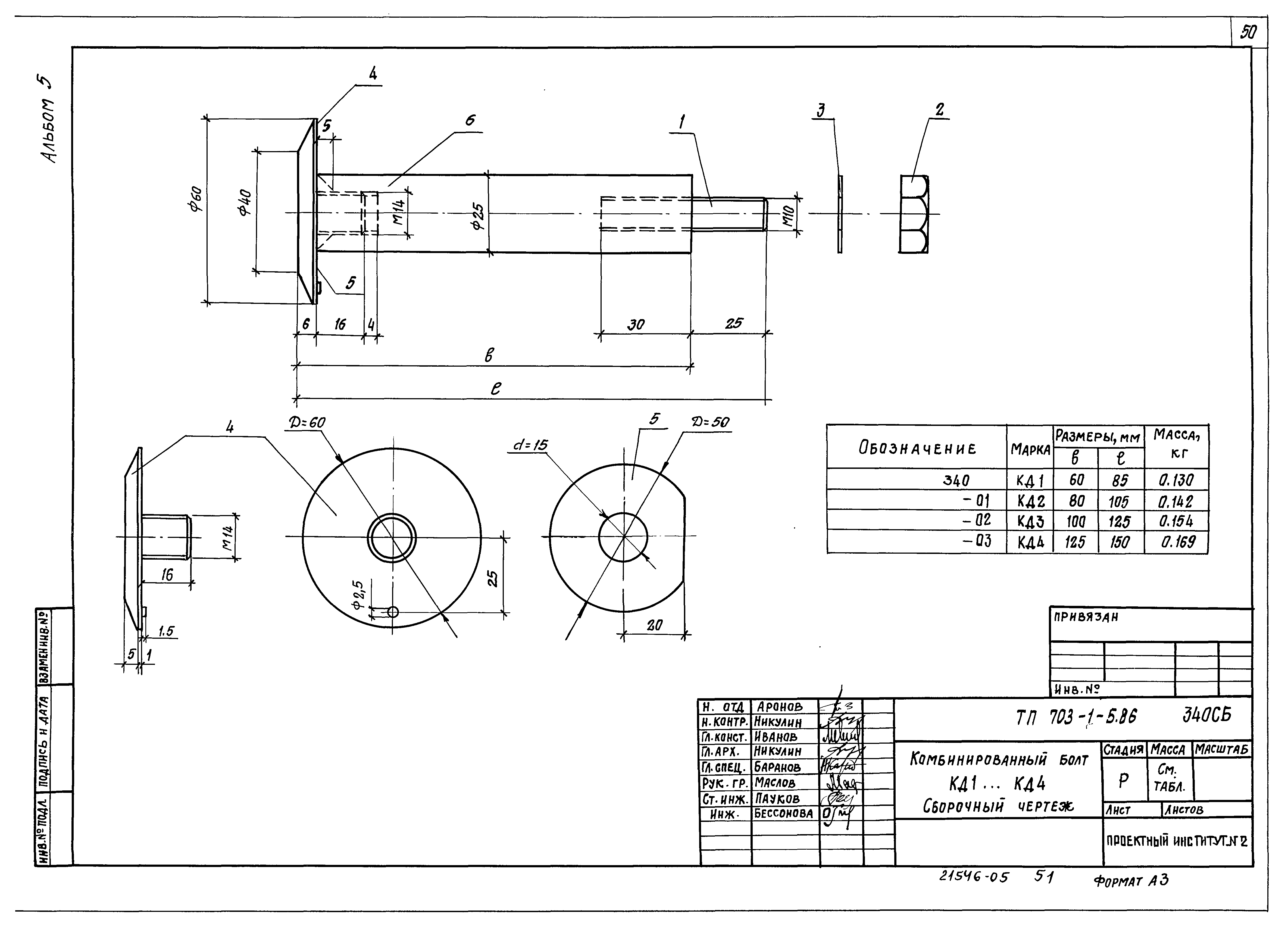
ТП 703-1-5.86 340 Комбинированный болт КД1...КД4
ТП 703-1-5.86 340 СБ Комбинированный болт КД1...КД4. Сборочный чертеж
ТП 703-1-5.86 350 Профиль стальной для панелей В=60 мм
ТП 703-1-5.86 360 Профиль стальной для панелей В≥80 мм
ТП 703-1-5.86 370 Прокладка П1...П3
ТП 703-1-5.86 380 Прокладка ПР1
ТП 703-1-5.86 390 Элемент фасонный ЭФ1,ЭФ2
ТП 703-1-5.86 400 Элемент фасонный ЭФ3,ЭФ4
ТП 703-1-5.86 410 Элемент фасонный ЭФ5
Разработан: Проектный институт №2
Утверждён:17.02.1986 Министерство торговли СССР (USSR Ministry of Commerce 31/Л-3)
Расположен в:Техническая документация Строительство Справочные документы Типовые строительные конструкции, изделия и узлы Общероссийский строительный каталог Промышленные предприятия, здания и сооружения Предприятия, здания и сооружения складские Овощехранилища и фруктохранилища Овощехранилища
Типовой проект 703-1-6.86Типовой проект 703-1-6.86Типовой проект 703-1-6.86Типовой проект 703-1-6.86Типовой проект 703-1-6.86Типовой проект 703-1-6.86Типовой проект 703-1-6.86Типовой проект 703-1-6.86Типовой проект 703-1-6.86Типовой проект 703-1-6.86Типовой проект 703-1-6.86Типовой проект 703-1-6.86Типовой проект 703-1-6.86Типовой проект 703-1-6.86Типовой проект 703-1-6.86Типовой проект 703-1-6.86Типовой проект 703-1-6.86Типовой проект 703-1-6.86Типовой проект 703-1-6.86Типовой проект 703-1-6.86Типовой проект 703-1-6.86Типовой проект 703-1-6.86Типовой проект 703-1-6.86Типовой проект 703-1-6.86Типовой проект 703-1-6.86Типовой проект 703-1-6.86Типовой проект 703-1-6.86Типовой проект 703-1-6.86Типовой проект 703-1-6.86Типовой проект 703-1-6.86Типовой проект 703-1-6.86Типовой проект 703-1-6.86Типовой проект 703-1-6.86Типовой проект 703-1-6.86Типовой проект 703-1-6.86Типовой проект 703-1-6.86Типовой проект 703-1-6.86Типовой проект 703-1-6.86Типовой проект 703-1-6.86Типовой проект 703-1-6.86Типовой проект 703-1-6.86Типовой проект 703-1-6.86Типовой проект 703-1-6.86Типовой проект 703-1-6.86Типовой проект 703-1-6.86Типовой проект 703-1-6.86Типовой проект 703-1-6.86Типовой проект 703-1-6.86Типовой проект 703-1-6.86Типовой проект 703-1-6.86Типовой проект 703-1-6.86Типовой проект 703-1-6.86Типовой проект 703-1-6.86Типовой проект 703-1-6.86Типовой проект 703-1-6.86Типовой проект 703-1-6.86

© 2013 Ёшкин Кот :-) Карта сайта