Информационная система
«Ёшкин Кот»

Скачать базу одним архивом
Скачать обновления
История создания базы
Карта сайта

Скачать Типовой проект 703-1-6.86 Альбом 3. Узлы ограждающих конструкций (из ТП 703-1-5.86)

Дата актуализации: 10.08.2017

Типовой проект 703-1-6.86

Альбом 3. Узлы ограждающих конструкций (из ТП 703-1-5.86)

Обозначение: Типовой проект 703-1-6.86
Обозначение англ: 703-1-6.86
Статус:не определен законодательством
Название рус.:Альбом 3. Узлы ограждающих конструкций (из ТП 703-1-5.86)
Дата добавления в базу:01.09.2013
Дата актуализации:05.05.2017
Дата введения:23.05.1986
Оглавление:ТП 703-1-5.86 Содержание
ТП 703-1-5.86 ПЗ Пояснительная записка
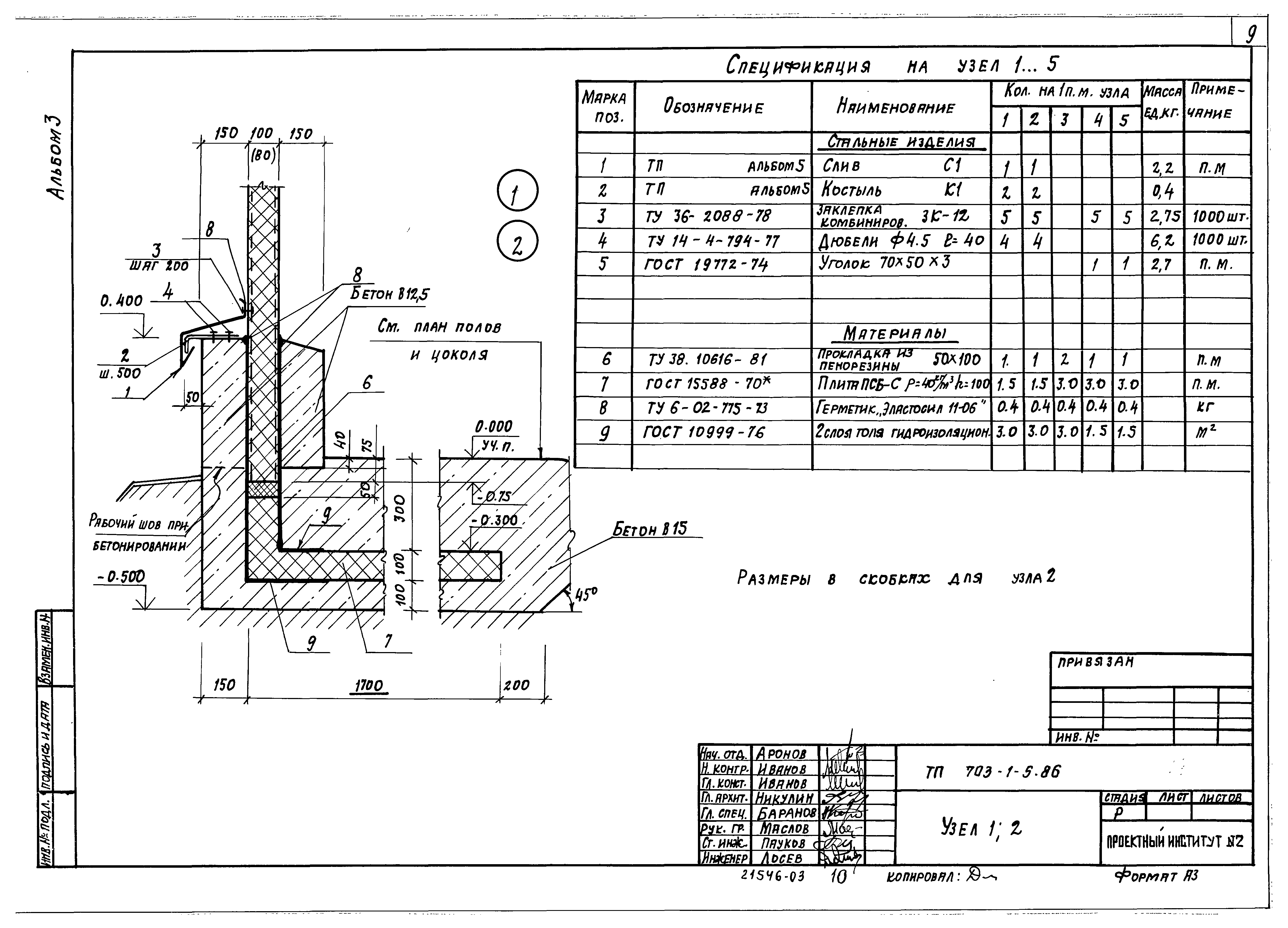
ТП 703-1-5.86 01 Узел 1;2
ТП 703-1-5.86 02 Узел 3...5
ТП 703-1-5.86 03 Узел 6...8
ТП 703-1-5.86 04 Узел 9...10
ТП 703-1-5.86 05 Узел 11
ТП 703-1-5.86 06 Узел 12
ТП 703-1-5.86 07 Узел 13...20
ТП 703-1-5.86 08 Узел 21...28
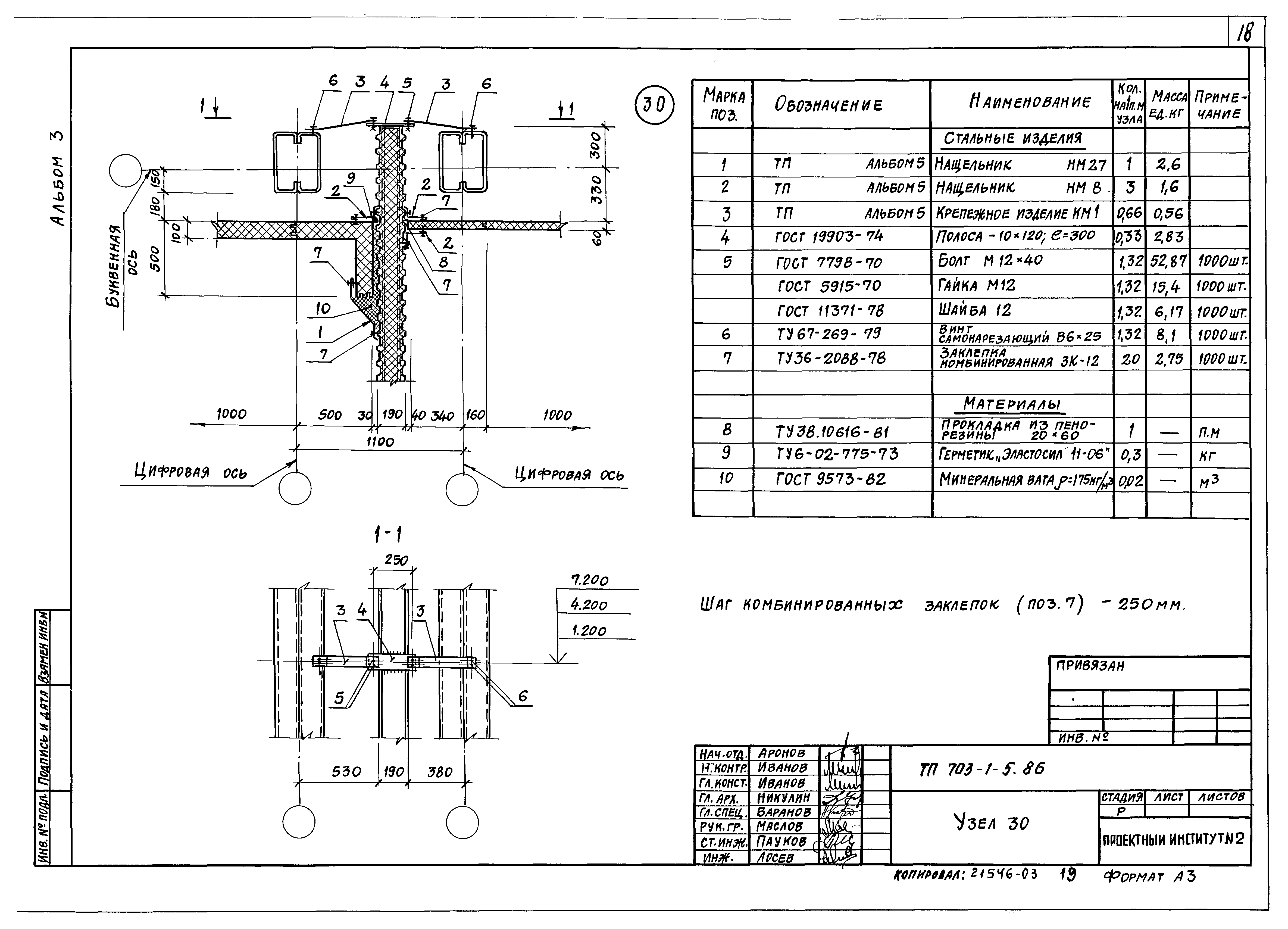
ТП 703-1-5.86 09 Узел 29
ТП 703-1-5.86 10 Узел 30
ТП 703-1-5.86 11 Узел 31
ТП 703-1-5.86 12 Узел 32;33
ТП 703-1-5.86 13 Узел 34;35
ТП 703-1-5.86 14 Узел 36...38
ТП 703-1-5.86 15 Узел 39...43
ТП 703-1-5.86 16 Узел 44...47
ТП 703-1-5.86 17 Узел 48;49
ТП 703-1-5.86 18 Узел 50;51
ТП 703-1-5.86 19 Узел 52;53
ТП 703-1-5.86 20 Узел 54;55
ТП 703-1-5.86 21 Узел 56...58
ТП 703-1-5.86 22 Узел 59...61
ТП 703-1-5.86 23 Узел 62
ТП 703-1-5.86 24 Узел 63
ТП 703-1-5.86 25 Узел 64...66
ТП 703-1-5.86 26 Узел 67;68
ТП 703-1-5.86 27 Узел 69;70
ТП 703-1-5.86 28 Узел 71;72
ТП 703-1-5.86 29 Узел 73
ТП 703-1-5.86 30 Узел 74;75
ТП 703-1-5.86 31 Узел 76;77
ТП 703-1-5.86 32 Узел 78;79
ТП 703-1-5.86 33 Узел 80;81
ТП 703-1-5.86 34 Узел 82;83
ТП 703-1-5.86 35 Узел 84...86
ТП 703-1-5.86 36 Узел 87
ТП 703-1-5.86 37 Узел 88
ТП 703-1-5.86 38 Узел 89...91
ТП 703-1-5.86 39 Узел 92,93
ТП 703-1-5.86 40 Узел 94
ТП 703-1-5.86 41 Узел 95
ТП 703-1-5.86 42 Узел 96
ТП 703-1-5.86 43 Узел 97
ТП 703-1-5.86 44 Узел 98...100
ТП 703-1-5.86 45 Узел 101...103
ТП 703-1-5.86 46 Узел 104;105
ТП 703-1-5.86 47 Узел 106
ТП 703-1-5.86 48 Узел 107
ТП 703-1-5.86 49 Узел 108;109
ТП 703-1-5.86 50 Узел 110;111
ТП 703-1-5.86 51 Узел 112
ТП 703-1-5.86 52 Узел 113...116
ТП 703-1-5.86 53 Узел 117...119
ТП 703-1-5.86 54 Узел 120;121
ТП 703-1-5.86 55 Узел 122
ТП 703-1-5.86 56 Узел 123
ТП 703-1-5.86 57 Узел 124
ТП 703-1-5.86 58 Узел 125,126
ТП 703-1-5.86 59 Узел 127. Пример прохода коммуникаций через стены камер хранилищ
ТП 703-1-5.86 60 Узел 128. Пример прохода электрических кабелей через стены (перегородки)
ТП 703-1-5.86 61 Узел 129
Разработан: Проектный институт №2
Утверждён:17.02.1986 Министерство торговли СССР (USSR Ministry of Commerce 31/П-2)
Расположен в:Техническая документация Строительство Справочные документы Типовые строительные конструкции, изделия и узлы Общероссийский строительный каталог Промышленные предприятия, здания и сооружения Предприятия, здания и сооружения складские Овощехранилища и фруктохранилища Овощехранилища
Типовой проект 703-1-6.86Типовой проект 703-1-6.86Типовой проект 703-1-6.86Типовой проект 703-1-6.86Типовой проект 703-1-6.86Типовой проект 703-1-6.86Типовой проект 703-1-6.86Типовой проект 703-1-6.86Типовой проект 703-1-6.86Типовой проект 703-1-6.86Типовой проект 703-1-6.86Типовой проект 703-1-6.86Типовой проект 703-1-6.86Типовой проект 703-1-6.86Типовой проект 703-1-6.86Типовой проект 703-1-6.86Типовой проект 703-1-6.86Типовой проект 703-1-6.86Типовой проект 703-1-6.86Типовой проект 703-1-6.86Типовой проект 703-1-6.86Типовой проект 703-1-6.86Типовой проект 703-1-6.86Типовой проект 703-1-6.86Типовой проект 703-1-6.86Типовой проект 703-1-6.86Типовой проект 703-1-6.86Типовой проект 703-1-6.86Типовой проект 703-1-6.86Типовой проект 703-1-6.86Типовой проект 703-1-6.86Типовой проект 703-1-6.86Типовой проект 703-1-6.86Типовой проект 703-1-6.86Типовой проект 703-1-6.86Типовой проект 703-1-6.86Типовой проект 703-1-6.86Типовой проект 703-1-6.86Типовой проект 703-1-6.86Типовой проект 703-1-6.86Типовой проект 703-1-6.86Типовой проект 703-1-6.86Типовой проект 703-1-6.86Типовой проект 703-1-6.86Типовой проект 703-1-6.86Типовой проект 703-1-6.86Типовой проект 703-1-6.86Типовой проект 703-1-6.86Типовой проект 703-1-6.86Типовой проект 703-1-6.86Типовой проект 703-1-6.86Типовой проект 703-1-6.86Типовой проект 703-1-6.86Типовой проект 703-1-6.86Типовой проект 703-1-6.86Типовой проект 703-1-6.86Типовой проект 703-1-6.86Типовой проект 703-1-6.86Типовой проект 703-1-6.86Типовой проект 703-1-6.86Типовой проект 703-1-6.86Типовой проект 703-1-6.86Типовой проект 703-1-6.86Типовой проект 703-1-6.86Типовой проект 703-1-6.86Типовой проект 703-1-6.86Типовой проект 703-1-6.86Типовой проект 703-1-6.86Типовой проект 703-1-6.86Типовой проект 703-1-6.86

© 2013 Ёшкин Кот :-) Карта сайта